Скачать ОСТ 108.720.01-82 Тройники равнопроходные для трубопроводов ТЭС. Конструкция и размеры

Дата актуализации: 01.01.2021

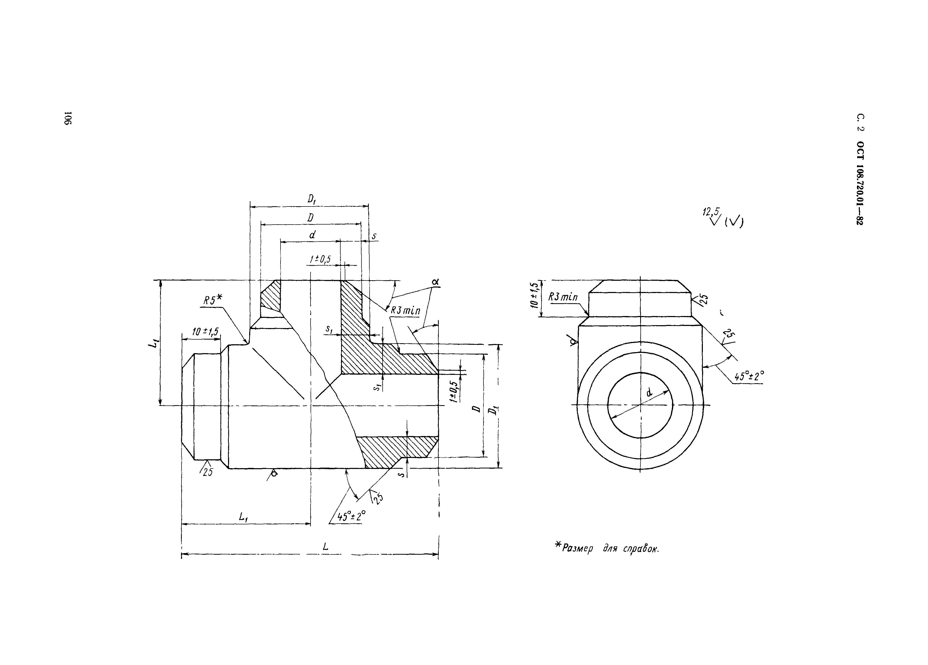
ОСТ 108.720.01-82

Тройники равнопроходные для трубопроводов ТЭС. Конструкция и размеры

Обозначение: ОСТ 108.720.01-82
Обозначение англ: OST 108.720.01-82
Статус:заменен
Название рус.:Тройники равнопроходные для трубопроводов ТЭС. Конструкция и размеры
Дата добавления в базу:01.09.2013
Дата актуализации:01.01.2021
Дата введения:01.01.1985
Дата окончания срока действия:01.05.2010
Область применения:Стандарт распространяется на тройники равнопроходные штампованные для трубопроводов питательной воды тепловых электростанций с абсолютным давлением и температурой среды: p=37,27 МПа (380 кгс/см2), t=280° C; p=23,54 МПа (240 кгс/см2), t=250° C; p=18,14 МПа (185 кгс/см2), t=215° C.
Утверждён:04.06.1982 Министерство энергетического машиностроения (Ministry of Energy Machinery Manufacturing ВВ-002/4628)
Принят: Министерство энергетики и электрификации СССР (USSR Ministry of Energy and Electrical Power )
Издан: НПО ЦКТИ (1993 г. )
Список изменений:
Заменяет собой:
  • ОСТ 24.720.12 (в части )
  • НО 778-66 (в части )
Нормативные ссылки:
ОСТ 108.720.01-82ОСТ 108.720.01-82ОСТ 108.720.01-82ОСТ 108.720.01-82ОСТ 108.720.01-82ОСТ 108.720.01-82ОСТ 108.720.01-82ОСТ 108.720.01-82

Текстовое изменение № от 15.02.1994

№ № № №

Текстовое изменение № 1 от 01.01.1984

№ 1