Скачать КО 09.16.01.08-01 Краны мостовые, подвесные и талиДата актуализации: 01.01.2021
|
| Обозначение: | КО 09.16.01.08-01 |
| Обозначение англ: | KO 09.16.01.08-01 |
| Статус: | заменен |
| Название рус.: | Краны мостовые, подвесные и тали |
| Дата добавления в базу: | 01.09.2013 |
| Дата актуализации: | 01.01.2021 |
| Дата введения: | 01.01.2001 |
| Дата окончания срока действия: | 01.01.2004 |
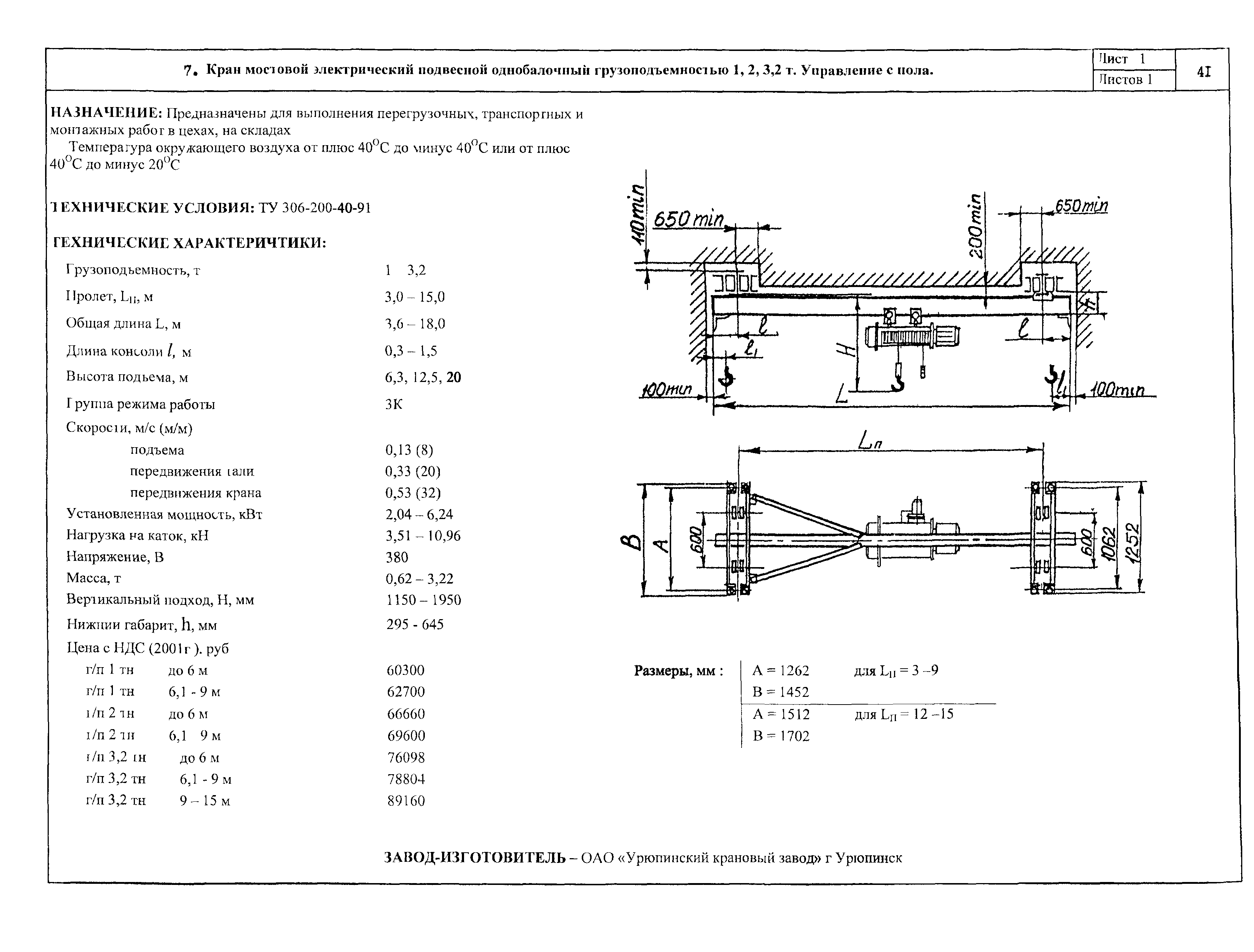
| Оглавление: | 1 Краны мостовые опорные 2 Краны мостовые электрические общего назначения с двумя крюками 3 Краны мостовые специальные, грейферные и контейнерные 4 Краны мостовые электрические подвесные 5 Краны ручные опорные и подвесные 6 Краны мостовые электрические опорные и подвесные взрывобезопасные 7 Тали электрические 8 Тали ручные 9 Опросный лист на краны, изготавливаемые ОАО "Забайкальский завод подъемно-транспортного оборудования" п. Оловянная 10 Опросный лист на краны, изготавливаемые ОАО Пышминский завод подъемно-транспортного оборудования" г. Пышма 11 Адреса заводов-изготовителей |
| Разработан: | 31 ГПИ специального строительства Минобороны |
| Утверждён: | 01.01.2001 31 ГПИ СС Минобороны России |
| Нормативные ссылки: |












































































