Скачать ОСТ 1 80054-81 Заполнение приборов газами. Типовой технологический процессДата актуализации: 01.01.2021
|
| Обозначение: | ОСТ 1 80054-81 |
| Обозначение англ: | 80054-81 |
| Статус: | действует |
| Название рус.: | Заполнение приборов газами. Типовой технологический процесс |
| Дата добавления в базу: | 01.09.2013 |
| Дата актуализации: | 01.01.2021 |
| Дата введения: | 01.01.1983 |
| Область применения: | Стандарт распространяется на процесс заполнения приборов газами. Стандарт устанавливает типовой технологический процесс заполнения приборов газами (гелием, азотом, водородом, неоном) или смесью этих газов до давления от 13300 до 100000 Па (100-760 мм рт. ст.) и от 266 до 4000 Па (2-30 мм рт. ст.) с предварительной откачкой воздуха из полости прибора. Стандарт устанавливает типовой технологический процесс заполнения приборов газами методом продувки до атмосферного давления 100000 Па (760±40 мм рт. ст.) или до избыточного давления 100000 Па (1 кгс/см2). Метод заполнения газом определяется конструктором при разработке конструкции прибора. |
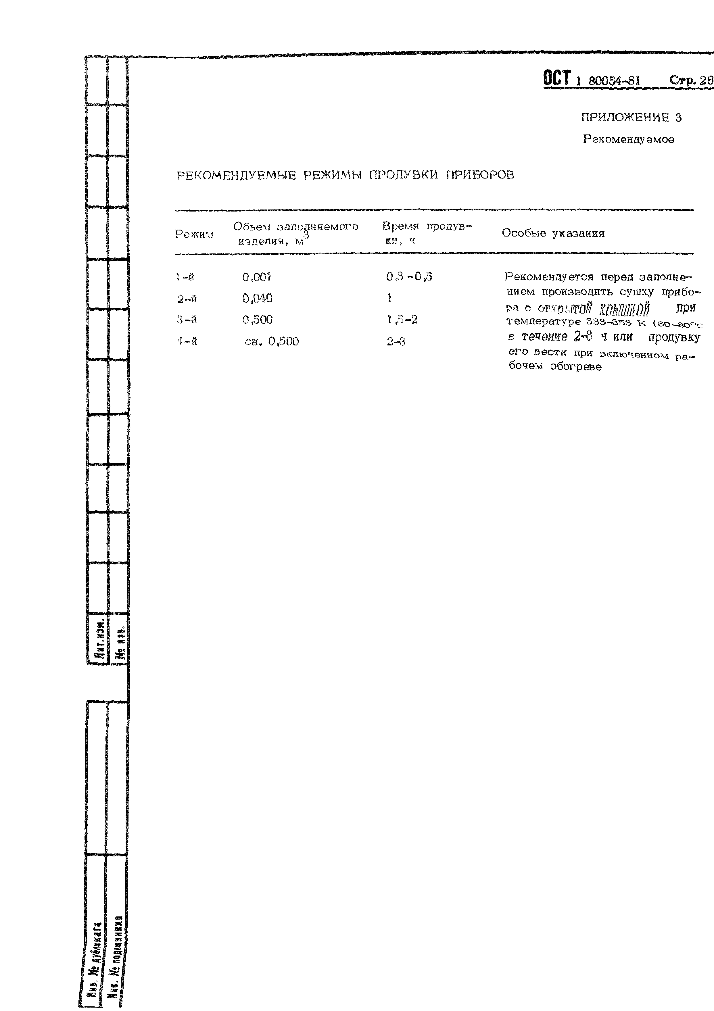
| Оглавление: | 1. Технические требования 2. Требования безопасности 3. Типовой технологический процесс заполнения прибора газом до давления от 13300 до 100000 Па (100-760±40 мм.рт.ст.) 4. Типовой технологический процесс заполнения прибора газом до давления от 26600 до 4000 Па (2-30 мм.рт.ст.) 5. Типовой технологический процесс заполнения прибора смесью газов до давления от 13300 до 100000 Па (100-760±40 мм.рт.ст.) 6. Типовой технологический процесс заполнения прибора смесью газов до давления от 26600 до 4000 Па (2-30 мм.рт.ст.) 7. Типовой технологический процесс заполнения прибора газом методом продувки до атмосферного давления 100000 Па (760±40 мм.рт.ст.) или до избыточного давления 100000 Па (1 кгс/см2) 8. Методы контроля 9. Запись в технической документации Приложение 1. Рекомендуемое. Требования к установке для заполнения приборов газами Приложение 2. Рекомендуемое. Рекомендуемые режимы откачки воздуха из полости прибора Приложение 3. Рекомендуемое. Рекомендуемые режимы продувки приборов Приложение 4. Справочное. Документация Приложение 5. Справочное. Материалы Приложение 6. Рекомендуемое. Оборудование, приспособления и измерительные приборы Приложение 7. Справочное. Заполнение баллонов малой емкости водородом от баллонов средней емкости (50л) Приложение 8. Справочное. Краткая токсикологическая характеристика применяемых веществ |
| Утверждён: | 13.02.1981 Министерство (Ministry 087-16) |
| Заменяет собой: |
|




































