Скачать ОСТ 1 37104-89 Гайки самоконтрящиеся. КонструкцияДата актуализации: 01.01.2021 ОСТ 1 37104-89
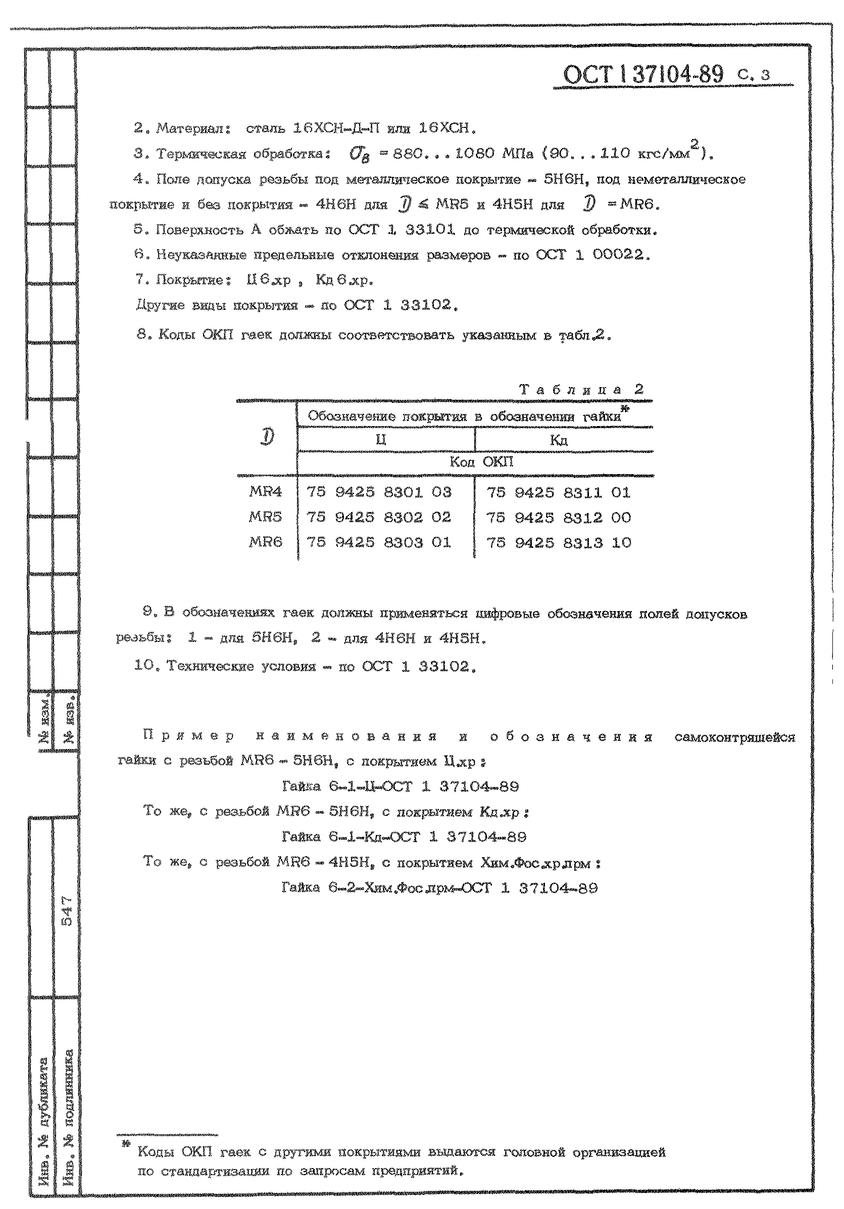
Гайки самоконтрящиеся. Конструкция| Обозначение: | ОСТ 1 37104-89 | | Обозначение англ: | 37104-89 | | Статус: | действует | | Название рус.: | Гайки самоконтрящиеся. Конструкция | | Дата добавления в базу: | 01.09.2013 | | Дата актуализации: | 01.01.2021 | | Дата введения: | 01.01.1990 | | Область применения: | Конструкция и размеры гаек должны соответствовать указанным на чертеже и в табл. 1. | | Утверждён: | 29.08.1989 Министерство (Ministry )
| | Заменяет собой: | | | Нормативные ссылки: | |
  
|