Скачать РД 50-687-89 Инструкция. Спирт этиловый. Нормирование расходаДата актуализации: 01.01.2021
|
| Обозначение: | РД 50-687-89 |
| Обозначение англ: | RD 50-687-89 |
| Статус: | не подлежит применению |
| Название рус.: | Инструкция. Спирт этиловый. Нормирование расхода |
| Дата добавления в базу: | 01.09.2013 |
| Дата актуализации: | 01.01.2021 |
| Дата введения: | 01.07.1989 |
| Дата окончания срока действия: | 25.12.2019 |
| Область применения: | Инструкция устанавливаетедирную систему расчета, порядок оформления и утверждения норм расхода этилового спирта (пищевого и технического) и содержит таблицы удельных норм расхода этилового спирта на технологические операции, проведение химических анализов, ремонт и эксплуатацию приборов и оборудования. |
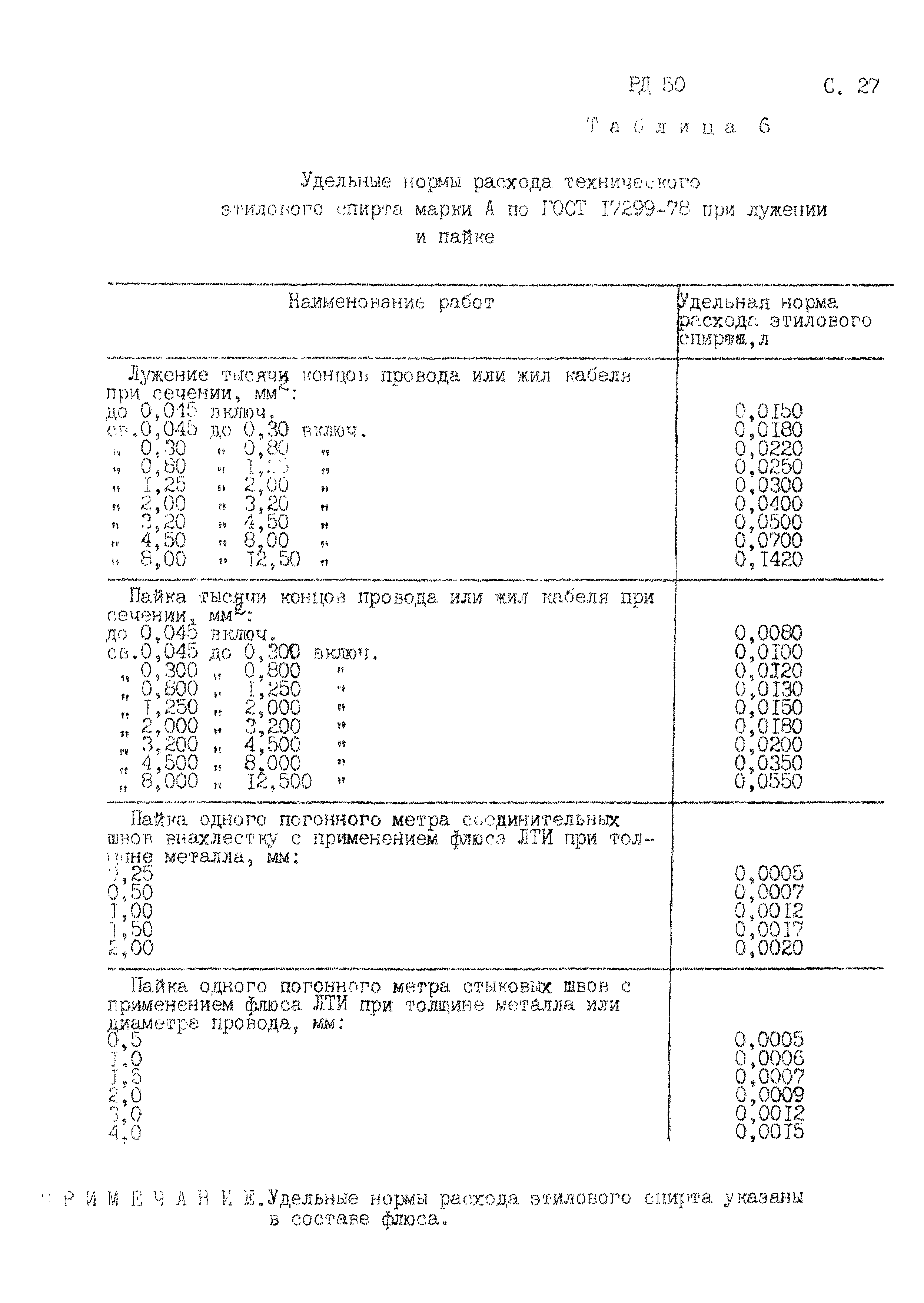
| Оглавление: | 1. Основные положения 2. Основные понятия и определения 3. Методы расчета и применения норм расхода этилового спирта Приложение 1 (обязательное) Удельные нормы расхода этилового спирта на технологические операции Приложение 2 (обязательное) Удельные нормы расхода этилового спирта на проведение химических анализов Приложение 3 (обязательное) Удельные нормы расхода этилового спирта при эксплуатации, ремонте и поверке приборов и оборудования Приложение 4 (обязательное) Формы ведомостей для определения удельных норм расхода и потребности этилового спирта на технологические операции, химические анализы, эксплуатацию и ремонт приборов и оборудования Приложение 5 (рекомендуемое) Формы актов для оформления уничтожения отработанного этилового спирта и опытных замеров фактического расхода этилового спирта |
| Разработан: | Центральное конструкторское бюро Госстандарта СССР |
| Утверждён: | 29.12.1989 Государственный комитет СССР по стандартам (USSR National Committee on Standards 523) |
| Издан: | Издательство стандартов (1989 г. ) |
| Заменяет собой: |
|
| Нормативные ссылки: |
|





















































































































