Скачать Серия 3.501.2-139 Выпуск 3-4. Пролетные строения пролетами 66,0 - 77,0 м. Конструкции металлические. Изделия. Чертежи КМДата актуализации: 01.01.2021
|
| Обозначение: | Серия 3.501.2-139 |
| Обозначение англ: | Series 3.501.2-139 |
| Статус: | не действует |
| Название рус.: | Выпуск 3-4. Пролетные строения пролетами 66,0 - 77,0 м. Конструкции металлические. Изделия. Чертежи КМ |
| Дата добавления в базу: | 01.09.2013 |
| Дата актуализации: | 01.01.2021 |
| Дата введения: | 01.07.1988 |
| Дата окончания срока действия: | 01.01.2006 |
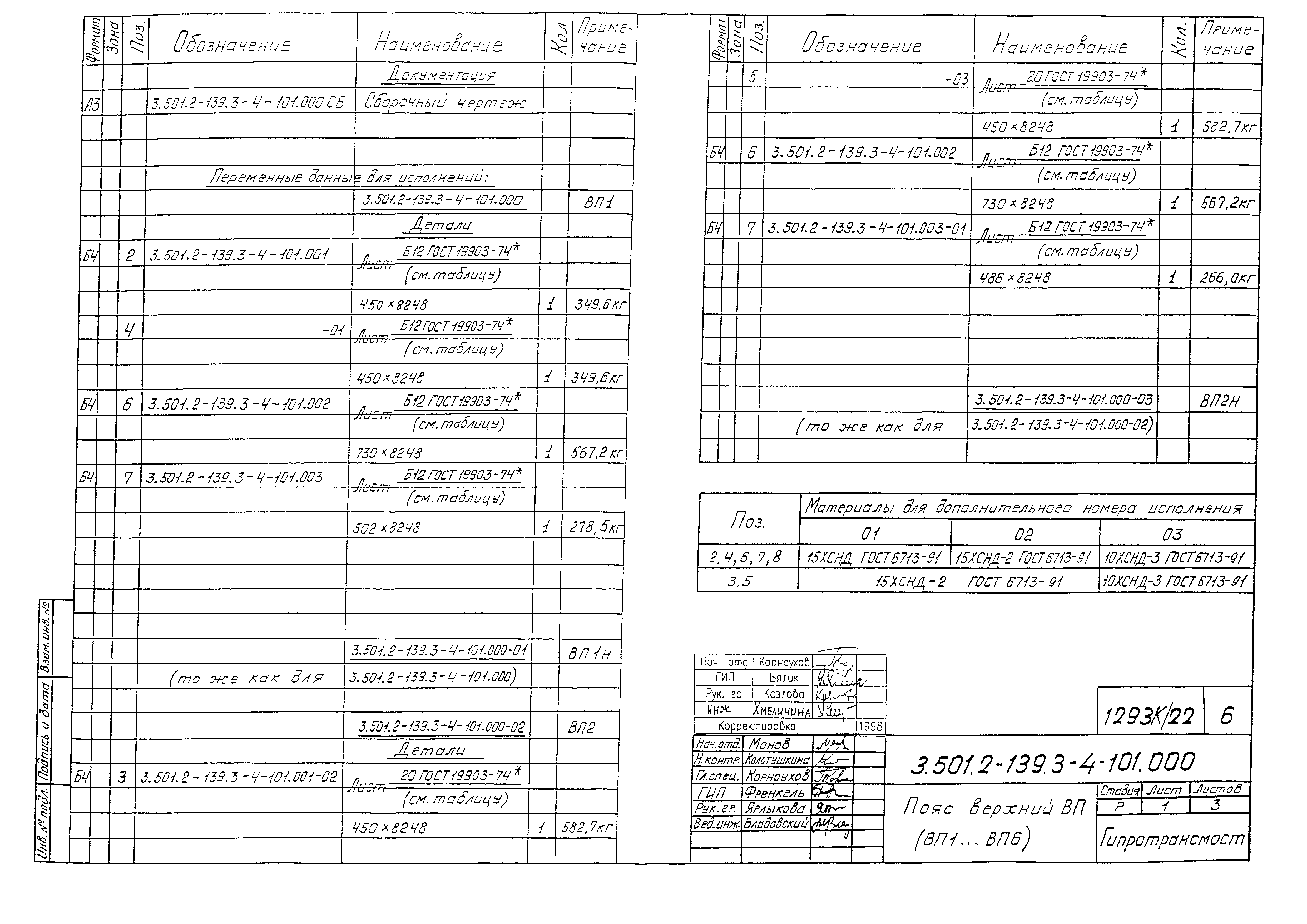
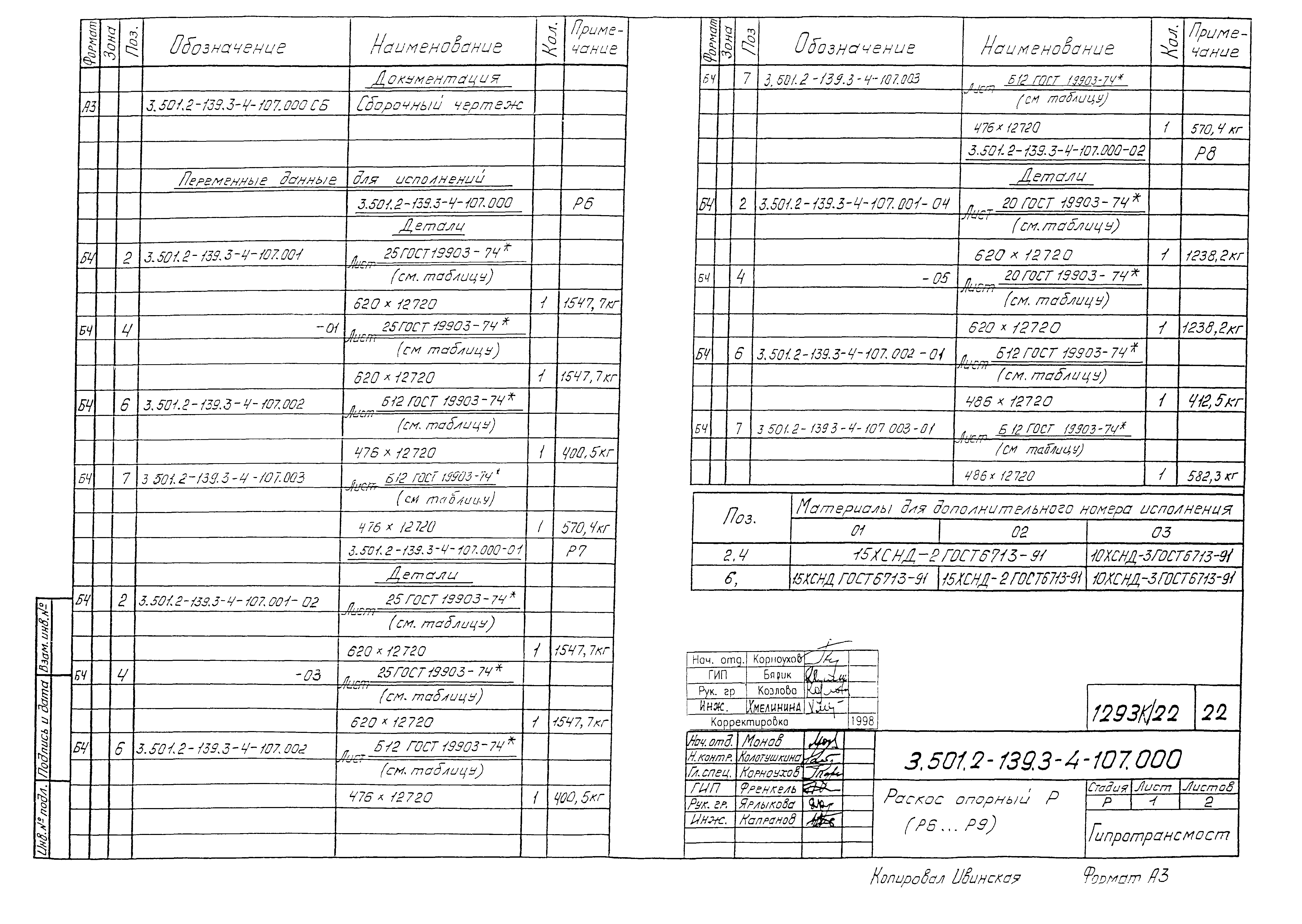
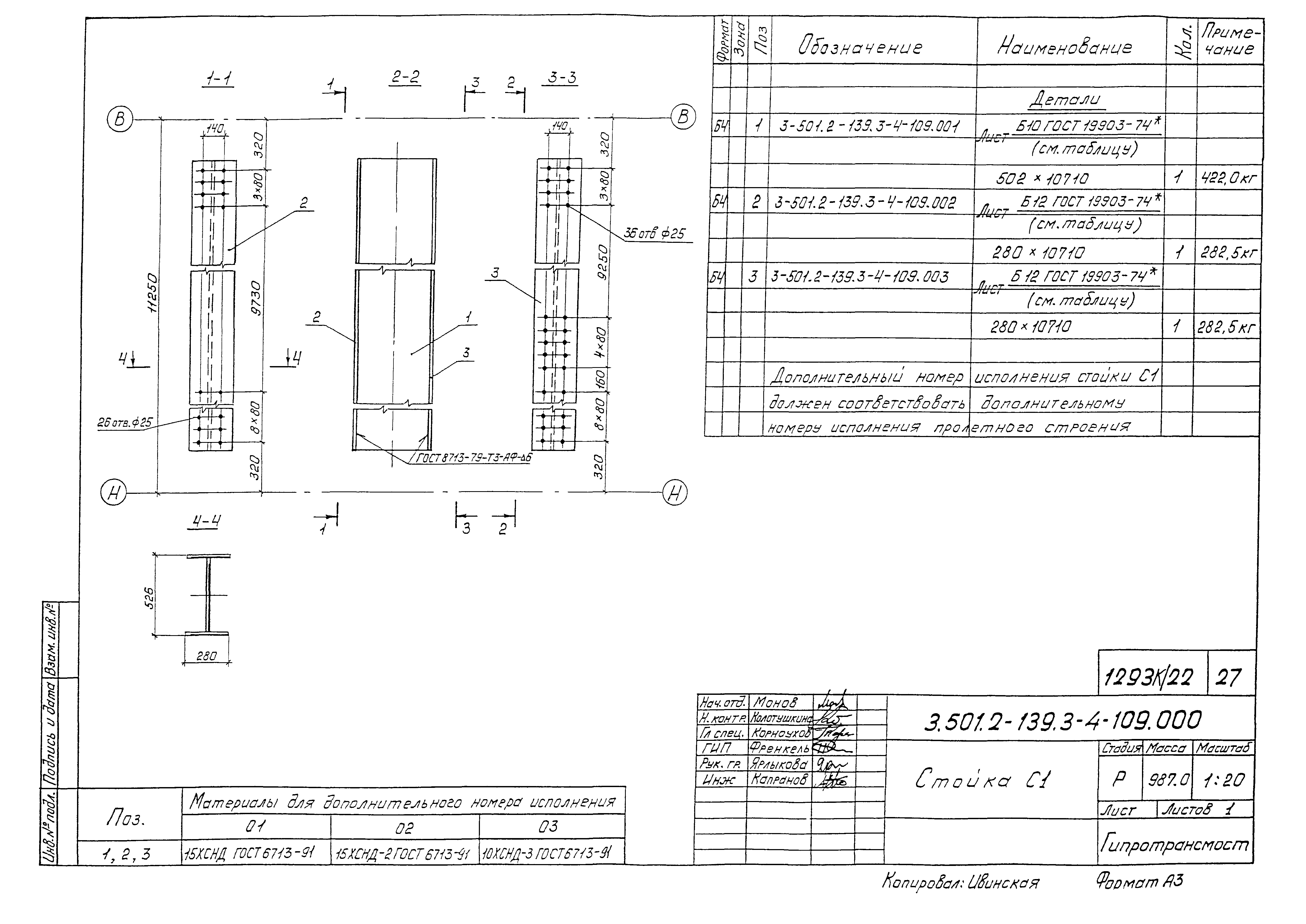
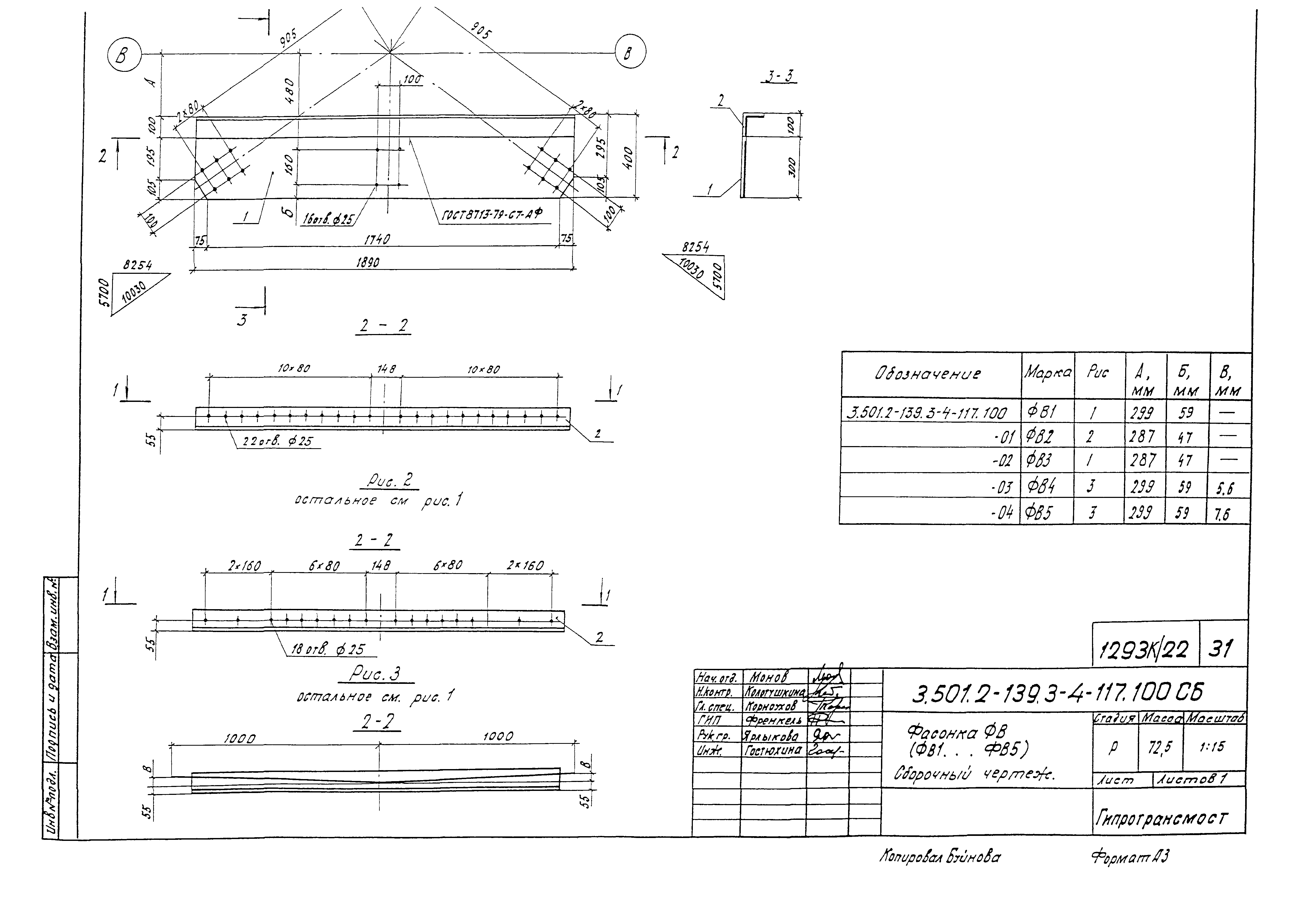
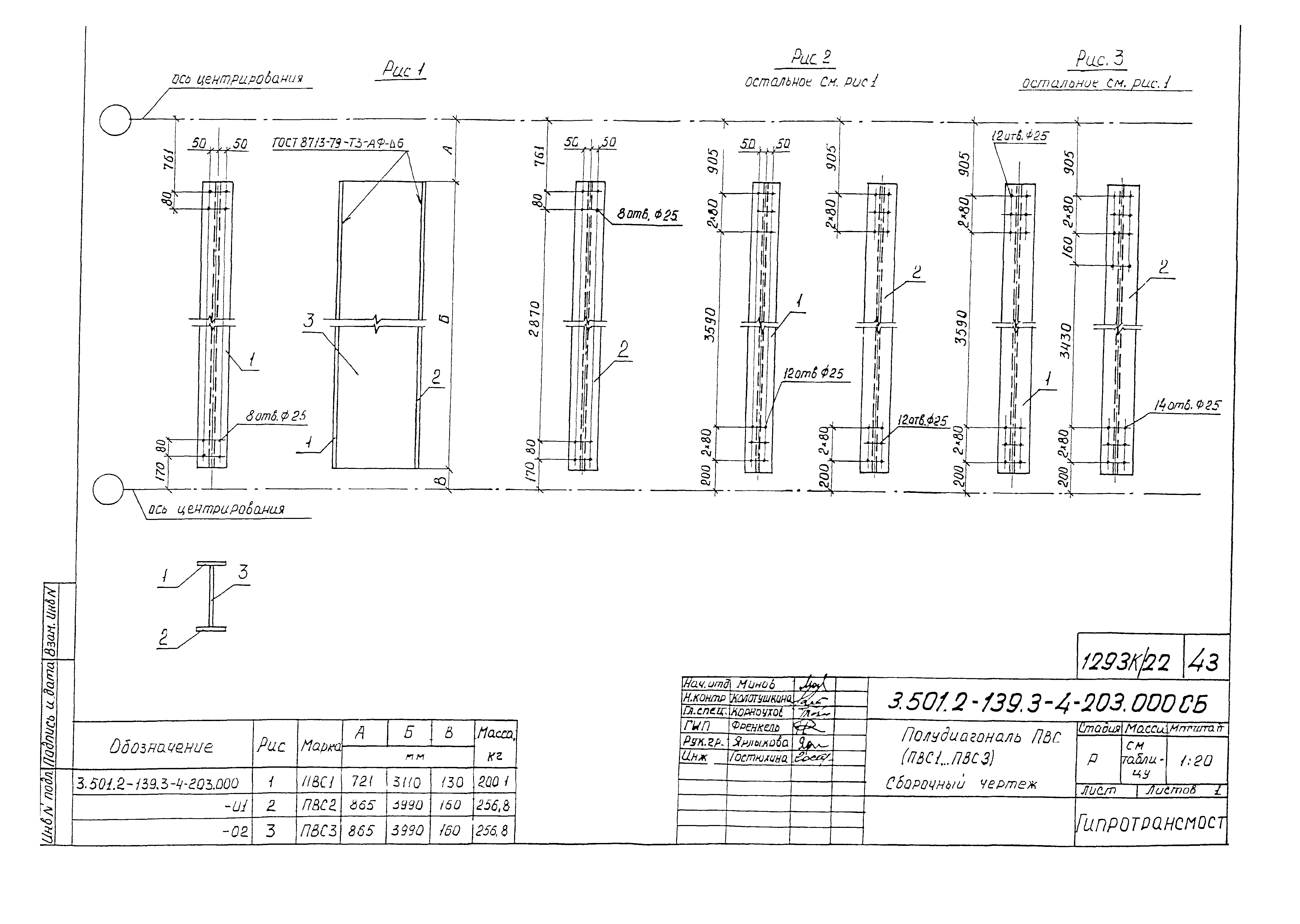
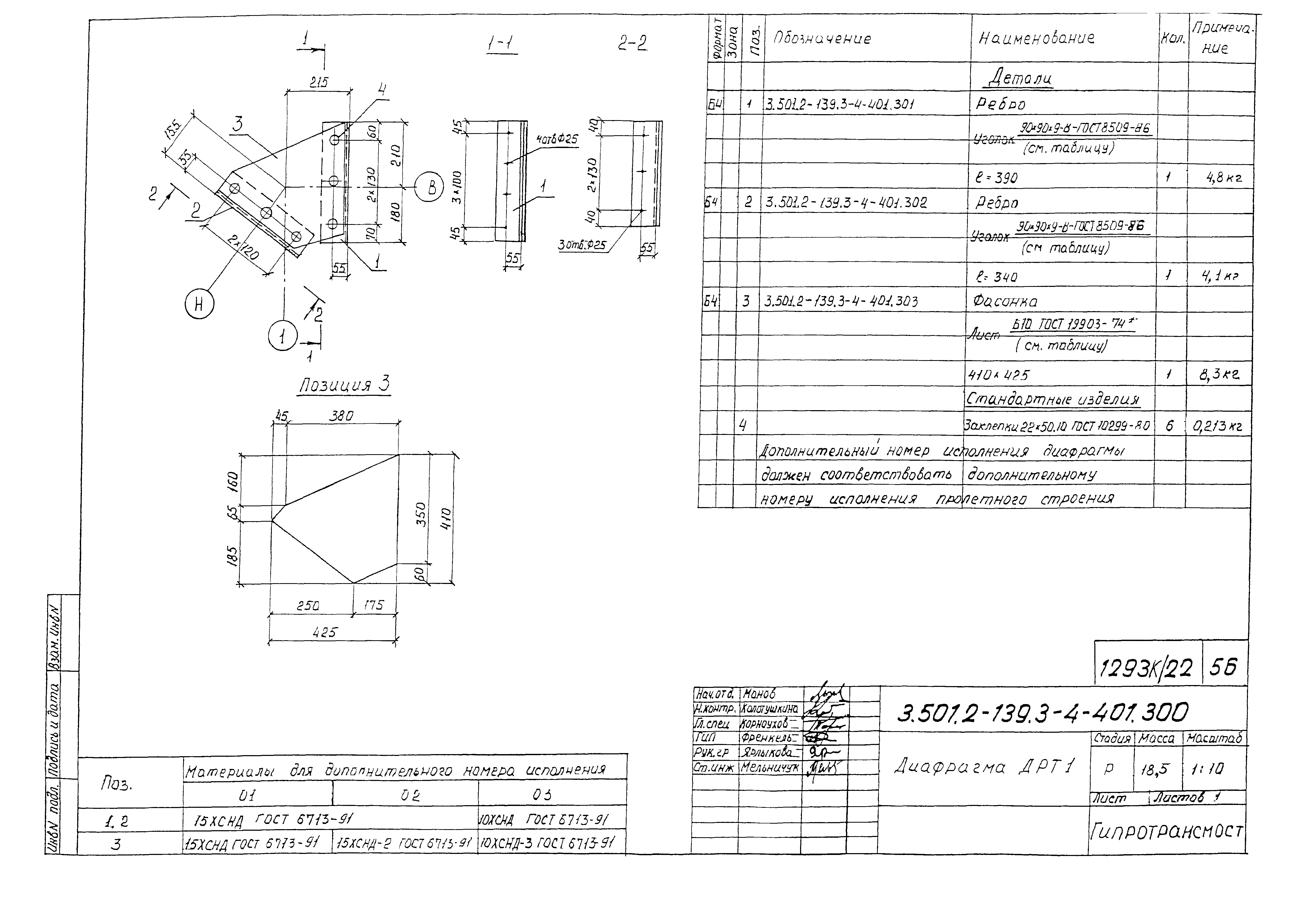
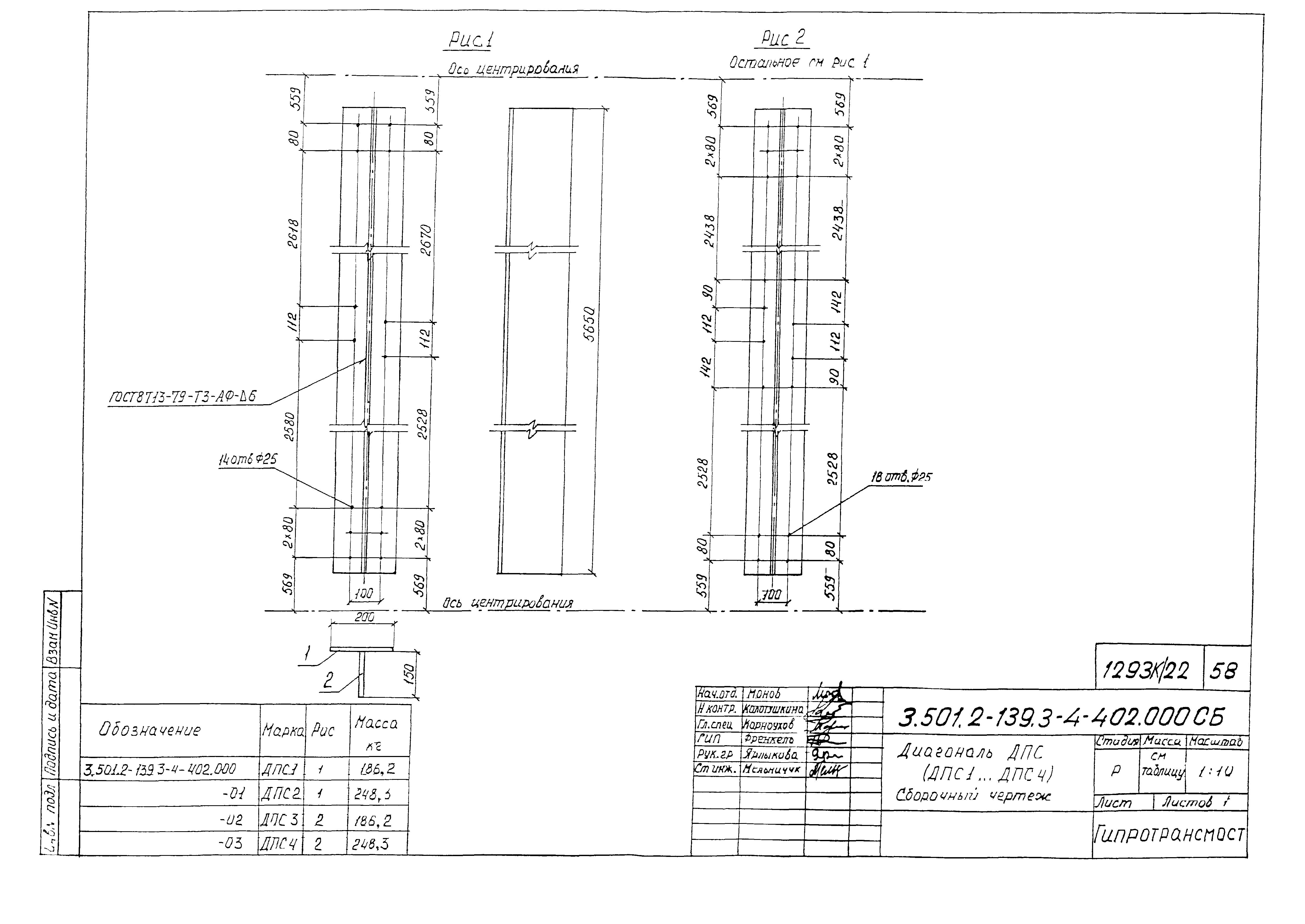
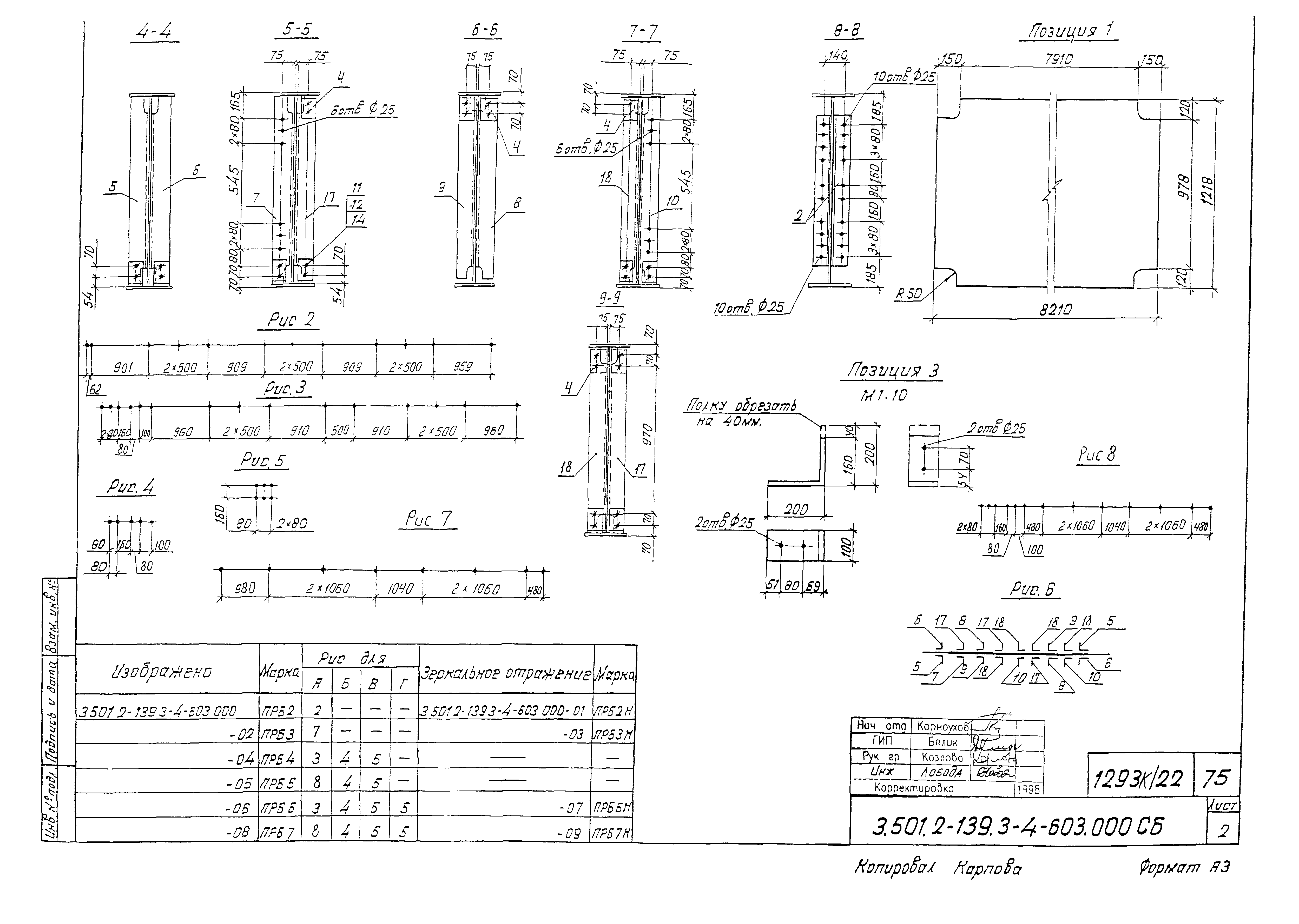
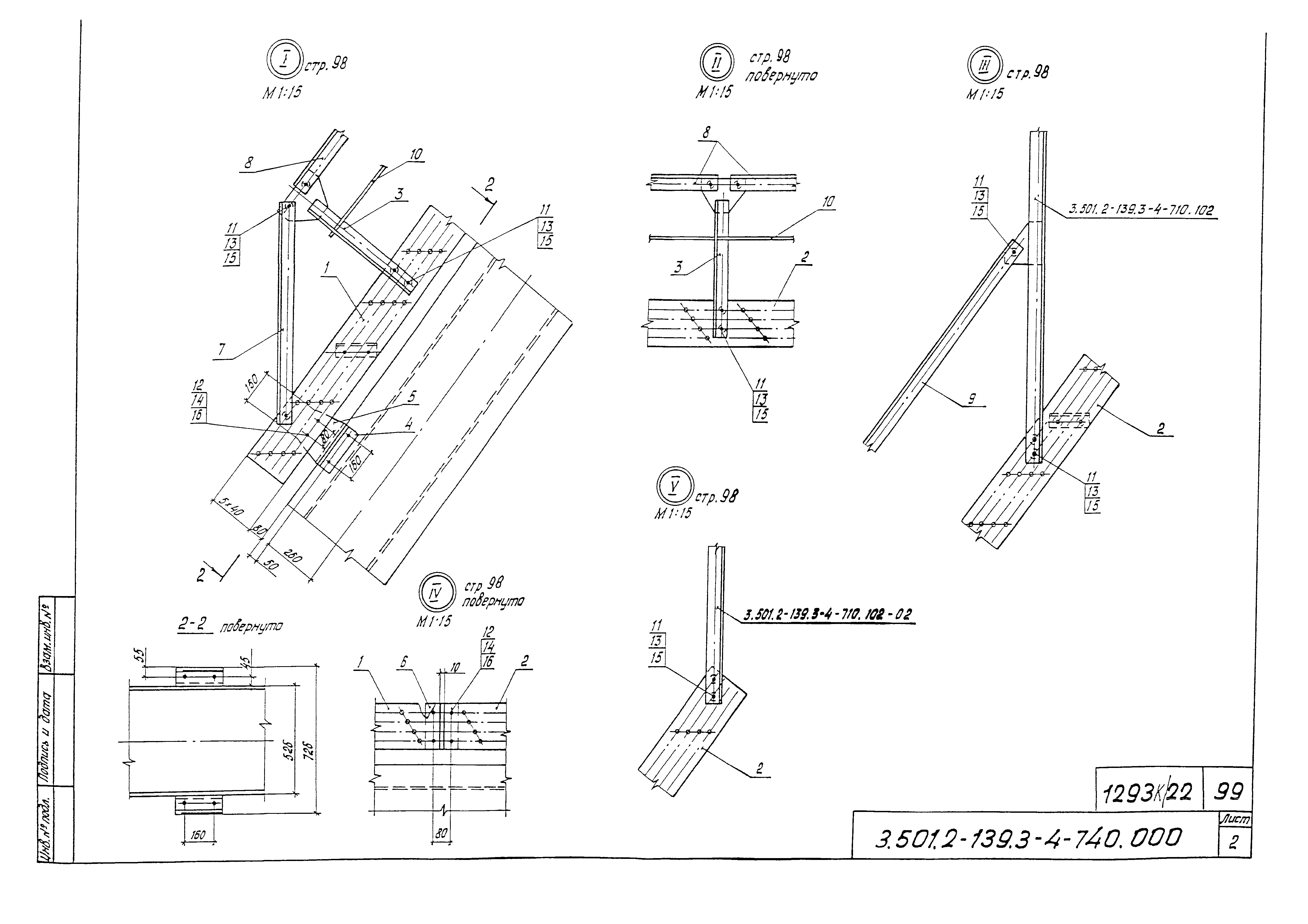
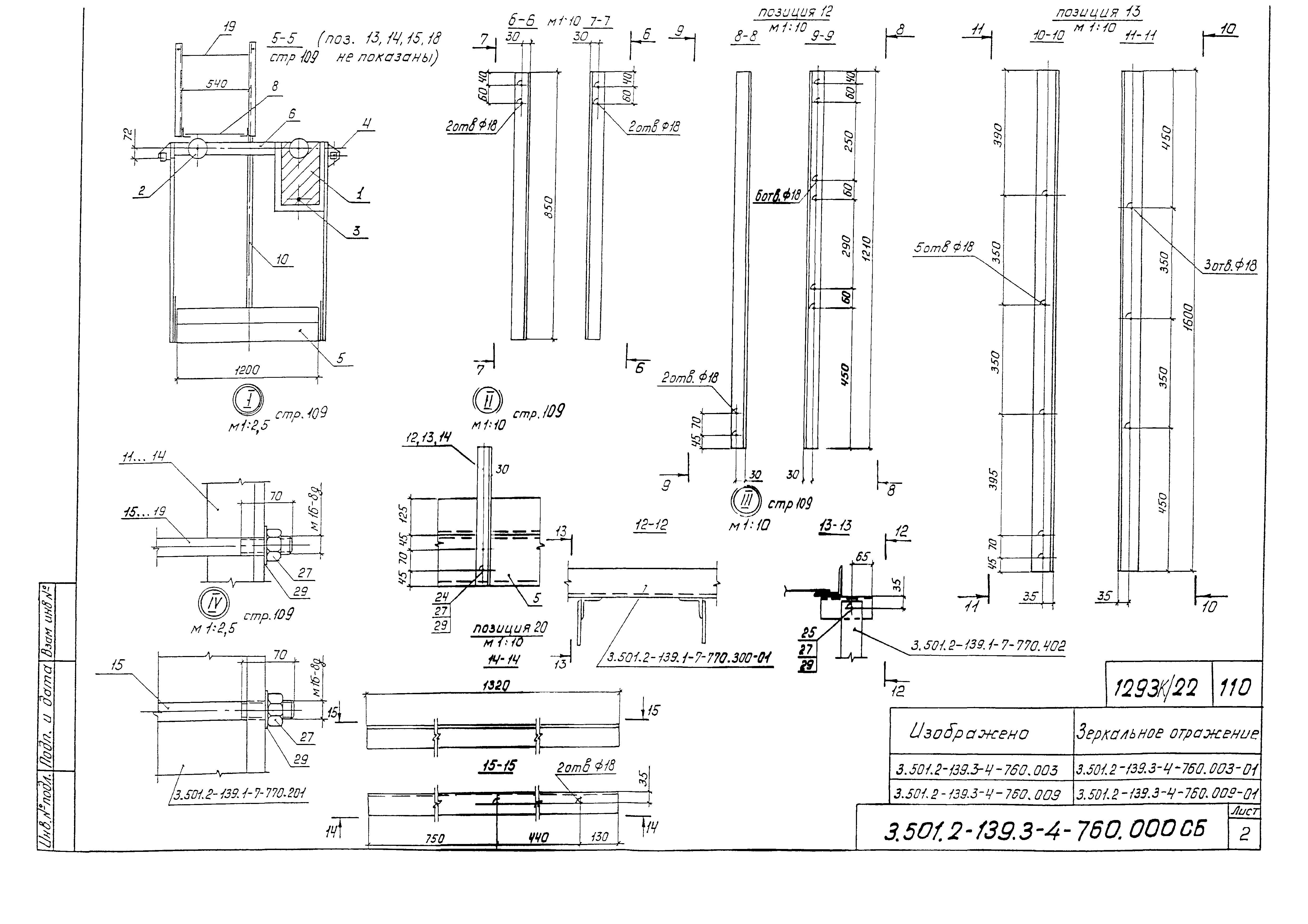
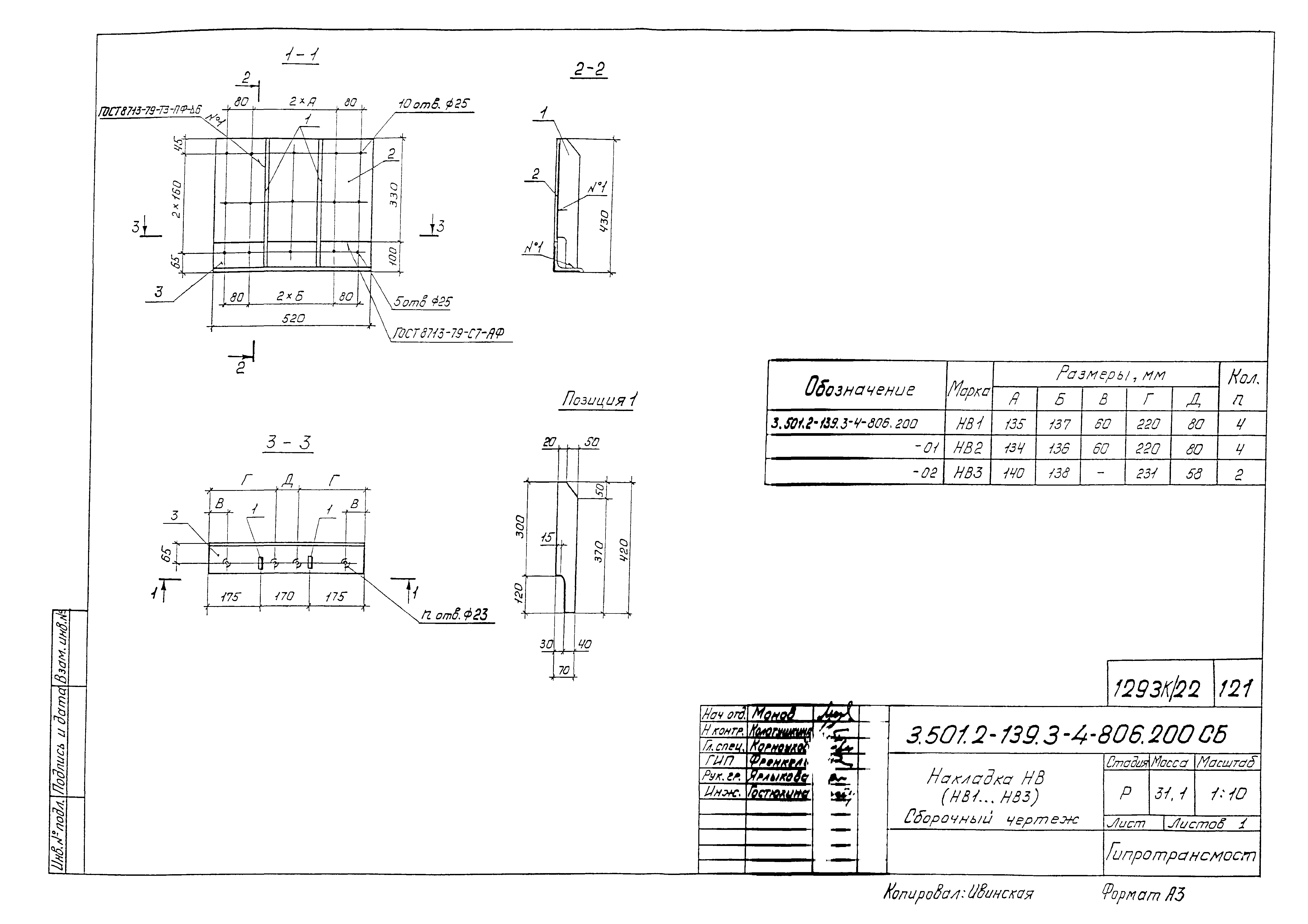
| Оглавление: | 3.501.2-139.3-4-000.000 Содержание выпуска 3.501.2-139.3-4-000.000ТО Техническое описание 3.501.2-139.3-4-101.000 Пояс верхний ВП (ВП1…ВП6) 3.501.2-139.3-4-101.000СБ Пояс верхний ВП (ВП1…ВП6). Сборочный чертеж 3.501.2-139.3-4-102.000 Пояс верхний ВПТ 3.501.2-139.3-4-102.000СБ Пояс верхний ВПТ. Сборочный чертеж 3.501.2-139.3-4-103.000 Пояс нижний НП (НП1…НП6, НП8) 3.501.2-139.3-4-103.000СБ Пояс нижний НП (НП1 (НП1…НП6, НП8). Сборочный чертеж 3.501.2-139.3-4-104.000 Пояс нижний НП7 3.501.2-139.3-4-104.000СБ Пояс нижний НП7. Сборочный чертеж 3.501.2-139.3-4-105.000 Раскос Р (Р1…Р4, Р10) 3.501.2-139.3-4-105.000 Раскос Р (Р1…Р4, Р10). Сборочный чертеж 3.501.2-139.3-4-106.000 Раскос Р5 3.501.2-139.3-4-107.000 Раскос опорный Р (Р6…Р9) 3.501.2-139.3-4-107.000СБ Раскос опорный Р (Р6…Р9). Сборочный чертеж 3.501.2-139.3-4-108.000 Подвеска П (П1, П2) 3.501.2-139.3-4-108.000СБ Подвеска П (П1, П2). Сборочный чертеж 3.501.2-139.3-4-109.000 Стойка С1 3.501.2-139.3-4-114.100 Диафрагма Д1 3.501.2-139.3-4-114.200 Диафрагма Д (Д2, Д3) 3.501.2-139.3-4-117.100 Фасонка ФВ (ФВ1…ФВ5) 3.501.2-139.3-4-117.100СБ Фасонка ФВ (ФВ1…ФВ5). Сборочный чертеж 3.501.2-139.3-4-117.200 Столик СТ (СТ1, СТ2) 3.501.2-139.3-4-117.200СБ Столик СТ (СТ1, СТ2). Сборочный чертеж 3.501.2-139.3-4-118.100 Фасонка ФВ6 3.501.2-139.3-4-119.100 Фасонка ФВ7 3.501.2-139.3-4-121.100 Вставка В (В1, В2) 3.501.2-139.3-4-121.100СБ Вставка В (В1, В2). Сборочный чертеж 3.501.2-139.3-4-201.000СБ Распорка РВС (РВС1, РВС2) 3.501.2-139.3-4-201.000СБ Распорка РВС (РВС1, РВС2). Сборочный чертеж 3.501.2-139.3-4-202.000 Диагональ ДВС (ДВС1…ДВС3) 3.501.2-139.3-4-202.000СБ Диагональ ДВС (ДВС1…ДВС3). Сборочный чертеж 3.501.2-139.3-4-203.000 Полудиагональ ПВС (ПВС1…ПВС3) 3.501.2-139.3-4-203.000СБ Полудиагональ ПВС (ПВС1…ПВС3). Сборочный чертеж 3.501.2-139.3-4-301.000 Диагональ ДНС (ДНС1…ДНС3) 3.501.2-139.3-4-301.000СБ Диагональ ДНС (ДНС1…ДНС3). Сборочный чертеж 3.501.2-139.3-4-302.000 Диагональ ДНС4 3.501.2-139.3-4-303.000 Полудиагональ ПНС (АНС1…ПНС4) 3.501.2-139.3-4-303.000СБ Полудиагональ ПНС (АНС1…ПНС4). Сборочный чертеж 3.501.2-139.3-4-304.000 Распорка РД1 3.501.2-139.3-4-305.000 Крышка КД1 3.501.2-139.3-4-401.000 Распорка трубчатая РТ1 3.501.2-139.3-4-401.000СБ Распорка трубчатая РТ1. Сборочный чертеж 3.501.2-139.3-4-401.100 Ветвь распорки трубчатой ВРТ1 3.501.2-139.3-4-401.200 Ветвь распорки трубчатой ВРТ2 3.501.2-139.3-4-401.300 Диафрагма ДРТ1 3.501.2-139.3-4-402.000 Диагональ ДПС (ДПС1…ДПС4) 3.501.2-139.3-4-402.000СБ Диагональ ДПС (ДПС1…ДПС4). Сборочный чертеж 3.501.2-139.3-4-403.000 Распорка РПС1 3.501.2-139.3-4-404.100 Фасонка ФПЗ1 3.501.2-139.3-4-404.200 Фасонка ФПЗ2 3.501.2-139.3-4-501.000 Диагональ ДПС1 3.501.2-139.3-4-502.000 Распорка РС1 3.501.2-139.3-4-601.000 Балка поперечная ПБ (ПБ1, ПБ2) 3.501.2-139.3-4-601.000СБ Балка поперечная ПБ (ПБ1, ПБ2). Сборочный чертеж 3.501.2-139.3-4-602.000 Балка продольная ПРБ1 3.501.2-139.3-4-603.000 Балка продольная ПРБ (ПРБ2…ПРБ13) 3.501.2-139.3-4-603.000СБ Балка продольная ПРБ (ПРБ2…ПРБ7). Сборочный чертеж 3.501.2-139.3-4-603.000-10СБ Балка продольная ПРБ (ПРБ8…ПРБ13). Сборочный чертеж 3.501.2-139.3-4-604.000 Балка продольная ПРБ (ПРБ14…ПРБ17) 3.501.2-139.3-4-604.000СБ Балка продольная ПРБ (ПРБ14…ПРБ15). Сборочный чертеж 3.501.2-139.3-4-604.000-02СБ Балка продольная ПРБ (ПРБ16, ПРБ17). Сборочный чертеж 3.501.2-139.3-4-605.000 Распорка РПБ (РПБ1, РПБ2) 3.501.2-139.3-4-605.000СБ Распорка РПБ (РПБ1, РПБ2). Сборочный чертеж 3.501.2-139.3-4-606.000 Диагональ ДС1 3.501.2-139.3-4-607.000 Диагональ ДС (ДС2, ДС3) 3.501.2-139.3-4-710.100 Стойка СС (СС4, СС5) 3.501.2-139.3-4-710.100СБ Стойка СС (СС4, СС5). Сборочный чертеж 3.501.2-139.3-4-710.300 Перечень ПМП (ПМП2…ПМП6) 3.501.2-139.3-4-720.000 Ход по трубчатой ХТР1 3.501.2-139.3-4-720.000СБ Ход по трубчатой ХТР1. Сборочный чертеж 3.501.2-139.3-4-720.100 Площадка ПТР1 3.501.2-139.3-4-730.000 Балка переносная БСП1 3.501.2-139.3-4-730.100 Металлоконструкция МСП1 3.501.2-139.3-4-730.100СБ Металлоконструкция МСП1. Сборочный чертеж 3.501.2-139.3-4-740.000 Лестница по опорному раскосу ЛОР1 3.501.2-139.3-4-740.000СБ Лестница по опорному раскосу ЛОР1. Сборочный чертеж 3.501.2-139.3-4-740.100 Косоур КС1 3.501.2-139.3-4-740.200 Косоур КС2 3.501.2-139.3-4-740.300 Диафрагма ДОР1 3.501.2-139.3-4-750.000 Сход на опору СС 01 3.501.2-139.3-4-750.000СБ Сход на опору СС 01. Сборочный чертеж 3.501.2-139.3-4-750.100 Площадка ПС01 3.501.2-139.3-4-750.200 Лестница ЛС01 3.501.2-139.3-4-760.000 Тележка смотровая ТС1 3.501.2-139.3-4-760.000СБ Тележка смотровая ТС1. Сборочный чертеж 3.501.2-139.3-4-760.100 Площадка ПТС1 3.501.2-139.3-4-760.100СБ Площадка ПТС1. Сборочный чертеж 3.501.2-139.3-4-770.100 Путь катания ПК (ПК1…ПК3) 3.501.2-139.3-4-801.100 Пояс верхний ВП (ВП8, ВП9) 3.501.2-139.3-4-801.100СБ Пояс верхний ВП (ВП8, ВП9). Сборочный чертеж 3.501.2-139.3-4-802.000 Стойка С2 3.501.2-139.3-4-805.100 Фасонка ФВ8 3.501.2-139.3-4-806.100 Балансир Б1 3.501.2-139.3-4-806.200 Накладка НВ (НВ1…НВ3) 3.501.2-139.3-4-806.200СБ Накладка НВ (НВ1…НВ3). Сборочный чертеж 3.501.2-139.3-4-910.100 Консоль К (К1…К5) 3.501.2-139.3-4-910.100СБ Консоль К (К1…К5). Сборочный чертеж 3.501.2-139.3-4-910.200 Консоль К6 3.501.2-139.3-4-910.210 Консоль К (К10, К11) 3.501.2-139.3-4-910.210СБ Консоль К (К10, К11). Сборочный чертеж 3.501.2-139.3-4-910.220 Консоль К7 3.501.2-139.3-4-910.220СБ Консоль К7. Сборочный чертеж 3.501.2-139.3-4-210.300 Короб КК (КК2…КК4) 3.501.2-139.3-4-210.300СБ Короб КК (КК2…КК4). Сборочный чертеж 3.501.2-139.3-4-910.310 Прогон ПР (ПР1…ПР3) 3.501.2-139.3-4-910.310СБ Прогон ПР (ПР1…ПР3). Сборочный чертеж 3.501.2-139.3-4-910.320 Крышка короба КР (КР3…КР5) 3.501.2-139.3-4-910.320СБ Крышка короба КР (КР3…КР5). Сборочный чертеж 3.501.2-139.3-4-910.400 Короб КК (КК5, КК6) 3.501.2-139.3-4-910.400СБ Короб КК (КК5, КК6). Сборочный чертеж 3.501.2-139.3-4-910.410 Крышка короба КР (КР7, КР8) 3.501.2-139.3-4-910.420 Прогон (ПР4, ПР5) 3.501.2-139.3-4-910.101 Поручень ПП1…ПП12 3.501.2-139.3-4-940.103 Накладка НС (НС1, НС2) 3.501.2-139.3-4-940.200 Контруголок КУ (КУ11…КУ15) 3.501.2-139.3-4-940.300 Уголок охранный УО (УО1…УО5) 3.501.2-139.3-4-940.400 Мостик ПМ2 3.501.2-139.3-4-960.100 Контруголок КУ (КУ16…КУ18) 3.501.2-139.3-4-960.100СБ Контруголок КУ (КУ16…КУ18). Сборочный чертеж 3.501.2-139.3-4-960.101 Контруголок ЭКУ (ЭКУ1…ЭКУ3) 3.501.2-139.3-4-980.100 Плита ПТ1 3.501.2-139.3-4-980.100СБ Плита ПТ1. Сборочный чертеж |
| Утверждён: | 23.05.1988 МПС СССР (USSR Ministry of Railroads А-1819у) |
| Заменяет собой: |




















































































































































