Скачать Серия 3.503.1-81 Выпуск 5-7. Балки пролетного строения длиной 12, 15, 18, 21, 24 и 33 м для температурно-неразрезных пролетных строений. Рабочие чертежиДата актуализации: 01.01.2021
|
| Обозначение: | Серия 3.503.1-81 |
| Обозначение англ: | Series 3.503.1-81 |
| Статус: | не определен законодательством |
| Название рус.: | Выпуск 5-7. Балки пролетного строения длиной 12, 15, 18, 21, 24 и 33 м для температурно-неразрезных пролетных строений. Рабочие чертежи |
| Дата добавления в базу: | 01.09.2013 |
| Дата актуализации: | 01.01.2021 |
| Дата введения: | 01.07.1992 |
| Дата окончания срока действия: | 30.06.2003 |
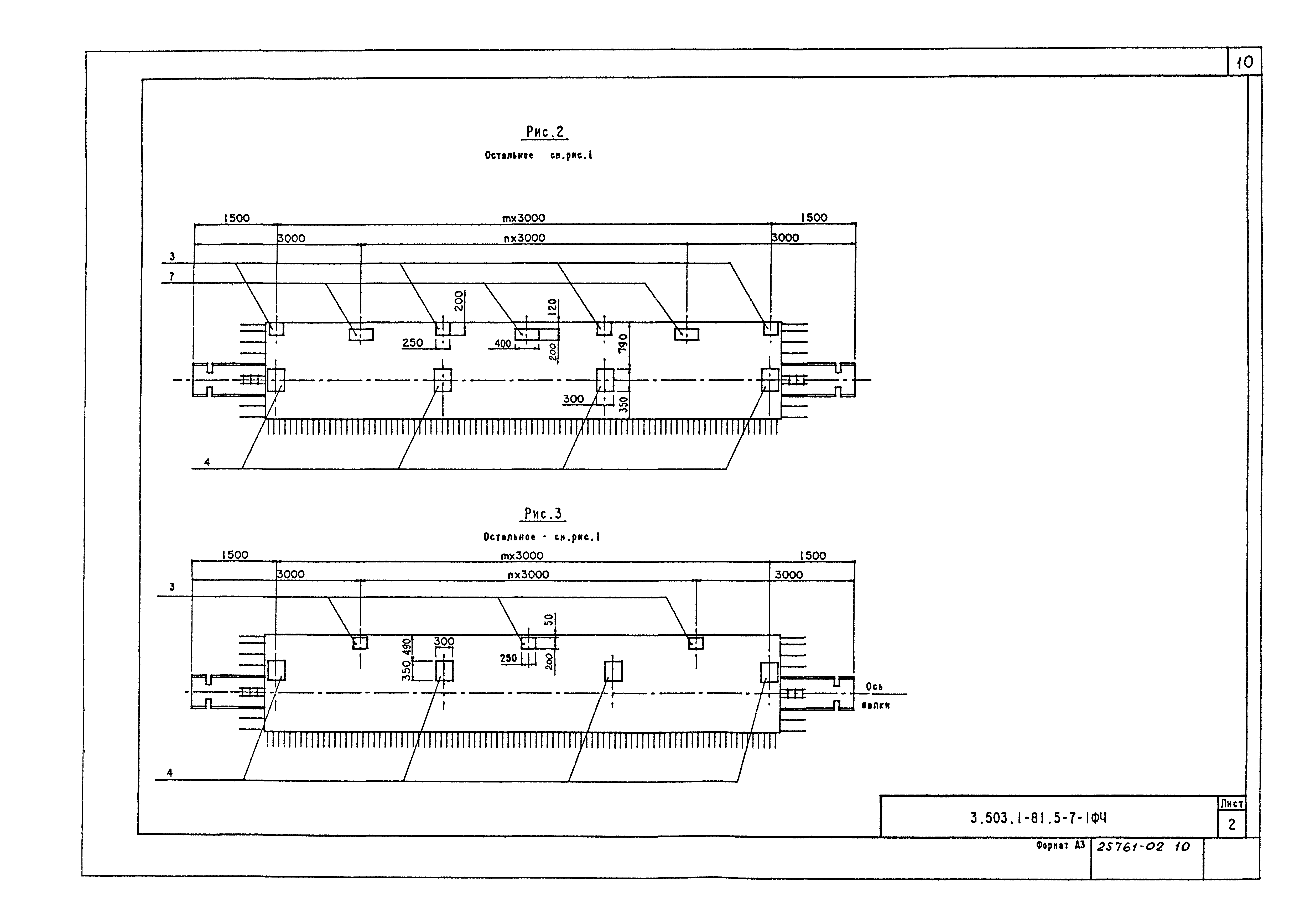
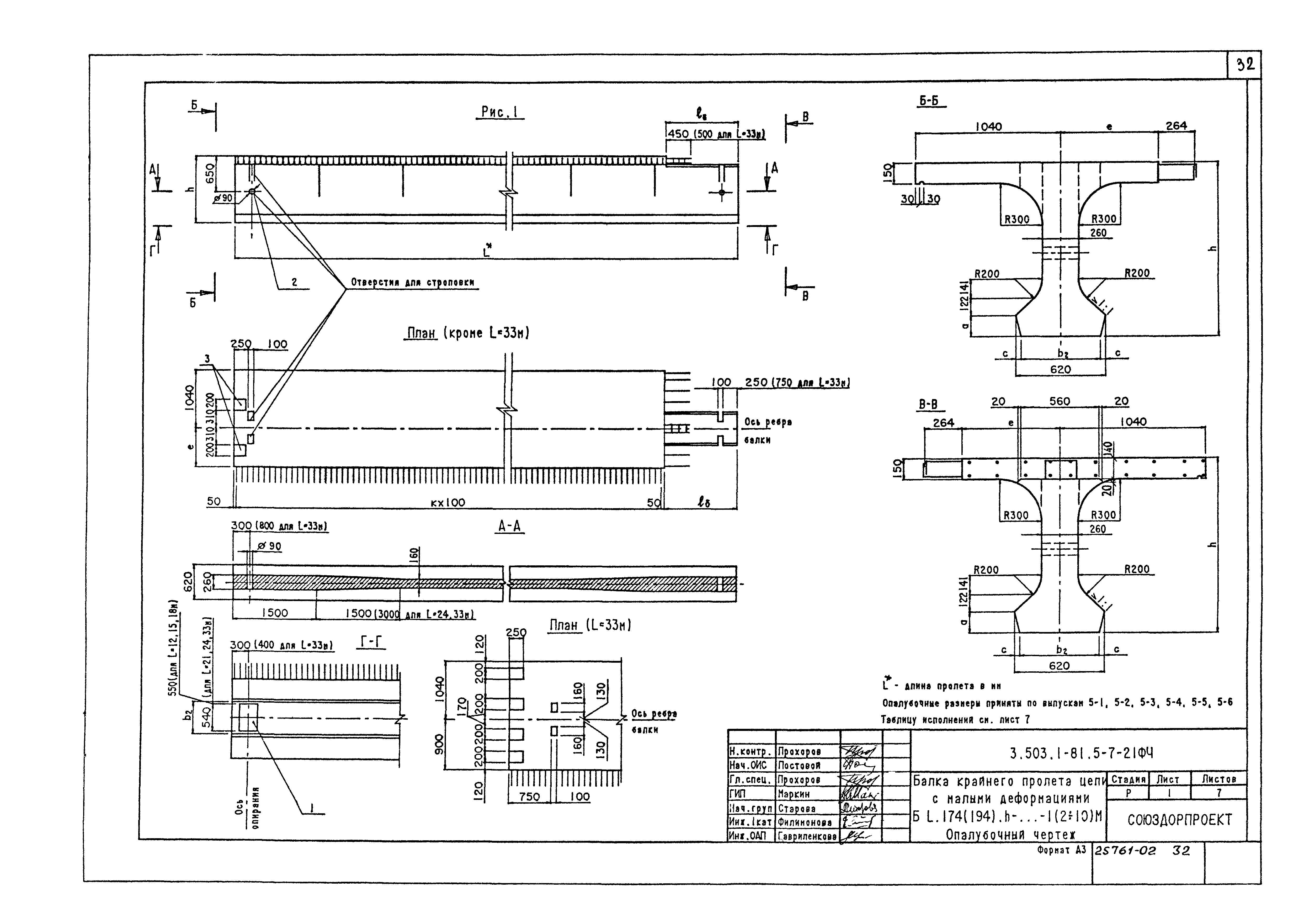
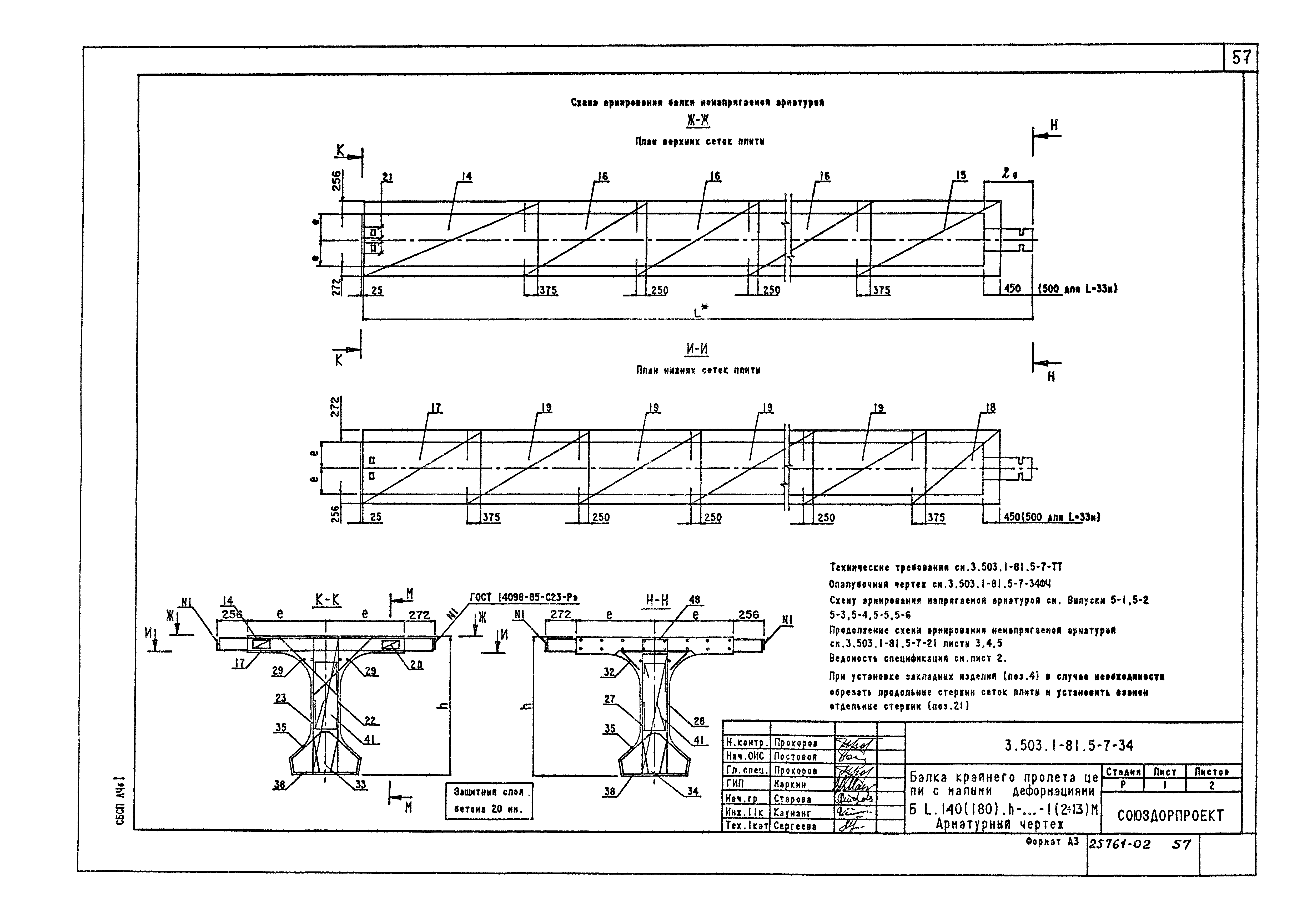
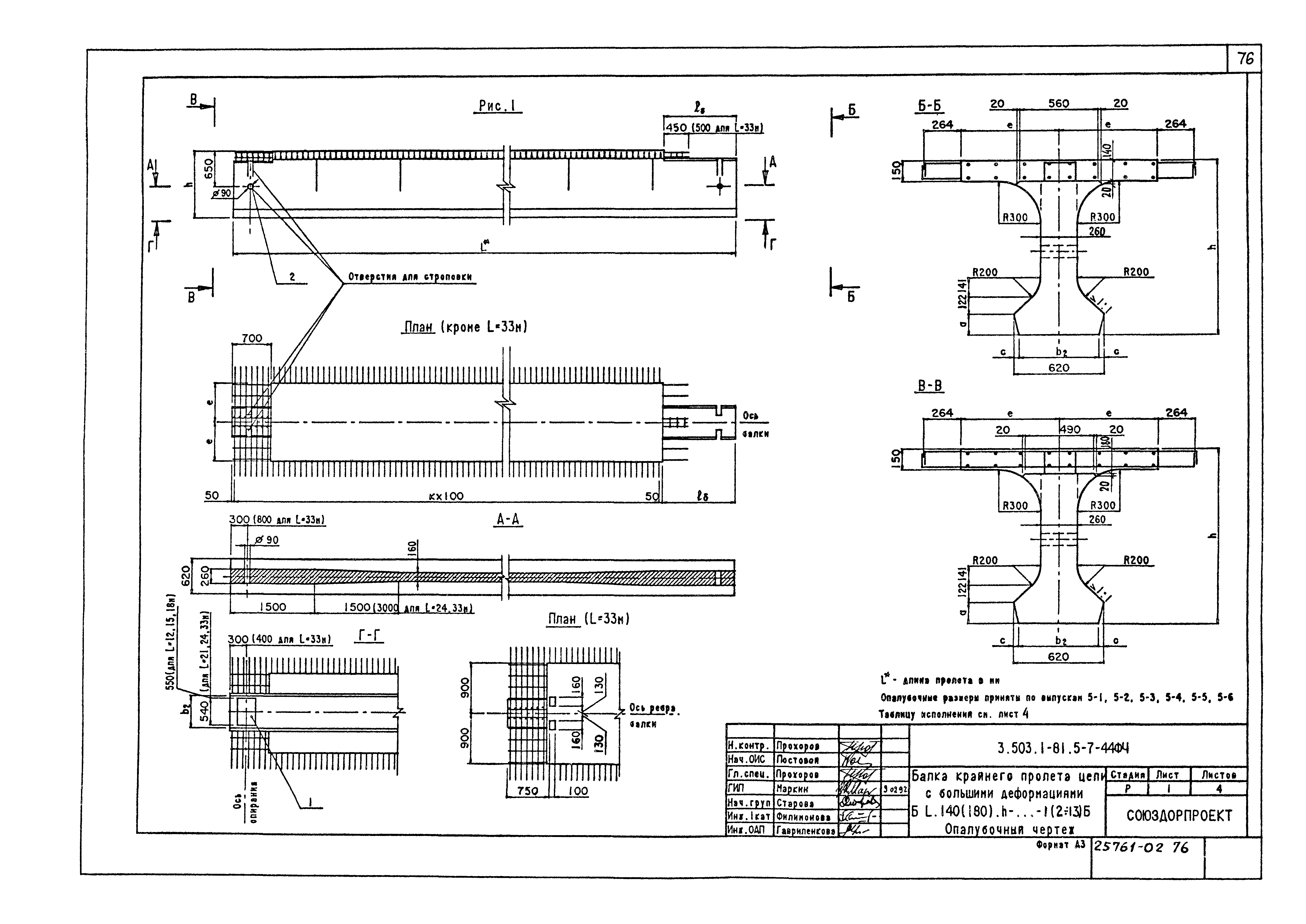
| Оглавление: | 3.503.1-81.5-7-ТТ Технические требования 3.503.1-81.5-7-1ФЧ Балка среднего пролета цепи БL174(194).h-_-1(2+5)Н. Опалубочный чертеж 3.503.1-81.5-7-1 Балка среднего пролета цепи БL174(194).h-_-1(2+5)Н. Арматурный чертеж 3.503.1-81.5-7-2 Изделие закладное балок L=12,15,18м b=174,194см 3.503.1-81.5-7-3 Изделие закладное балок L=21,24,33м b=174,194см 3.503.1-81.5-7-4 Плита балки b=174см. Арматура класса А-lll 3.503.1-81.5-7-5 Плита балки b=174см. Арматура класса А-ll 3.503.1-81.5-7-6 Плита балки b=194см. Арматура класса А-lll 3.503.1-81.5-7-7 Плита балки b=194см. Арматура класса А-ll 3.503.1-81.5-7-8 Ребро балки L=12,15м. Арматура класса А-lll 3.503.1-81.5-7-9 Ребро балки L=12,15м. Арматура класса А-ll 3.503.1-81.5-7-10 Ребро балки L=18,21,24м. Арматура класса А-lll 3.503.1-81.5-7-11 Ребро балки L=18,21,24м. Арматура класса А-ll 3.503.1-81.5-7-12 Ребро балки L=33м. Арматура класса А-lll 3.503.1-81.5-7-13 Ребро балки L=33м. Арматура класса А-ll 3.503.1-81.5-7-14ФЧ Балка среднего пролета цепи БL140(180).h-_-1(2+7)Н. Опалубочный чертеж 3.503.1-81.5-7-14 Балка среднего пролета цепи БL140(180).h-_-1(2+7)Н. Арматурный чертеж 3.503.1-81.5-7-15 Изделие закладное балок L=12,15,18м b=140,180см 3.503.1-81.5-7-16 Изделие закладное балок L=21,24,33м b=140,180см 3.503.1-81.5-7-17 Плита балки b=140см. Арматура класса А-lll 3.503.1-81.5-7-18 Плита балки b=140см. Арматура класса А-ll 3.503.1-81.5-7-19 Плита балки b=180см. Арматура класса А-lll 3.503.1-81.5-7-20 Плита балки b=180см. Арматура класса А-ll 3.503.1-81.5-7-21ФЧ Балка крайнего пролета цепи с малыми деформациями БL174(194).h-_-1(2+10)М. Опалубочный чертеж 3.503.1-81.5-7-21 Балка крайнего пролета цепи с малыми деформациями БL174(194).h-_-1(2+10)М. Арматурный чертеж 3.503.1-81.5-7-22 Изделие закладное балок L=12,15,18м b=174,194см 3.503.1-81.5-7-23 Изделие закладное балок L=21,24,33м b=174,194см 3.503.1-81.5-7-24 Плита балки b=174см. Арматура класса А-lll 3.503.1-81.5-7-25 Плита балки b=174см. Арматура класса А-ll 3.503.1-81.5-7-26 Плита балки b=194см. Арматура класса А-lll 3.503.1-81.5-7-27 Плита балки b=194см. Арматура класса А-ll 3.503.1-81.5-7-28 Ребро балки L=12,15м. Арматура класса А-lll 3.503.1-81.5-7-29 Ребро балки L=12,15м. Арматура класса А-ll 3.503.1-81.5-7-30 Ребро балки L=18,21,24м. Арматура класса А-lll 3.503.1-81.5-7-31 Ребро балки L=18,21,24м. Арматура класса А-ll 3.503.1-81.5-7-32 Ребро балки L=33м. Арматура класса А-lll 3.503.1-81.5-7-33 Ребро балки L=33м. Арматура класса А-ll 3.503.1-81.5-7-34ФЧ Балка крайнего пролета цепи с малыми деформациями БL140(180).h-_-1(2+13)М. Опалубочный чертеж 3.503.1-81.5-7-34 Балка крайнего пролета цепи с малыми деформациями БL140(180).h-_-1(2+13)М. Арматурный чертеж 3.503.1-81.5-7-35 Изделие закладное балок L=12,15,18м b=140,180см 3.503.1-81.5-7-36 Изделие закладное балок L=21,24,33м b=140,180см 3.503.1-81.5-7-37 Плита балки b=140см. Арматура класса А-lll 3.503.1-81.5-7-38 Плита балки b=140см. Арматура класса А-ll 3.503.1-81.5-7-39 Плита балки b=180см. Арматура класса А-lll 3.503.1-81.5-7-40 Плита балки b=180см. Арматура класса А-ll 3.503.1-81.5-7-41ФЧ Балка крайнего пролета цепи с большими деформациями БL174(194).h-_-1(2+10)Б. Опалубочный чертеж 3.503.1-81.5-7-41 Балка крайнего пролета цепи с большими деформациями БL174(194).h-_-1(2+10)Б. Арматурный чертеж 3.503.1-81.5-7-42 Изделие закладное балок L=12,15,18м b=174,194см 3.503.1-81.5-7-43 Изделие закладное балок L=21,24,33м b=174,194см 3.503.1-81.5-7-44ФЧ Балка крайнего пролета цепи с большими деформациями БL140(180).h-_-1(2+13)Б. Опалубочный чертеж 3.503.1-81.5-7-44 Балка крайнего пролета цепи с большими деформациями БL140(180).h-_-1(2+13)Б. Арматурный чертеж 3.503.1-81.5-7-45 Изделие закладное балок L=12,15,18м b=140,180см 3.503.1-81.5-7-46 Изделие закладное балок L=21,24,33м b=140,180см 3.503.1-81.5-7-47РС Ведомость расхода стали на балку L=12м. Армирование пучками из стали класса В и арматурой класса А-lll 3.503.1-81.5-7-48РС Ведомость расхода стали на балку L=12м. Армирование пучками из стали класса В и арматурой класса А-ll 3.503.1-81.5-7-49РС Ведомость расхода стали на балку L=12м. Армирование канатами К-7 и арматурой класса А-lll 3.503.1-81.5-7-50РС Ведомость расхода стали на балку L=12м. Армирование канатами К-7 и арматурой класса А-ll 3.503.1-81.5-7-51РС Ведомость расхода стали на балку L=15м. Армирование пучками из стали класса В и арматурой класса А-lll 3.503.1-81.5-7-52РС Ведомость расхода стали на балку L=15м. Армирование пучками из стали класса В и арматурой класса А-ll 3.503.1-81.5-7-53РС Ведомость расхода стали на балку L=15м. Армирование канатами К-7 и арматурой класса А-lll 3.503.1-81.5-7-54РС Ведомость расхода стали на балку L=15м. Армирование канатами К-7 и арматурой класса А-ll 3.503.1-81.5-7-55РС Ведомость расхода стали на балку L=18м. Армирование пучками из стали класса В и арматурой класса А-lll 3.503.1-81.5-7-56РС Ведомость расхода стали на балку L=18м. Армирование пучками из стали класса В и арматурой класса А-ll 3.503.1-81.5-7-57РС Ведомость расхода стали на балку L=18м. Армирование канатами К-7 и арматурой класса А-lll 3.503.1-81.5-7-58РС Ведомость расхода стали на балку L=18м. Армирование канатами К-7 и арматурой класса А-ll 3.503.1-81.5-7-59РС Ведомость расхода стали на балку L=21м. Армирование пучками из стали класса В и арматурой класса А-lll 3.503.1-81.5-7-60РС Ведомость расхода стали на балку L=21м. Армирование пучками из стали класса В и арматурой класса А-ll 3.503.1-81.5-7-61РС Ведомость расхода стали на балку L=21м. Армирование канатами К-7 и арматурой класса А-lll 3.503.1-81.5-7-62РС Ведомость расхода стали на балку L=21м. Армирование канатами К-7 и арматурой класса А-ll 3.503.1-81.5-7-63РС Ведомость расхода стали на балку L=24м. Армирование пучками из стали класса В и арматурой класса А-lll 3.503.1-81.5-7-64РС Ведомость расхода стали на балку L=24м. Армирование пучками из стали класса В и арматурой класса А-ll 3.503.1-81.5-7-65РС Ведомость расхода стали на балку L=33м Н=1.5м. Армирование пучками из стали класса В и арматурой класса А-lll 3.503.1-81.5-7-66РС Ведомость расхода стали на балку L=33м Н=1.5м. Армирование пучками из стали класса В и арматурой класса А-ll 3.503.1-81.5-7-67РС Ведомость расхода стали на балку L=33м Н=1.7м. Армирование пучками из стали класса В и арматурой класса А-lll 3.503.1-81.5-7-68РС Ведомость расхода стали на балку L=33м Н=1.7м. Армирование пучками из стали класса В и арматурой класса А-ll |
| Разработан: | Союздорпроект Минтрансстроя |
| Утверждён: | 03.02.1992 Корпорация Трансстрой (Transstroy Corporation 3002-18/4) |
| Издан: | АПП ЦИТП (1993 г. ) |
| Заменяет собой: |




























































































































