Скачать Серия 3.503.1-81 Выпуск 6-1. Изделия арматурные и закладные балок пролетного строения. Рабочие чертежиДата актуализации: 01.01.2021
|
| Обозначение: | Серия 3.503.1-81 |
| Обозначение англ: | Series 3.503.1-81 |
| Статус: | не определен законодательством |
| Название рус.: | Выпуск 6-1. Изделия арматурные и закладные балок пролетного строения. Рабочие чертежи |
| Дата добавления в базу: | 01.09.2013 |
| Дата актуализации: | 01.01.2021 |
| Дата введения: | 01.11.1988 |
| Дата окончания срока действия: | 30.06.2003 |
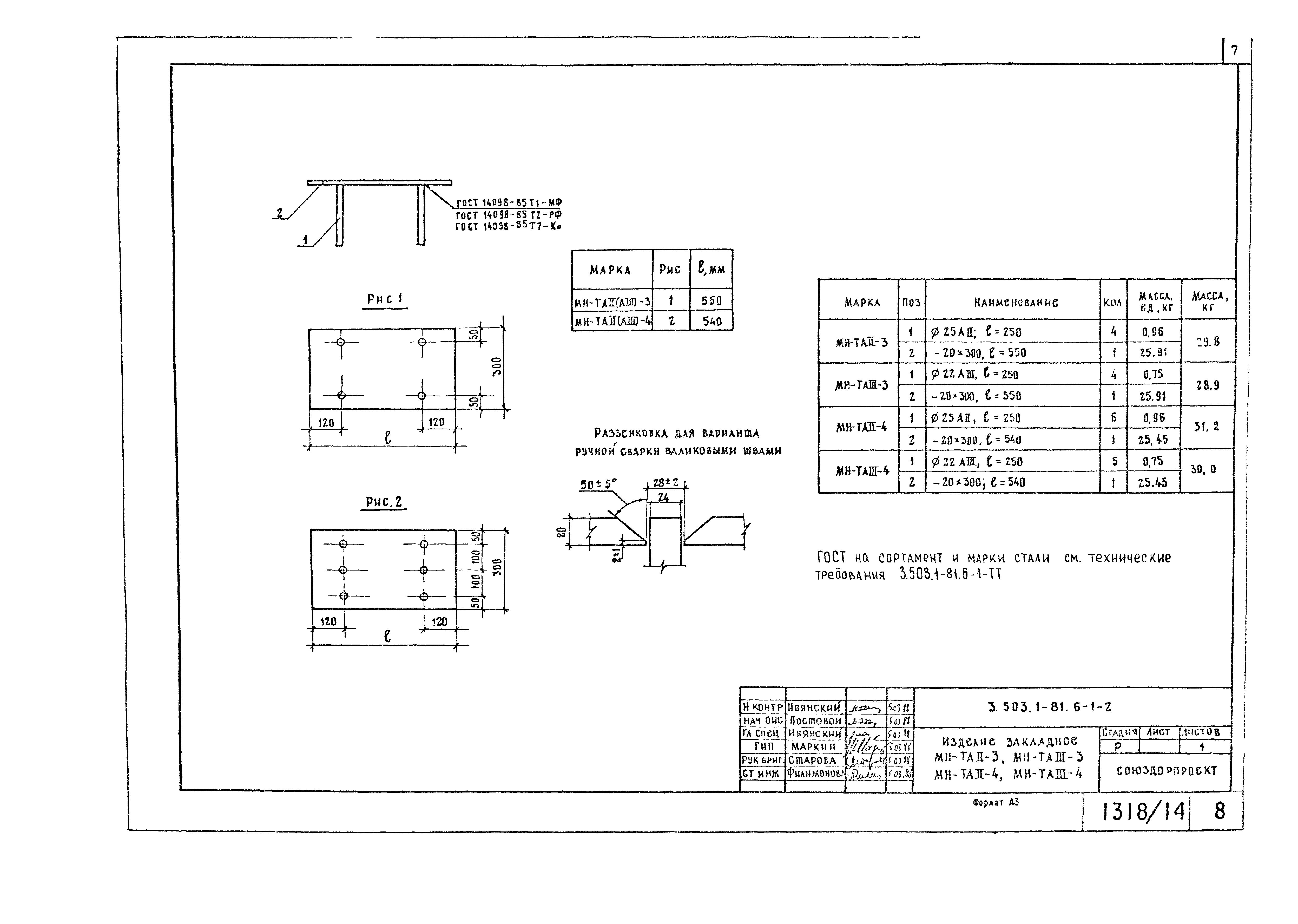
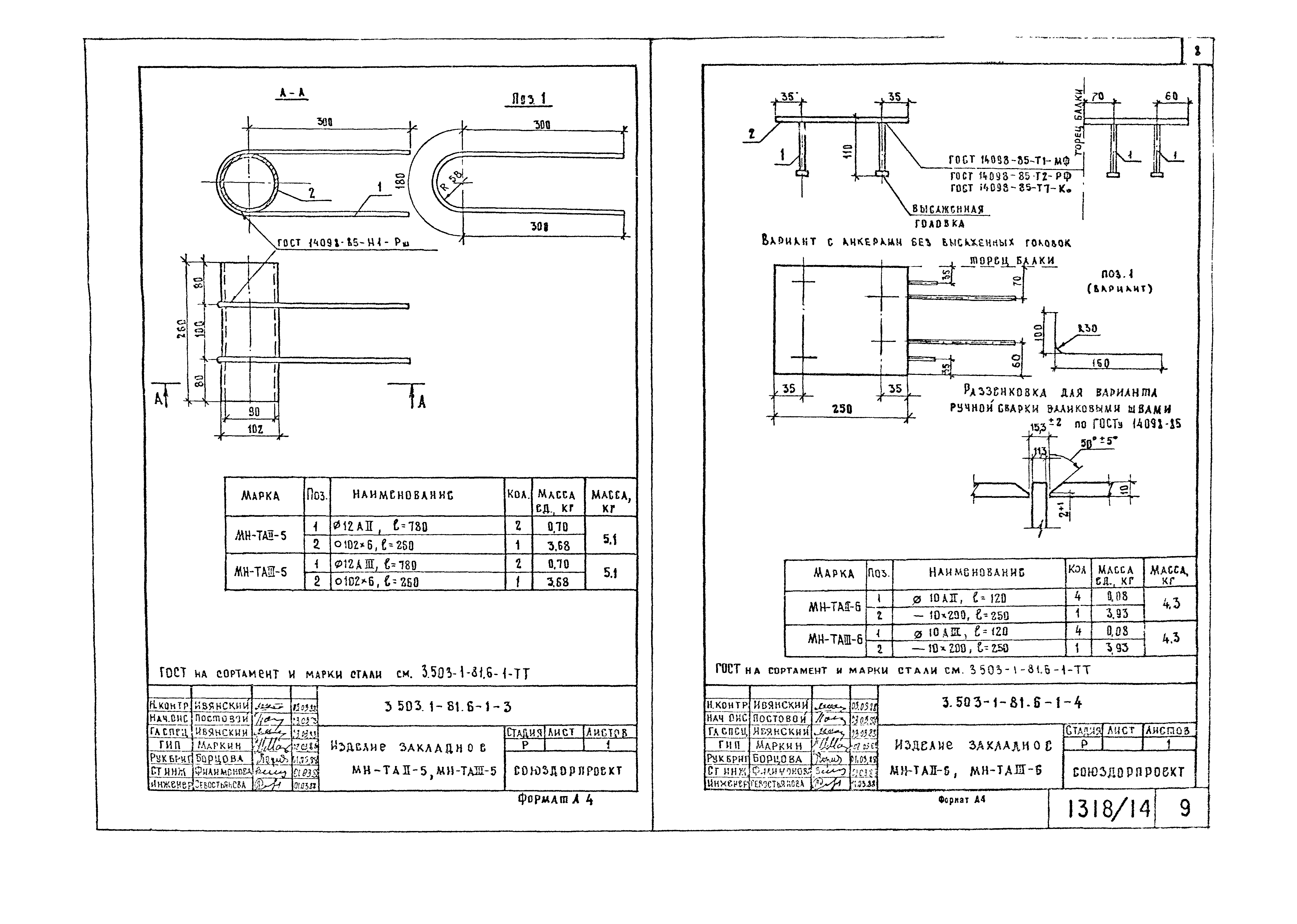
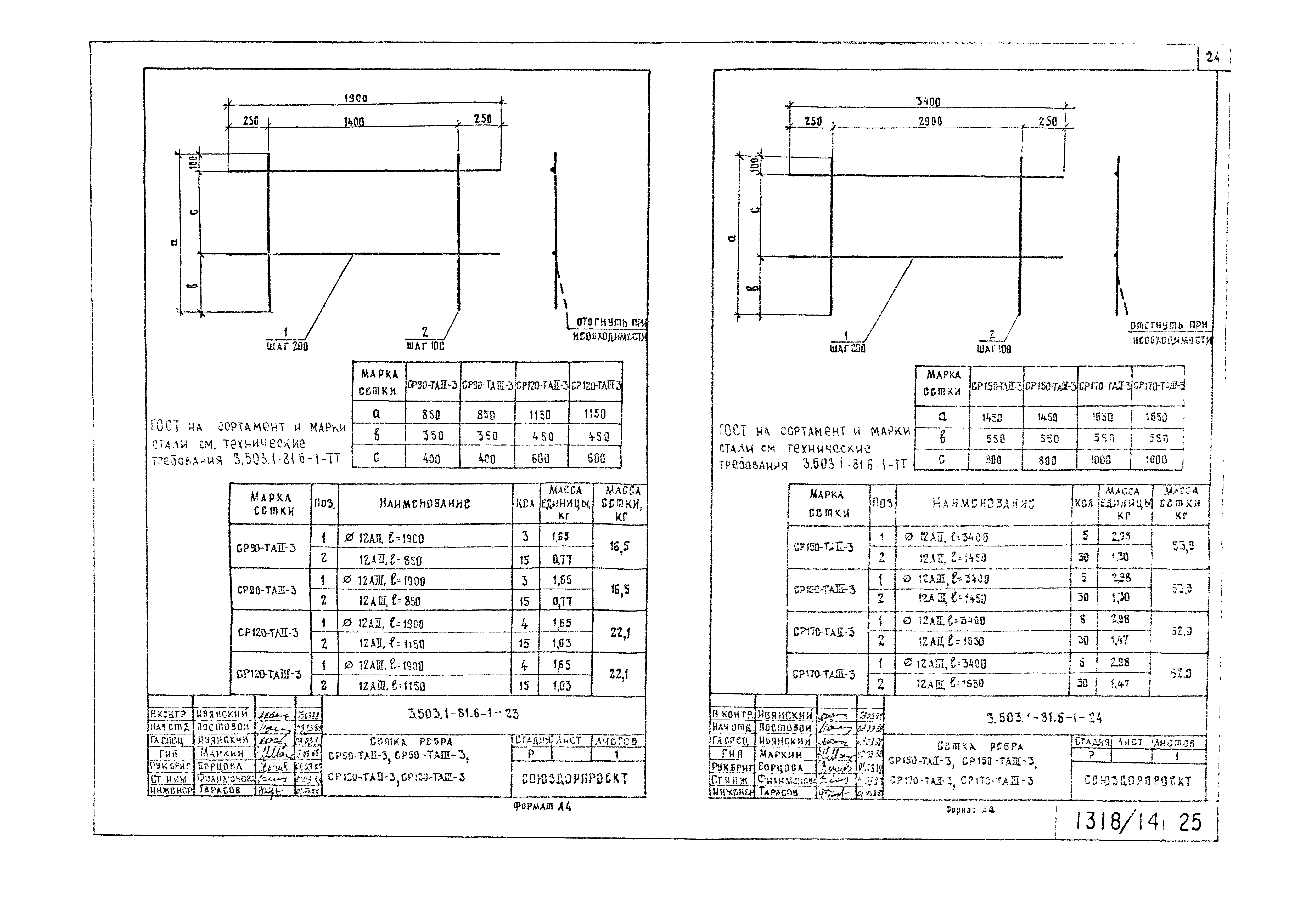
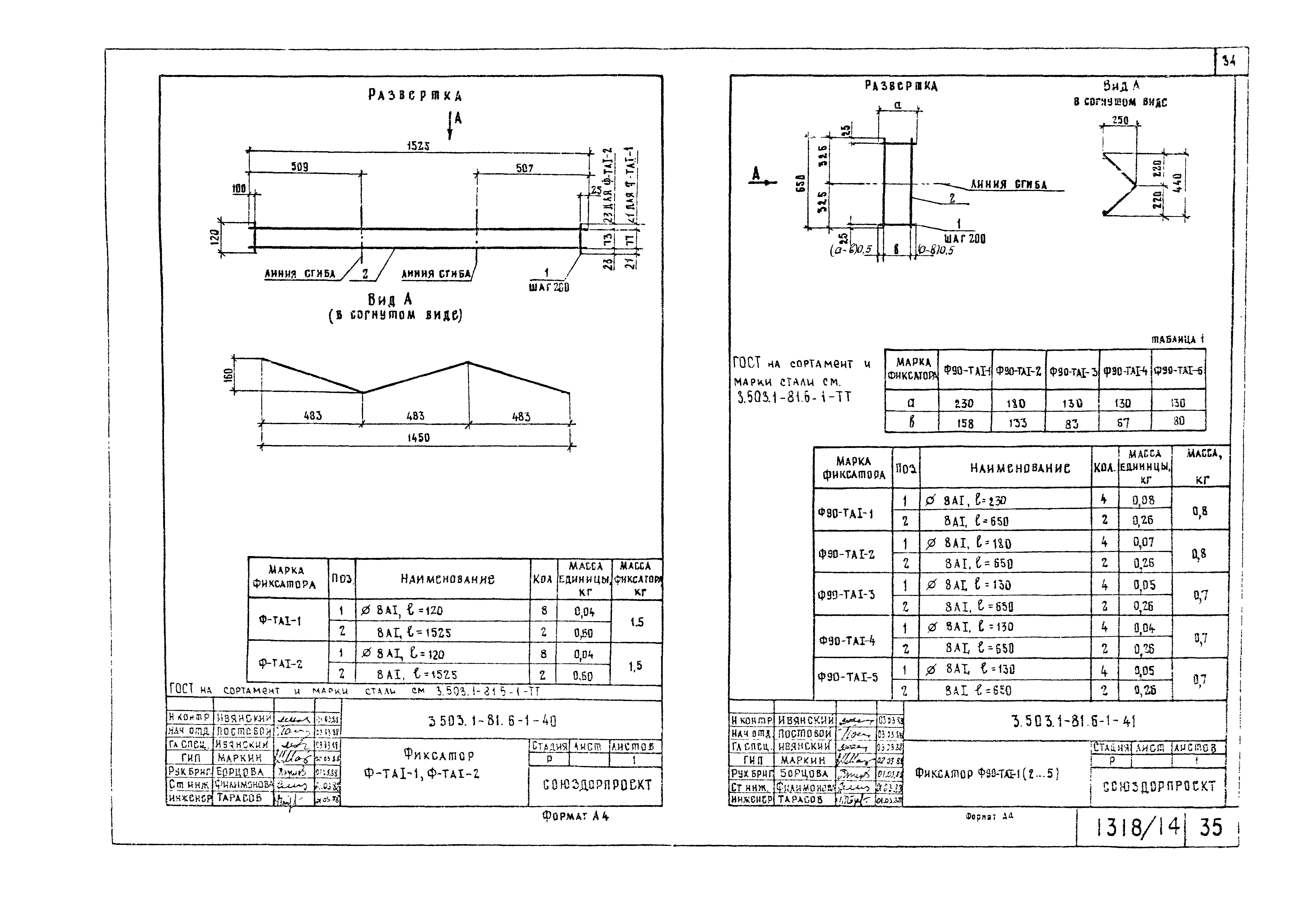
| Оглавление: | 3.503.1-81.6-1-ТТ Технические требования 3.503.1-81.6-1-1 Изделие закладное МН-ТАll-1а, МН-ТАlll-1а, МН-ТАll-1р, МН-ТАlll-1р, МН-ТАll-2, МН-ТАlll-2 3.503.1-81.6-1-2 Изделие закладное МН-ТАll-3, МН-ТАlll-3, МН-ТАll-4, МН-ТАlll-4 3.503.1-81.6-1-3 Изделие закладное МН-ТАll-5, МН-ТАlll-5 3.503.1-81.6-1-4 Изделие закладное МН-ТАll-6, МН-ТАlll-6 3.503.1-81.6-1-5 Изделие закладное МН-ТАll-7, МН-ТАlll-7 3.503.1-81.6-1-6 Изделие закладное МН-ТАll-8, МН-ТАlll-8, МН-ТАll-9, МН-ТАlll-9 3.503.1-81.6-1-7 Изделие закладное МН-ТАll-10, МН-ТАlll-10 3.503.1-81.6-18 -Изделие закладное МН-ТАll-11, МН-ТАlll-11 3.503.1-81.6-1-9 Пучок из стали класса В-ll 3.503.1-81.6-1-10 Каркас анкера 3.503.1-81.6-1-11 Звездочка 3.503.1-81.6-1-12 Стержень-фиксатор 3.503.1-81.6-1-13 Крестовина 3.503.1-81.6-1-14 Спираль 3.503.1-81.6-1-15 Канаты К-7 3.503.1-81.6-1-16 Сетка плиты СП 140-ТАll(Аlll)-1; СП180-ТАll(Аlll)-1; СП140-ТАll(Аlll)-3; СП180-ТАll(Аlll)-3 3.503.1-81.6-1-17 Сетка плиты СП 140-ТАll(Аlll)-1; СП180-ТАll(Аlll)-1; СП140-ТАll(Аlll)-2; СП180-ТАll(Аlll)-2 3.503.1-81.6-1-18 Сетка плиты СП 140-ТАll(Аlll)-2; СП180-ТАll(Аlll)-2; СП140-ТАll(Аlll)-4; СП180-ТАll(Аlll)-4 3.503.1-81.6-1-19 Сетка плиты СП 174-ТАll(Аlll)-4; СП194-ТАll(Аlll)-4; СП174-ТАll(Аlll)-5; СП194-ТАll(Аlll)-5 3.503.1-81.6-1-20 Сетка плиты СП 174-ТАll(Аlll)-3; СП194-ТАll(Аlll)-3; СП174-ТАll(Аlll)-6; СП194-ТАll(Аlll)-6 3.503.1-81.6-1-21 Сетка ребра СР90-ТАll(Аlll)-1; СР120-ТАll(Аlll)-1; СР150-ТАll(Аlll)-1; СР170-ТАll(Аlll)-1 3.503.1-81.6-1-22 Сетка ребра СР90-ТАll(Аlll)-2; СР120-ТАll(Аlll)-2; СР150-ТАll(Аlll)-2; СР170-ТАll(Аlll)-2 3.503.1-81.6-1-23 Сетка ребра СР90-ТАll(Аlll)-3; СР120-ТАll(Аlll)-3 3.503.1-81.6-1-24 Сетка ребра СР150-ТАll(Аlll)-3; СР170-ТАll(Аlll)-3 3.503.1-81.6-1-25 Сетка ребра СР90-ТАll(Аlll)-4 3.503.1-81.6-1-26 Сетка ребра СР120-ТАll(Аlll)-4 3.503.1-81.6-1-27 Сетка ребра СР150-ТАll(Аlll)-4; СР170-ТАll(Аlll)-4 3.503.1-81.6-1-28 Сетка ребра СР120-ТАll(Аlll)-5 3.503.1-81.6-1-29 Сетка ребра СР90-ТАl-5, СР90-ТАll(Аlll)-5, СР120-ТАl-6, СР120-ТАll(Аlll)-58, СР150-ТАl-5, СР150-ТА(Аlll)-58, СР170-ТАl-5, СР170-ТАll(Аlll)-58 3.503.1-81.6-1-30 Сетка бута СВ-ТАl-1…СВ-ТАl-3 3.503.1-81.6-1-31 Сетка торца 3.503.1-81.6-1-32 Каркас К-ТАll(Аlll)-1 3.503.1-81.6-1-33 Каркас К-ТАll(Аlll)-2, К-ТАll(Аlll)-3 3.503.1-81.6-1-34 Каркас К10-ТАll(Аlll)-1 3.503.1-81.6-1-35 Каркас К10-ТАll(Аlll)-2, К10-ТАll(Аlll)-3 3.503.1-81.6-1-36 Каркас К15-ТАll(Аlll)-1 3.503.1-81.6-1-37 Каркас К15-ТАll(Аlll)-2, К15-ТАll(Аlll)-3 3.503.1-81.6-1-38 Каркас К20-ТАll(Аlll)-1 3.503.1-81.6-1-39 Каркас К20-ТАll(Аlll)-2, К20-ТАll(Аlll)-3 3.503.1-81.6-1-40 Фиксатор Ф-ТАl-1; Ф-ТАl-2 3.503.1-81.6-1-41 Фиксатор Ф90-ТАl-1(2,3,4,5) 3.503.1-81.6-1-42 Фиксатор Ф120-ТАl-1(2,3,4,5) 3.503.1-81.6-1-43 Фиксатор Ф1500-ТАl-1(2,3,4,5) |
| Разработан: | Союздорпроект Минтрансстроя |
| Утверждён: | 11.05.1988 Минтрансстрой СССР (USSR Mintransstroy АВ-311) |





































