Скачать Серия 1.436.3-21 Выпуск 2. Окна с двойными раздельными переплетами. Рабочие чертежиДата актуализации: 01.01.2021
|
| Обозначение: | Серия 1.436.3-21 |
| Обозначение англ: | Series 1.436.3-21 |
| Статус: | не определен законодательством |
| Название рус.: | Выпуск 2. Окна с двойными раздельными переплетами. Рабочие чертежи |
| Дата добавления в базу: | 01.09.2013 |
| Дата актуализации: | 01.01.2021 |
| Дата введения: | 01.11.1987 |
| Дата окончания срока действия: | 30.06.2003 |
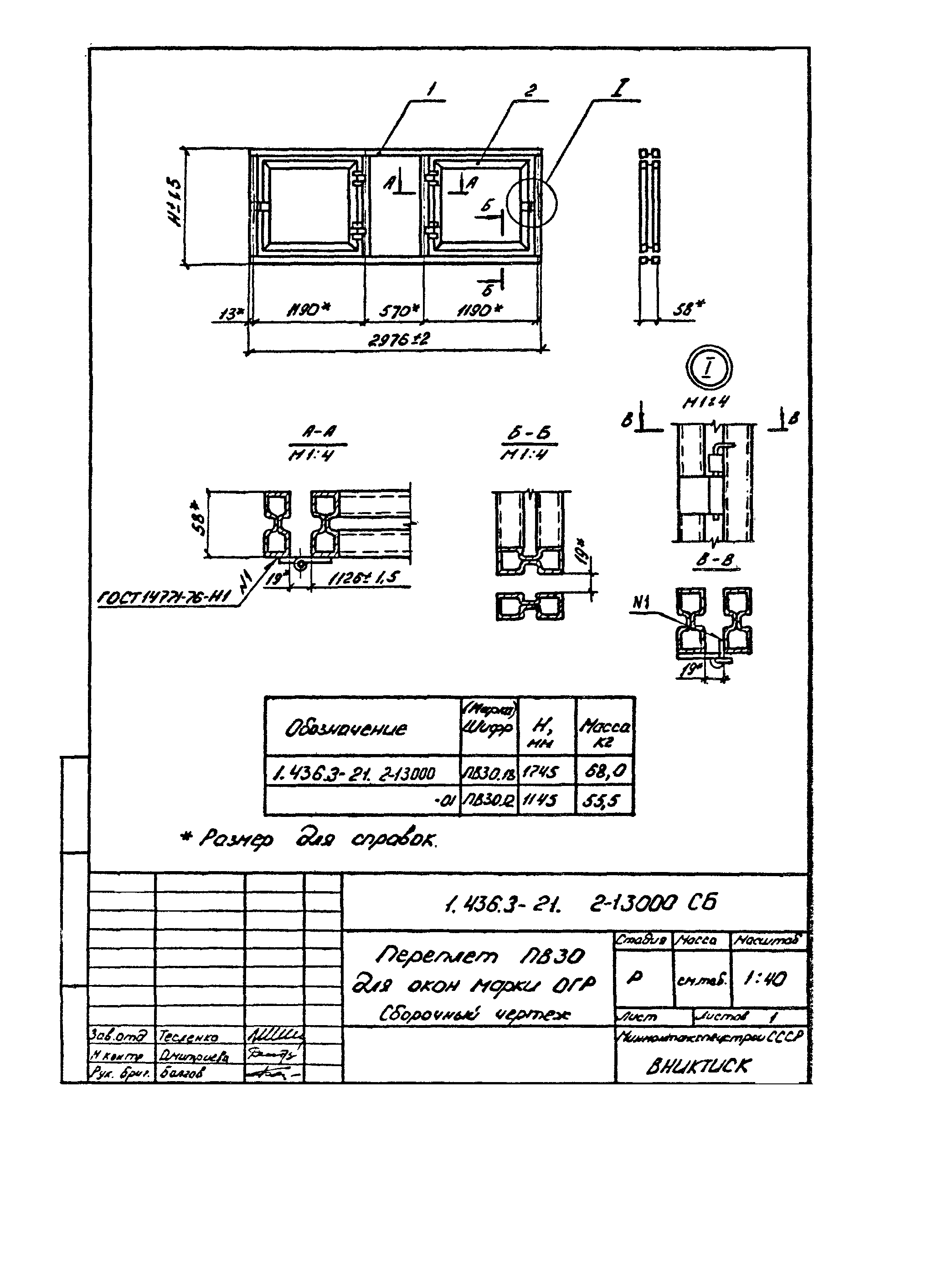
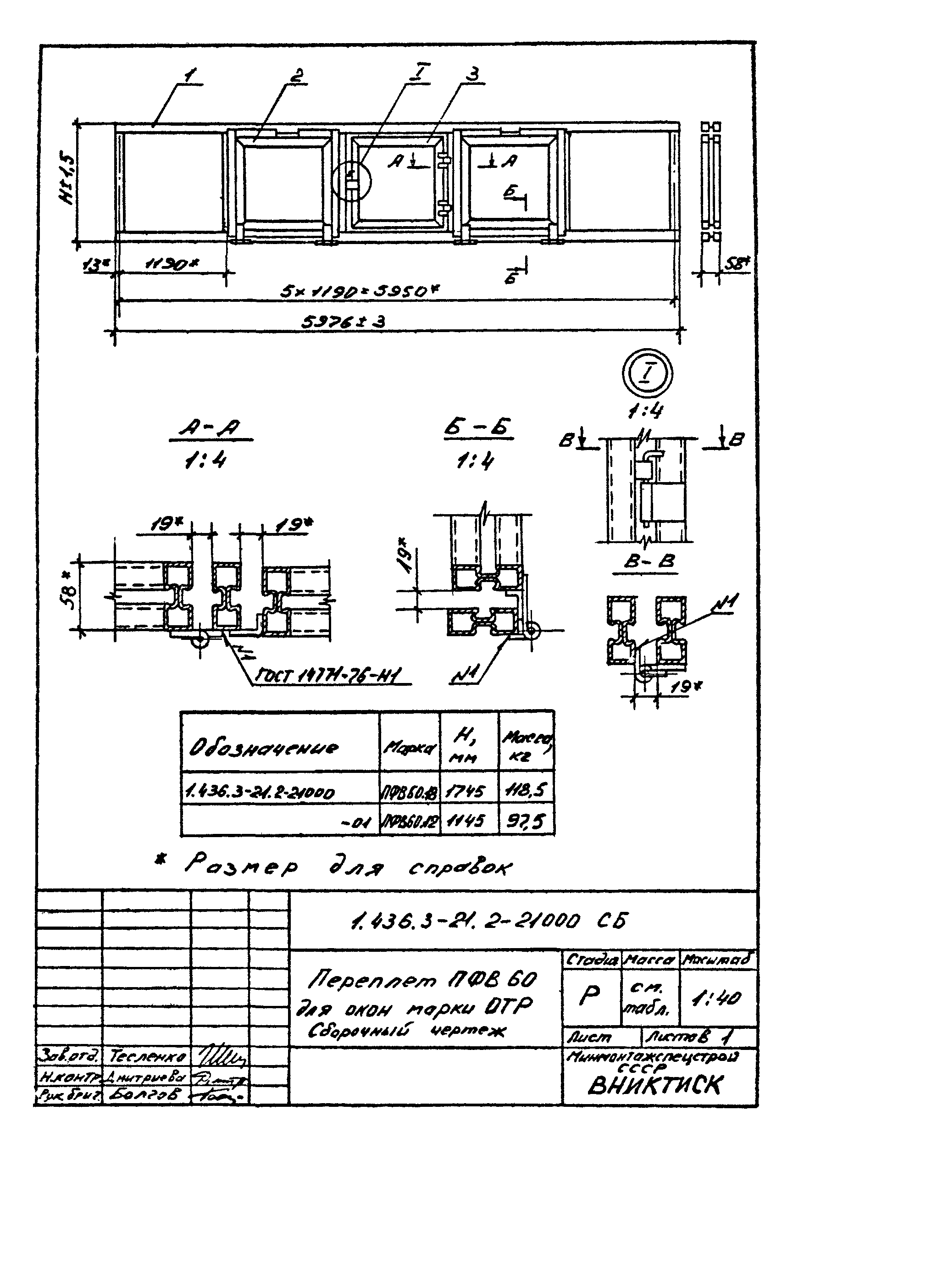
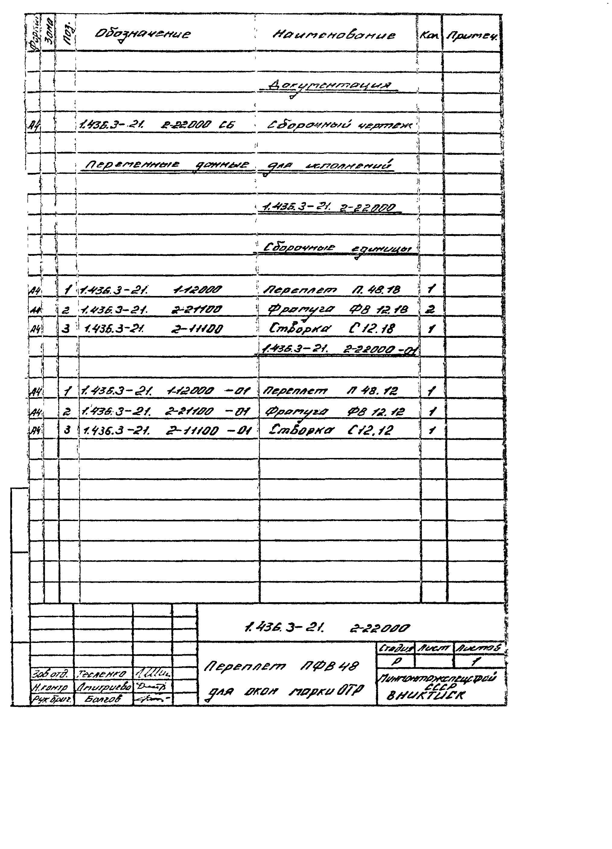
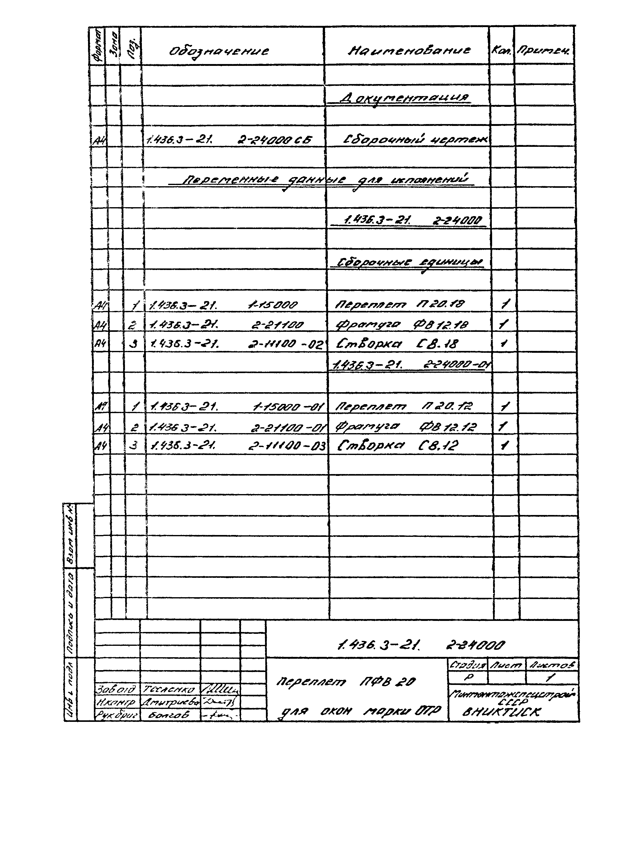
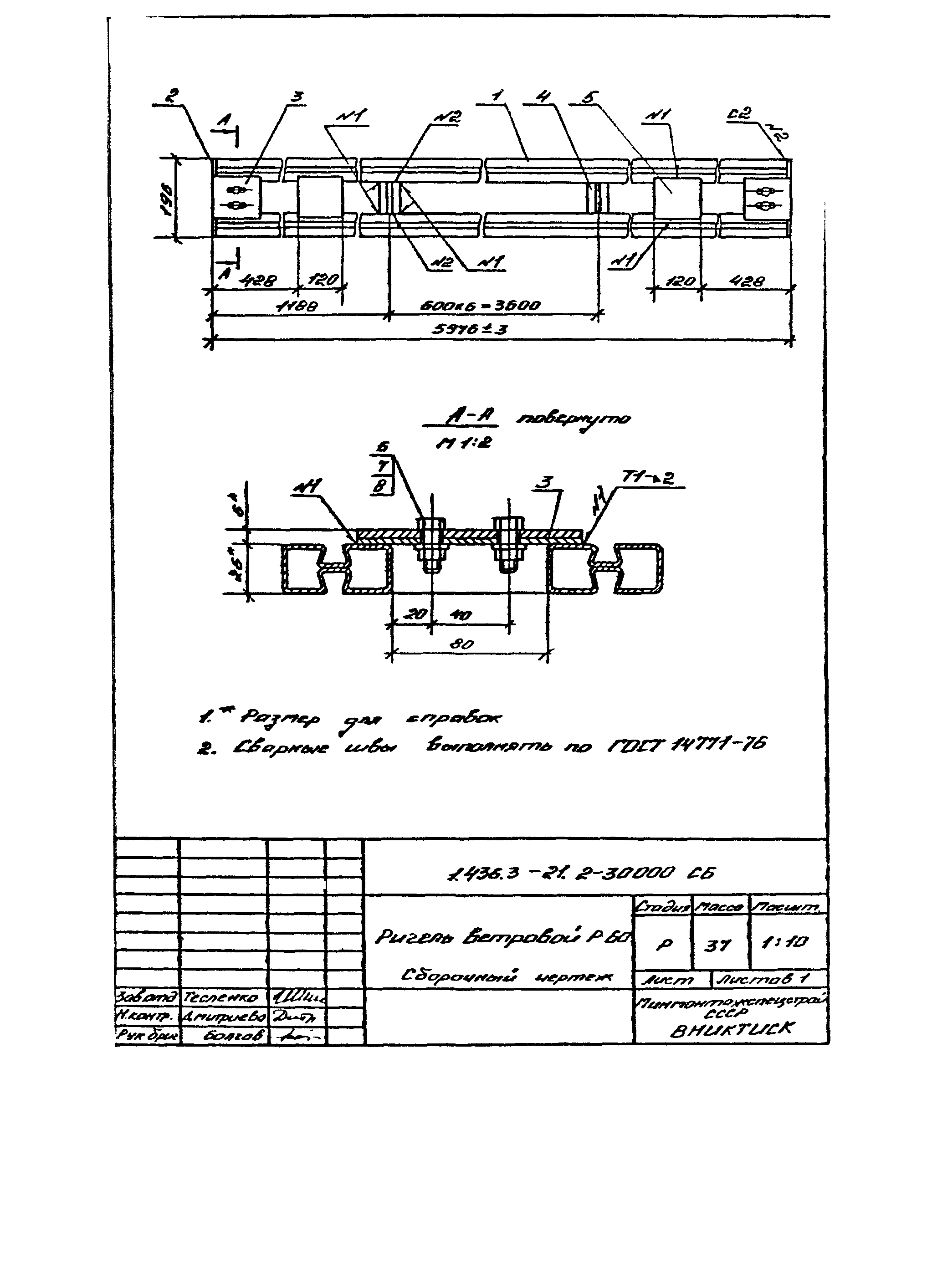
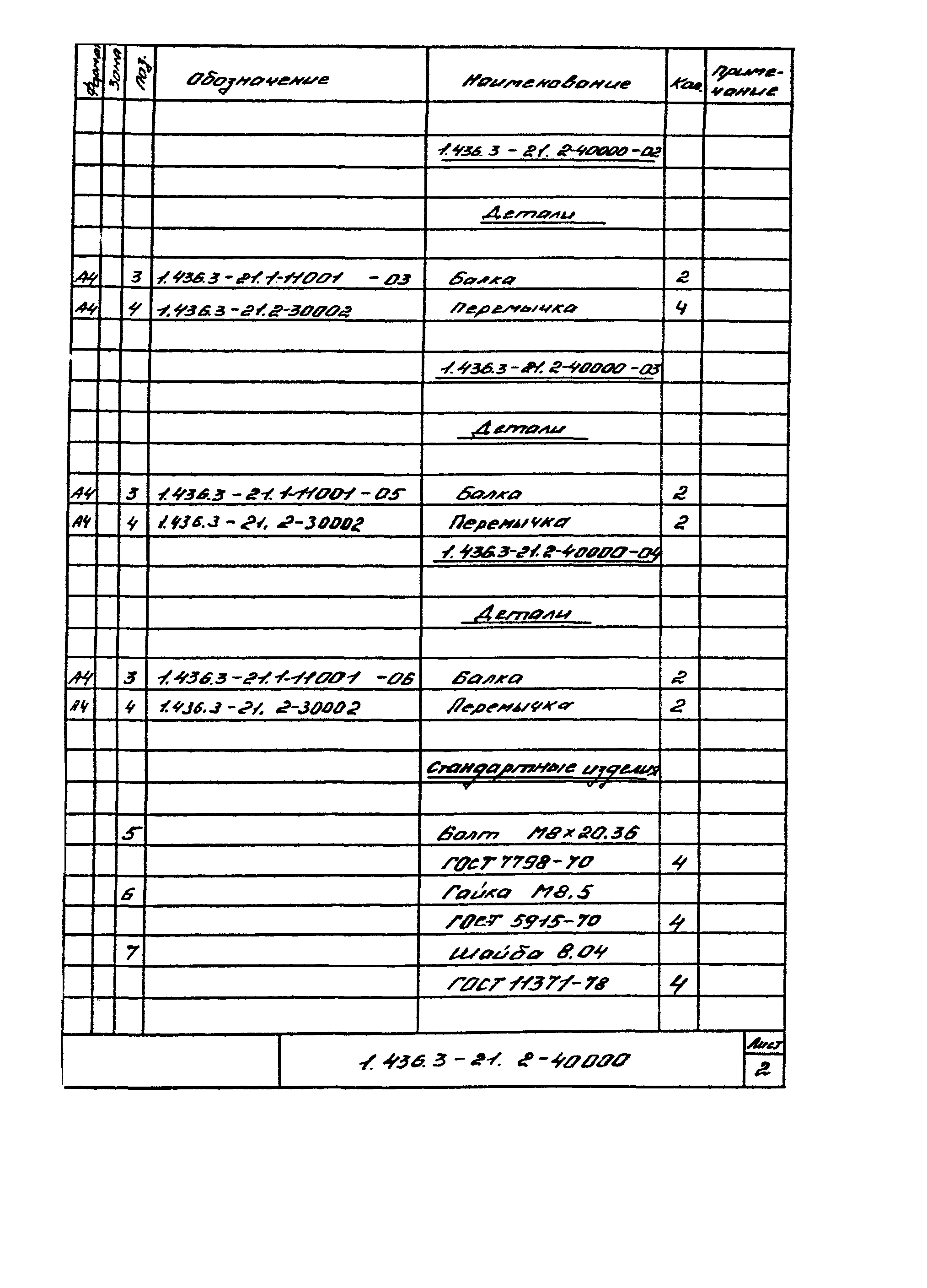
| Оглавление: | 1.436.3-21.2-00000.ТО Техническое описание 1.436.3-21.2-10000 Окно марки ОГР 1.436.3-21.2-10000СБ Окно марки ОГР. Сборочный Чертеж 1.436.3-21.2-11000 Переплет ПВ 60 для окон марки ОГР 1.436.3-21.2-11000СБ Переплет ПВ 60 для окон марки ОГР. Сборочный чертеж 1.436.3-21.2-111000 Створка С12, С8, С6 1.436.3-21.2-11100СБ Створка С12, С8, С6. Сборочный чертеж 1.436.3-21.2-11110 Шарнир П2 1.436.3-21.2-11110СБ Шарнир П2. Сборочный чертеж 1.436.3-21.2-11111 Петля крайняя 1.436.3-21.2-11112 Петля средняя 1.436.3-21.2-11120 Затвор 1.436.3-21.2-11120СБ Затвор. Сборочный чертеж 1.436.3-21.2-11121 Петля 1.436.3-21.2-11122 Штырь 1.436.3-21.2-12000 Переплет ПВ 48 для окон марки ОГР 1.436.3-21.2-12000СБ Переплет ПВ 48 для окон марки ОГР. Сборочный чертеж 1.436.3-21.2-13000 Переплет ПВ 30 для окон марки ОГР 1.436.3-21.2-13000СБ Переплет ПВ 30 для окон марки ОГР. Сборочный чертеж 1.436.3-21.2-14000 Переплет ПВ 20 для окон марки ОГР 1.436.3-21.2-14000СБ Переплет ПВ 20 для окон марки ОГР. Сборочный чертеж 1.436.3-21.2-15000 Переплет ПВ 18 для окон марки ОГР 1.436.3-21.2-15000СБ Переплет ПВ 18 для окон марки ОГР. Сборочный чертеж 1.436.3-21.2-20000 Окно марки ОТР 1.436.3-21.2-20000СБ Окно марки ОТР. Сборочный чертеж 1.436.3-21.2-21000 Переплет ПФВ 60 для окон марки ОТР 1.436.3-21.2-21000СБ Переплет ПФВ 60 для окон марки ОТР. Сборочный чертеж 1.436.3-21.2-21100 Фрамуга ФВ 12 1.436.3-21.2-21100СБ Фрамуга ФВ 12. Сборочный чертеж 1.436.3-21.2-22000 Переплет ПФВ 48 для окон марки ОТР 1.436.3-21.2-22000СБ Переплет ПФВ 48 для окон марки ОТР. Сборочный чертеж 1.436.3-21.2-23000 Переплет ПФВ 30 для окон марки ОТР 1.436.3-21.2-23000СБ Переплет ПФВ 30 для окон марки ОТР. Сборочный чертеж 1.436.3-21.2-24000 Переплет ПФВ 20 для окон марки ОТР 1.436.3-21.2-24000СБ Переплет ПФВ 20 для окон марки ОТР. Сборочный чертеж 1.436.3-21.2-25000 Переплет ПФВ 18 для окон марки ОТР 1.436.3-21.2-25000СБ Переплет ПФВ 18 для окон марки ОТР. Сборочный чертеж 1.436.3-21.2-30000 Ригель ветровой Р 60 1.436.3-21.2-3000СБ Ригель ветровой Р 60. Сборочный чертеж 1.436.3-21.2-30001 Планка 1.436.3-21.2-30002 Перемычка 1.436.3-21.2-40000 Ригель ветровой Р 48, Р 40, Р 30, Р 20, Р 18 1.436.3-21.2-40000СБ Ригель ветровой Р 48, Р 39, Р 30, Р 20, Р 18. Сборочный чертеж |
| Разработан: | ЦНИИпромзданий ВНИКТИстальконструкция Минмонтажспецстроя СССР Златоустовский завод металлоконструкций |
| Утверждён: | 13.08.1987 Госстрой СССР (Государственный комитет Совета Министров СССР по делам строительства) (USSR Gosstroy АЧ-74) |






























































