Скачать РС1-1728 Панели внутренних стен цоколя. Рабочие чертежиДата актуализации: 01.01.2021
|
| Обозначение: | РС1-1728 |
| Обозначение англ: | РС1-1728 |
| Статус: | не определен законодательством |
| Название рус.: | Панели внутренних стен цоколя. Рабочие чертежи |
| Дата добавления в базу: | 01.09.2013 |
| Дата актуализации: | 01.01.2021 |
| Дата введения: | 01.01.2004 |
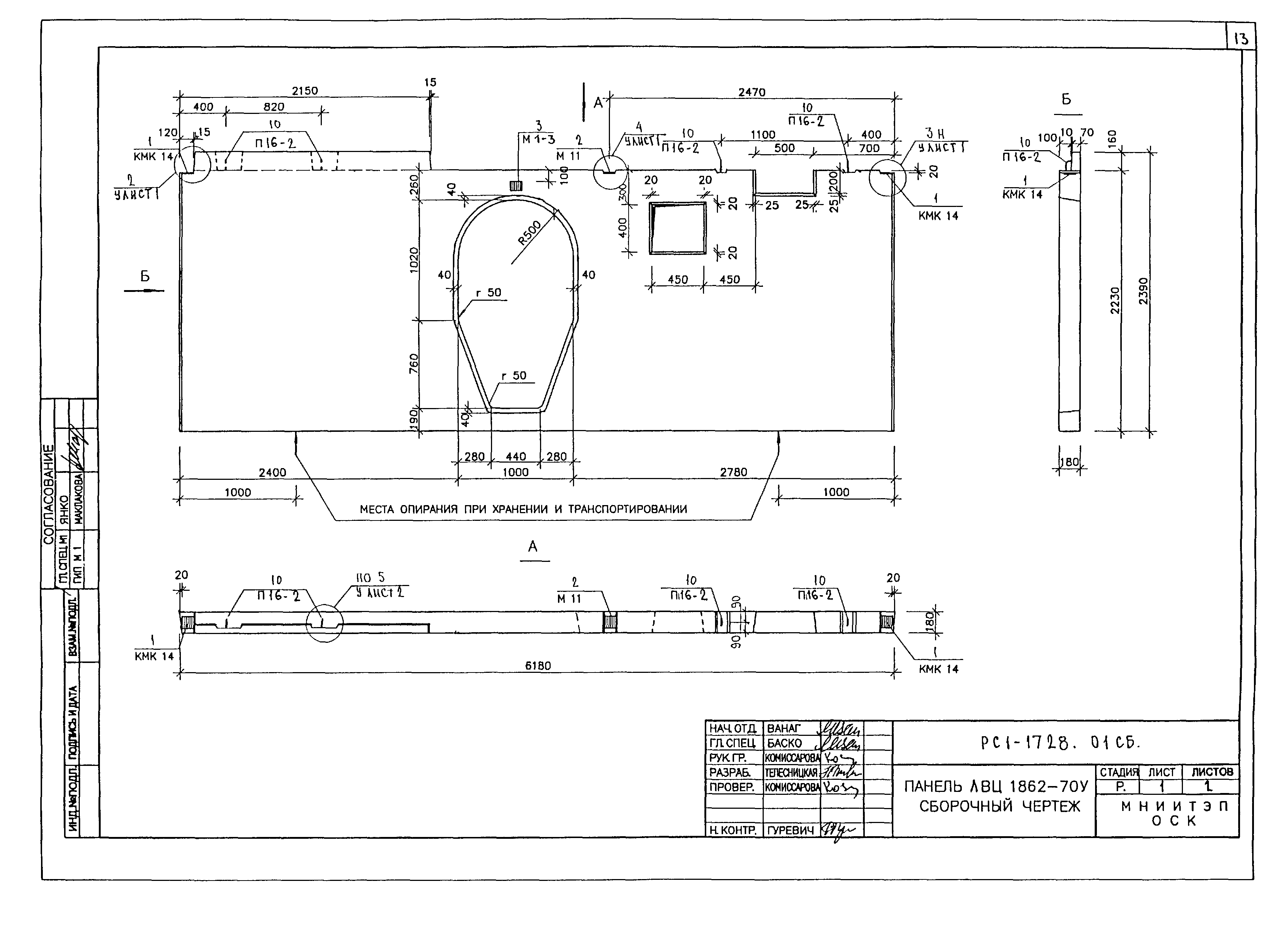
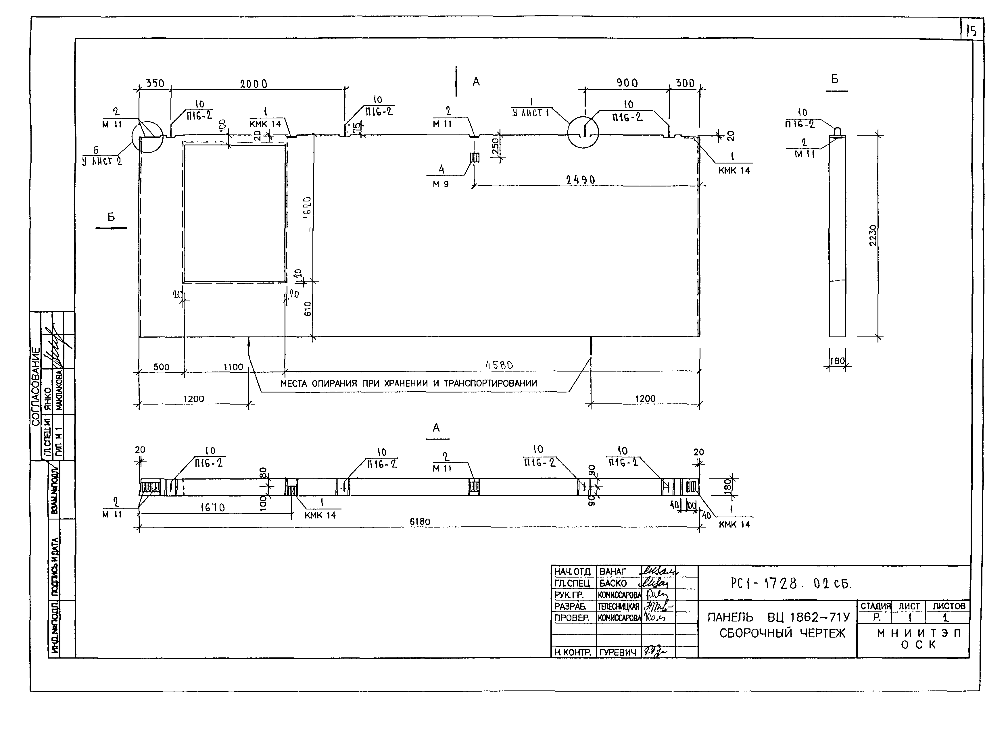
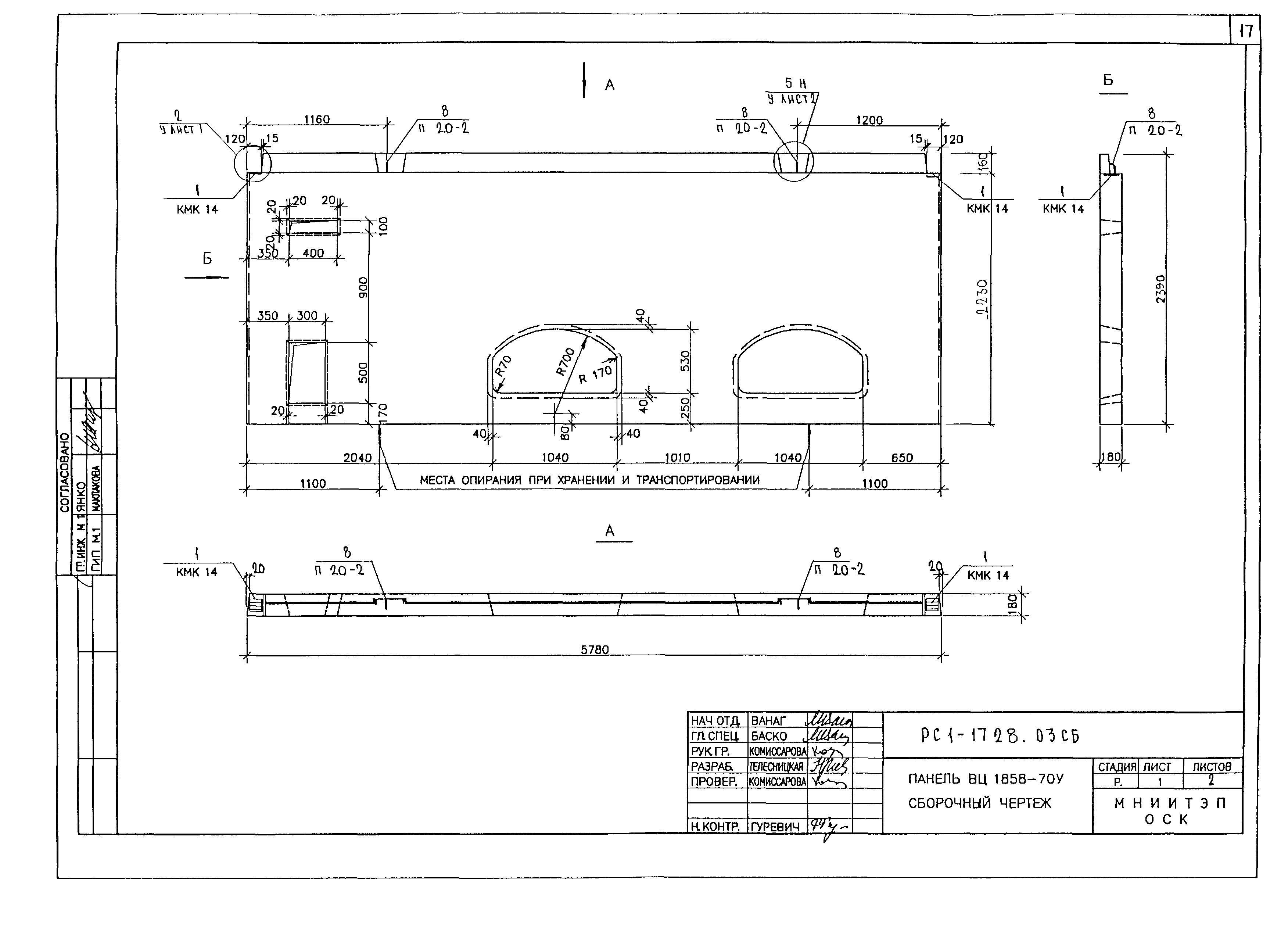
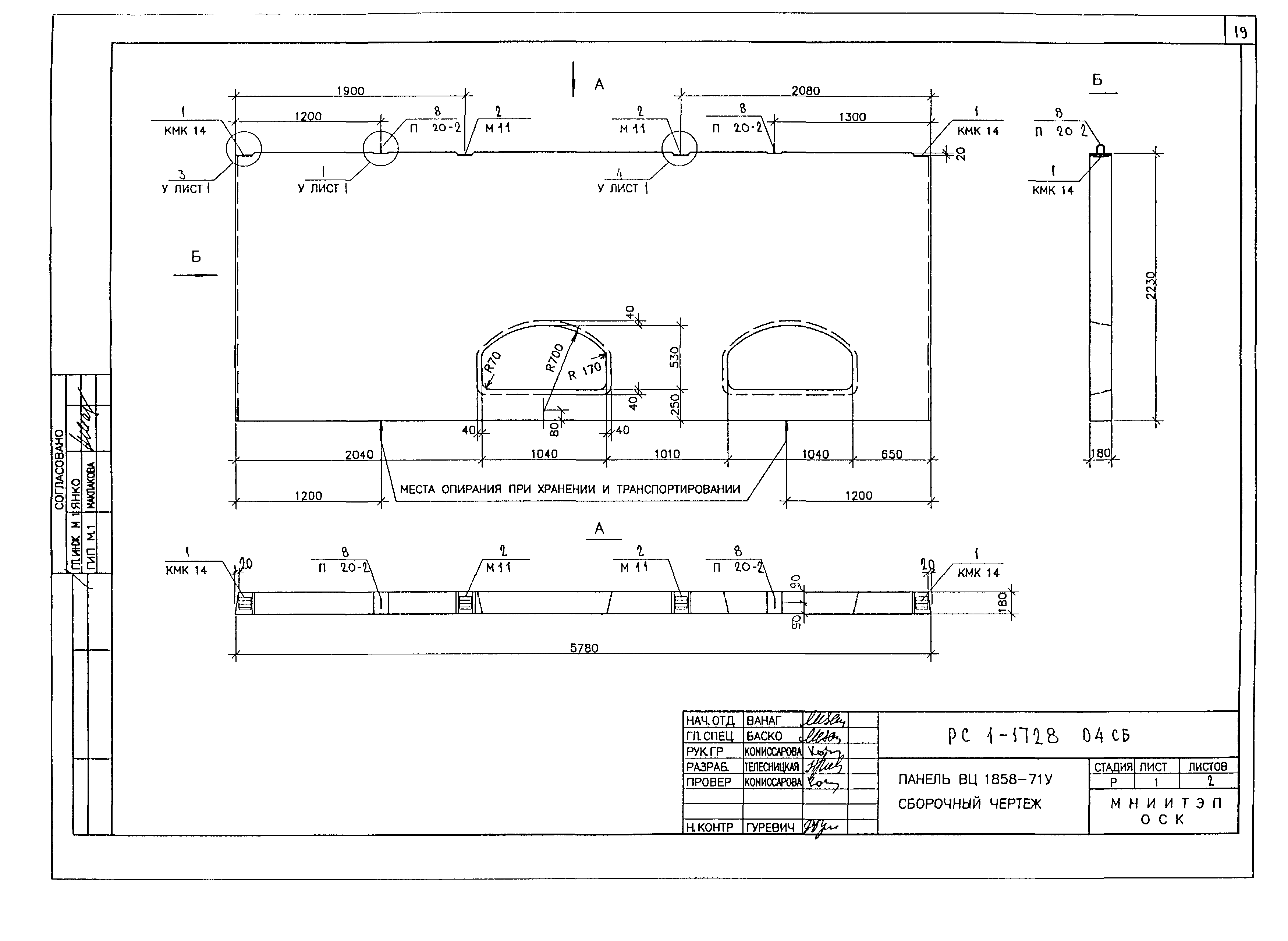
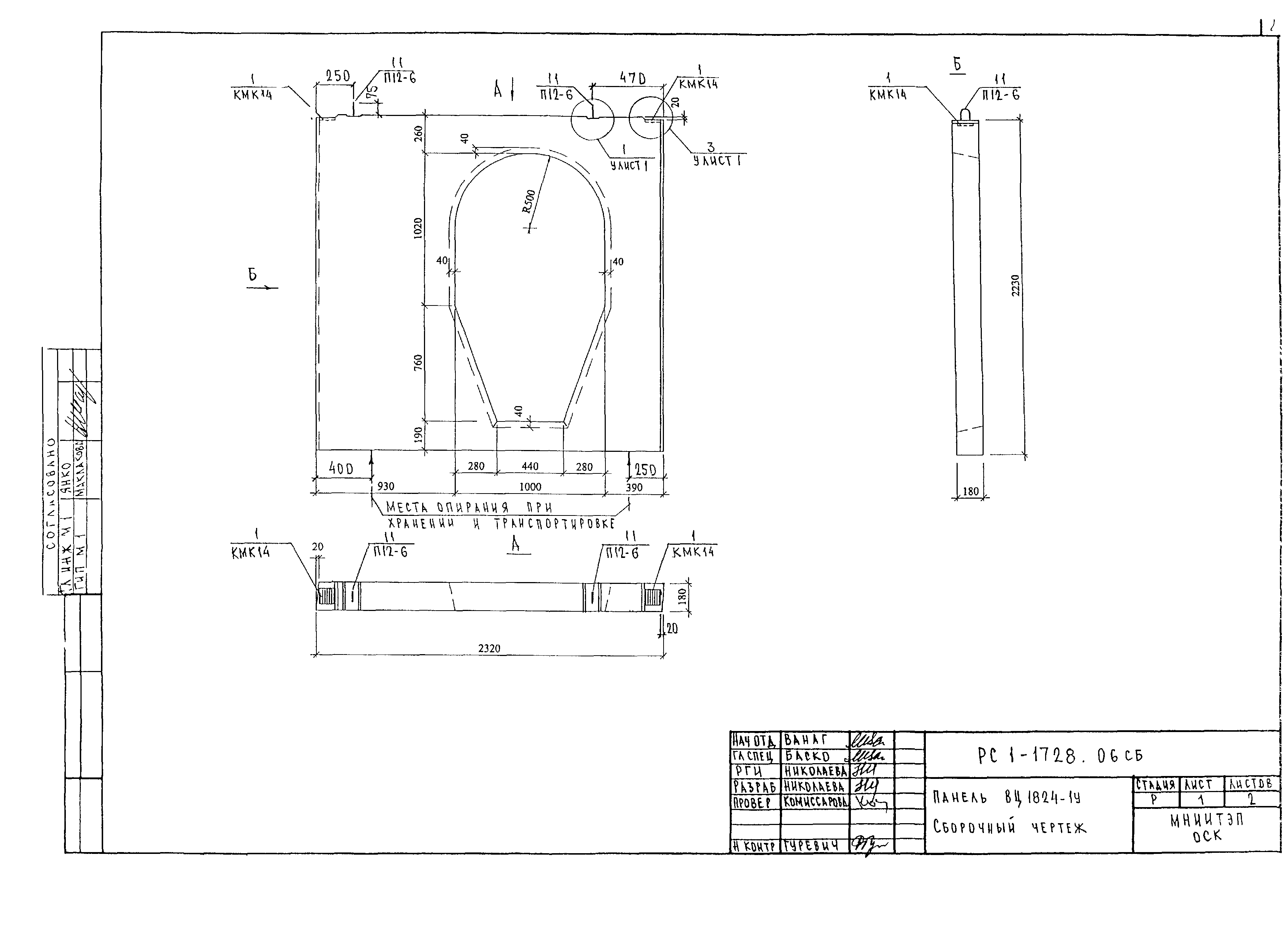
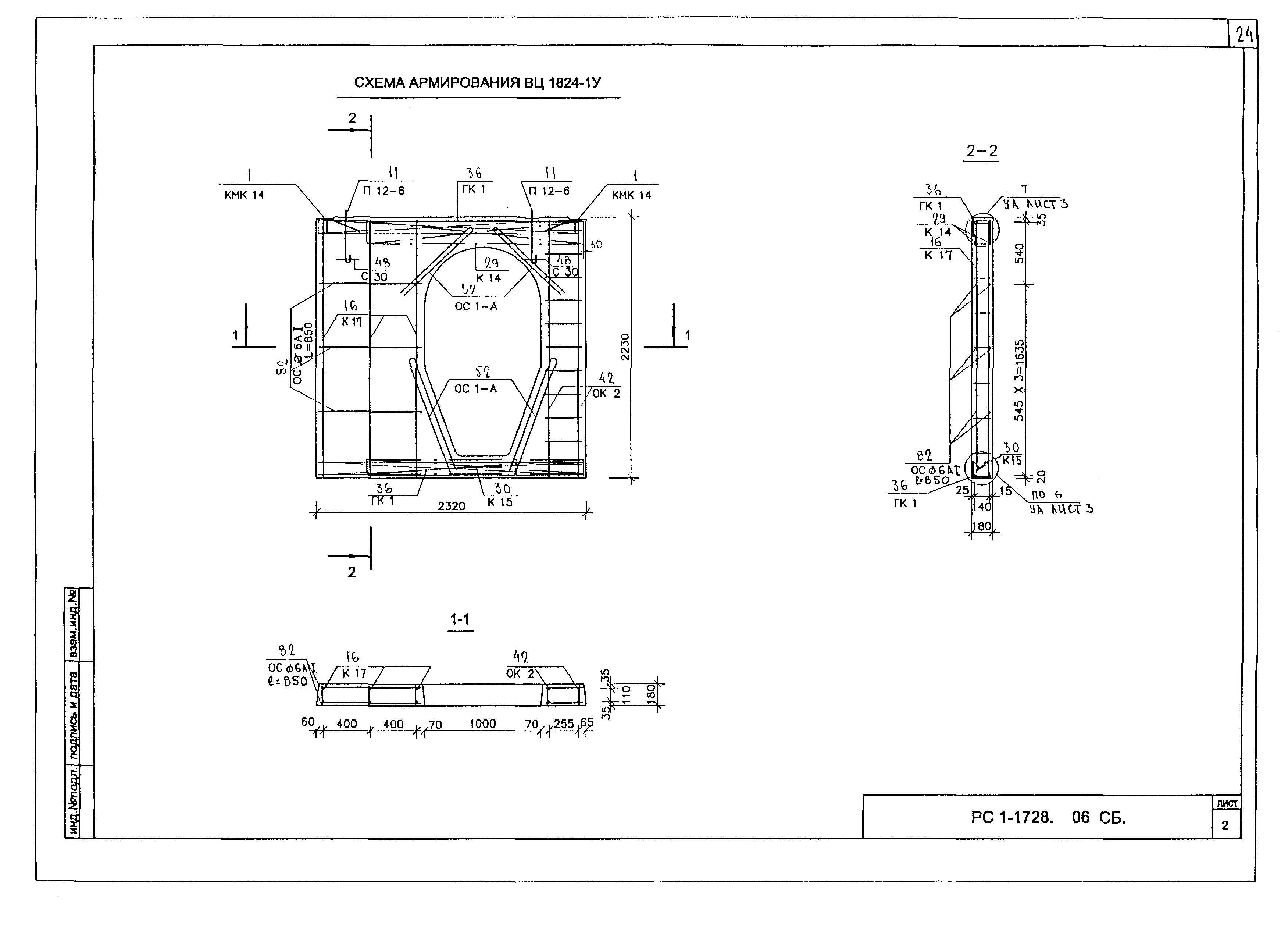
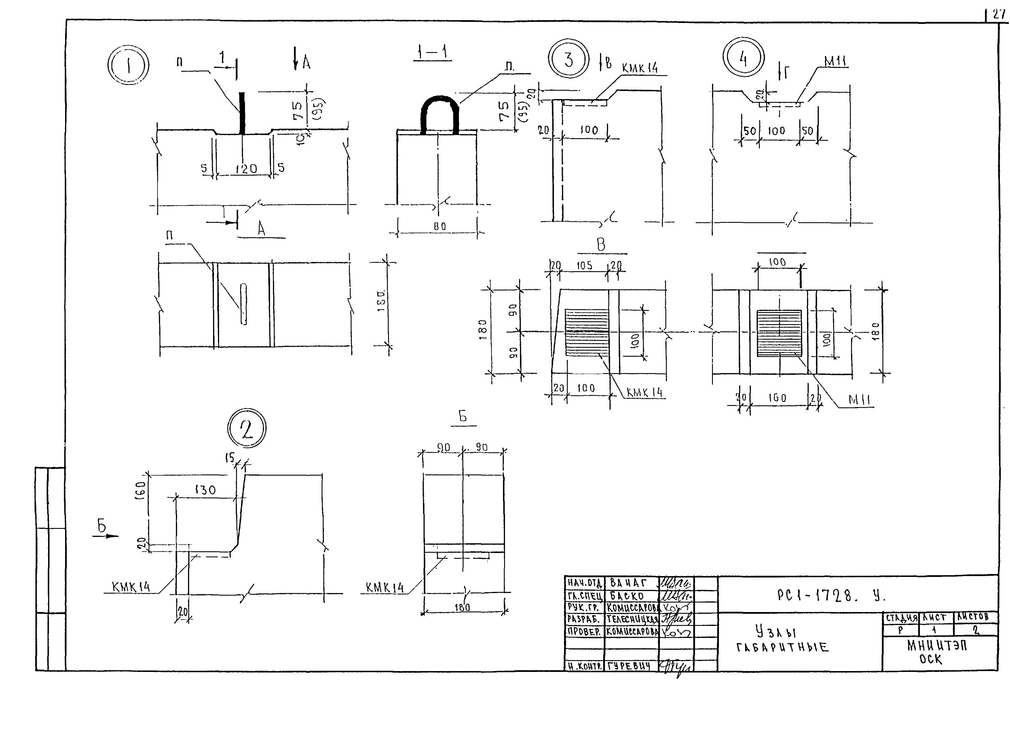
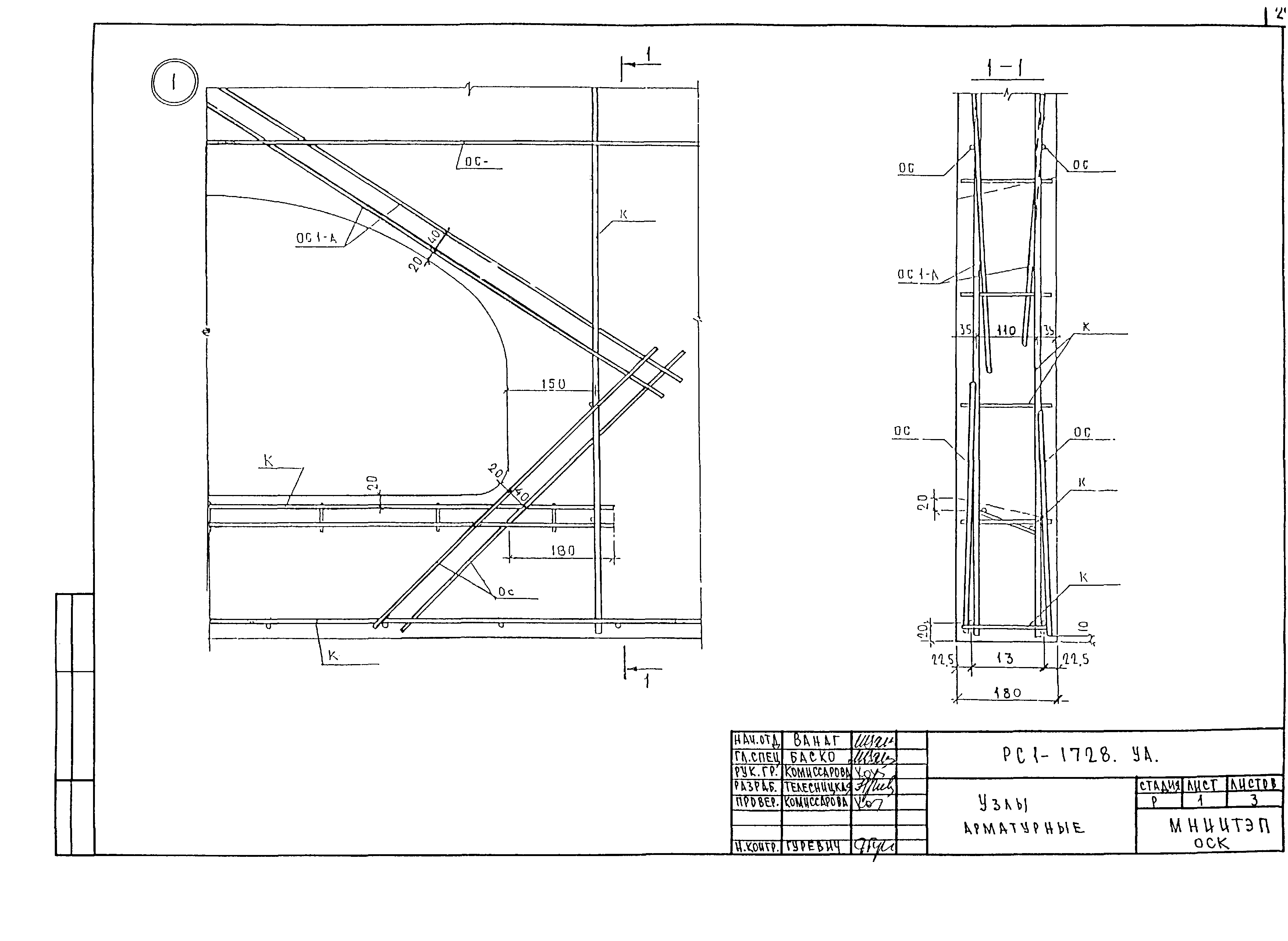
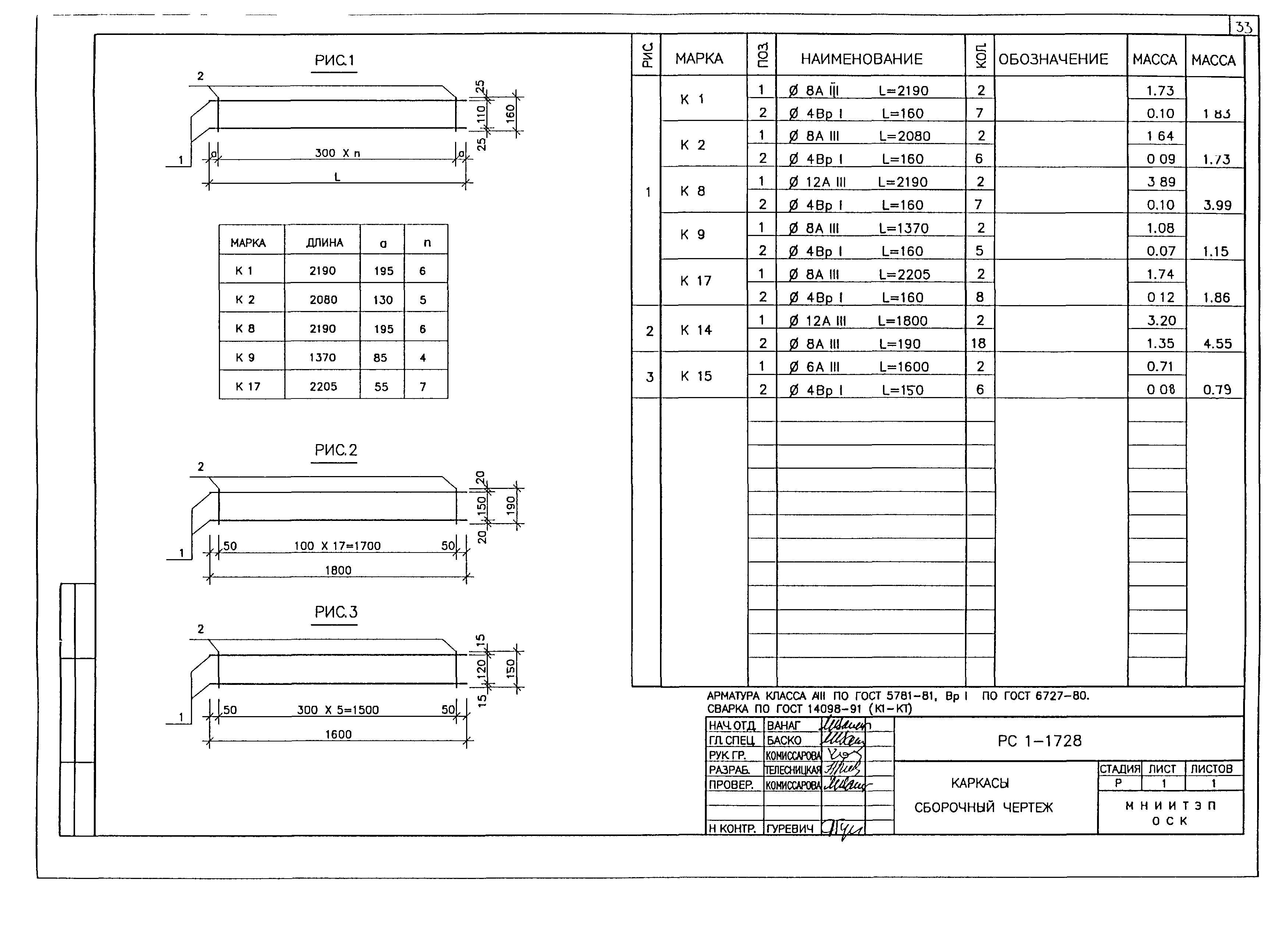
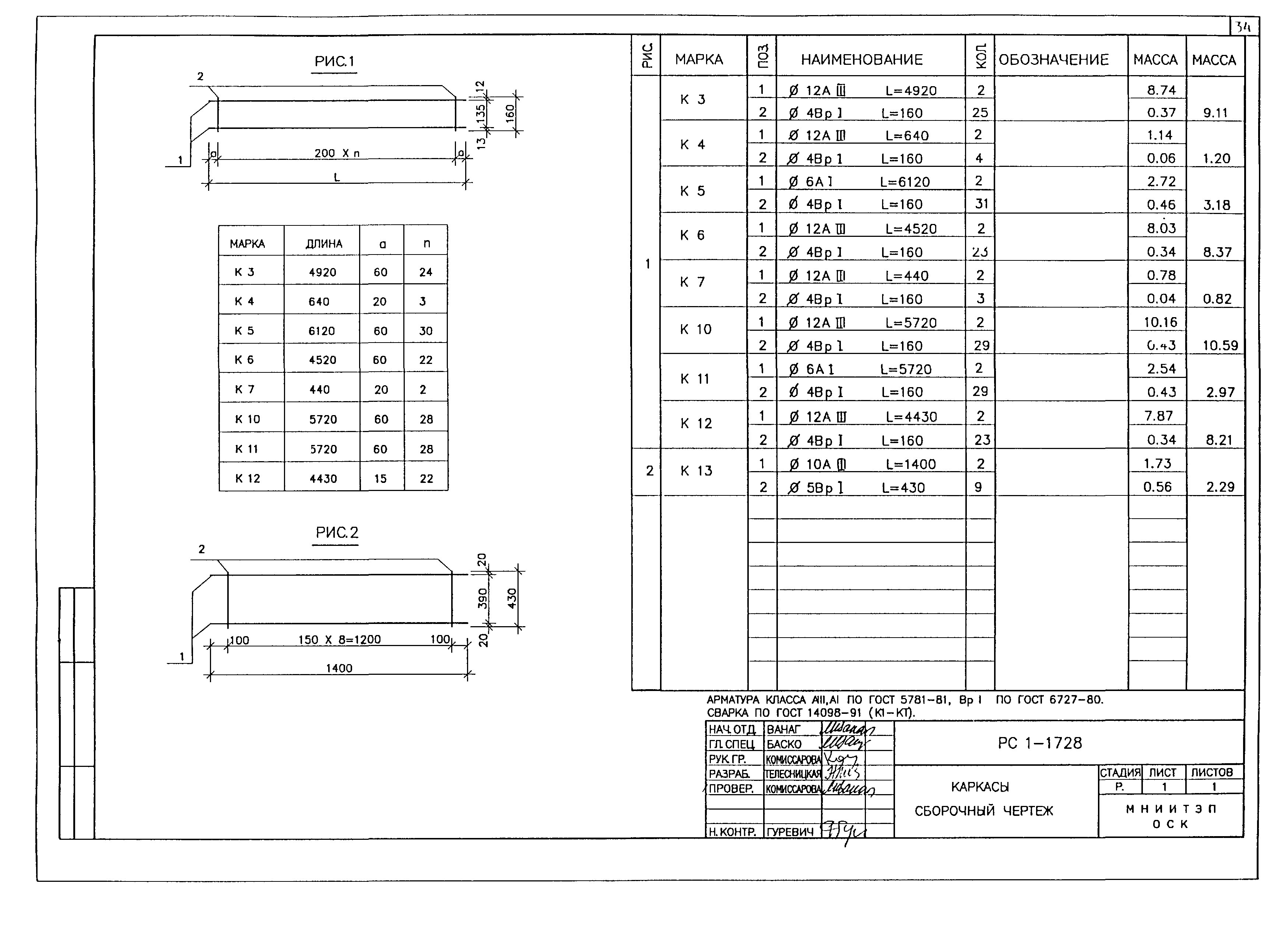
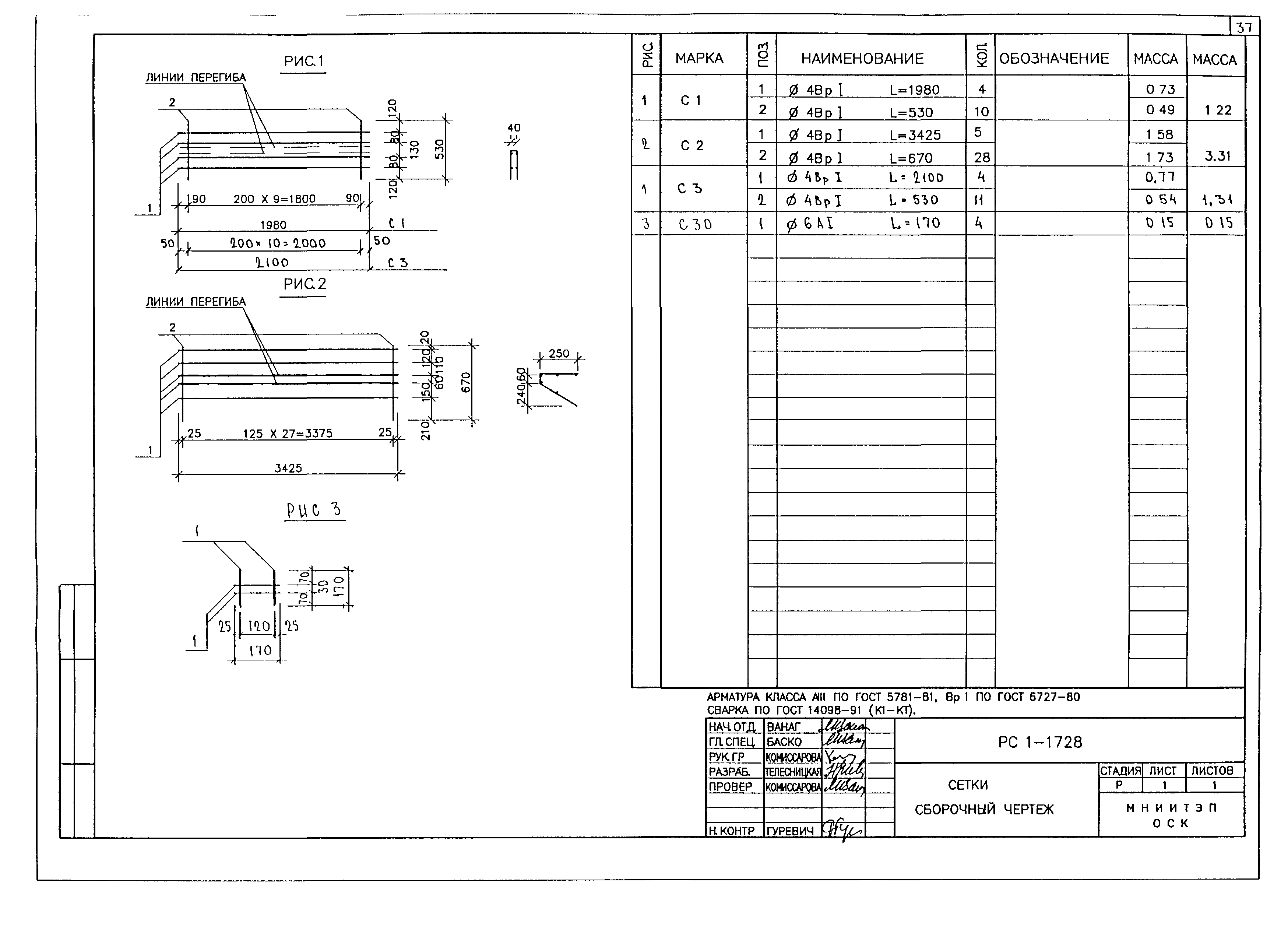
| Оглавление: | РС1-1728 ПЗ. Пояснительная записка РС1-1728 НИ. Номенклатура изделий РС1-1728 РС. Ведомость расхода стали на элемент РС1-1728 01 СБ. Панель ЛВЦ 1862-70У. Сборочный чертеж РС1-1728 02 СБ. Панель ВЦ 1862-71У. Сборочный чертеж РС1-1728 03 СБ. Панель ВЦ 1858-70У. Сборочный чертеж РС1-1728 04 СБ. Панель ВЦ 1858-71У. Сборочный чертеж РС1-1728 05 СБ. Панель ВЦ 1858-1УЛ. Сборочный чертеж РС1-1728 06 СБ. Панель ВЦ 1824-1У. Сборочный чертеж РС1-1728 07 СБ. Панель ВЦ 1827-1У. Сборочный чертеж РС1-1728 У. Узлы габаритные РС1-1728 УА Узлы арматурные РС1-1728 Объемные каркасы. Сборочный чертеж РС1-1728 Каркасы. Сборочный чертеж РС1-1728 Гнутые каркасы. Сборочный чертеж РС1-1728 Сетки. Сборочный чертеж РС1-1728 Отдельный стержень РС1-1728 Петли РС1-1728 Закладные детали. Сборочный чертеж РС1-1728 Информационная карта |
| Разработан: | МНИИТЭП |
| Утверждён: | 01.01.2004 МНИИТЭП (MNIITEP ) |









































