Скачать Серия 1.111.1-4 Выпуск 1. Оголовки типа Колокол. Рабочие чертежиДата актуализации: 01.01.2021
|
| Обозначение: | Серия 1.111.1-4 |
| Обозначение англ: | Series 1.111.1-4 |
| Статус: | действует |
| Название рус.: | Выпуск 1. Оголовки типа "Колокол". Рабочие чертежи |
| Дата добавления в базу: | 01.09.2013 |
| Дата актуализации: | 01.01.2021 |
| Дата введения: | 15.06.1983 |
| Область применения: | Конструкции оголовков типа "Колокол", разработанные в данном альбоме, предназначены для применения при проектировании и строительстве сборномонолитных свайных фундаментов жилых и общественных зданий на обычных и вечномерзлых грунтах |
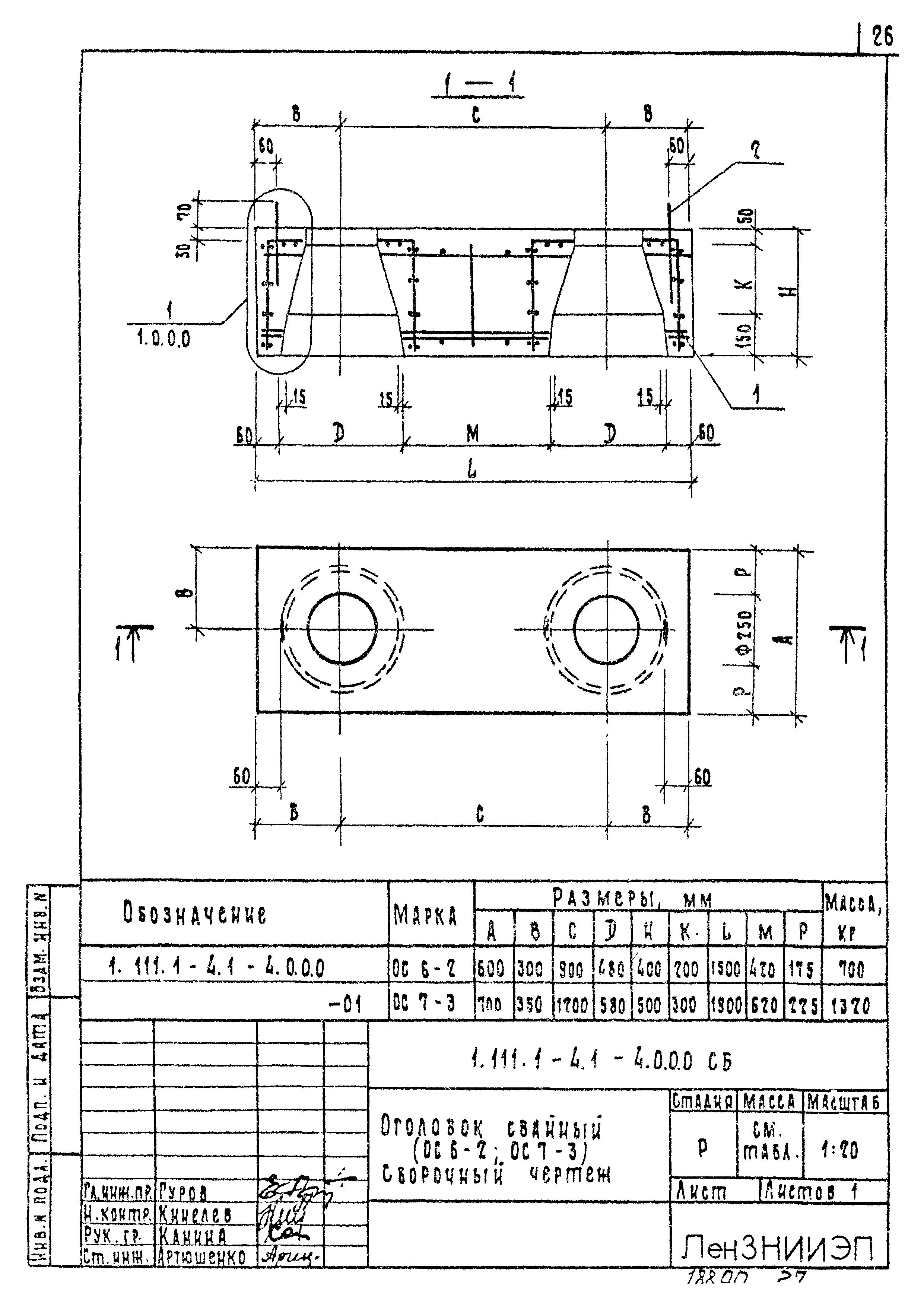
| Оглавление: | 1.111.1-4.1-0.0.0.0 ТО Техническое описание 1.111.1-4.1-0.0.0.0 Н Номенклатура оголовков 1.111.1-4.1-1.0.0.0 Оголовок свайный (ОС 1-1; ОС 1-2; ОС 1-3; ОС 2-3; ОС 2-4) 1.111.1-4.1-1.0.0.0 СБ Оголовок свайный (ОС 1-1; ОС 1-2; ОС 1-3; ОС 2-3; ОС 2-4) сборочный чертеж 1.111.1-4.1-2.0.0.0 Оголовок свайный (ОС 3-1; ОС 3-2; ОС 3-3; ОС 4-3; ОС 4-4) 1.111.1-4.1-2.0.0.0 СБ Оголовок свайный (ОС 3-1; ОС 3-2; ОС 3-3; ОС 4-3; ОС 4-4) сборочный чертеж 1.111.1-4.1-3.0.0.0 Оголовок свайный (ОС 5-3; ОС 5-4) 1.111.1-4.1-3.0.0.0 СБ Оголовок свайный (ОС 5-3; ОС 5-4) сборочный чертеж 1.111.1-4.1-4.0.0.0 Оголовок свайный (ОС 6-2; ОС 7-3) 1.111.1-4.1-4.0.0.0 СБ Оголовок свайный (ОС 6-2; ОС 7-3) сборочный чертеж 1.111.1-4.1-1.1.0.0 Каркас пространственный (КП 1-1; КП 1-3; КП 2-3; КП 2-4) 1.111.1-4.1-1.1.0.0 СБ Каркас пространственный (КП 1-1; КП 1-3; КП 2-3; КП 2-4) сборочный чертеж 1.111.1-4.1-2.1.0.0 Каркас пространственный (КП 3-1; КП 3-3; КП 4-3; КП 4-4) 1.111.1-4.1-2.1.0.0 СБ Каркас пространственный (КП 3-1; КП 3-3; КП 4-3; КП 4-4) сборочный чертеж 1.111.1-4.1-3.1.0.0 Каркас пространственный (КП 5-3; КП 5-4) 1.111.1-4.1-3.1.0.0 СБ Каркас пространственный (КП 5-3; КП 5-4) сборочный чертеж 1.111.1-4.1-4.1.0.0 Каркас пространственный (КП 6-2; КП 7-3) 1.111.1-4.1-4.1.0.0 СБ Каркас пространственный (КП 6-2; КП 7-3) сборочный чертеж 1.111.1-4.1-1.1.1..0 Сетка арматурная (С1…С4) 1.111.1-4.1-1.1.1.0 СБ Сетка арматурная (С1…С4) сборочный чертеж 1.111.1-4.1-2.1.1.0 Сетка арматурная (С5…С8) 1.111.1-4.1-2.1.1.0 СБ Сетка арматурная (С5…С8) сборочный чертеж 1.111.1-4.1-3.1.1.0 Сетка арматурная (С9,С10) 1.111.1-4.1-3.1.1.0 СБ Сетка арматурная (С9,С10) сборочный чертеж 1.111.1-4.1-1.1.2.0 Сетка арматурная (С11…С14) 1.111.1-4.1-1.1.2.0 СБ Сетка арматурная (С11…С14) сборочный чертеж 1.111.1-4.1-2.1.0.1 Стержень гнутый (СГ1…СГ6). Петля (П1; П2; П3) 1.111.1-4.1-0.0.0.0 ВС Ведомость расхода стали 1.111.1-4.1-0.0.0.0 Ведомость расхода материалов |
| Разработан: | ЛенЗНИИЭП Госгражданстроя |
| Утверждён: | 20.05.1983 Госгражданстрой (Gosgrazhdanstroy 148) |
| Принят: | НИИОСП им. Н.М. Герсеванова Госстроя СССР (Gersevanov NIIOSP, USSR Gosstroy ) |
| Нормативные ссылки: |
|















































