Скачать Серия 1.111.1-4 Выпуск 2. Оголовки с платформенным опиранием на сваю. Материалы для проектирования и рабочие чертежиДата актуализации: 01.01.2021
|
| Обозначение: | Серия 1.111.1-4 |
| Обозначение англ: | Series 1.111.1-4 |
| Статус: | действует |
| Название рус.: | Выпуск 2. Оголовки с платформенным опиранием на сваю. Материалы для проектирования и рабочие чертежи |
| Дата добавления в базу: | 01.09.2013 |
| Дата актуализации: | 01.01.2021 |
| Дата введения: | 15.12.1988 |
| Область применения: | Оголовки с платформенным опиранием на сваи предназначены для проектирования и строительства свайных фундаментов жилых и общественных зданий на обычных и вечномерзлых грунтах |
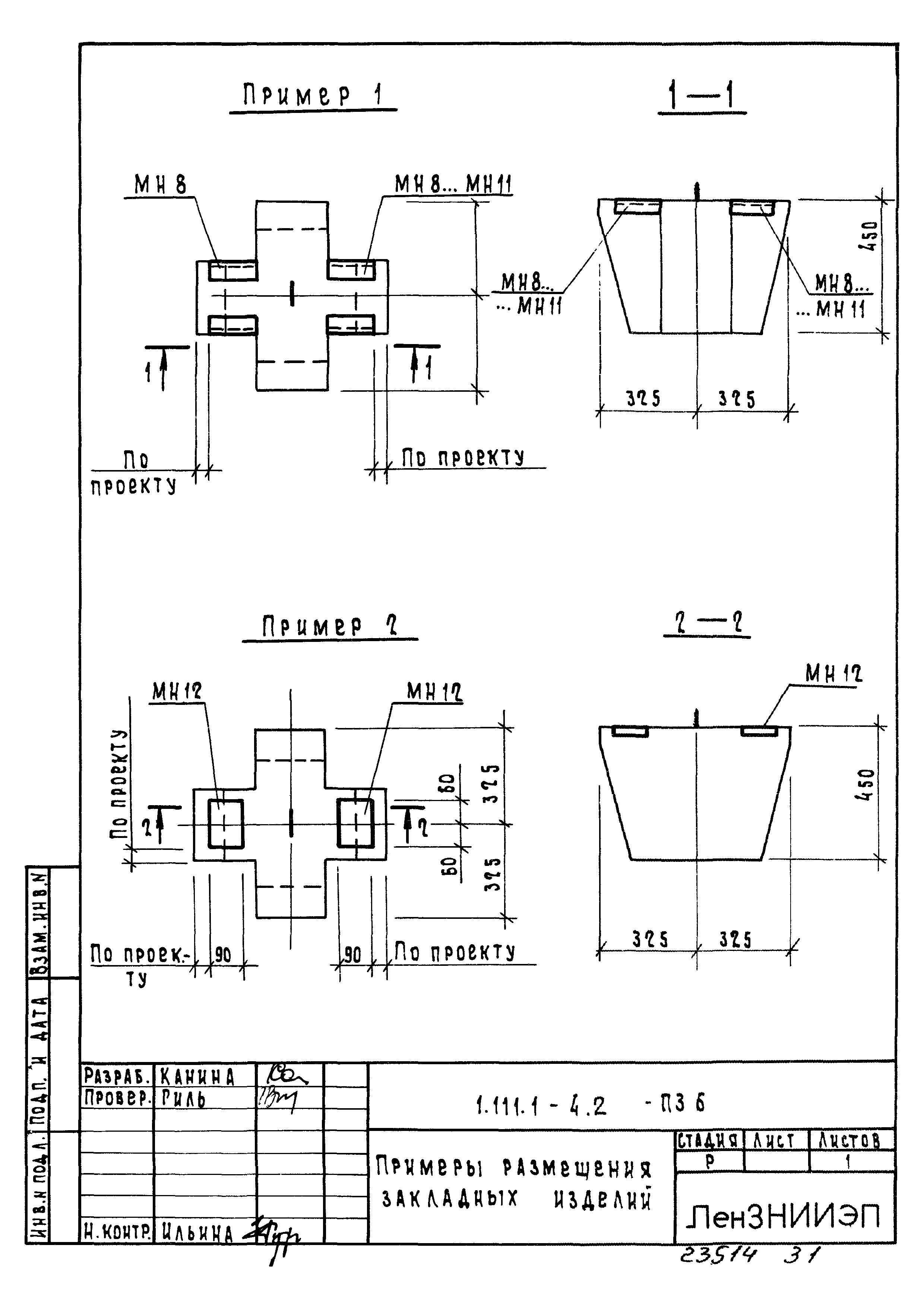
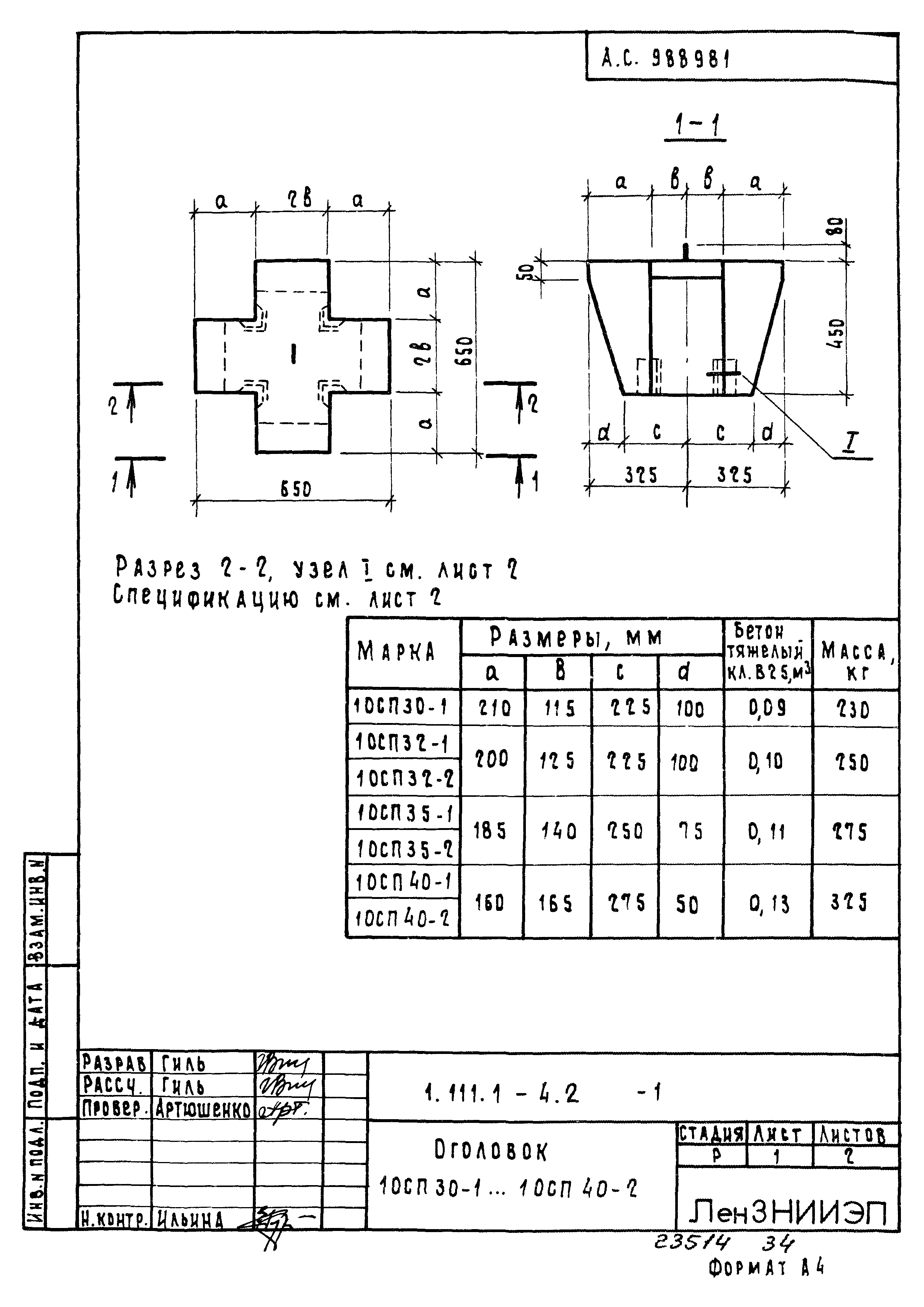
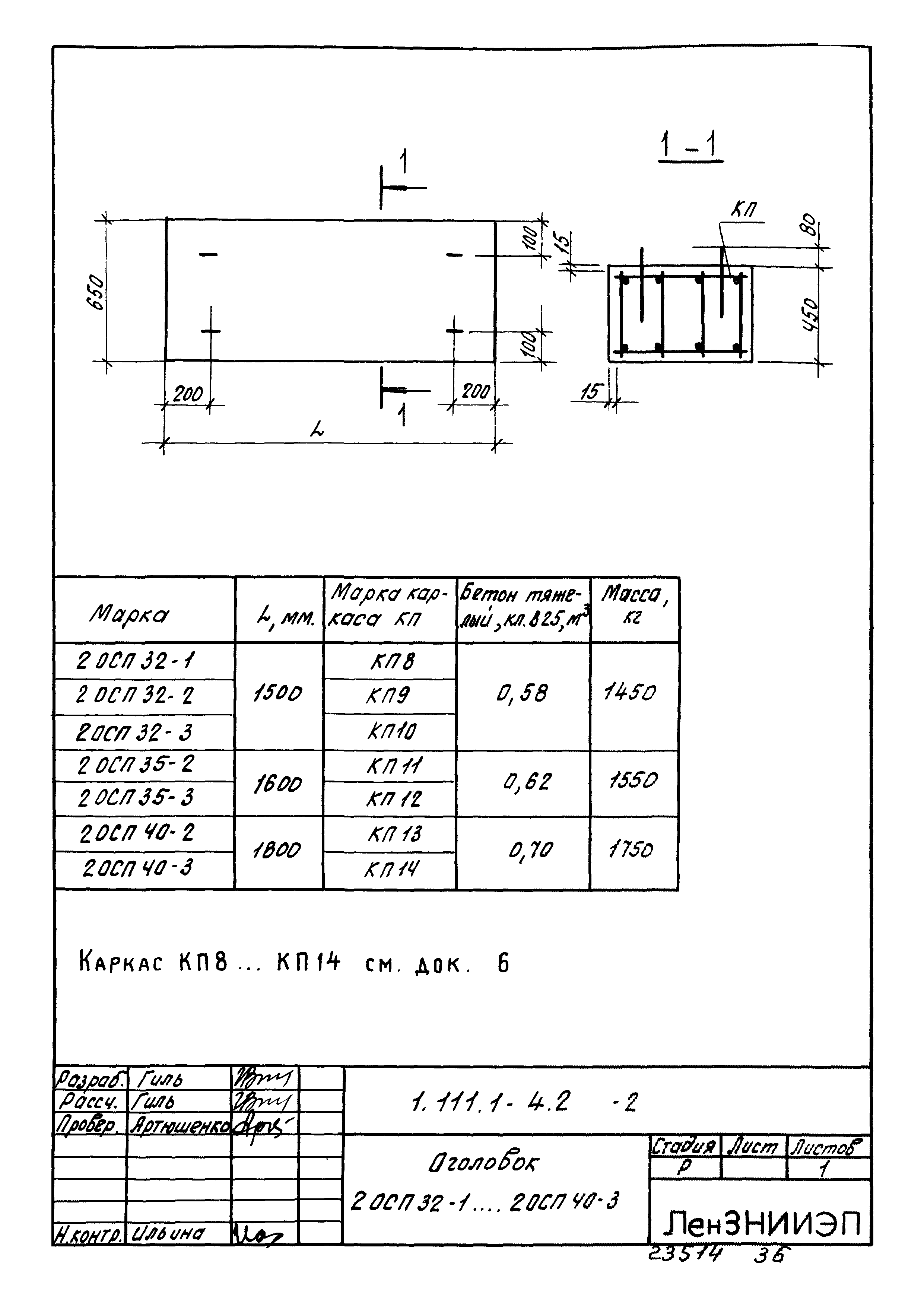
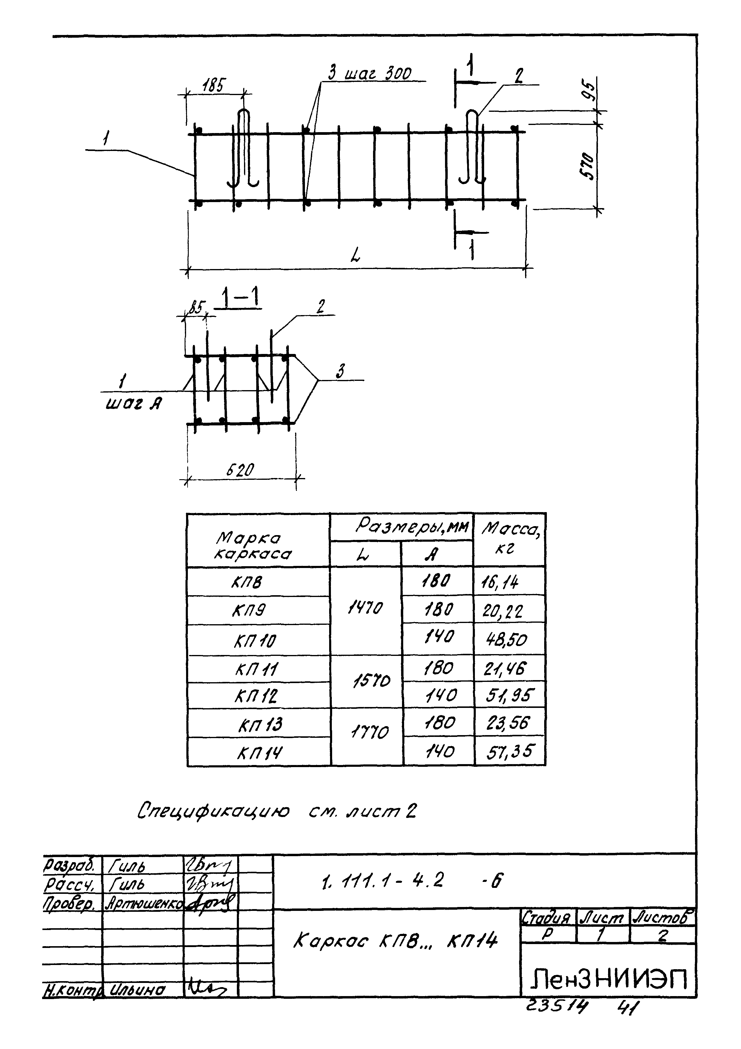
| Оглавление: | 1.111.1-4.2-ПЗ1 Пояснительная записка 1.111.1-4.2-ПЗ2 Рекомендуемая последовательность выполнения работ по монтажу оголовков 10СП… 1.111.1-4.2-ПЗ3 Пример выполнения стыкового соединения оголовков 20СП…40СП со сваями 1.111.1-4.2-ПЗ4 Расчетные схемы оголовков 1.111.1-4.2-ПЗ5 Графики несущей способности оголовков 10СП30-1…10СП40-2 1.111.1-4.2-ПЗ6 Примеры размещения закладных изделий 1.111.1-4.2-НИ Номенклатура изделий 1.111.1-4.2-1 Оголовок 10СП30-1…10СП40-2 1.111.1-4.2-2 Оголовок 20СП32-1…10СП40-3 1.111.1-4.2-3 Оголовок 30СП32-1…30СП40-3 1.111.1-4.2-4 Оголовок 40СП32-1…40СП40-3 1.111.1-4.2-5 Каркас КП1…КП7 1.111.1-4.2-6 Каркас КП8…КП14 1.111.1-4.2-7 Каркас КП15…КП21 1.111.1-4.2-8 Каркас КП22…КП28 1.111.1-4.2-9 Каркас КР1…КР4 1.111.1-4.2-10 Каркас КР5…КР8 1.111.1-4.2-11 Каркас КР9…КР12 1.111.1-4.2-12 Каркас КР13…КР15 1.111.1-4.2-13 Каркас КР16…КР19 1.111.1-4.2-14 Сетка С1…С4 1.111.1-4.2-15 Сетка С5…С8 1.111.1-4.2-16 Сетка С9…С11 1.111.1-4.2-17 Сетка С12…С15 1.111.1-4.2-18 Изделие накладное МН1…МН7 1.111.1-4.2-19 Изделие накладное МН8…МН11 1.111.1-4.2-20 Изделие накладное МН12 1.111.1-4.2-21 Петля П1 1.111.1-4.2-22 Петля П1, П2 1.111.1-4.2-23 Отдельные стержни ОС1…ОС7 1.111.1-4.2-Р6 Ведомость расхода стали |
| Разработан: | ЛенЗНИИЭП Госгражданстроя |
| Утверждён: | 25.11.1988 Госкомархитектура (314) |
| Издан: | ЦИТП Госстроя СССР (CITP, Gosstroy (USSR) 1989 г. ) |
| Нормативные ссылки: |
|






























































