Скачать Серия 1.412.1-7 Выпуск 0-1. Материалы для проектированияДата актуализации: 01.01.2021
|
| Обозначение: | Серия 1.412.1-7 |
| Обозначение англ: | Series 1.412.1-7 |
| Статус: | не определен законодательством |
| Название рус.: | Выпуск 0-1. Материалы для проектирования |
| Дата добавления в базу: | 01.09.2013 |
| Дата актуализации: | 01.01.2021 |
| Дата введения: | 01.09.1989 |
| Дата окончания срока действия: | 30.06.2003 |
| Область применения: | Серия содержит чертежи монолитных железобетонных фундаментов под железобетонные и стальные колонны фахверка перегородок серии 1.030.9-2 |
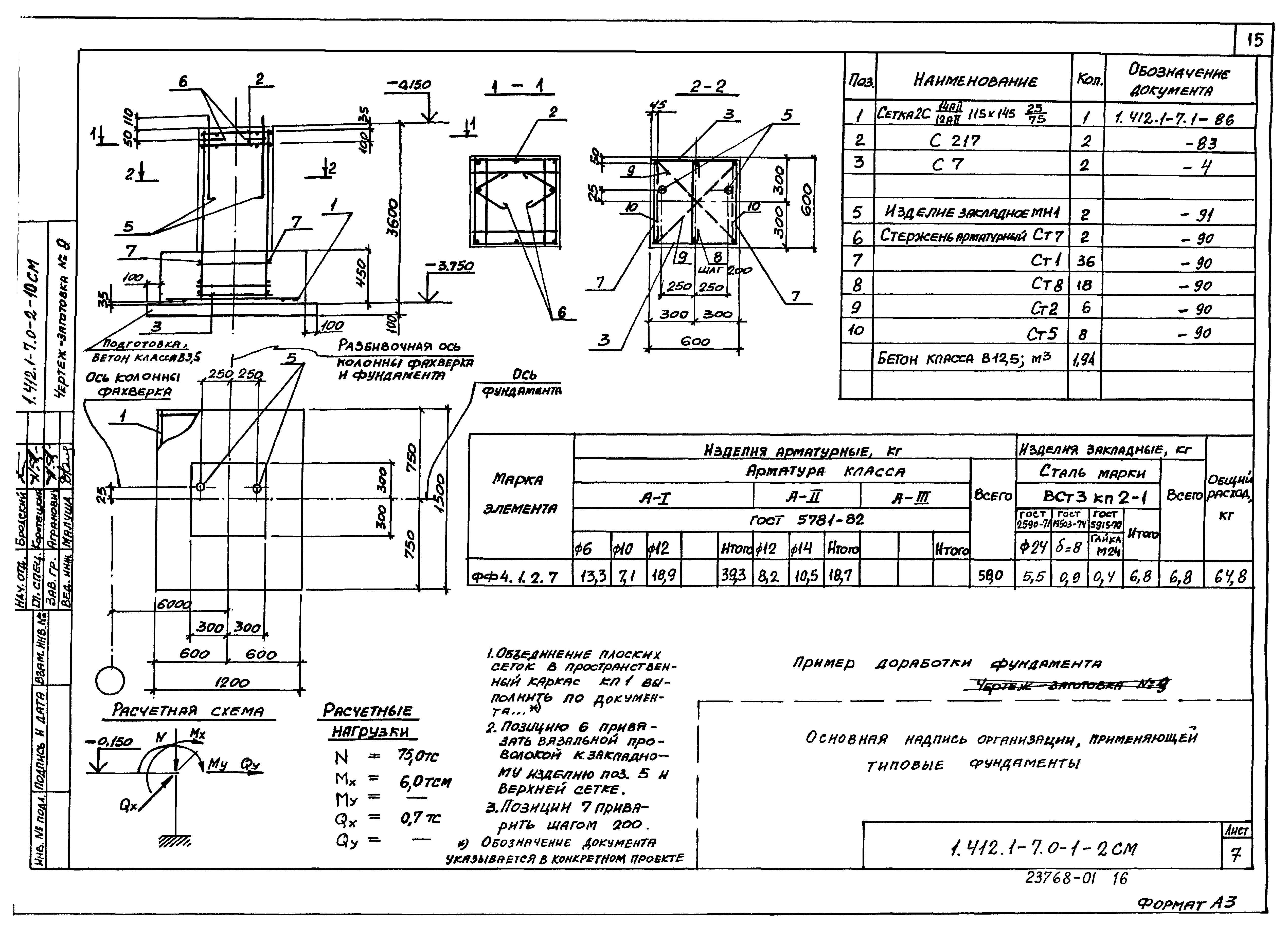
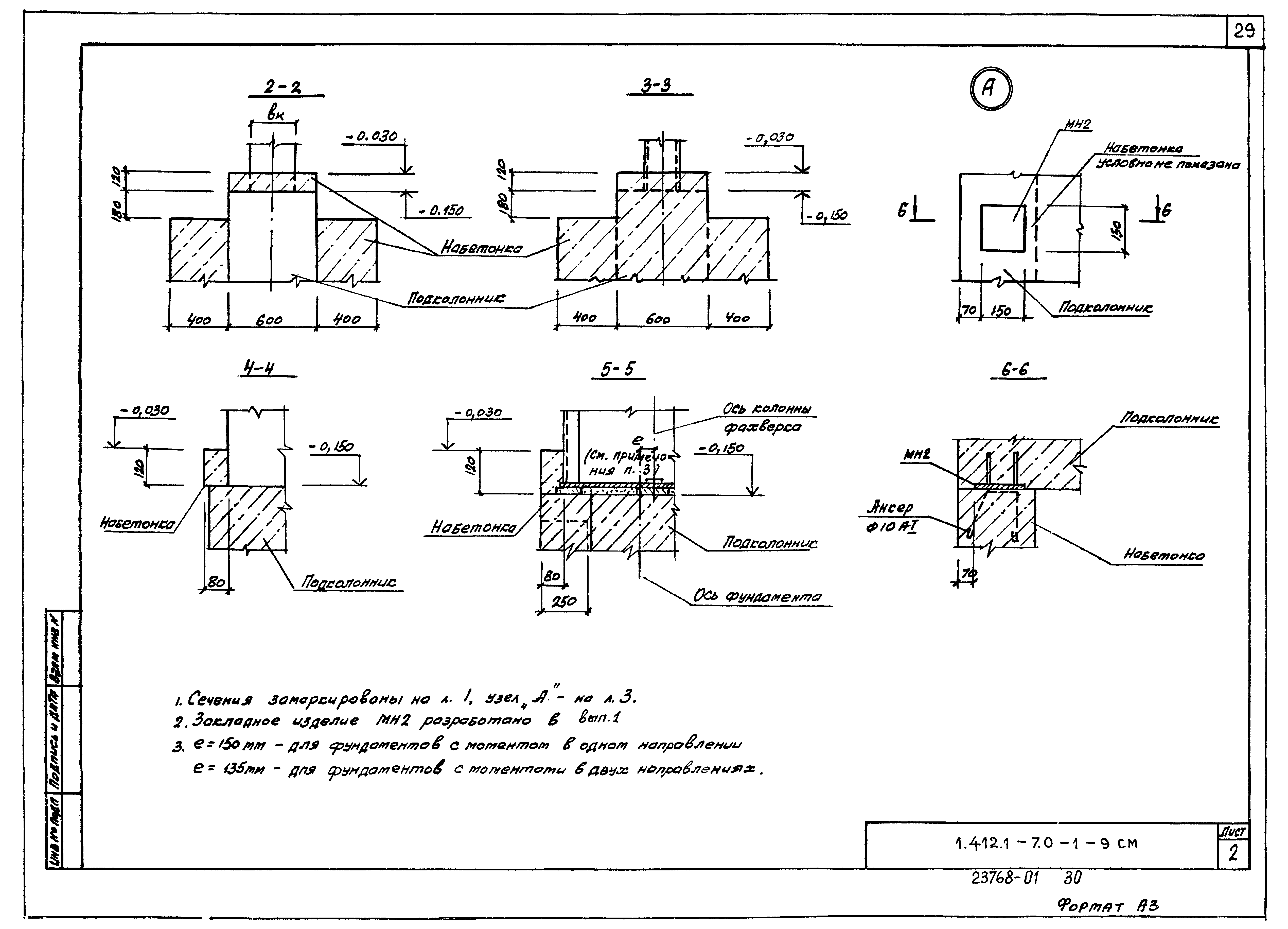
| Оглавление: | 1.412.1-7.0-1-1 ПЗ Пояснительная записка 1.412.1-7.0-1-2 СМ Пример подбора и доработки фундамента 1.412.1-7.0-1-3 НИ Номенклатура фундаментов 1.412.1-7.0-1-4 СМ График подбора типоразмеров фундаментных плит 1.412.1-7.0-1-5 СМ График подбора высот и арматурных сеток фундаментных плит 1.412.1-7.0-1-6 СМ График подбора вертикальной арматуры в подколонниках 1.412.1-7.0-1-7 СМ Ключ для подбора марок вертикальных сеток подколонника при действии моментав одном направлении 1.412.1-7.0-1-8 СМ Ключ для подбора марок вертикальных сеток подколонника при действии моментов в двух направлениях 1.412.1-7.0-1-9 СМ Схемы набетонок на фундаментах |
| Разработан: | Харьковский Промстройниипроект |
| Утверждён: | 25.05.1988 Госстрой СССР (Государственный комитет Совета Министров СССР по делам строительства) (USSR Gosstroy 6/6-1087) |
| Издан: | ЦИТП Госстроя СССР (CITP, Gosstroy (USSR) 1989 г. ) |
| Нормативные ссылки: |
|






























