Скачать Серия 1.412.1-7 Выпуск 0-2. Материалы для проектирования. Чертежи-заготовкиДата актуализации: 01.01.2021
|
| Обозначение: | Серия 1.412.1-7 |
| Обозначение англ: | Series 1.412.1-7 |
| Статус: | не определен законодательством |
| Название рус.: | Выпуск 0-2. Материалы для проектирования. Чертежи-заготовки |
| Дата добавления в базу: | 01.09.2013 |
| Дата актуализации: | 01.01.2021 |
| Дата введения: | 01.09.1989 |
| Дата окончания срока действия: | 30.06.2003 |
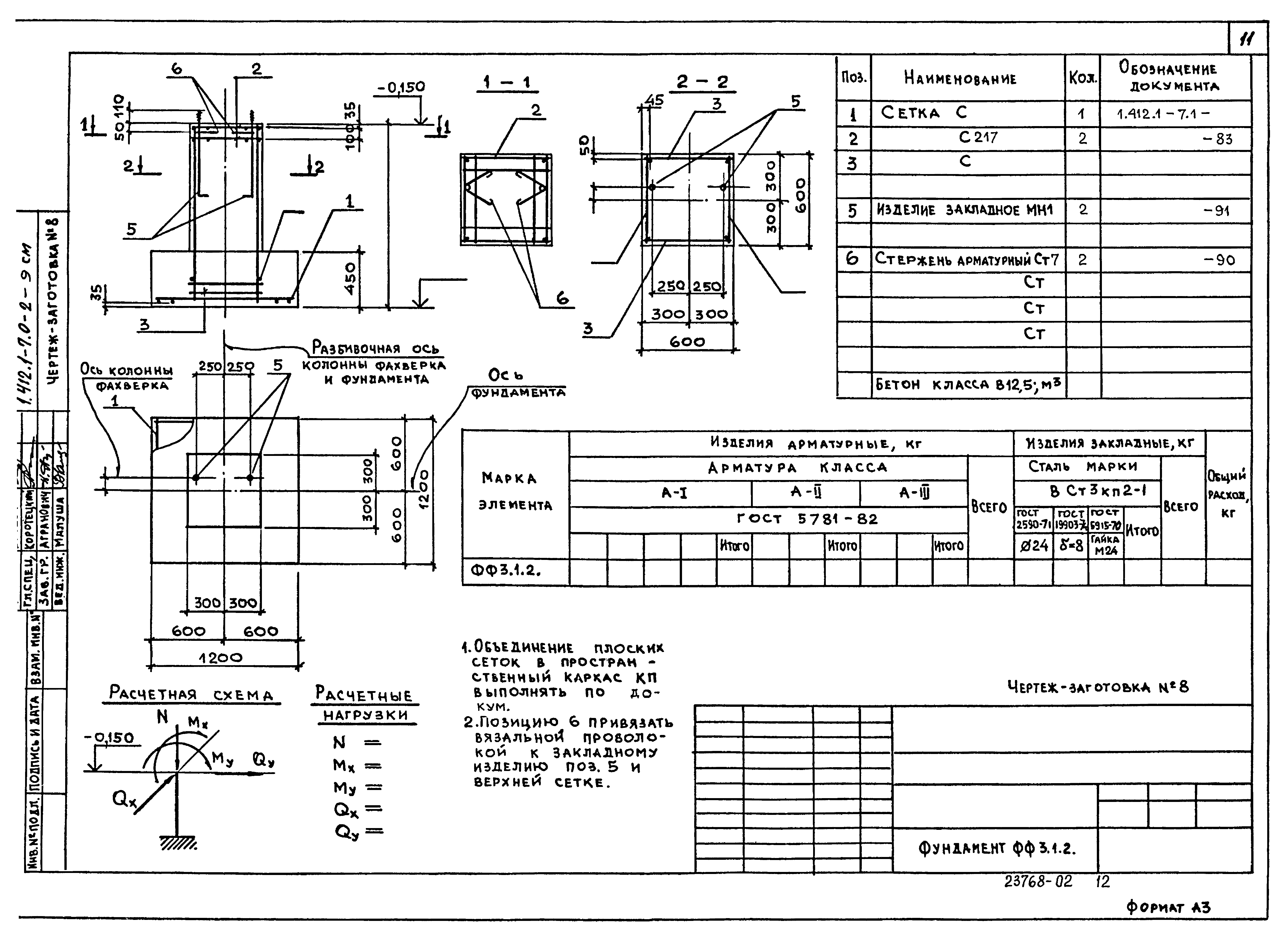
| Область применения: | В настоящем выпуске 0-2 серии 1.412.1-7 разработаны чертежи-заготовки монолитных железобетонных фундаментов на естественном основании под колонны фахверка перегородок, чертежи-заготовки пространственных каркасов, таблица-заготовка для подбора фундаментов |
| Оглавление: | 1.412.1-7.0-2-1 ПЗ Пояснительная записка 1.412.1-7.0-2-2 СМ Чертеж заготовка №1 1.412.1-7.0-2-3 СМ Чертеж заготовка №2 1.412.1-7.0-2-4 СМ Чертеж заготовка №3 1.412.1-7.0-2-5 СМ Чертеж заготовка №4 1.412.1-7.0-2-6 СМ Чертеж заготовка №5 1.412.1-7.0-2-7 СМ Чертеж заготовка №6 1.412.1-7.0-2-8 СМ Чертеж заготовка №7 1.412.1-7.0-2-9 СМ Чертеж заготовка №8 1.412.1-7.0-2-10 СМ Чертеж заготовка №9 1.412.1-7.0-2-11 СМ Чертеж заготовка №10 1.412.1-7.0-2-12 СМ Чертеж заготовка №11 1.412.1-7.0-2-13 СМ Чертеж заготовка №12 1.412.1-7.0-2-14 СМ Чертеж заготовка №13 1.412.1-7.0-2-15 СМ Чертеж заготовка №14 1.412.1-7.0-2-16 СМ Чертеж заготовка №15 1.412.1-7.0-2-17 СМ Чертеж заготовка №16 1.412.1-7.0-2-18 СМ Чертеж заготовка №17 1.412.1-7.0-2-19 СМ Чертеж заготовка №18 1.412.1-7.0-2-20 СМ Чертеж заготовка №19 1.412.1-7.0-2-21 СМ Чертеж заготовка №20 1.412.1-7.0-2-22 СМ Чертеж заготовка №21 1.412.1-7.0-2-23 СМ Чертеж заготовка №22 1.412.1-7.0-2-24 СМ Чертеж заготовка №23 1.412.1-7.0-2-25 СМ Чертеж заготовка №24 1.412.1-7.0-2-26 СМ Таблица-заготовка для подбора фундаметнов |
| Разработан: | Харьковский Промстройниипроект |
| Утверждён: | 25.05.1988 Госстрой СССР (Государственный комитет Совета Министров СССР по делам строительства) (USSR Gosstroy 6/6-1087) |
| Издан: | ЦИТП Госстроя СССР (CITP, Gosstroy (USSR) 1989 г. ) |
| Нормативные ссылки: |
|






























