Скачать Серия 1.411.1-6 Выпуск 2. Ростверки. Арматурные и закладные изделия. Рабочие чертежиДата актуализации: 01.01.2021
|
| Обозначение: | Серия 1.411.1-6 |
| Обозначение англ: | Series 1.411.1-6 |
| Статус: | не определен законодательством |
| Название рус.: | Выпуск 2. Ростверки. Арматурные и закладные изделия. Рабочие чертежи |
| Дата добавления в базу: | 01.09.2013 |
| Дата актуализации: | 01.01.2021 |
| Дата введения: | 07.09.1992 |
| Дата окончания срока действия: | 30.06.2003 |
| Область применения: | Выпуск 2 серии 1.411.1-б содержит рабочие чертежи арматурных сеток ростверков и блоков фундаментных болтов свайных фундаментов под стальные колонны и рамы одноэтажных промышленных зданий из легких металлических конструкций комплектной поставки, разработанных в выпуске 0, 1 настоящей серии |
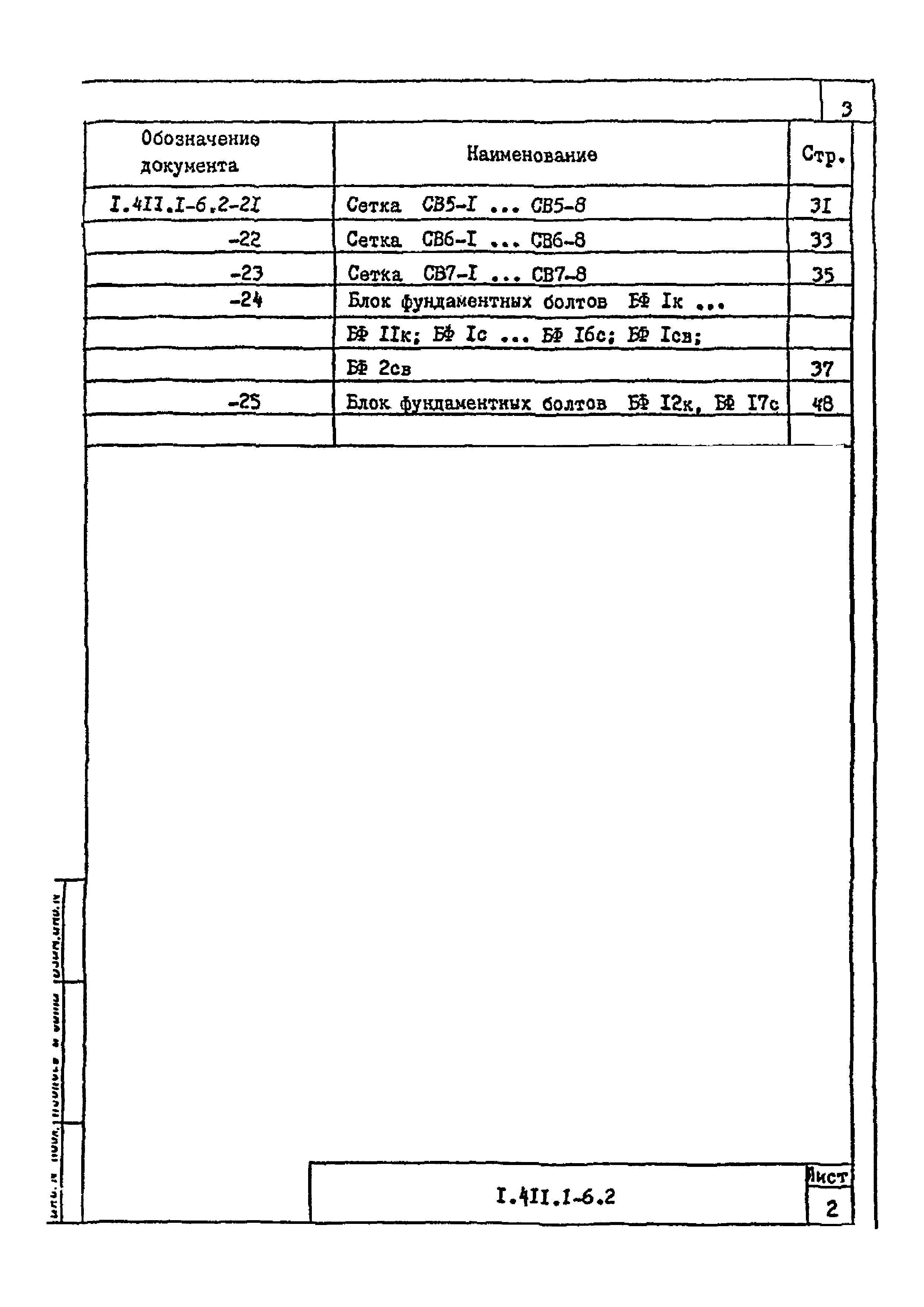
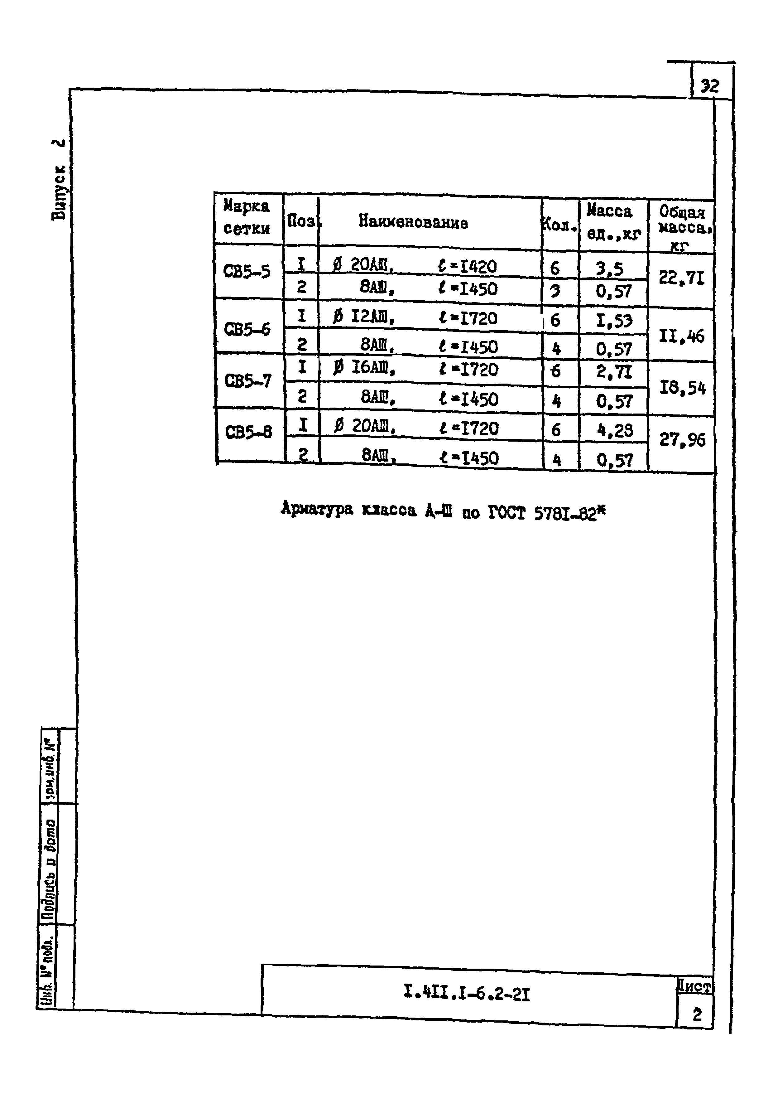
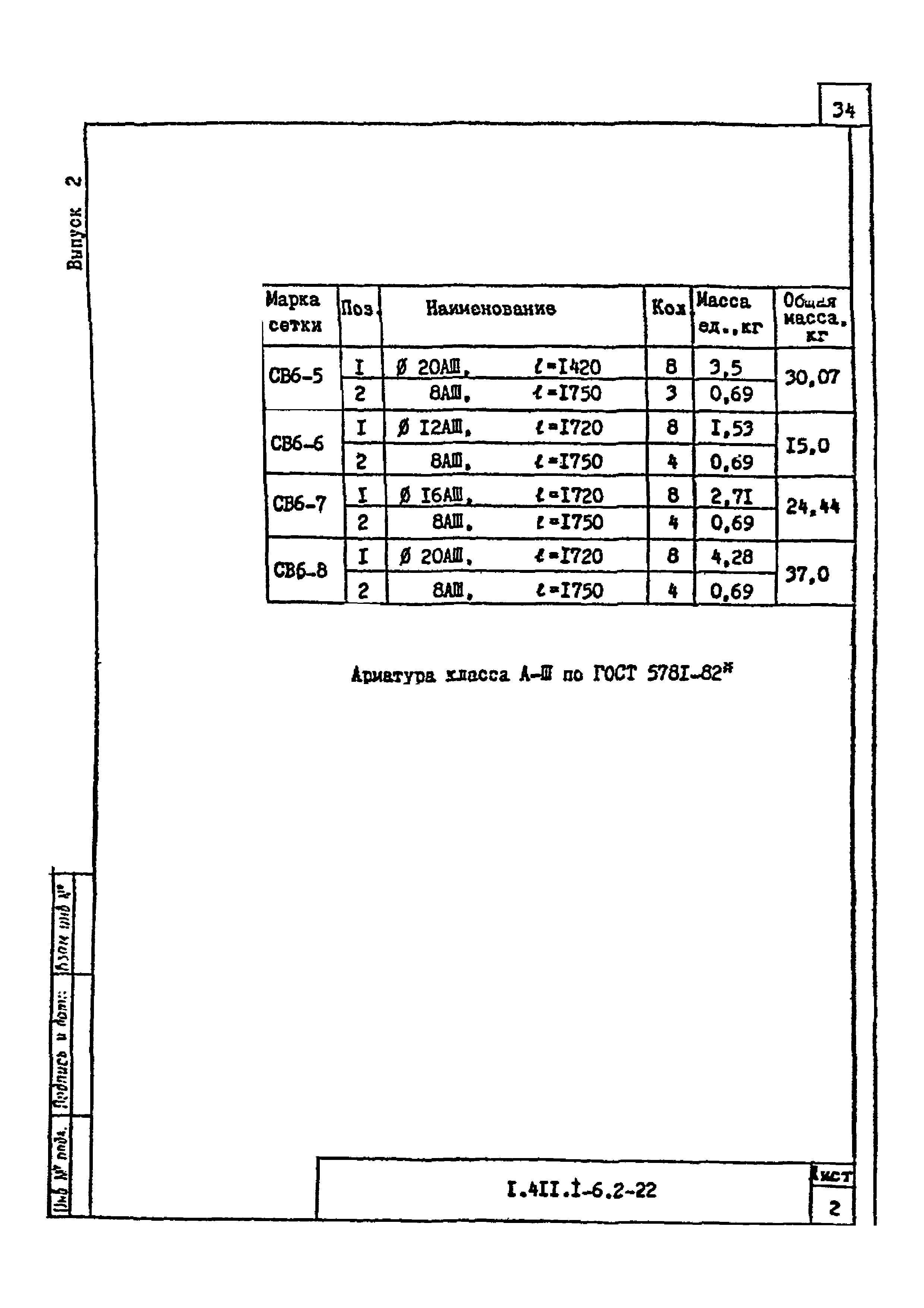
| Оглавление: | 1.411.1.-6.2-ТТ Технические требования 1.411.1.-6.2-1 Сетка С1… С7 1.411.1.-6.2-2 Сетка С8… С11 1.411.1.-6.2-3 Сетка С12… С19 1.411.1.-6.2-4 Сетка С20… С28 1.411.1.-6.2-5 Сетка С29… С37 1.411.1.-6.2-6 Сетка С38… С46 1.411.1.-6.2-7 Сетка С47… С55 1.411.1.-6.2-8 Сетка С56… С63 1.411.1.-6.2-9 Сетка С64… С67 1.411.1.-6.2-10 Сетка С68… С76 1.411.1.-6.2-11 Сетка С77… С85 1.411.1.-6.2-12 Сетка С86… С92 1.411.1.-6.2-13 Сетка С93… С99 1.411.1.-6.2-14 Сетка С100… С107 1.411.1.-6.2-15 Сетка С108… С114 1.411.1.-6.2-16 Сетка С115… С123 1.411.1.-6.2-17 Сетка СВI-I… CBI-8 1.411.1.-6.2-18 Сетка СВ2-I… CB2-8 1.411.1.-6.2-19 Сетка СВ3-I… CB3-8 1.411.1.-6.2-20 Сетка СВ4-I… CB4-8 1.411.1.-6.2-21 Сетка СВ5-I… CB5-8 1.411.1.-6.2-22 Сетка СВ6-I… CB6-8 1.411.1.-6.2-23 Сетка СВ7-I… CB7-8 1.411.1.-6.2-24 Блок фундаментных болтов БФ Iк… БФ IIк; БФ Iк… БФ I6к; БФ Iсв; БФ2св; 1.411.1.-6.2-25 Блок фундаментных болтов БФ I2к, БФ I7с |
| Разработан: | Дальневосточный Промстройниипроект Минстроя СССР |
| Утверждён: | 13.04.1992 Концерн РосВостокстрой |
| Нормативные ссылки: |
|

















































