Скачать 3РС 19-103 Изделия входов для первых нежилых этажей. Рабочие чертежиДата актуализации: 01.01.2021
|
| Обозначение: | 3РС 19-103 |
| Обозначение англ: | 3РС 19-103 |
| Статус: | не определен законодательством |
| Название рус.: | Изделия входов для первых нежилых этажей. Рабочие чертежи |
| Дата добавления в базу: | 01.09.2013 |
| Дата актуализации: | 01.01.2021 |
| Дата введения: | 31.03.2000 |
| Дата окончания срока действия: | 30.06.2003 |
| Область применения: | Альбом содержит рабочие чертежи железобетонных изделий входов, предназначенные для изготовления изделий и применения их в строительстве жилых домов серий П3М с первыми нежилыми этажами. |
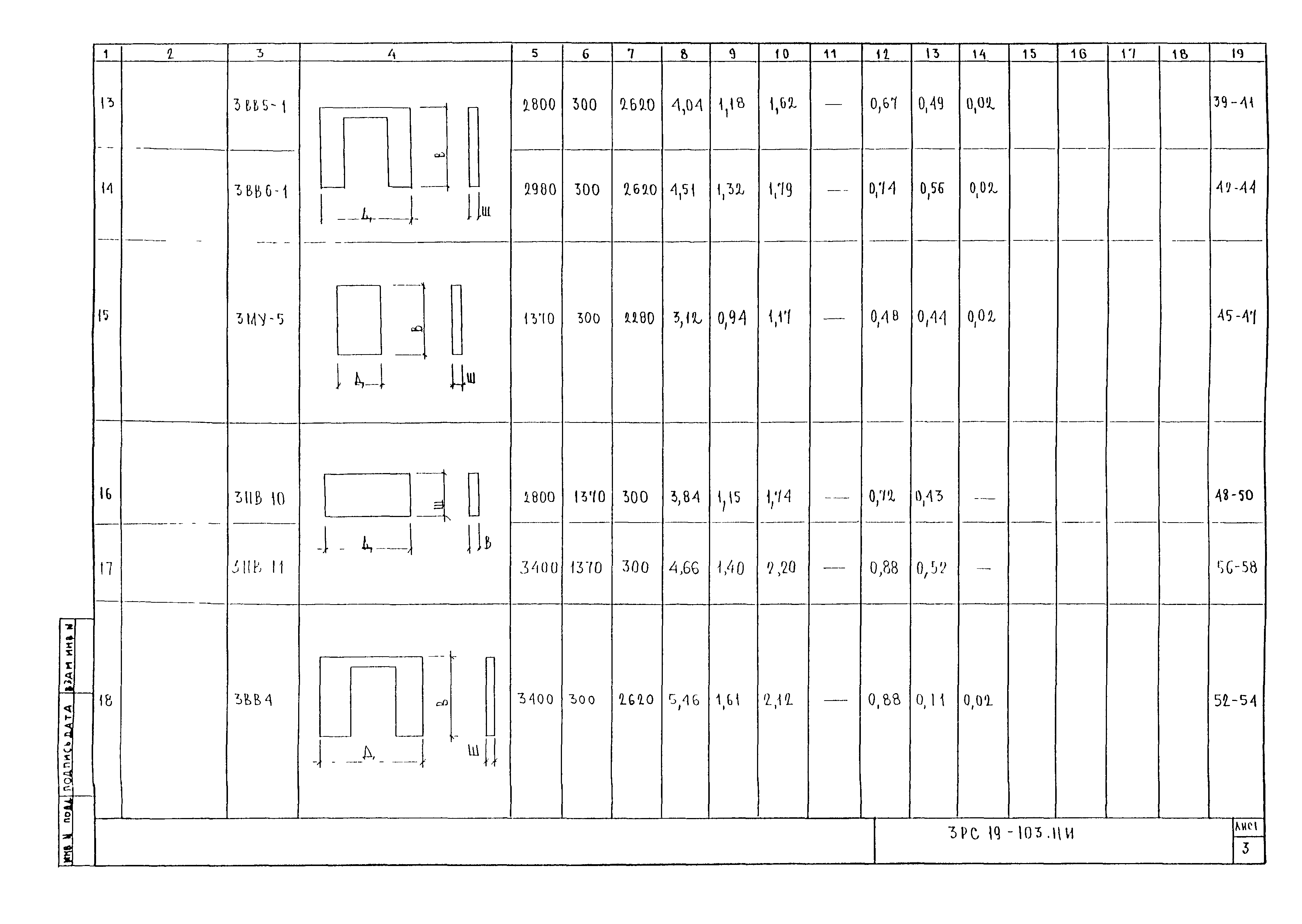
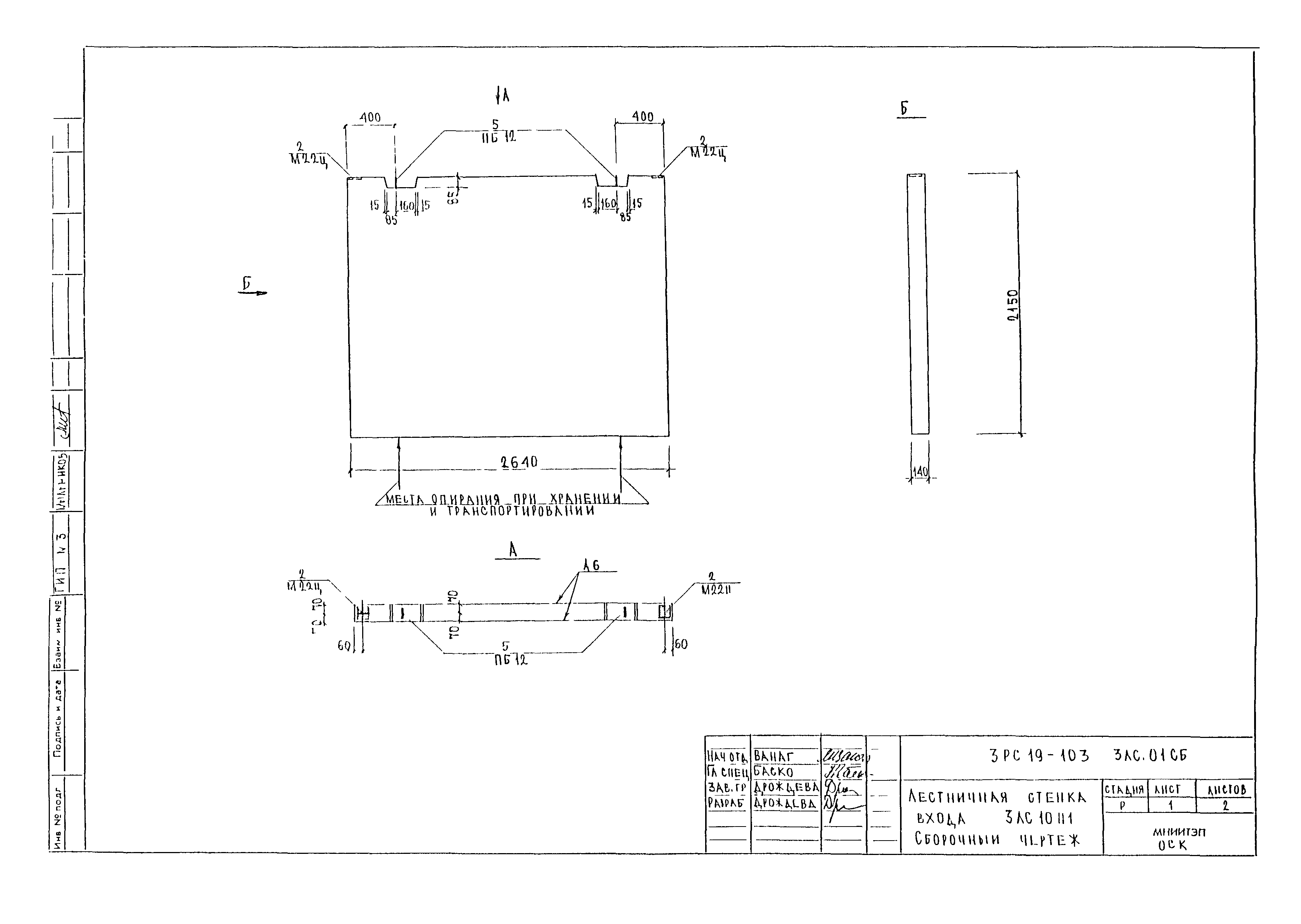
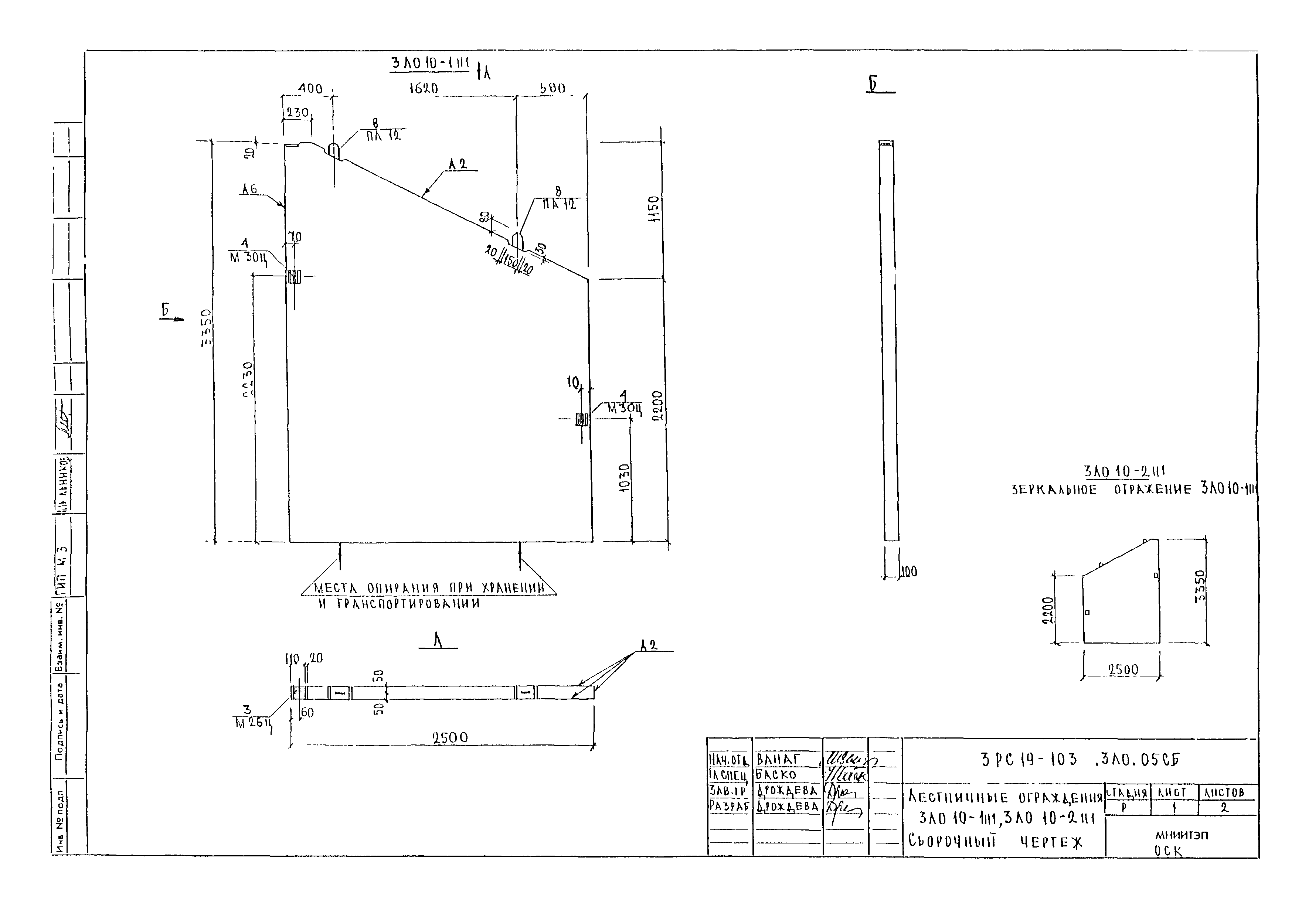
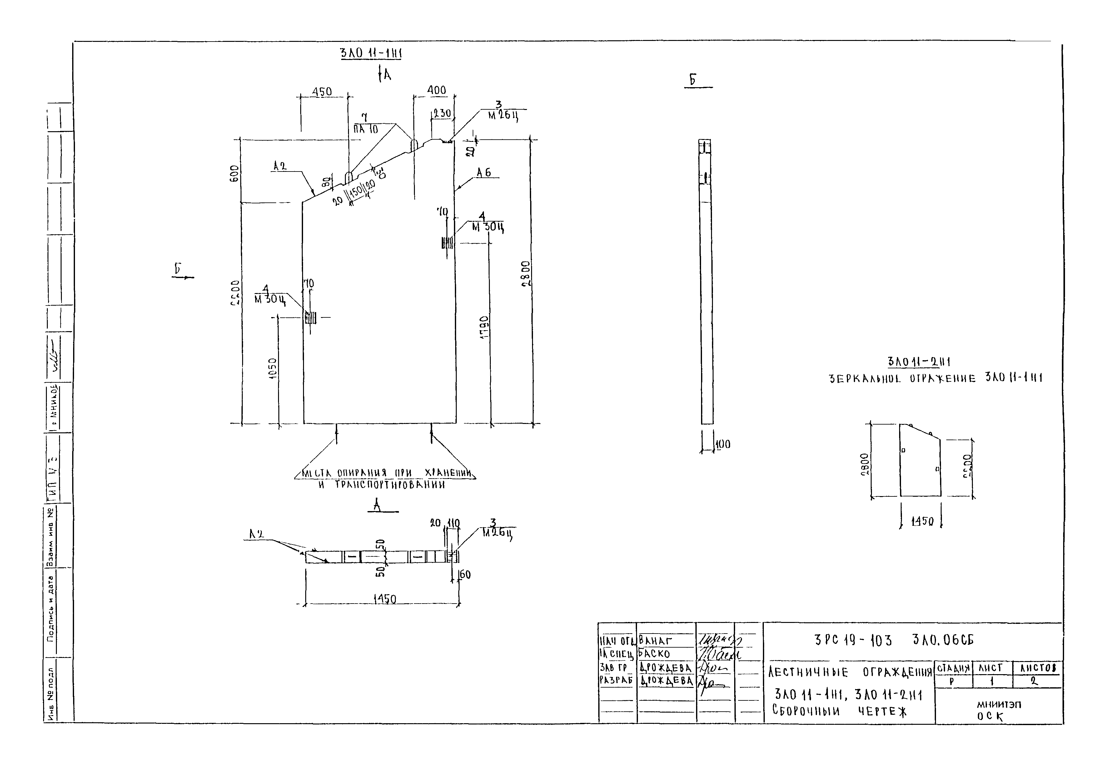
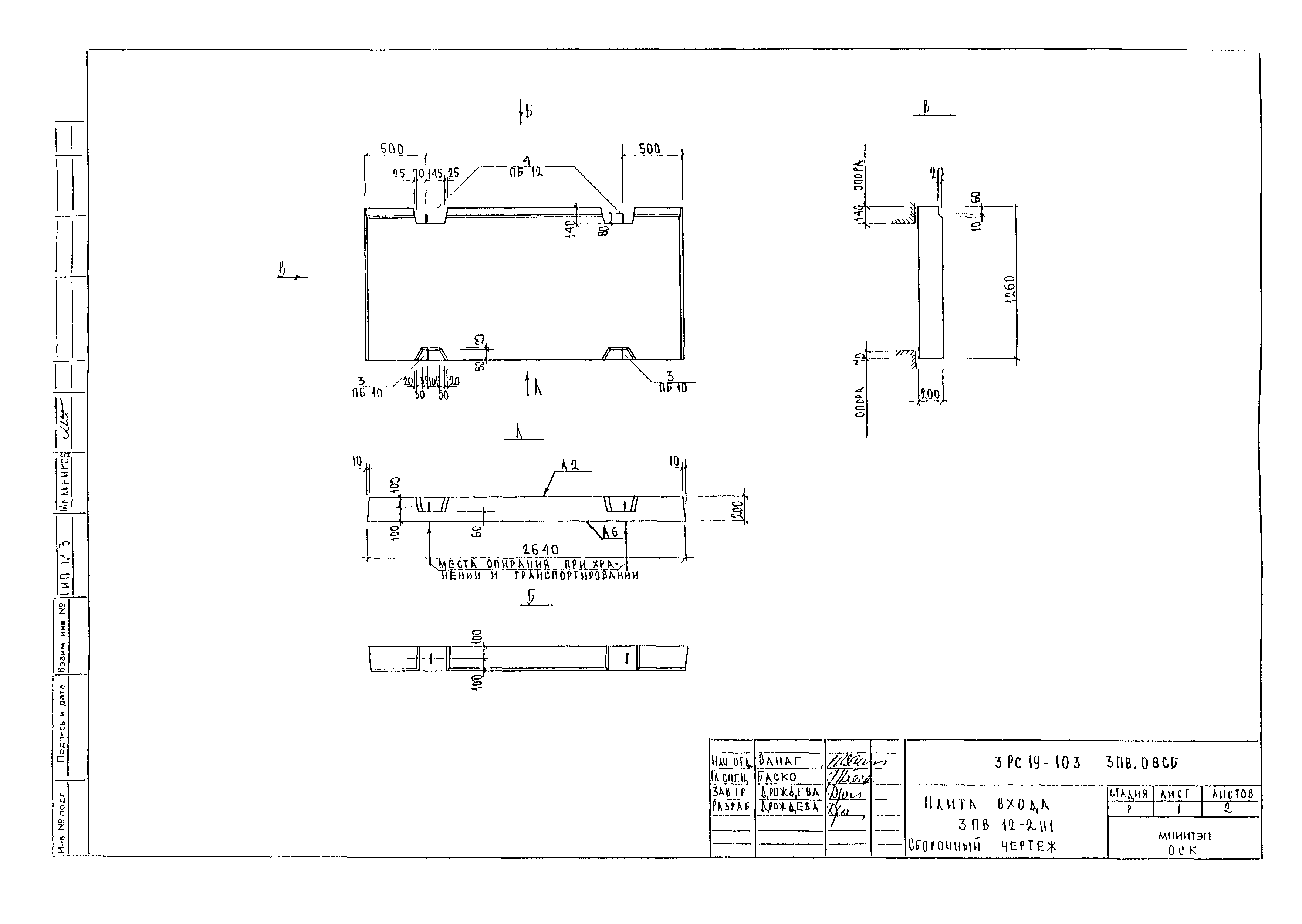
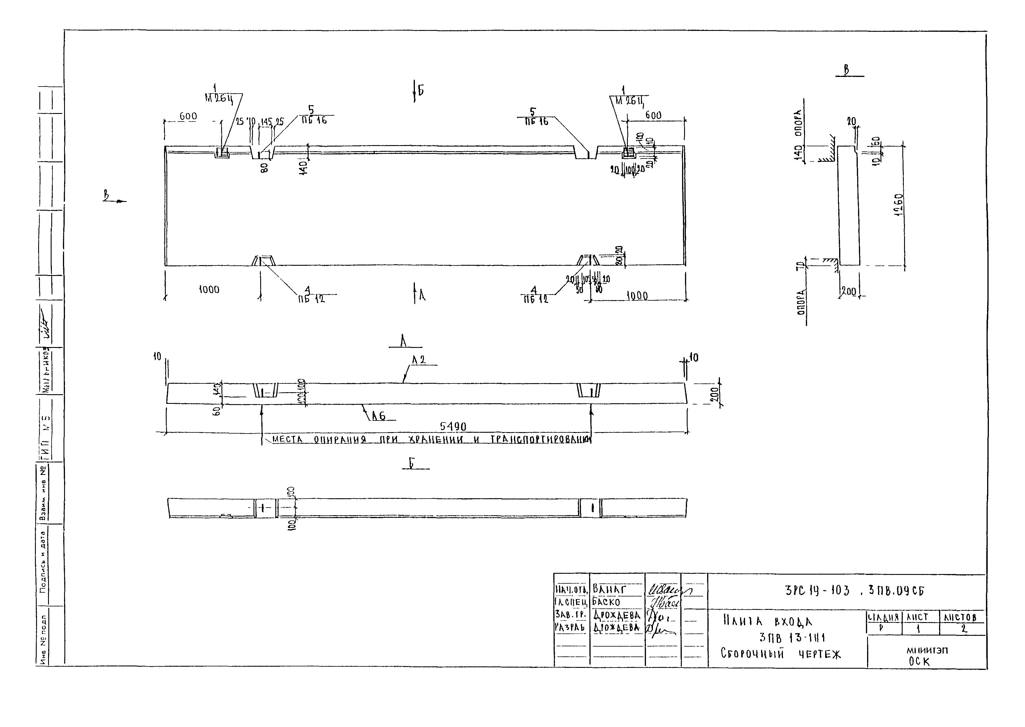
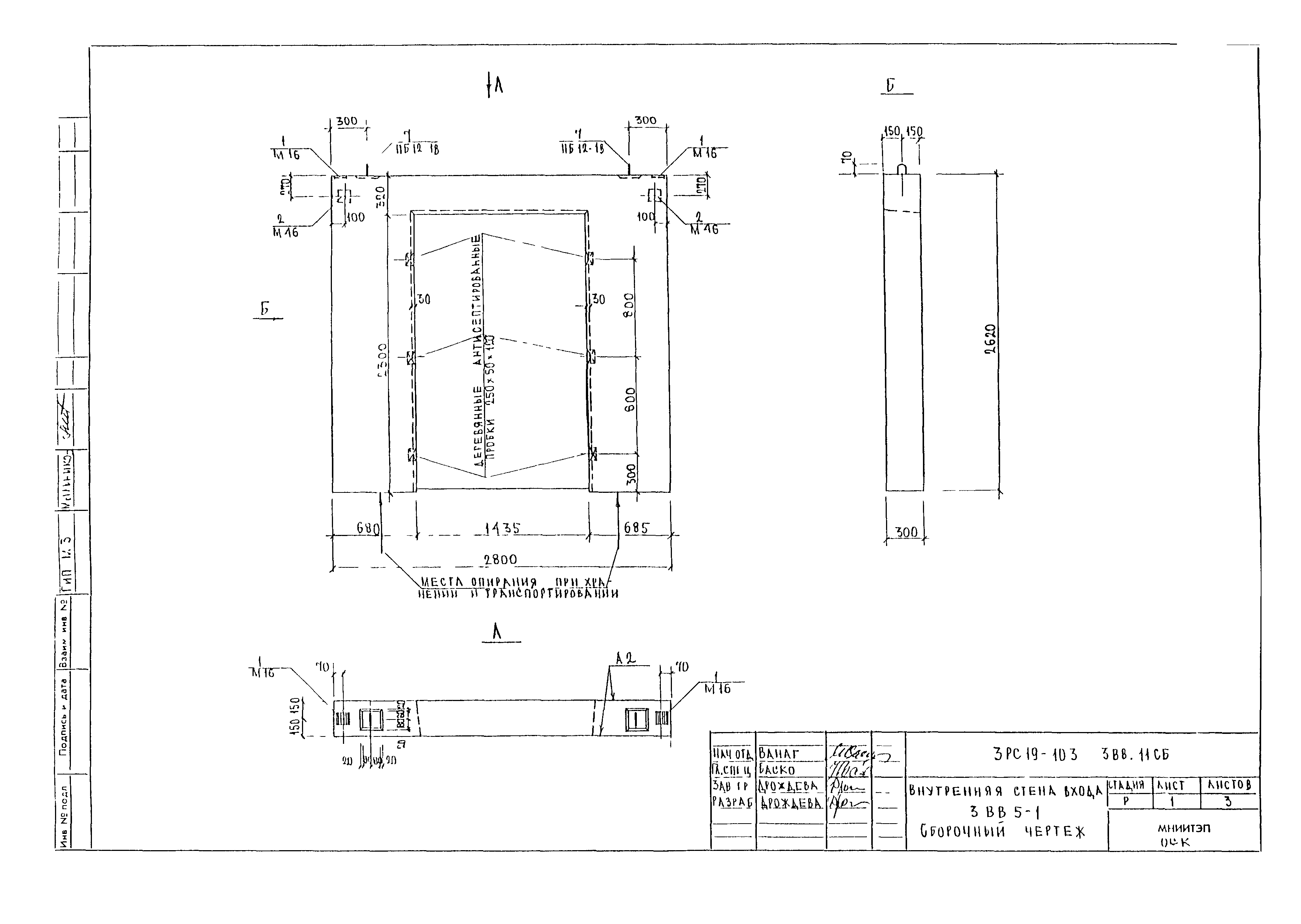
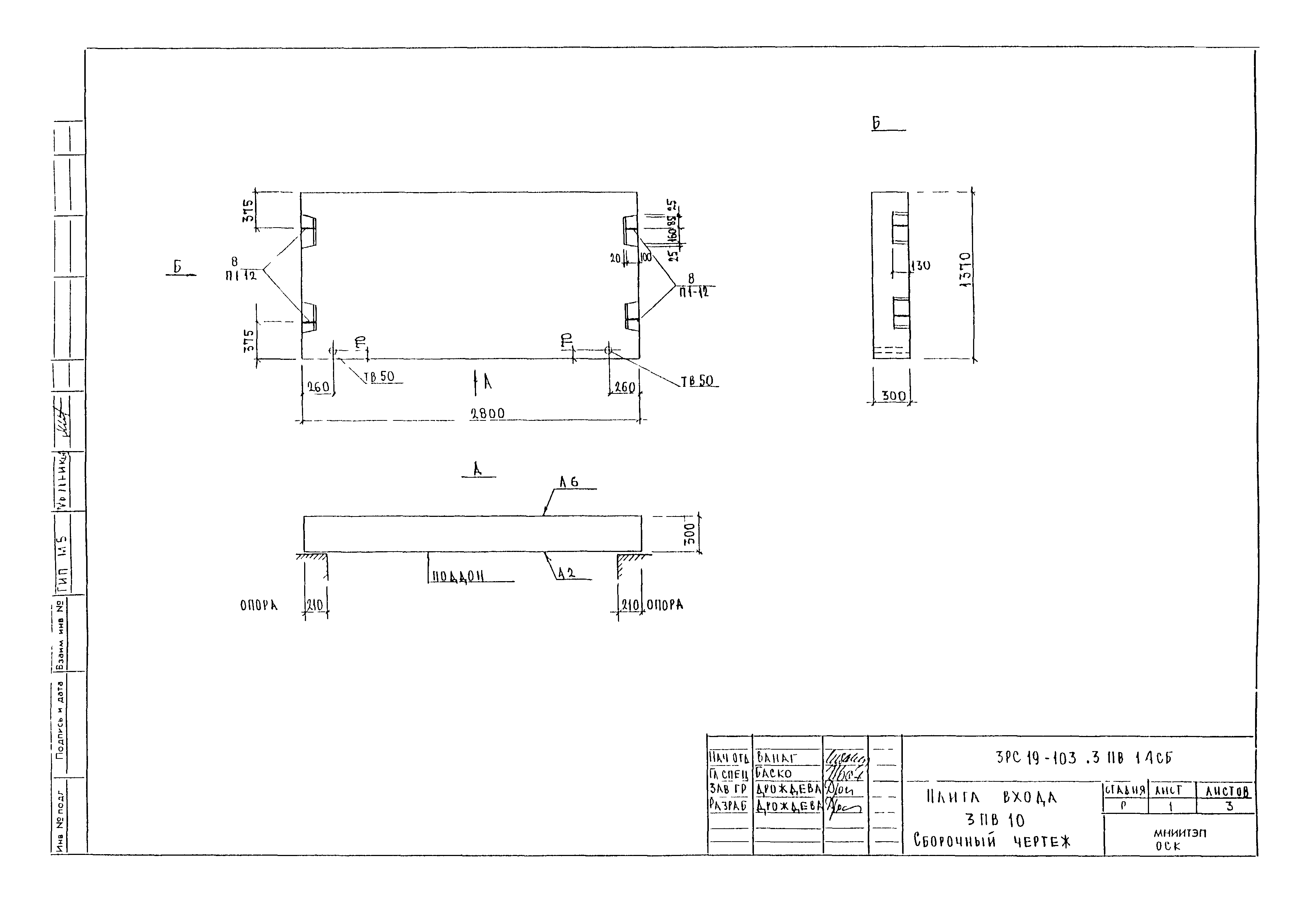
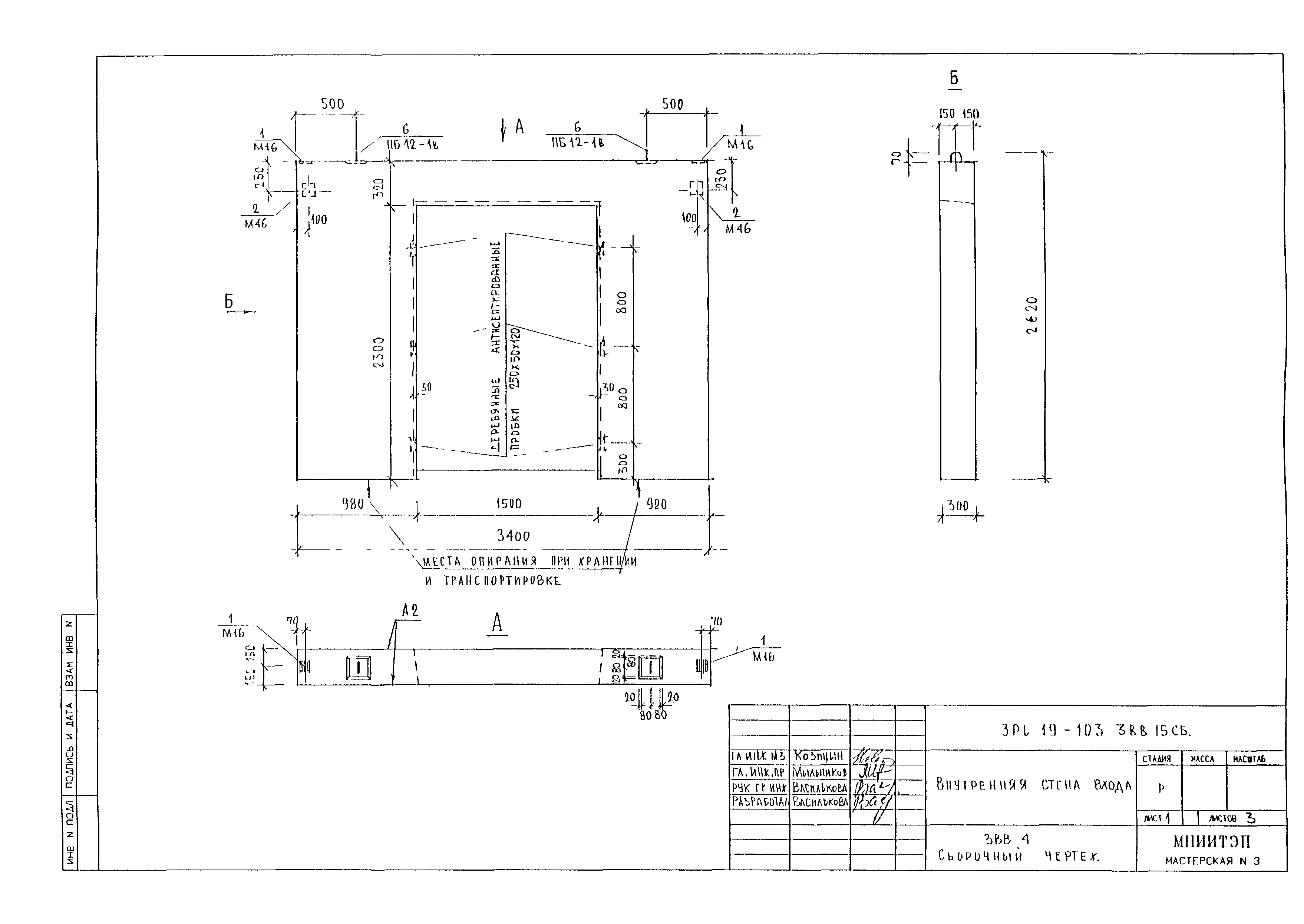
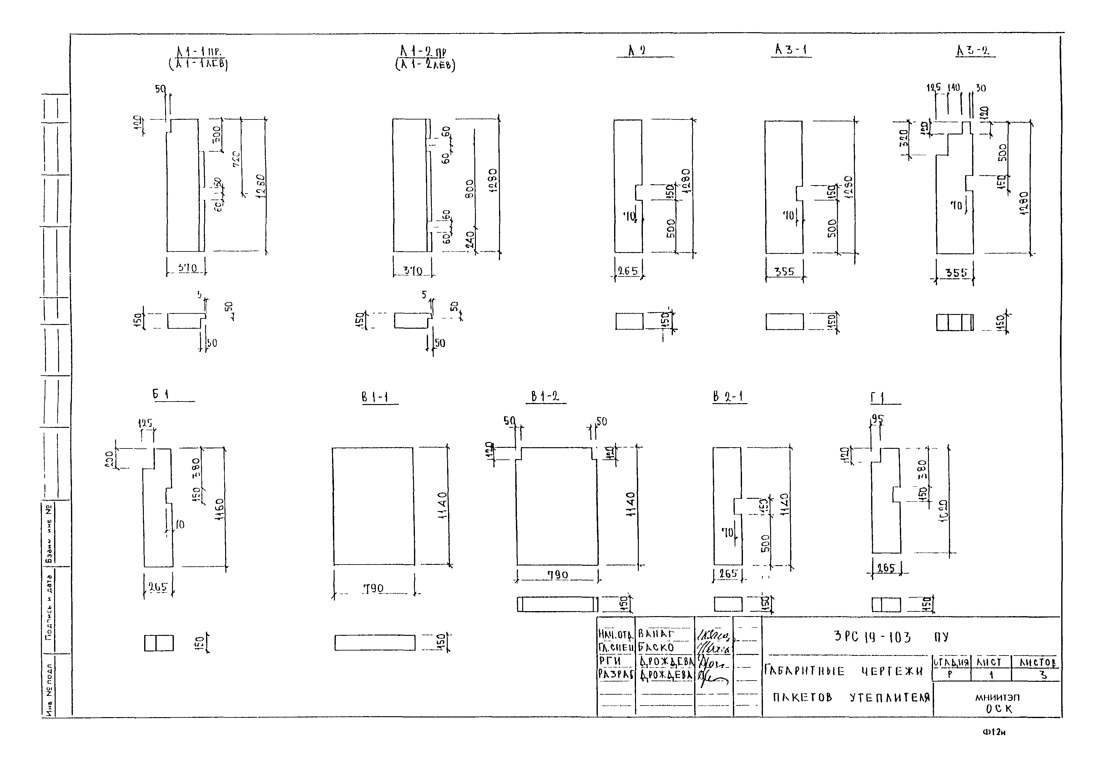
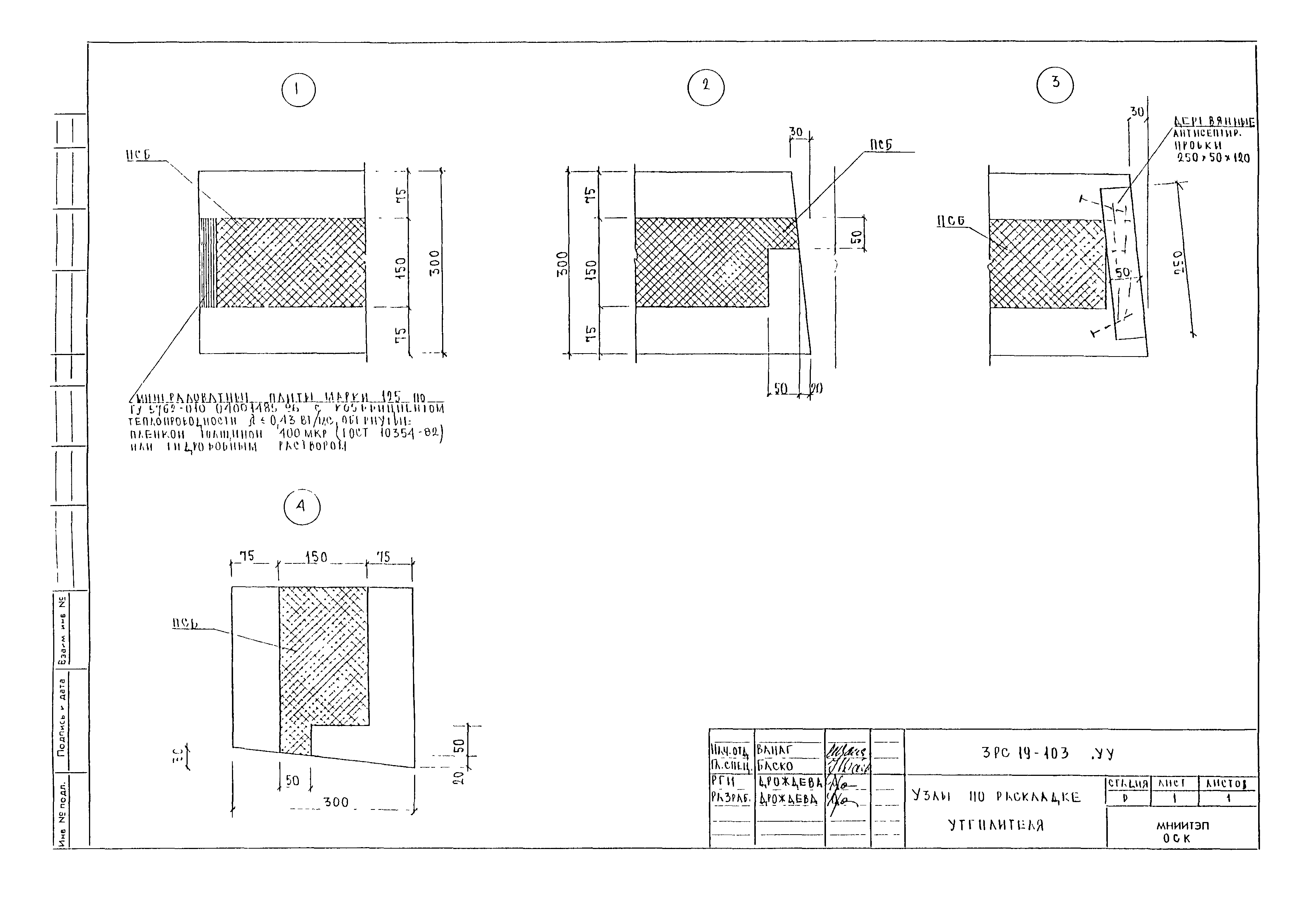
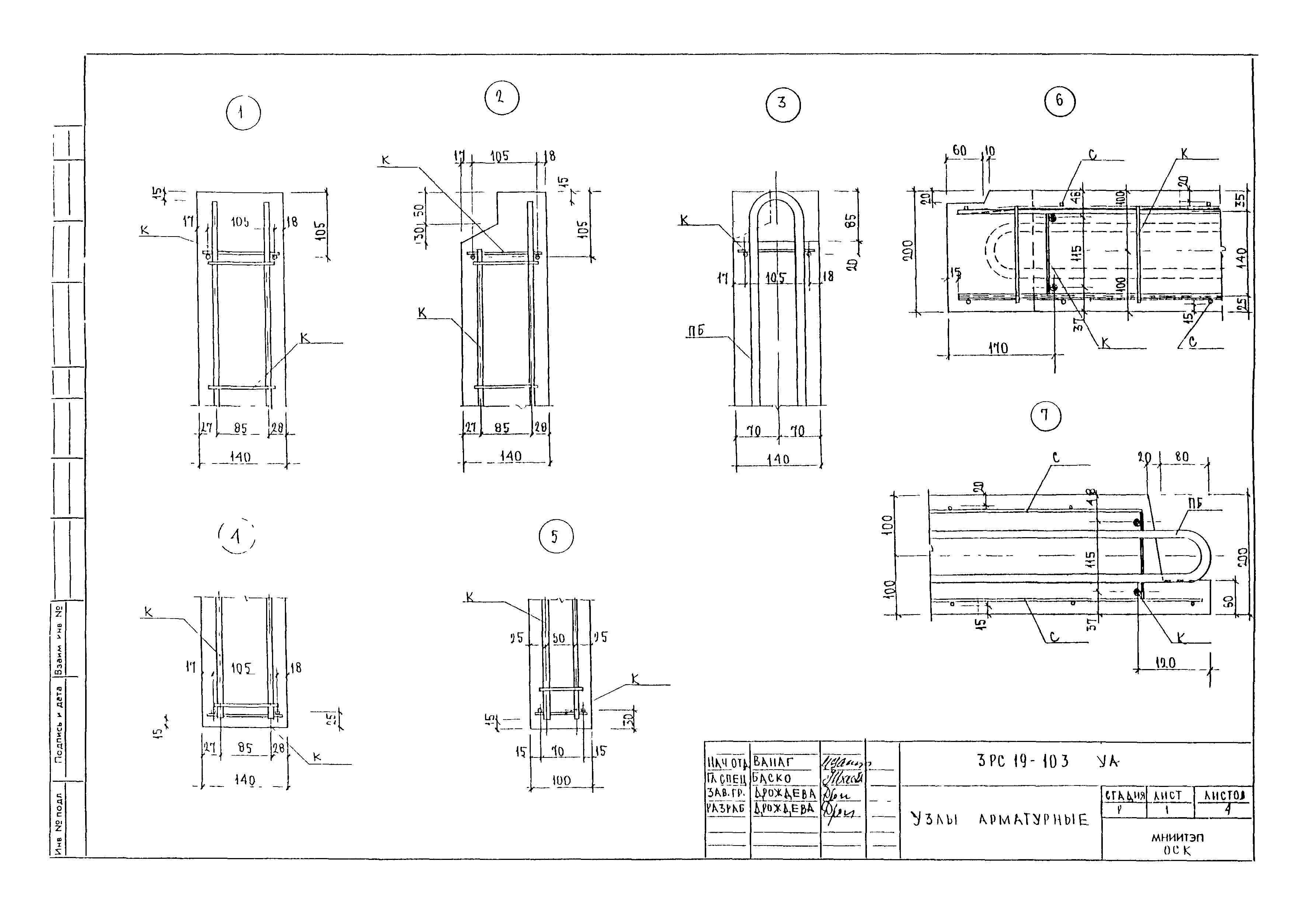
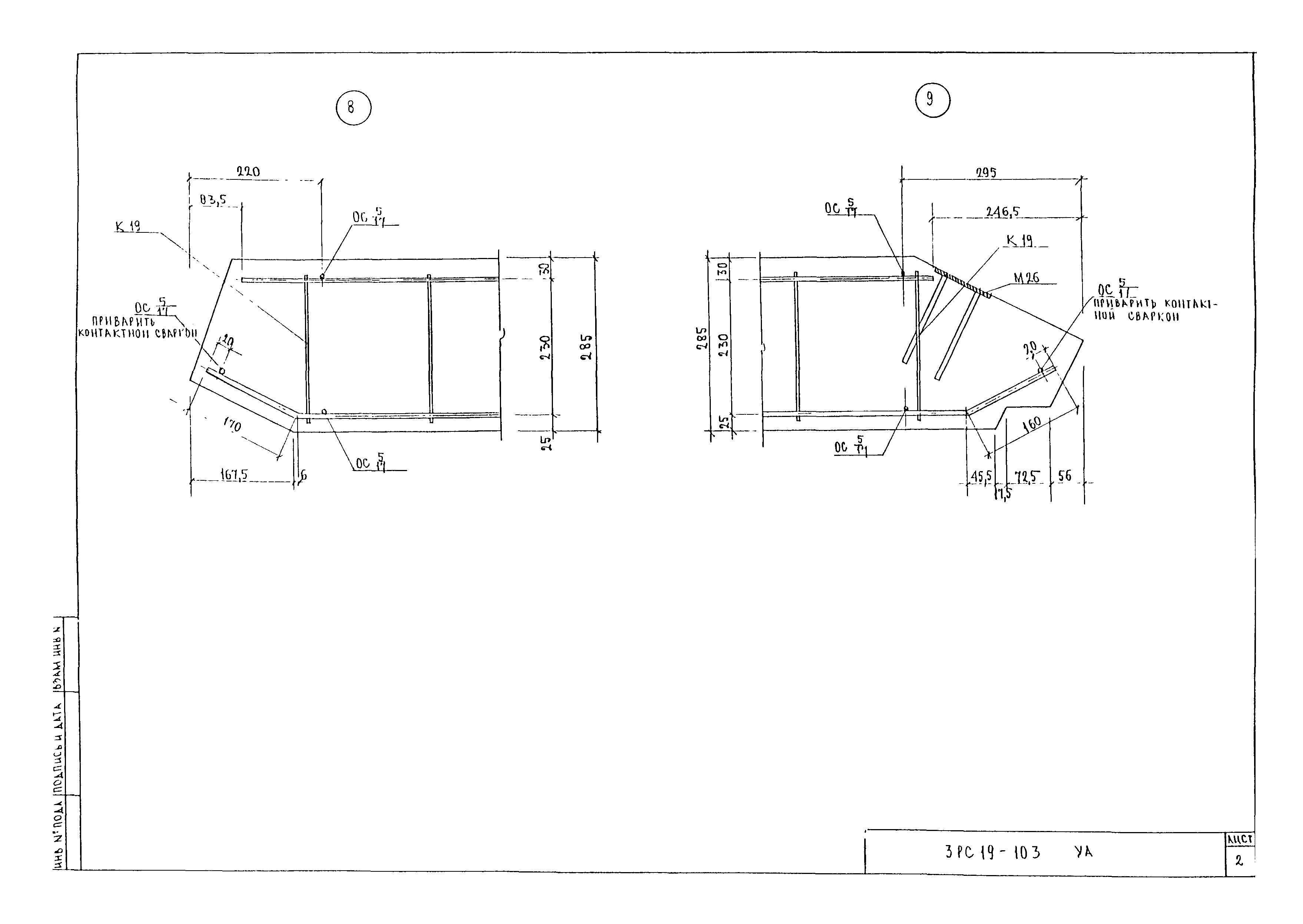
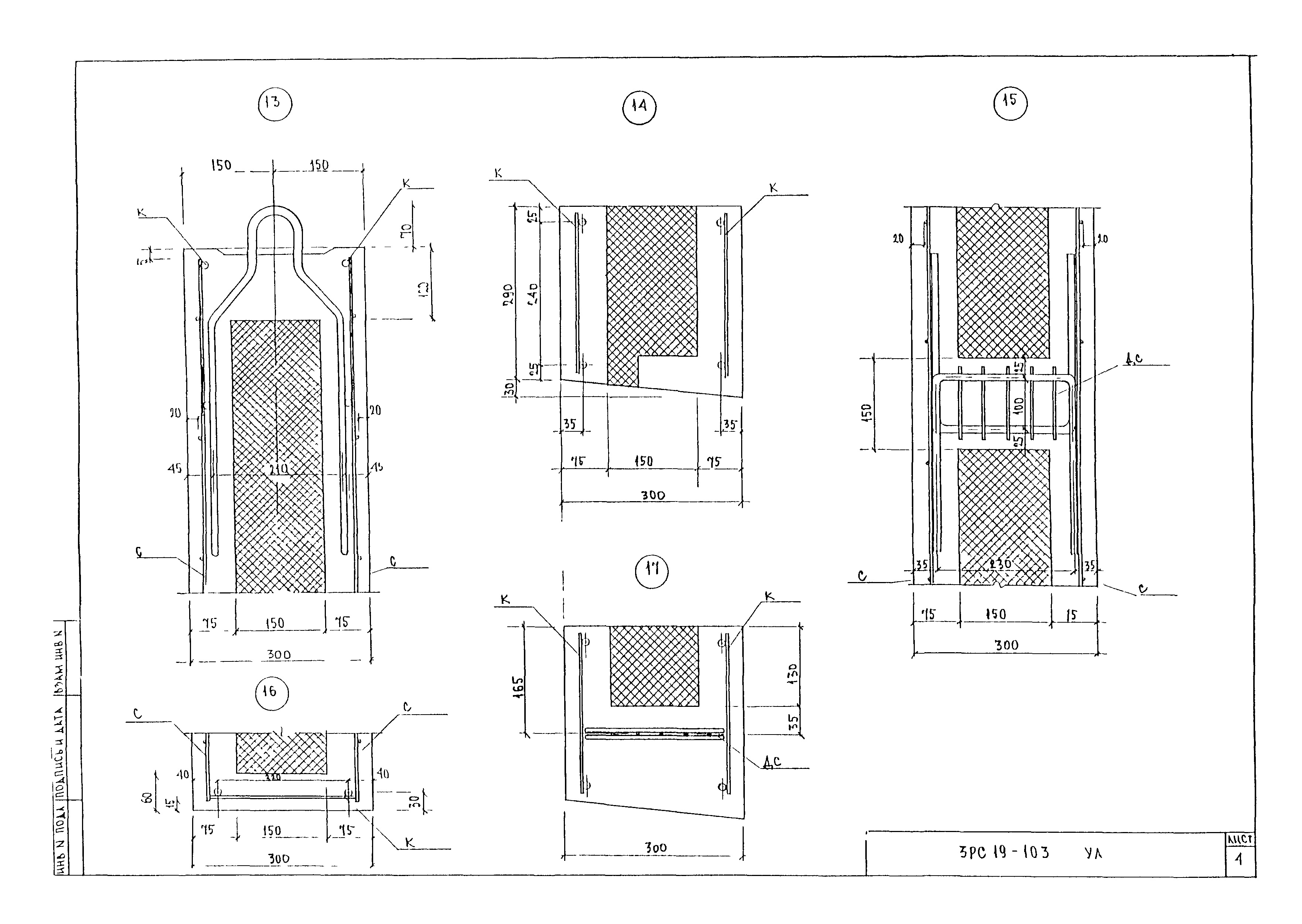
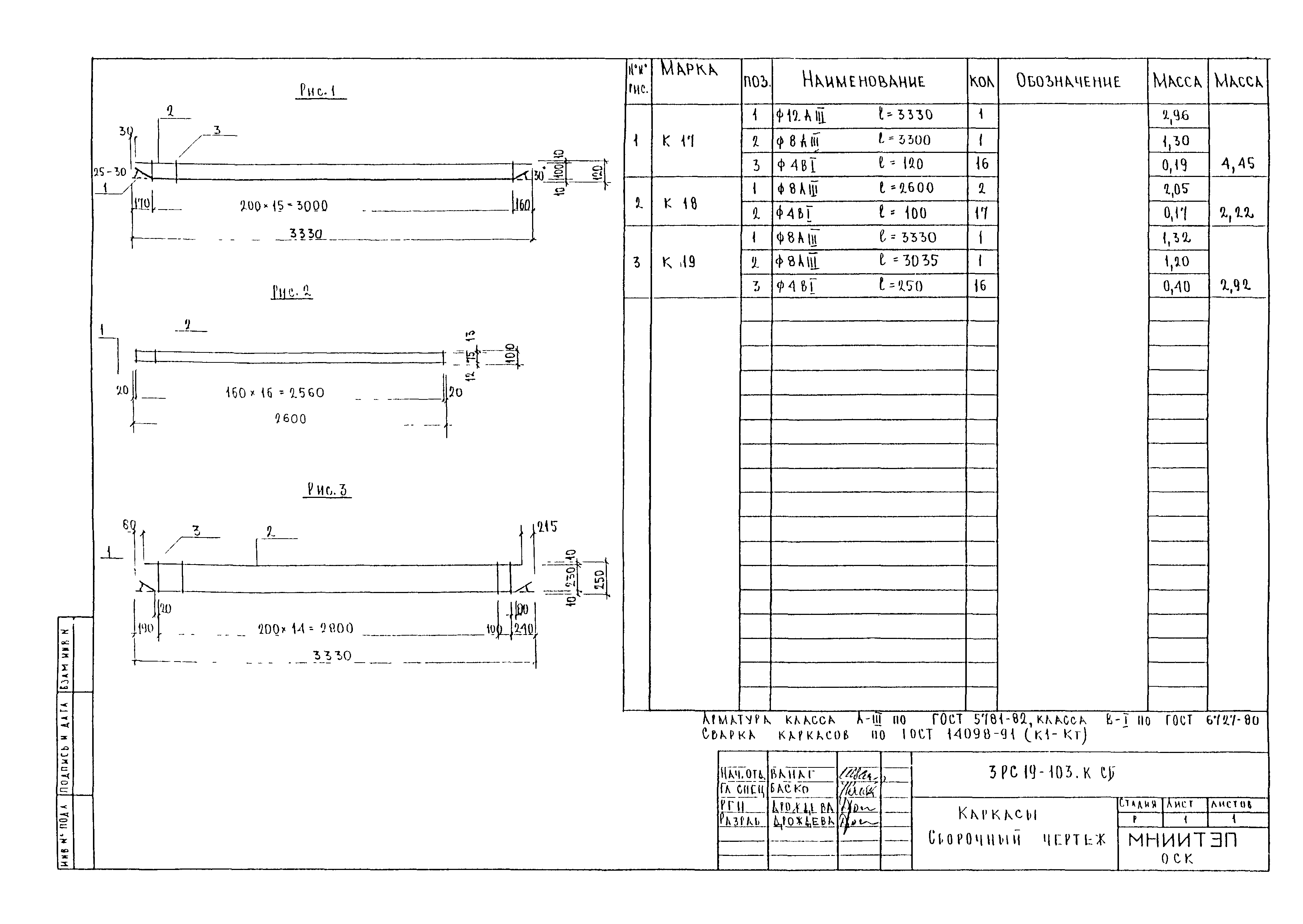
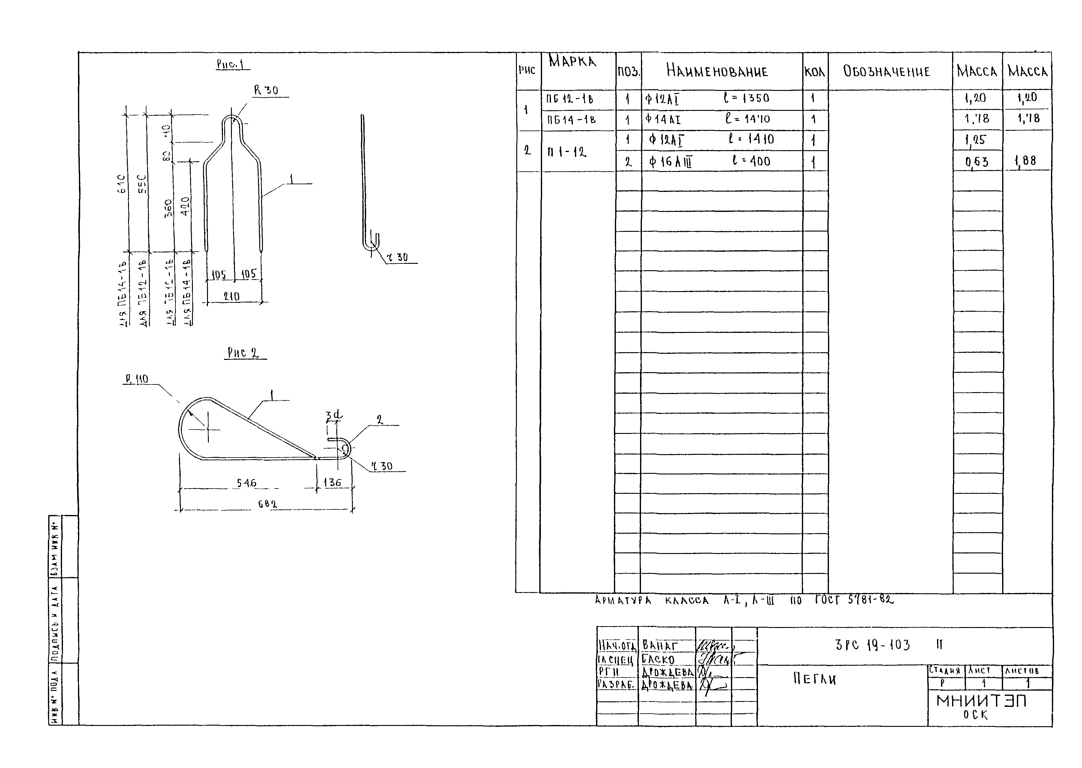
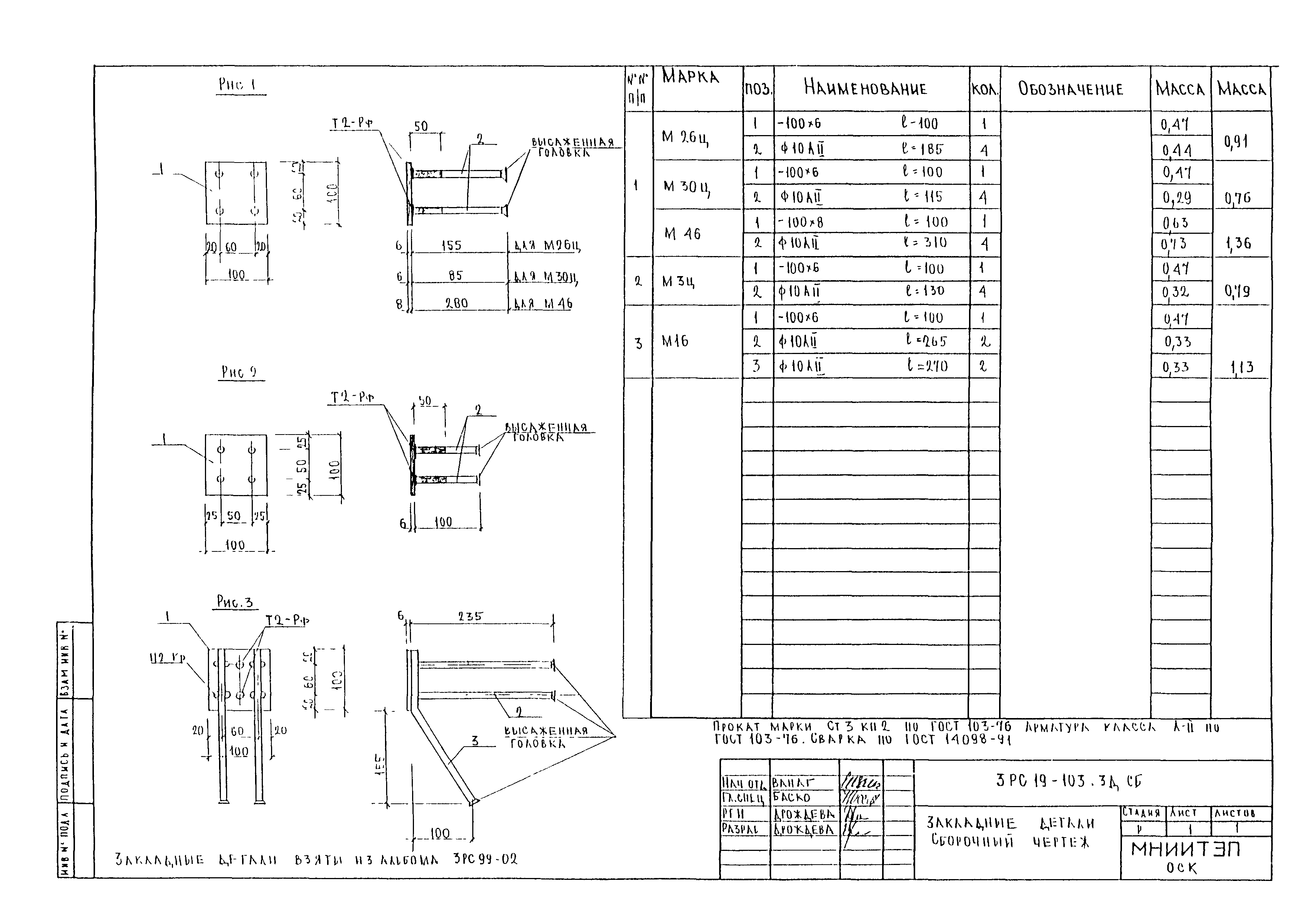
| Оглавление: | ЗРС19-103.ПЗ. Пояснительная записка ЗРС19-103.ИН. Номенклатура изделий ЗРС19-103.РС. Ведомость расхода стали ЗРС 19-103 3ЛС.01СБ Лестничная стопка входа. Сборочный чертеж ЗРС 19-103 3ЛС.02СБ Лестничная стенка входа. Сборочный чертеж ЗРС 19-103 3ЛС.03СБ Лестничная стенка входа. Сборочный чертеж ЗРС 19-103 3ЛС.04СБ Лестничная стенка входа. Сборочный чертеж ЗРС 19-103 3ЛС.05СБ Лестничные ограждения. Сборочный чертеж ЗРС 19-103 3ЛС.06СБ Лестничные ограждения. Сборочный чертеж ЗРС 19-103 3ЛС.07СБ Лестничное ограждение. Сборочный чертеж ЗРС 19-103 3ЛС.08СБ Плита входа. Сборочный чертеж ЗРС 19-103 3ЛС.09СБ Плита входа. Сборочный чертеж ЗРС 19-103 3ЛС.10СБ Лестничный марш. Сборочный чертеж ЗРС 19-103 3ЛС.11СБ Внутренняя стона входа. Сборочный чертеж ЗРС 19-103 3ЛС.12СБ Внутренняя стена входа. Сборочный чертеж ЗРС 19-103 3ЛС.13СБ Внутренняя стена входа. Сборочный чертеж ЗРС 19-103 3ЛС.14СБ Плита входа. Сборочный чертеж ЗРС 19-103 3ЛС.15СБ Внутренняя стона входа. Сборочный чертеж ЗРС 19-103 3ЛС.16СБ Плита входа. Сборочный чертеж ЗРС 19-103 ПУ. Габаритные чертежи пакетов утеплителя ЗРС 19-103 У. Узлы габаритные ЗРС 19-103 УУ. Узлы по раскладке утеплителя ЗРС 19-103 УА. Узлы арматурные ЗРС 19-103 К.СБ. Каркасы. Сборочный чертеж ЗРС 19-103 С.СБ. Сетки арматурные. Сборочный чертеж ЗРС 19-103 ДС.СБ. Дискретная связь. Сборочный чертеж ЗРС 19-103 П. Петли ЗРС 19-103 3Д.СБ. Закладные детали. Сборочный чертеж ЗРС 19-103 И. Информационная карта |
| Разработан: | МНИИТЭП |
| Утверждён: | 31.03.2000 МНИИТЭП (MNIITEP 14-ТО) |















































































