Скачать Серия 2.110-3п Выпуск 1. Ленточные фундаменты и стены подвалов кирпичных и крупноблочных зданийДата актуализации: 01.01.2021
|
| Обозначение: | Серия 2.110-3п |
| Обозначение англ: | Series 2.110-3п |
| Статус: | справочные материалы, мп, тпр |
| Название рус.: | Выпуск 1. Ленточные фундаменты и стены подвалов кирпичных и крупноблочных зданий |
| Дата добавления в базу: | 01.09.2013 |
| Дата актуализации: | 01.01.2021 |
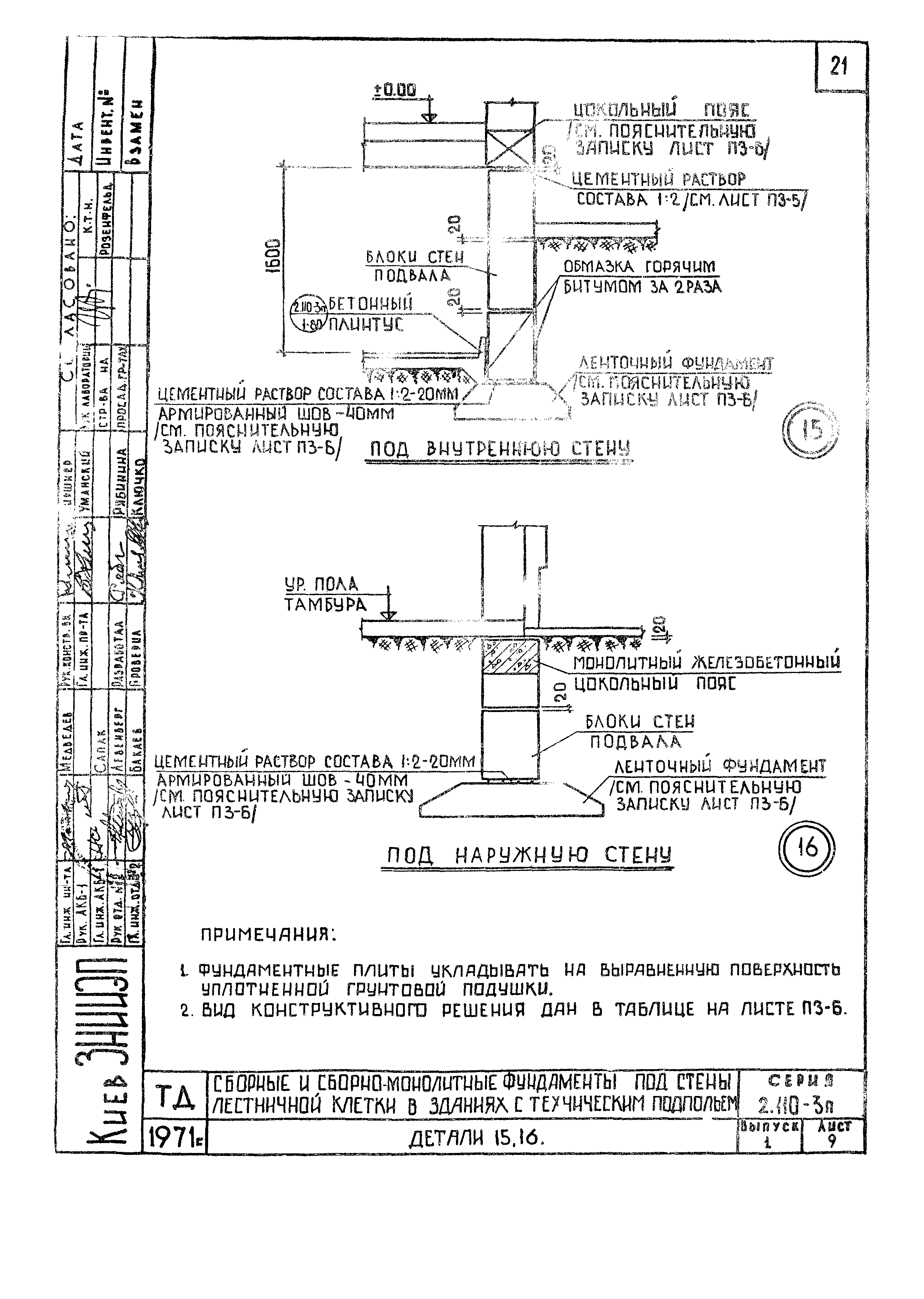
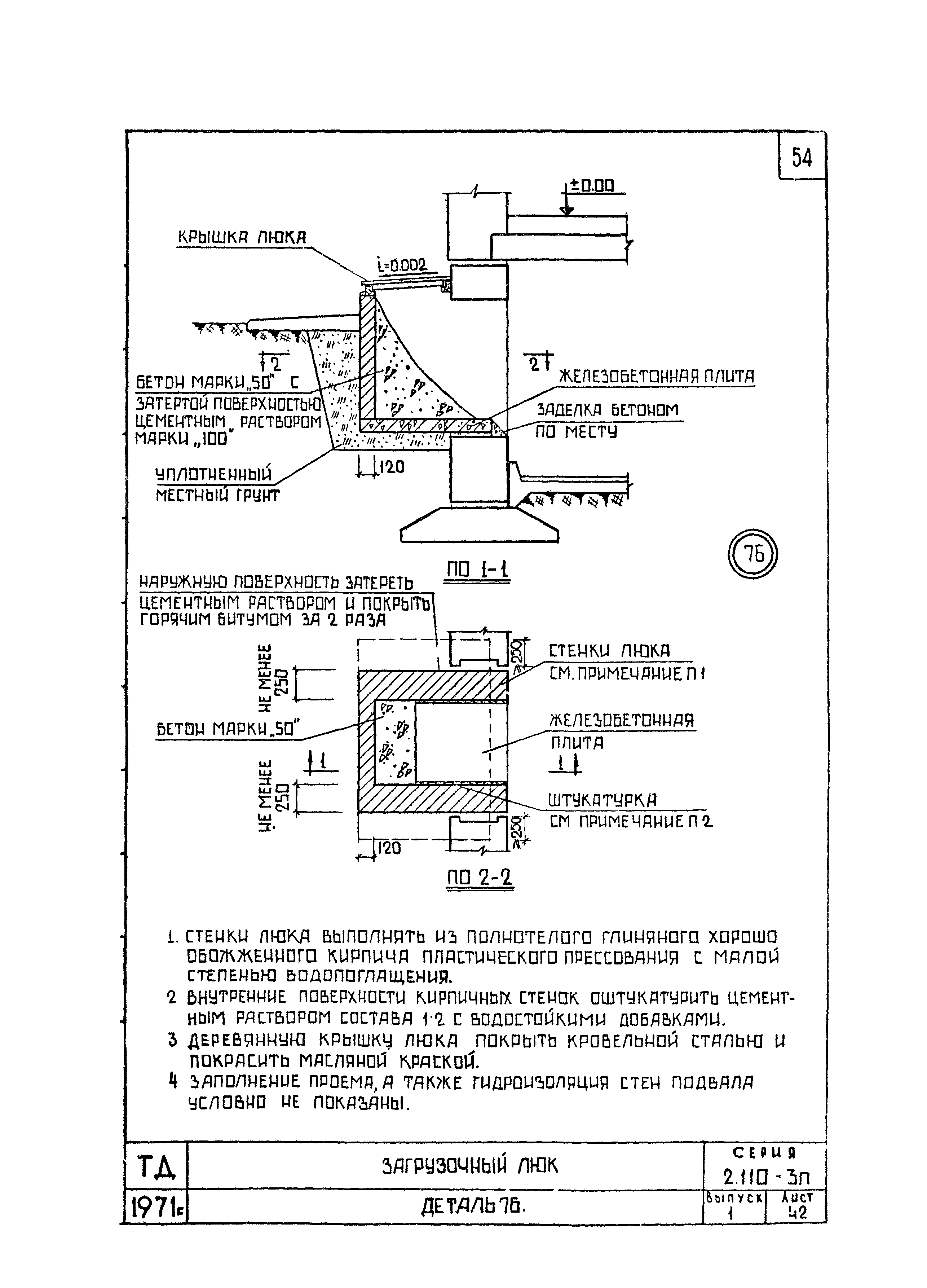
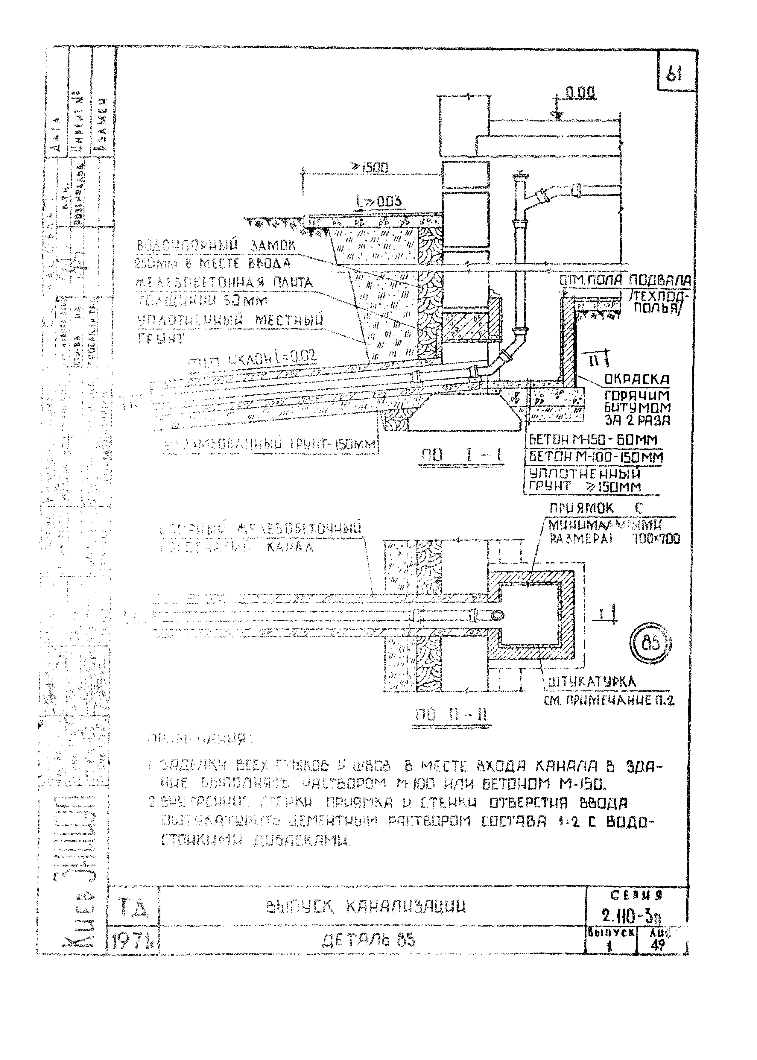
| Оглавление: | Пояснительная записка Сборные ленточные фундаменты Примеры монтажных схем. Маркировка деталей Сборные и сборно-монолитные фундаменты под кирпичные наружные стены в зданиях с подвалом. Детали 1; 2 Сборные и сборно-монолитные фундаменты под наружные стены в крупноблочных зданиях с подвалом. Детали 3; 4 Сборные и сборно-монолитные фундаменты под внутренние стены в зданиях с подвалом. Детали 5; 6 Сборные и сборно-монолитные фундаменты под стены лестничной клетки в зданиях с подвалом. Детали 7; 8 Сборные и сборно-монолитные фундаменты под кирпичные наружные стены в зданиях с техническим подпольем. Детали 9; 10 Сборные и сборно-монолитные фундаменты под наружные стены в крупноблочных зданиях с техническим подпольем. Детали 11; 12 Сборные и сборно-монолитные фундаменты под внутренние стены в крупноблочных зданиях с техническим подпольем. Детали 13; 14 Сборные и сборно-монолитные фундаменты под стены лестничной клетки в зданиях с техническим подпольем. Детали 15; 16 Сборные и сборно-монолитные фундаменты под кирпичные наружные стены в зданиях без подвала. Детали 17; 18 Сборные и сборно-монолитные фундаменты под наружные стены в крупноблочных зданиях без подвала. Детали 19; 20 Сборные и сборно-монолитные фундаменты под внутренние стены в зданиях без подвала. Детали 21; 22 Сборные и сборно-монолитные фундаменты под стены лестничной клетки в зданиях без подвала. Детали 23; 24 Соединение плит сборно-монолитного фундамента. Деталь 25 Соединение плит сборно-монолитного фундамента. Деталь 26 Соединение плит сборно-монолитного фундамента. Деталь 27 Соединение плит сборно-монолитного фундамента. Деталь 28 Соединение плит сборно-монолитного фундамента. Деталь 29 Пример монтажной схемы сборно-монолитных цокольных поясов. Маркировка деталей. Соединение поясных блоков. Детали 30; 31; 32; 33 Соединение фундаментных и поясных блоков. Детали 34; 35 Излом фундаментного пояса. Монолитный участок пояса. Детали 36; 37 Сборно-монолитный цоколь в крупноблочных зданиях. Детали 38; 39; 40; 41 Примыкание внутренней стены к наружной. Деталь 42 Устройство проемов в стенах подвала и подполья. Деталь 43; 44 Переход фундамента с одной отметки заложения к другой. Деталь 45; 46 Непроходные подпольные каналы при сборных фундаментах. Детали 47; 48 Бутобетонные ленточные фундаменты Пример плана фундаментов. Конструктивные решения. Маркировка деталей. Таблица конструктивных решений Бутобетонные фундаменты под наружные стены в зданиях с подвалом и техподпольем. Детали 49; 50 Бутобетонные фундаменты под внутренние стены в зданиях с подвалом и техподпольем. Детали 51; 52 Бутобетонные фундаменты под стены лестничной клетки в зданиях с подвалом и техподпольем. Детали 53; 54 Бутобетонные фундаменты под наружные стены в зданиях без подвала. Детали 55; 56 Бутобетонные фундаменты под внутренние стены в зданиях без подвала. Детали 57; 58 Бутобетонные фундаменты под стены лестничной клетки в зданиях без подвала. Детали 59; 60 Железобетонный монолитный фундаментный пояс. Детали 61; 62; 63 Железобетонный монолитный фундаментный пояс. Детали 64; 65 Железобетонный монолитный цокольный пояс. Детали 66; 67; 68 Железобетонный монолитный цокольный пояс. Детали 69; 70 Непроходные подпольные каналы при монолитных фундаментах. Переход фундамента с одной отметки заложения к другой. Детали 71; 72; 73 Разные детали Вход в техподполье. Деталь 74 Световой приямок. Деталь 75. Загрузочный люк. Деталь 76 Деформационный шов. Деталь 77 Полы подвала/ техподполья/. Детали 78; 79; 80 Ввод водопровода. Деталь 81 Канал ввода водопровода, колодец наружной сети. Сопряжение. Гидроизоляция. Деталь 82 Ввод теплосети. Деталь 83 Канал ввода теплосети, колодец наружной стены. Сопряжение. Гидроизоляция. Деталь 84 Выпуск канализации. Деталь 85 Канал выпуска канализации. Контрольный и смотровой колодцы. Сопряжение. Гидроизоляция. Деталь 86 Обратная засыпка котлованов и траншей. Детали 87; 88 Отмостки. Детали 89; 90; 91 |
| Разработан: | КиевЗНИИЭП |
| Утверждён: | 07.09.1971 Госстрой СССР (Государственный комитет Совета Министров СССР по делам строительства) (USSR Gosstroy 166) |
| Нормативные ссылки: |
|































































