Скачать Серия 1.232.1-8 Выпуск 1-4. Панели однослойные нулевого цикла. Рабочие чертежиДата актуализации: 01.01.2021
|
| Обозначение: | Серия 1.232.1-8 |
| Обозначение англ: | Series 1.232.1-8 |
| Статус: | действует |
| Название рус.: | Выпуск 1-4. Панели однослойные нулевого цикла. Рабочие чертежи |
| Дата добавления в базу: | 01.09.2013 |
| Дата актуализации: | 01.01.2021 |
| Дата введения: | 01.07.1987 |
| Область применения: | Выпуск содержит: техническое описание, спецификации и сборочные чертежи панелей, выборку материалов и стали, опалубочные и арматурные узлы. В выпуске приведены также спецификации и сборочные чертежи пространственных каркасов, арматурных и закладных изделий |
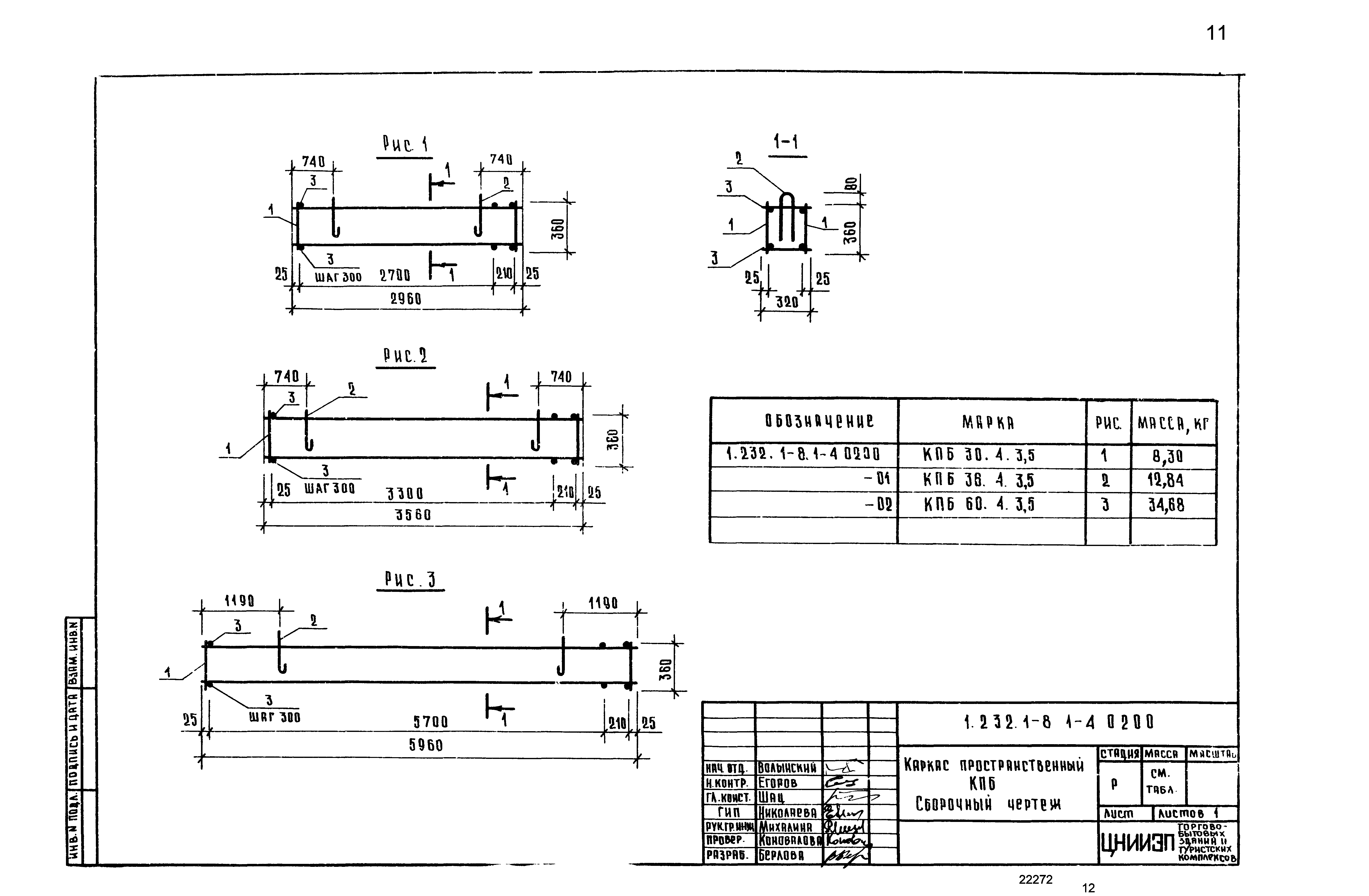
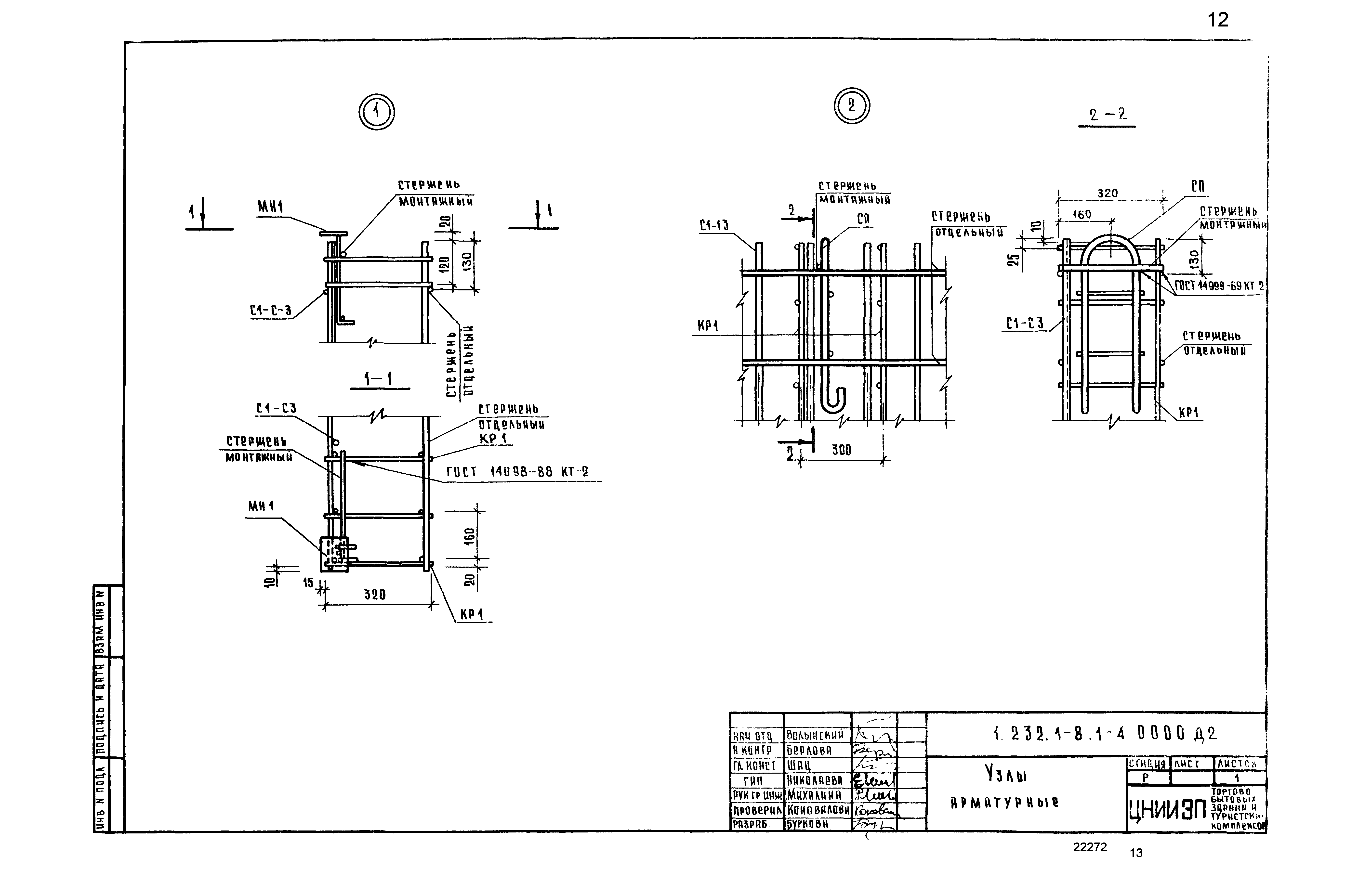
| Оглавление: | 1.232.1-8.1-4 0000 ТО Техническое описание 1.232.1-8.1-4 1000 Панель ПССЦ30, ПССЦ36, ПССЦ60 1.232.1-8.1-4 1000 СБ Панель ПССЦ30, ПССЦ36, ПССЦ60. Сборочный чертеж 1.232.1-8.1-4 2000 Балка БЦ30, БЦ36, БЦ60 1.232.1-8.1-4 2000 СБ Балка БЦ30, БЦ36, БЦ60. Сборочный чертеж 1.232.1-8.1-4 0000 Д1 Узлы опалубочные 1.232.1-8.1-4 0100 Каркас пространственный КПЦ 1.232.1-8.1-4 0100 СБ Каркас пространственный КПЦ. Сборочный чертеж 1.232.1-8.1-4 0200 Каркас пространственный КПБ 1.232.1-8.1-4 0200 СБ Каркас пространственный КПБ. Сборочный чертеж 1.232.1-8.1-4 0000 Д2 Узлы арматурные 1.232.1-8.1-4 0010 Сетка С1, С2, С3 1.232.1-8.1-4 0010 СБ Сетка С1, С2, С3. Сборочный чертеж 1.232.1-8.1-4 0020 Каркас плоский КР1 1.232.1-8.1-4 0030 Каркас плоский КР2, КР3, КР4 1.232.1-8.1-4 0030 СБ Каркас плоский КР2, КР3, КР4. Сборочный чертеж 1.232.1-8.1-4 0040 Петля строповочная СП1, СП2 1.232.1-8.1-4 0040 СБ Петля строповочная СП1, СП2. Сборочный чертеж 1.232.1-8.1-4 0001 СБ Стержень гнутый СГ1, СГ2, СГ3 1.232.1-8.1-4 0000 РС Ведомость расхода стали на элемент, кг 1.232.1-8.1-4 0000 РМ Ведомость расхода стали на изделия |
| Разработан: | ЦНИИЭП торгово-бытовых зданий и туристских комплексов |
| Утверждён: | 19.05.1987 Госгражданстрой (Gosgrazhdanstroy 161) |
| Нормативные ссылки: |
|




















