Скачать Серия 1.432.1-26 Выпуск 2. Арматурные и закладные изделия. Рабочие чертежиДата актуализации: 01.01.2021
|
| Обозначение: | Серия 1.432.1-26 |
| Обозначение англ: | Series 1.432.1-26 |
| Статус: | не определен законодательством |
| Название рус.: | Выпуск 2. Арматурные и закладные изделия. Рабочие чертежи |
| Дата добавления в базу: | 01.09.2013 |
| Дата актуализации: | 01.01.2021 |
| Дата введения: | 01.11.1992 |
| Дата окончания срока действия: | 30.06.2003 |
| Область применения: | В настоящем выпуске приведены рабочие чертежи арматурных и закладных изделий стеновых трехслойных железобетонных панелей |
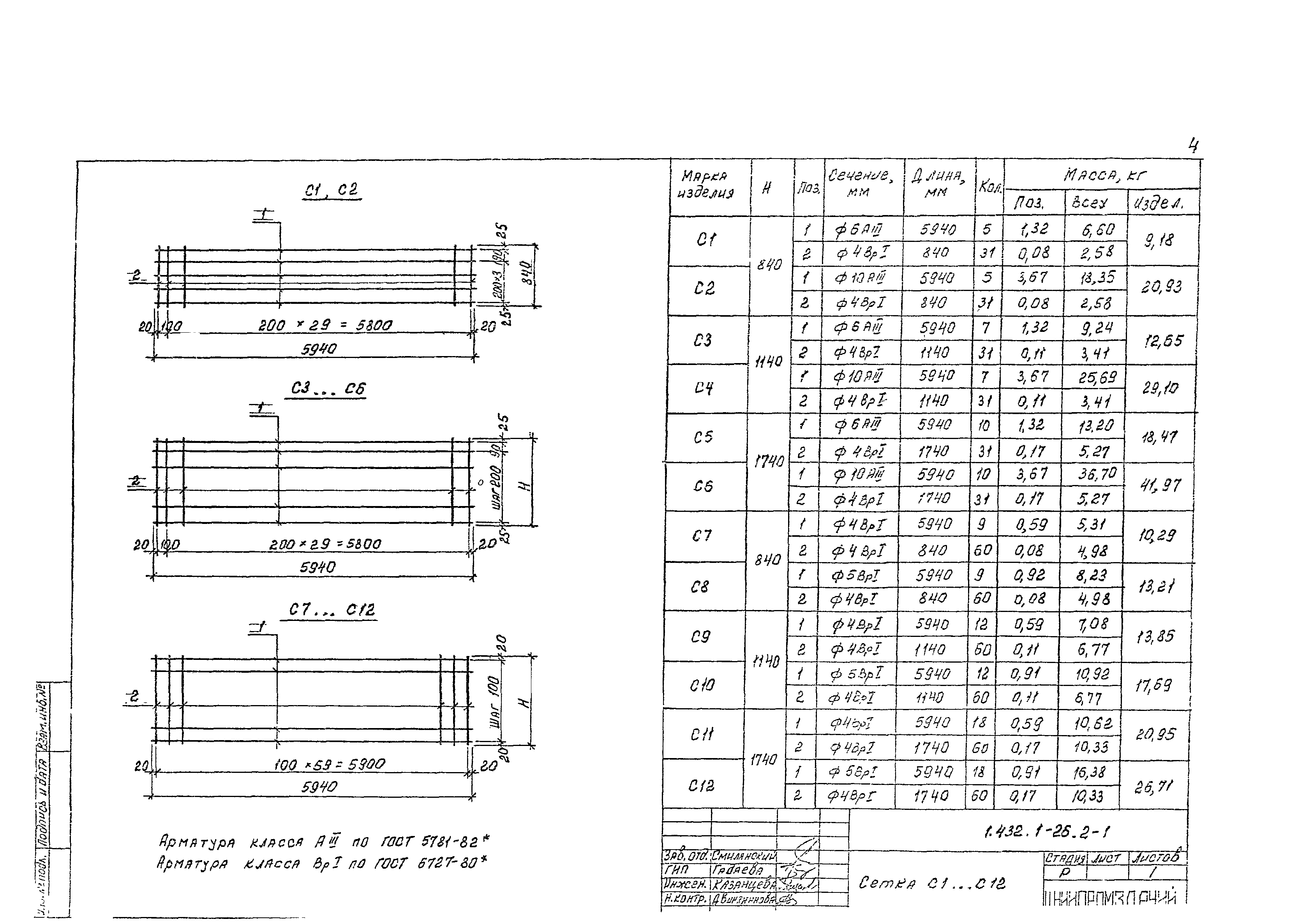
| Оглавление: | 1.432.1-26.2-ТТ Технические требования 1.432.1-26.2-1 Сетка С1… С12 1.432.1-26.2-2 Сетка С13… С24 1.432.1-26.2-3 Сетка С25… С33 1.432.1-26.2-4 Сетка С34… С42 1.432.1-26.2-5 Сетка С43… С48 1.432.1-26.2-6 Сетка С49… С60 1.432.1-26.2-7 Сетка С61… С72 1.432.1-26.2-8 Сетка С73… С84 1.432.1-26.2-9 Сетка С85… С96 1.432.1-26.2-10 Сетка С97… С104 1.432.1-26.2-11 Сетка С105… С116 1.432.1-26.2-12 Каркас КР1… КР13 1.432.1-26.2-13 Каркас КР13… КР24 1.432.1-26.2-14 Каркас КР25… КР39 1.432.1-26.2-15 Петля для подъема П1… П12 1.432.1-26.2-16 Закладное изделие М1… М3 1.432.1-26.2-17 Закладное изделие М6… М8 1.432.1-26.2-19 Гибкая связь К1… К3 |
| Разработан: | АО ЦНИИпромзданий |
| Утверждён: | 29.11.1991 Госстрой СССР (Государственный комитет Совета Министров СССР по делам строительства) (USSR Gosstroy 5/4-76) |
| Нормативные ссылки: |
|




















