Скачать Серия 1.432.1-20 Выпуск 2. Стеновые панели. Рабочие чертежиДата актуализации: 01.01.2021
|
| Обозначение: | Серия 1.432.1-20 |
| Обозначение англ: | Series 1.432.1-20 |
| Статус: | не определен законодательством |
| Название рус.: | Выпуск 2. Стеновые панели. Рабочие чертежи |
| Дата добавления в базу: | 01.09.2013 |
| Дата актуализации: | 01.01.2021 |
| Дата введения: | 01.07.1988 |
| Дата окончания срока действия: | 30.06.2003 |
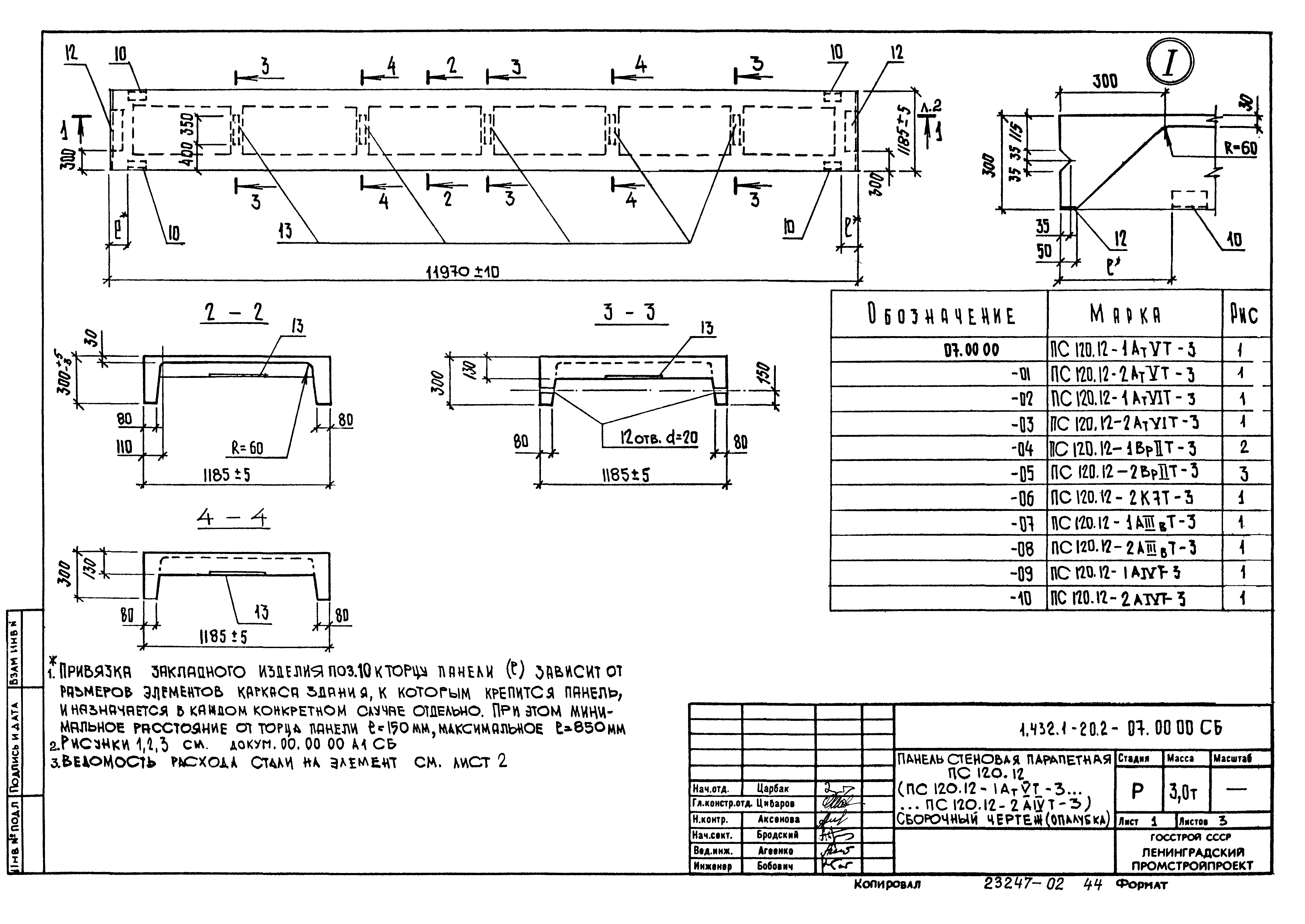
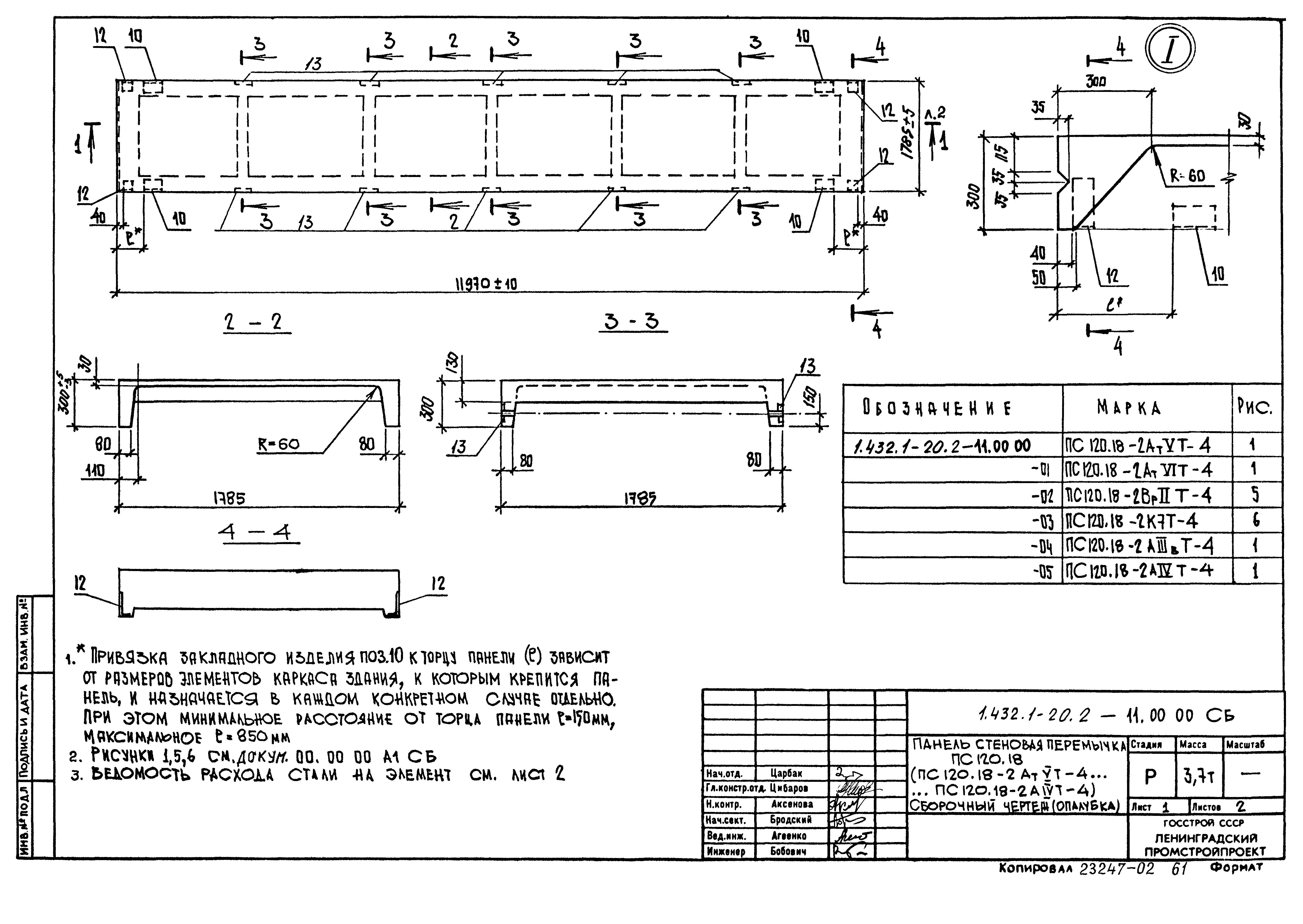
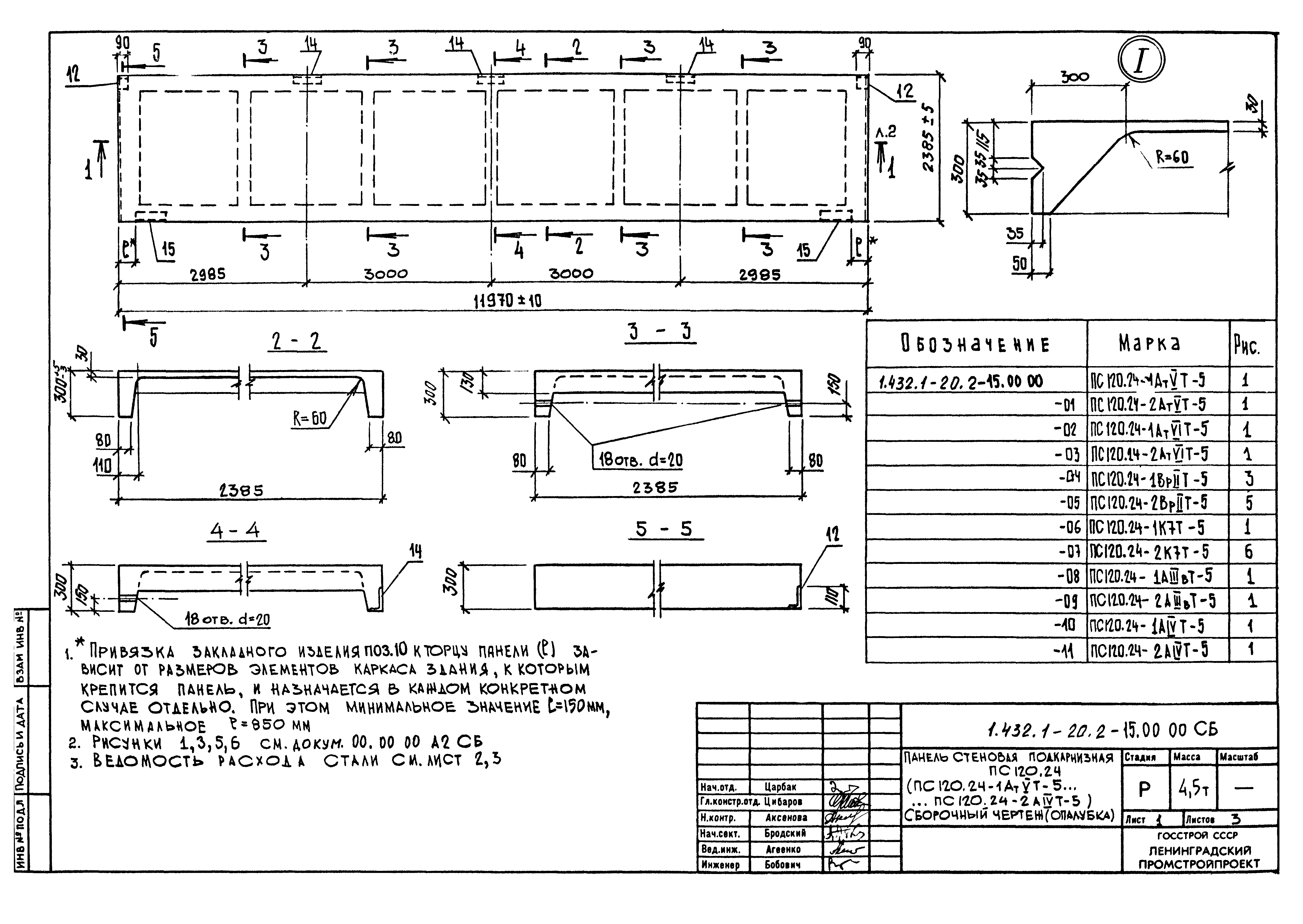
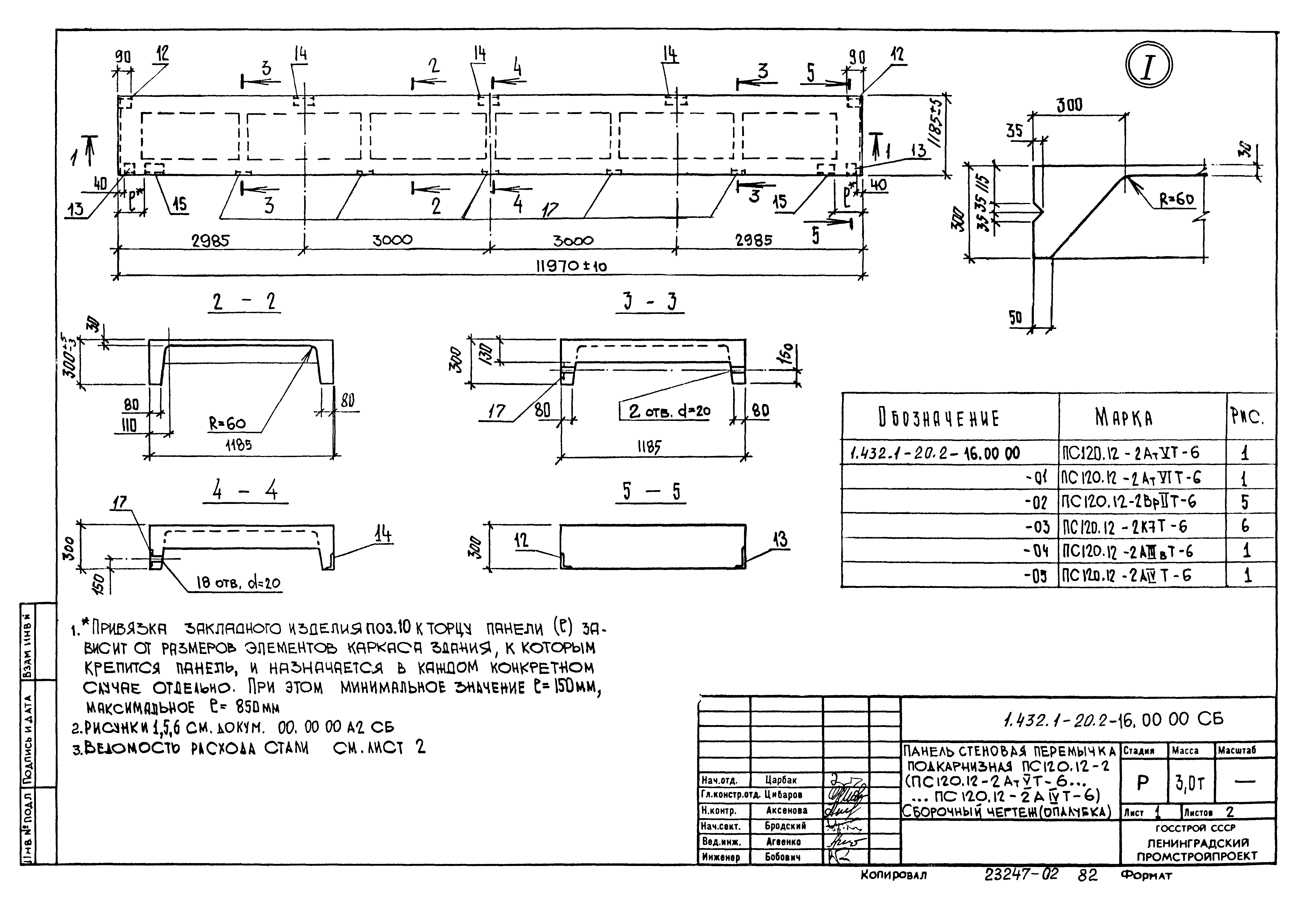
| Область применения: | Настоящий выпуск содержит рабочие чертежи железобетонных предварительно-напряженных стеновых панелей длиной 12 м для неотапливаемых производственных зданий |
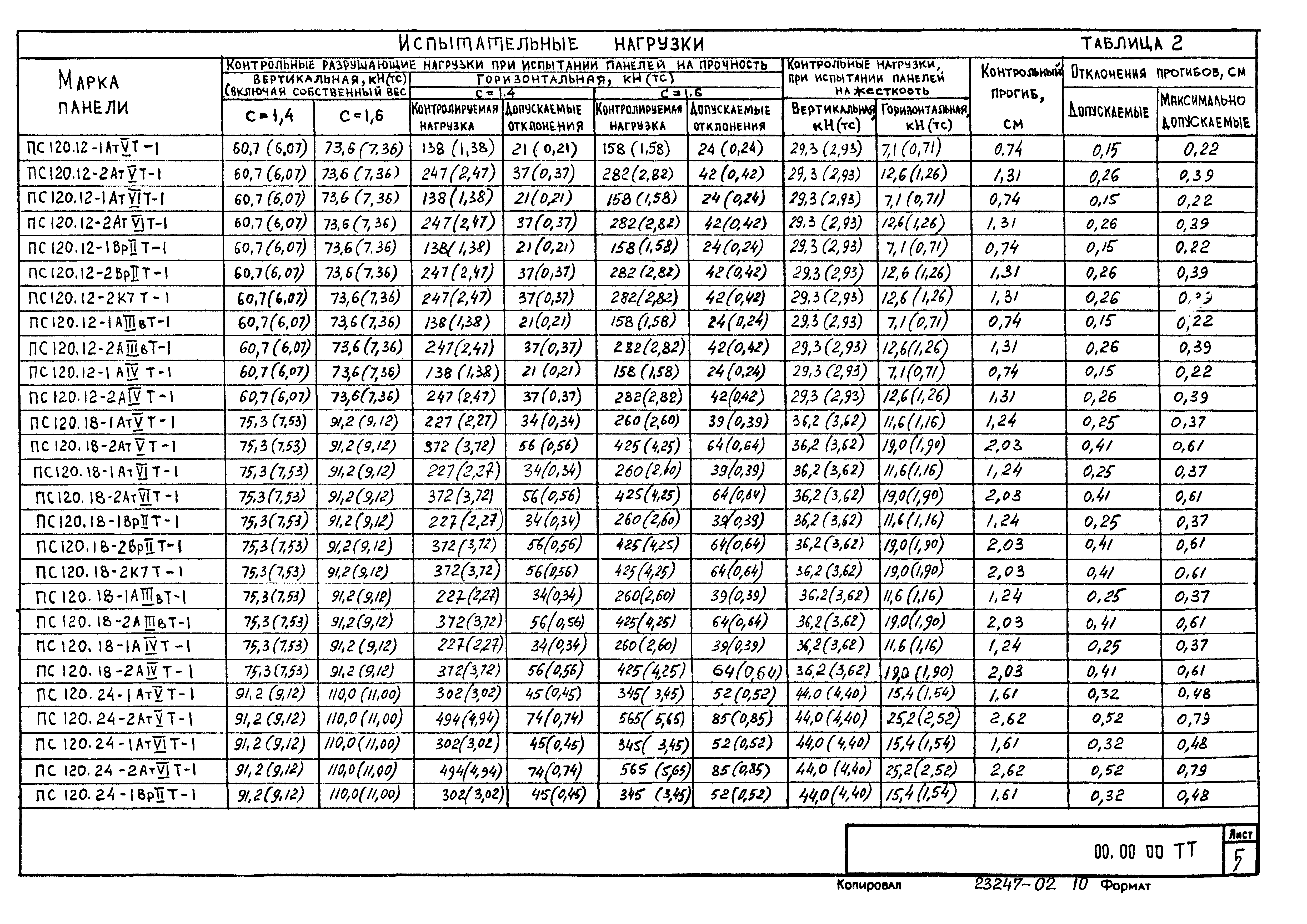
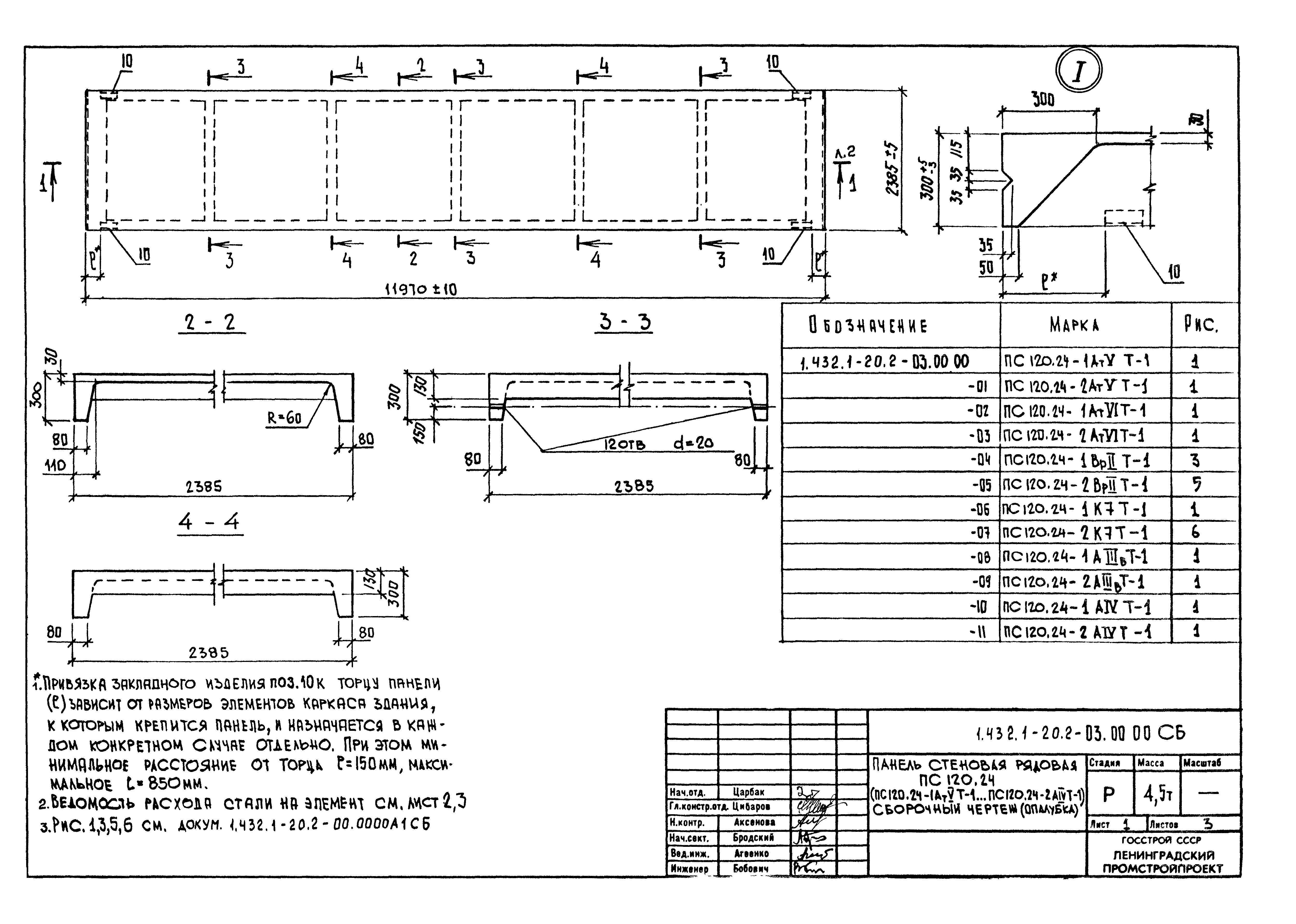
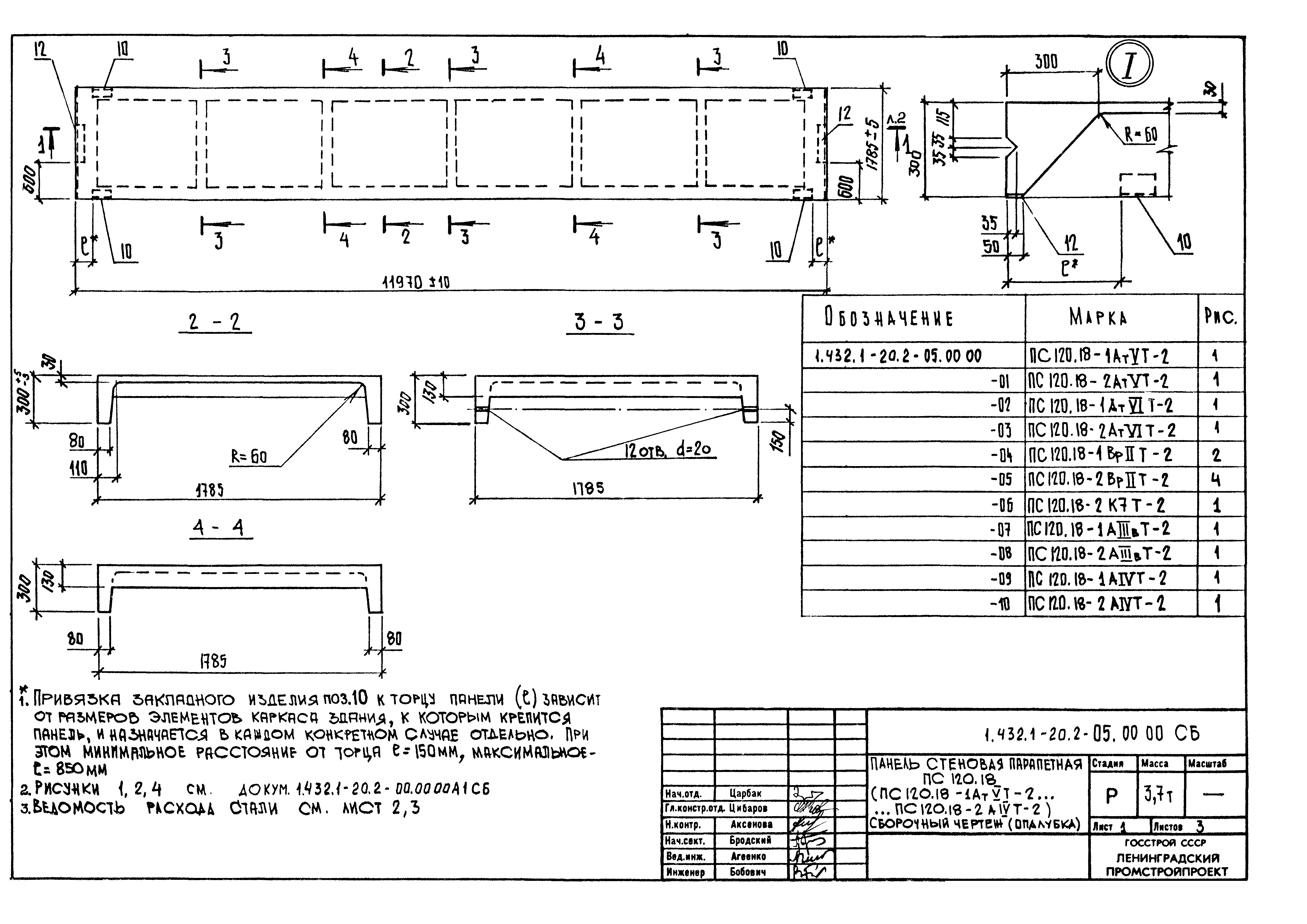
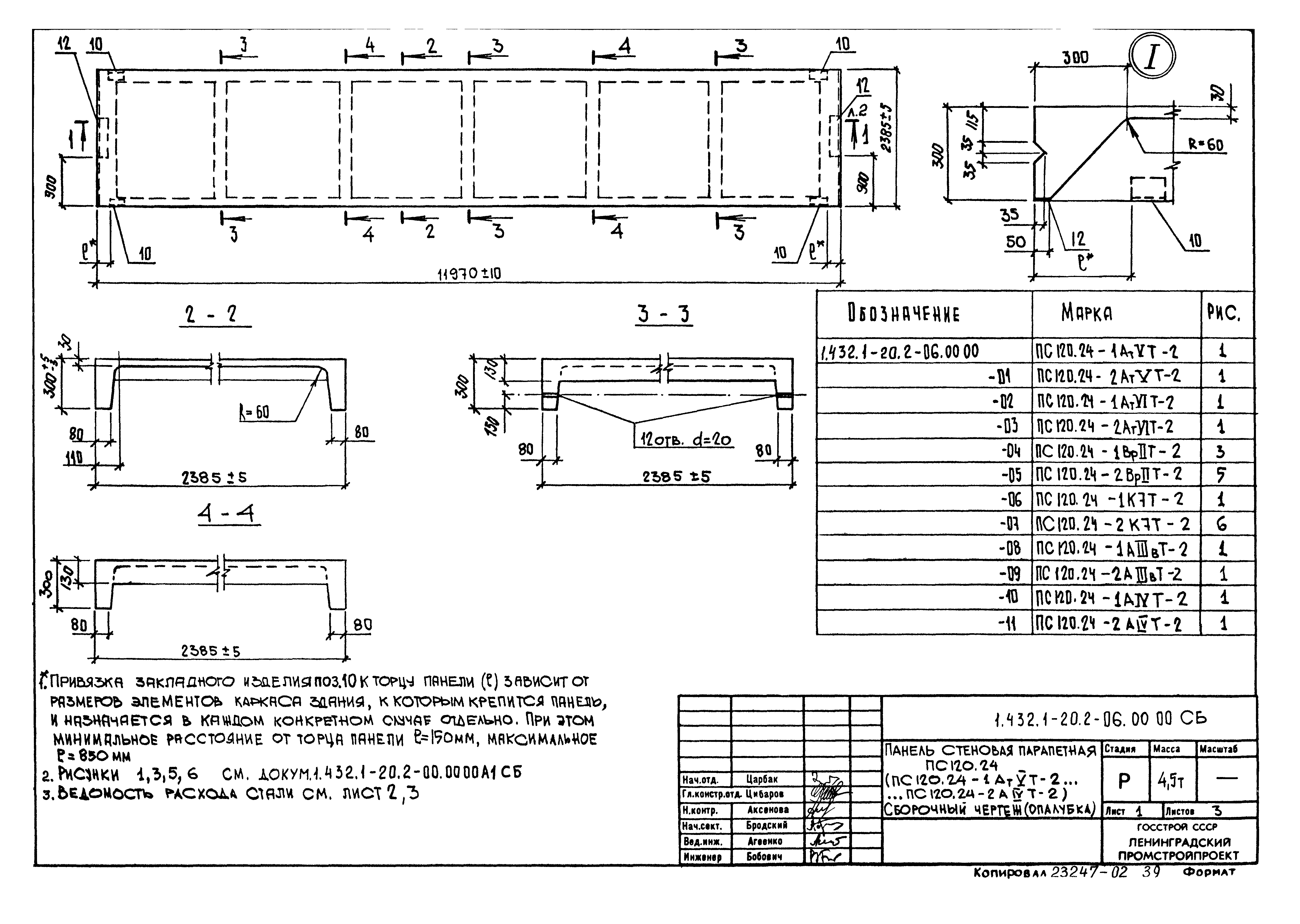
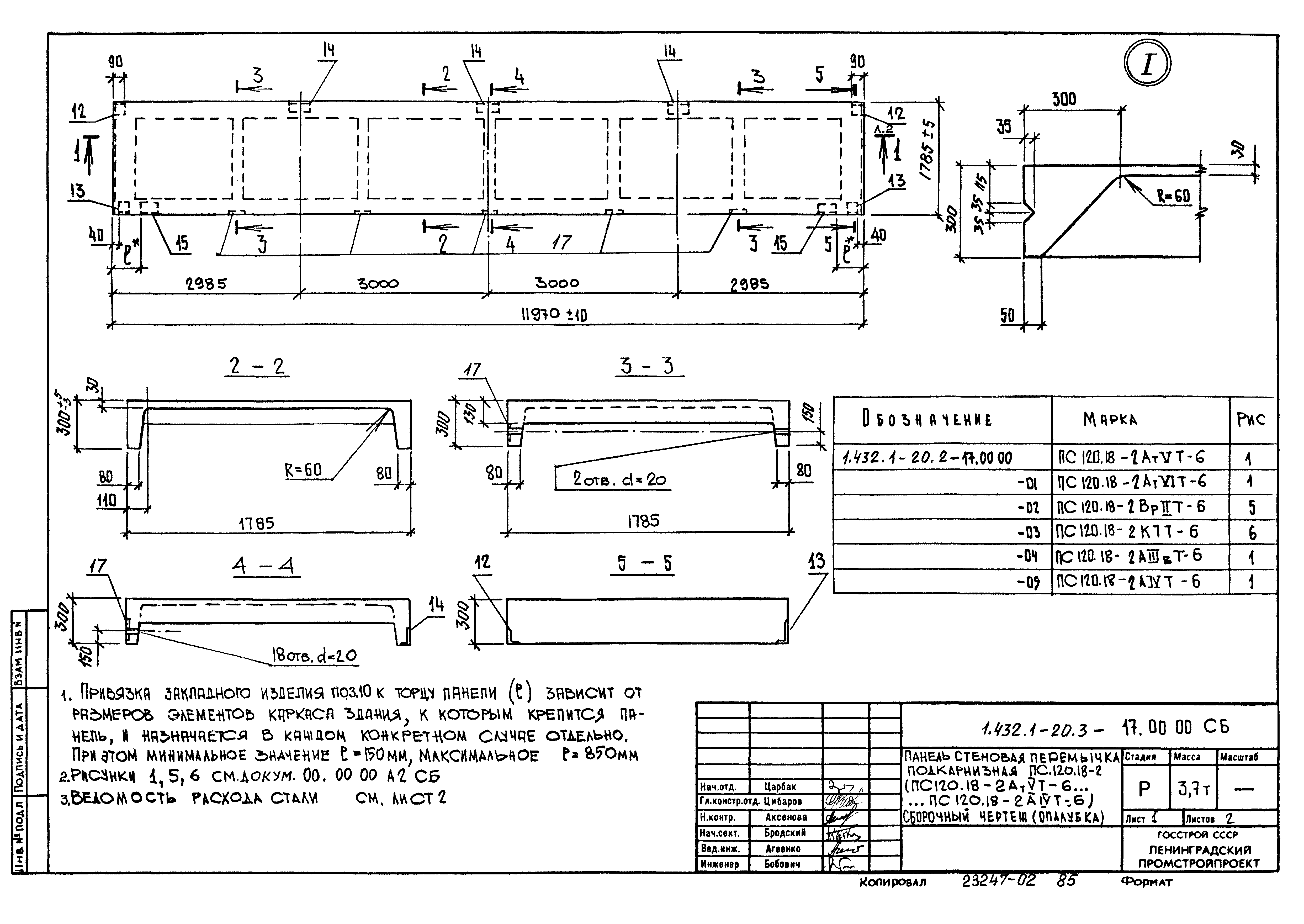
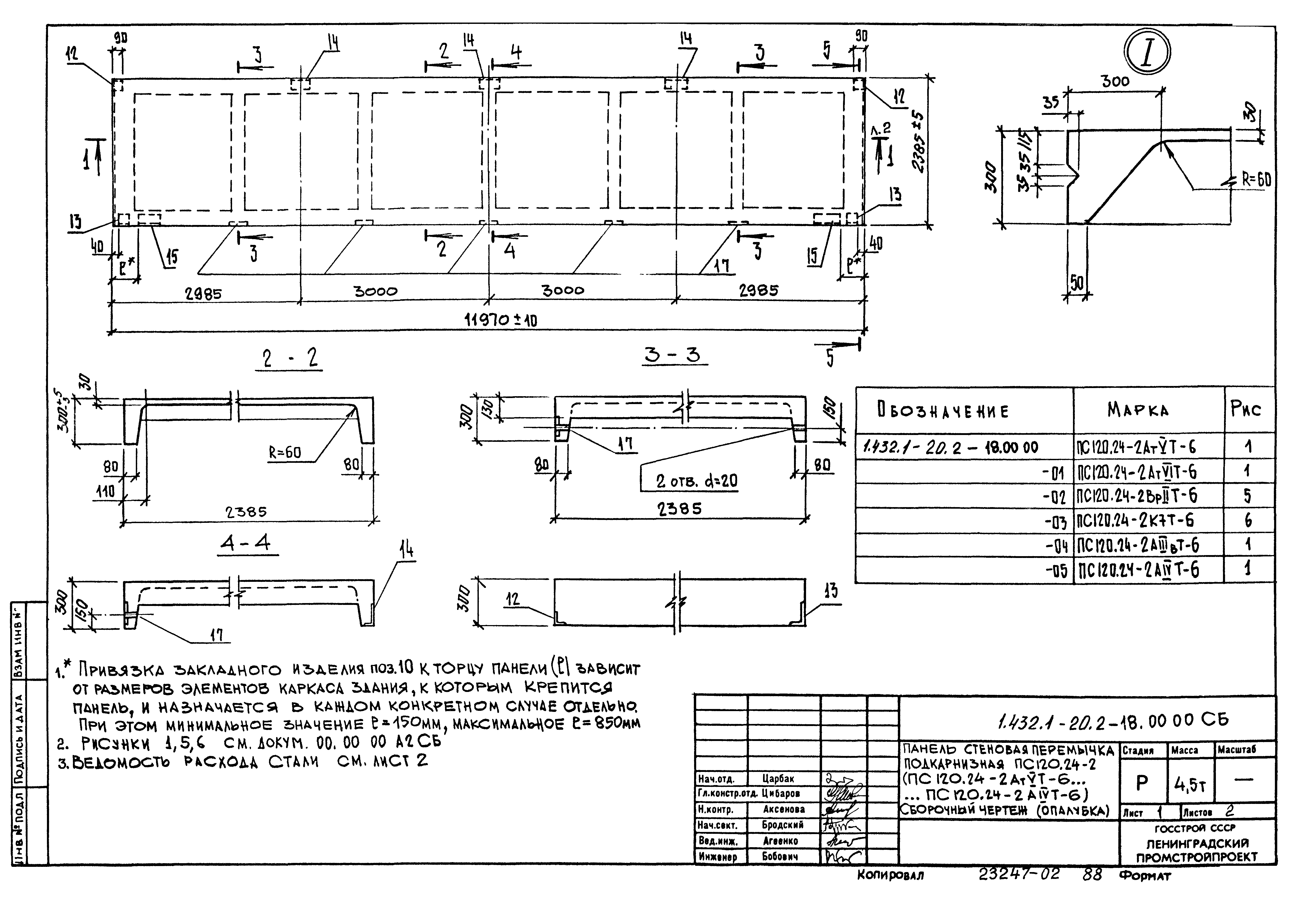
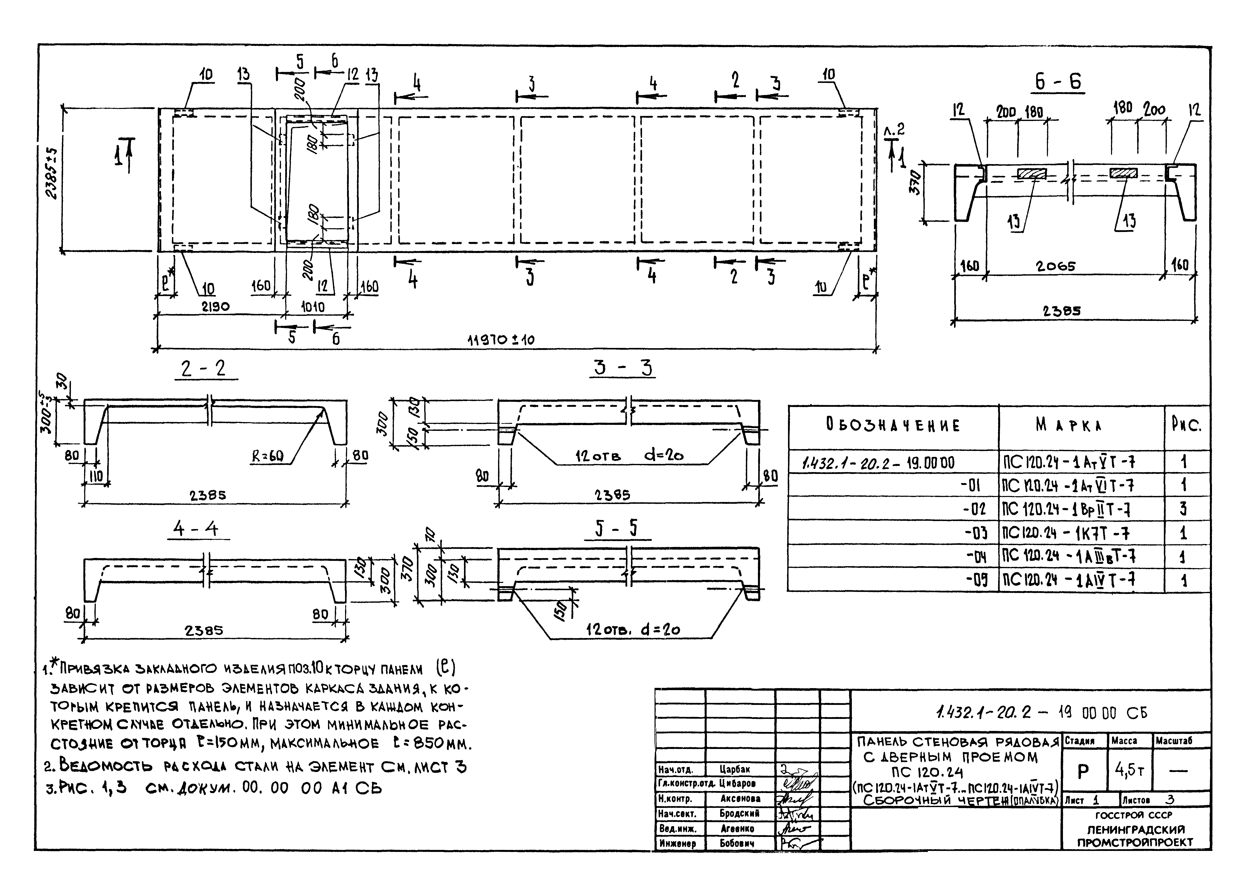
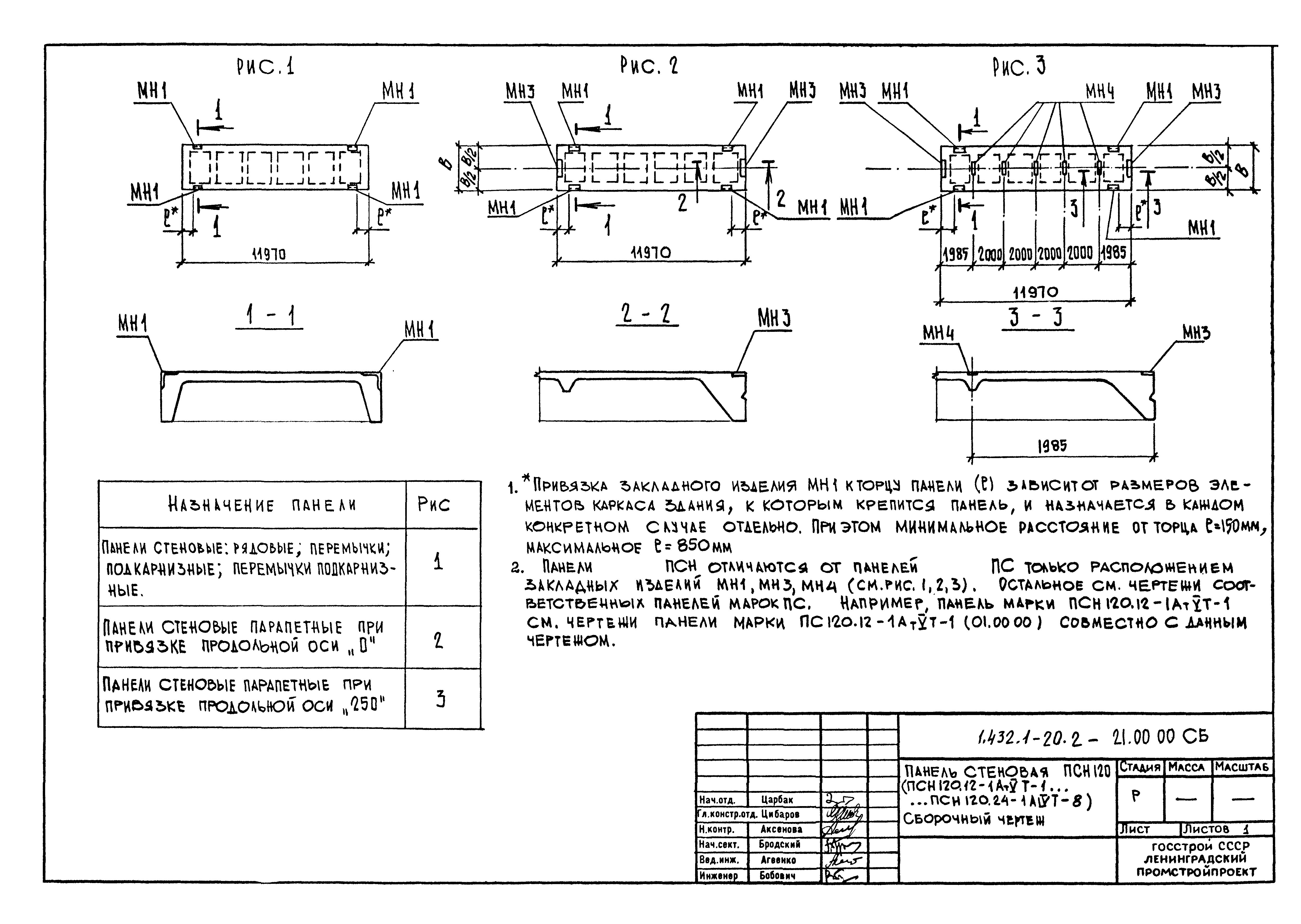
| Оглавление: | 1.432.1-20.2-00.0000 ТТ Технические требования 1.432.1-20.2-01.0000 Панель стеновая рядовая ПС120.12 (ПС120.12-1АтУТ-1… ПС120.12-2А1УТ-1) 1.432.1-20.2-01.0000 СБ Панель стеновая рядовая ПС120.12 (ПС120.12-1АтУТ-1… ПС120.12-2А1УТ-1). Сборочный чертеж (опалубка) 1.432.1-20.2-02.0000 Панель стеновая рядовая ПС120.18 (ПС120.18-1АтУТ-1… ПС120.18-2А1УТ-1) 1.432.1-20.2-02.0000 СБ Панель стеновая рядовая ПС120.18 (ПС120.18-1АтУТ-1… ПС120.18-2А1УТ-1). Сборочный чертеж (опалубка) 1.432.1-20.2-03.0000 Панель стеновая рядовая ПС120.24 (ПС120.24-1АтУТ-1… ПС120.24-2А1УТ-1) 1.432.1-20.2-03.0000 СБ Панель стеновая рядовая ПС120.24 (ПС120.24-1АтУТ-1… ПС120.24-2А1УТ-1). Сборочный чертеж (опалубка) 1.432.1-20.2-04.0000 Панель стеновая рядовая ПС120.12 (ПС120.12-1АтУТ-2… ПС120.12-2А1УТ-2) 1.432.1-20.2-04.0000 СБ Панель стеновая парапетная ПС120.12 (ПС120.12-1АтУТ-2… ПС120.12-2А1УТ-2). Сборочный чертеж (опалубка) 1.432.1-20.2-05.0000 Панель стеновая парапетная ПС120.18 (ПС120.18-1АтУТ-2… ПС120.18-2А1УТ-2) 1.432.1-20.2-05.0000 СБ Панель стеновая парапетная ПС120.18 (ПС120.18-1АтУТ-2… ПС120.18-2А1УТ-2). Сборочный чертеж (опалубка) 1.432.1-20.2-06.0000 Панель стеновая парапетная ПС120.24 (ПС120.24-1АтУТ-2… ПС120.24-2А1УТ-2) 1.432.1-20.2-06.0000 СБ Панель стеновая парапетная ПС120.24 (ПС120.24-1АтУТ-2… ПС120.24-2А1УТ-2). Сборочный чертеж (опалубка) 1.432.1-20.2-07.0000 Панель стеновая рядовая ПС120.12 (ПС120.12-1АтУТ-3… ПС120.12-2А1УТ-3) 1.432.1-20.2-07.0000 СБ Панель стеновая парапетная ПС120.12 (ПС120.12-1АтУТ-3… ПС120.12-2А1УТ-3). Сборочный чертеж (опалубка) 1.432.1-20.2-08.0000 Панель стеновая парапетная ПС120.18 (ПС120.18-1АтУТ-3… ПС120.18-2А1УТ-3) 1.432.1-20.2-08.0000 СБ Панель стеновая парапетная ПС120.18 (ПС120.18-1АтУТ-3… ПС120.18-2А1УТ-3). Сборочный чертеж (опалубка) 1.432.1-20.2-09.0000 Панель стеновая парапетная ПС120.24 (ПС120.24-1АтУТ-3… ПС120.24-2А1УТ-3) 1.432.1-20.2-09.0000 СБ Панель стеновая парапетная ПС120.24 (ПС120.24-1АтУТ-3… ПС120.24-2А1УТ-3). Сборочный чертеж (опалубка) 1.432.1-20.2-10.0000 Панель стеновая перемычка ПС120.12 (ПС120.12-2АтУТ-4… ПС120.12-2А1УТ-4) 1.432.1-20.2-10.0000 СБ Панель стеновая перемычка ПС120.12 (ПС120.22-2АтУТ-4… ПС120.12-2А1УТ-4). Сборочный чертеж (опалубка) 1.432.1-20.2-11.0000 Панель стеновая перемычка ПС120.18 (ПС120.18-2АтУТ-4… ПС120.18-2А1УТ-4) 1.432.1-20.2-11.0000 СБ Панель стеновая перемычка ПС120.18 (ПС120.18-2АтУТ-4… ПС120.18-2А1УТ-4). Сборочный чертеж (опалубка) 1.432.1-20.2-12.0000 Панель стеновая перемычка ПС120.24 (ПС120.24-2АтУТ-4… ПС120.24-2А1УТ-4) 1.432.1-20.2-12.0000 СБ Панель стеновая перемычка ПС120.24 (ПС120.24-2АтУТ-4… ПС120.24-2А1УТ-4). Сборочный чертеж (опалубка) 1.432.1-20.2-13.0000 Панель стеновая подкарнизная ПС120.12 (ПС120.12-1АтУТ-5… ПС120.12-2А1УТ-5) 1.432.1-20.2-13.0000 СБ Панель стеновая подкарнизная ПС120.12 (ПС120.12-1АтУТ-5… ПС120.12-2А1УТ-5). Сборочный чертеж (опалубка) 1.432.1-20.2-14.0000 Панель стеновая подкарнизная ПС120.18 (ПС120.18-1АтУТ-5… ПС120.18-2А1УТ-5) 1.432.1-20.2-14.0000 СБ Панель стеновая подкарнизная ПС120.18 (ПС120.18-1АтУТ-5… ПС120.18-2А1УТ-5). Сборочный чертеж (опалубка) 1.432.1-20.2-15.0000 Панель стеновая подкарнизная ПС120.24 (ПС120.24-1АтУТ-5… ПС120.24-2А1УТ-45 1.432.1-20.2-15.0000 СБ Панель стеновая подкарнизная ПС120.24 (ПС120.24-1АтУТ-5… ПС120.24-2А1УТ-5). Сборочный чертеж (опалубка) 1.432.1-20.2-16.0000 Панель стеновая перемычка подкарнизная ПС120.12 (ПС120.12-2АтУТ-6… ПС120.12-2А1УТ-6) 1.432.1-20.2-16.0000 СБ Панель стеновая перемычка подкарнизная ПС120.12 (ПС120.22-2АтУТ-6… ПС120.12-2А1УТ-6). Сборочный чертеж (опалубка) 1.432.1-20.2-17.0000 Панель стеновая перемычка подкарнизная ПС120.18 (ПС120.18-2АтУТ-6… ПС120.18-2А1УТ-6) 1.432.1-20.2-17.0000 СБ Панель стеновая перемычка подкарнизная ПС120.18 (ПС120.18-2АтУТ-6… ПС120.18-2А1УТ-6). Сборочный чертеж (опалубка) 1.432.1-20.2-18.0000 Панель стеновая перемычка подкарнизная ПС120.24 (ПС120.24-2АтУТ-6… ПС120.24-2А1УТ-6) 1.432.1-20.2-18.0000 СБ Панель стеновая перемычка подкарнизная ПС120.24 (ПС120.24-2АтУТ-6… ПС120.24-2А1УТ-6). Сборочный чертеж (опалубка) 1.432.1-20.2-19.0000 Панель стеновая рядовая с дверным проемом ПС120.24 (ПС120.24-1АтУТ-7… ПС120.24-1А1УТ-7) 1.432.1-20.2-19.0000 СБ Панель стеновая рядовая с дверным проемом ПС120.24 (ПС120.24-1АтУТ-7… ПС120.24-1А1УТ-7). Сборочный чертеж (опалубка) 1.432.1-20.2-20.0000 Панель стеновая рядовая с оконными проемами ПС120.24 (ПС120.24-1АтУТ-8… ПС120.24-1А1УТ-8) 1.432.1-20.2-20.0000 СБ Панель стеновая рядовая с оконными проемами ПС120.24 (ПС120.24-1АтУТ-8… ПС120.24-1А1УТ-8). Сборочный чертеж (опалубка) 1.432.1-20.2-21.0000 СБ Панель стеновая ПСН 120. (ПСН120.12-1АтУТ-1… ПСН120.24-1А1УТ-8). Сборочный чертеж 1.432.1-20.2-00.0000 А1СБ Панель стеновая ПС (рядовая, парапетная, перемычка). Сборочный чертеж (армирование) 1.432.1-20.2-00.0000 А2СБ Панель стеновая ПС (подкарнизная, перемычка подкарнизная). Сборочный чертеж (армирование) 1.432.1-20.2-22.0000 Угловой блок УБ ( УБ12.30-Т… УБ24.30-Т) 1.432.1-20.2-22.0000 СБ Угловой блок УБ ( УБ12.30-Т… УБ24.30-Т). Сборочный чертеж 1.432.1-20.2-23.0000 Угловой блок УБ ( УБ12.55-Т… УБ24.55-Т) 1.432.1-20.2-23.0000 СБ Угловой блок УБ ( УБ12.55-Т… УБ24.55-Т). Сборочный чертеж 1.432.1-20.2-24.0000 Угловой блок УБ ( УБ12.80-Т… УБ24.80-Т) 1.432.1-20.2-24.0000 СБ Угловой блок УБ ( УБ12.80-Т… УБ24.80-Т). Сборочный чертеж 1.432.1-20.2-00.0000 ВРС Угловой блок УБ. Ведомость расхода стали |
| Разработан: | НИИЖБ Госстроя СССР Ленинградский Промстройпроект |
| Утверждён: | 28.12.1987 Госстрой СССР (Государственный комитет Совета Министров СССР по делам строительства) (USSR Gosstroy 6/6-4629) |
| Издан: | ЦИТП Госстроя СССР (CITP, Gosstroy (USSR) 1988 г. ) |
| Заменяет собой: | |
| Нормативные ссылки: |
|













































































































































