Скачать Серия 1.432.1-20 Выпуск 3. Арматурные и закладные изделия. Рабочие чертежиДата актуализации: 01.01.2021
|
| Обозначение: | Серия 1.432.1-20 |
| Обозначение англ: | Series 1.432.1-20 |
| Статус: | не определен законодательством |
| Название рус.: | Выпуск 3. Арматурные и закладные изделия. Рабочие чертежи |
| Дата добавления в базу: | 01.09.2013 |
| Дата актуализации: | 01.01.2021 |
| Дата введения: | 01.07.1988 |
| Дата окончания срока действия: | 30.06.2003 |
| Область применения: | В настоящем выпуске приведены рабочие чертежи арматурных каркасов, сеток и закладных изделий для стеновых панелей, выполняемых по выпуску 2 данной серии. Изготовление арматурных и закладных изделий предусматривается на типовом и нестандартном оборудовании заводов ЖБК и специализированных механических заводах |
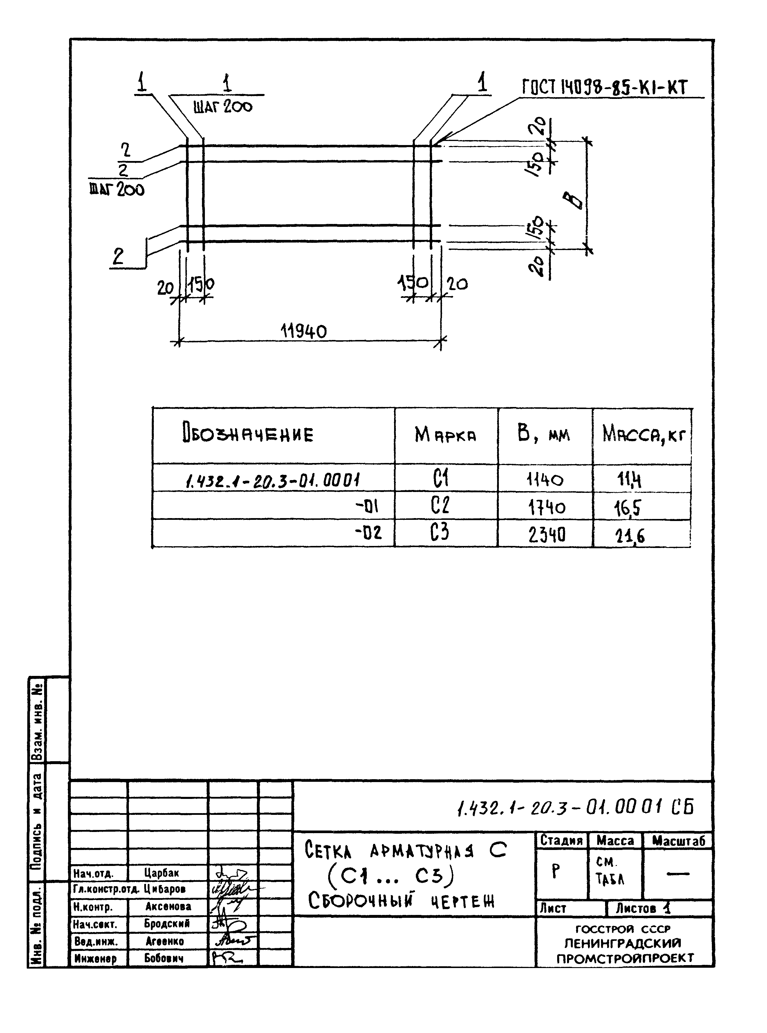
| Оглавление: | 1.432.1-20.3-00.0000 ТТ Технические требования 1.432.1-20.3-19.0100 Каркас пространственный КП1 1.432.1-20.3-19.0200 Каркас пространственный КП2 1.432.1-20.3-20.0100 Каркас пространственный КП (КП3, КП4) 1.432.1-20.3-20.0300 Каркас пространственный КП6 1.432.1-20.3-20.0200 Каркас пространственный КП5 1.432.1-20.3-01.0001 Сетка арматурная С (С1… С3) 1.432.1-20.3-01.0001 СБ Сетка арматурная С (С1… С3). Сборочный чертеж 1.432.1-20.3-01.0002 Сетка арматурная С4 1.432.1-20.3-01.0003 Сетка арматурная С5 1.432.1-20.3-01.0004 Сетка арматурная С6 1.432.1-20.3-14.0001 Сетка арматурная С7 1.432.1-20.3-19.0001 Сетка арматурная С8 1.432.1-20.3-19.0102 Сетка арматурная С9 1.432.1-20.3-19.0202 Сетка арматурная С10 1.432.1-20.3-20.0001 Сетка арматурная С11 1.432.1-20.3-20.0102 Сетка арматурная С12 1.432.1-20.3-20.0103 Сетка арматурная С13 1.432.1-20.3-20.0301 Сетка арматурная С14 1.432.1-20.3-20.0201 Сетка арматурная С15 1.432.1-20.3-01.0005 Каркас плоский КР (КР1, КР2, КР6… КР8) 1.432.1-20.3-01.0005 СБ Каркас плоский КР (КР1, КР2, КР6… КР8). Сборочный чертеж 1.432.1-20.3-01.0006 Каркас плоский КР (КР3… КР5) 1.432.1-20.3-01.0006 СБ Каркас плоский КР (КР3… КР5). Сборочный чертеж 1.432.1-20.3-01.0007 Каркас плоский КР (КР9… КР11) 1.432.1-20.3-01.0007 СБ Каркас плоский КР (КР9… КР11). Сборочный чертеж 1.432.1-20.3-22.0001 Каркас плоский КР (КР13… КР15) 1.432.1-20.3-22.0001 СБ Каркас плоский КР (КР13… КР15). Сборочный чертеж 1.432.1-20.3-23.0001 Каркас плоский КР (КР16… КР18) 1.432.1-20.3-23.0001 СБ Каркас плоский КР (КР16… КР18). Сборочный чертеж 1.432.1-20.3-24.0001 Каркас плоский КР (КР19… КР21) 1.432.1-20.3-24.0001 СБ Каркас плоский КР (КР19… КР21). Сборочный чертеж 1.432.1-20.3-19.0101 Каркас плоский КР22 1.432.1-20.3-19.0201 Каркас плоский КР23 1.432.1-20.3-01.0008 Каркас плоский КР12 1.432.1-20.3-20.0101 Каркас плоский КР24 1.432.1-20.3-20.0302 Каркас плоский КР25 1.432.1-20.3-20.0202 Каркас плоский КР26 1.432.1-20.3-01.0009 Изделие закладное МН1 1.432.1-20.3-10.0001 Изделие закладное МН2 1.432.1-20.3-04.0001 Изделие закладное МН3 1.432.1-20.3-07.0001 Изделие закладное МН4 1.432.1-20.3-13.0001 Изделие закладное МН5 1.432.1-20.3-13.0002 Изделие закладное МН6 1.432.1-20.3-22.0002 Изделие закладное МН7 1.432.1-20.3-10.0002 Изделие закладное МН8 |
| Разработан: | НИИЖБ Госстроя СССР Ленинградский Промстройпроект |
| Утверждён: | 28.12.1987 Госстрой СССР (Государственный комитет Совета Министров СССР по делам строительства) (USSR Gosstroy 6/6-4629) |
| Издан: | ЦИТП Госстроя СССР (CITP, Gosstroy (USSR) 1988 г. ) |
| Заменяет собой: | |
| Нормативные ссылки: |
|

















































