Скачать Серия 1.832.1-18.93 Выпуск 4. Арматурные и закладные изделия для фронтонных панелей. Рабочие чертежиДата актуализации: 01.01.2021
|
| Обозначение: | Серия 1.832.1-18.93 |
| Обозначение англ: | Series 1.832.1-18.93 |
| Статус: | действует |
| Название рус.: | Выпуск 4. Арматурные и закладные изделия для фронтонных панелей. Рабочие чертежи |
| Дата добавления в базу: | 01.09.2013 |
| Дата актуализации: | 01.01.2021 |
| Дата введения: | 01.01.1994 |
| Область применения: | Настоящие технические требования распространяются на арматурные и закладные изделия трапецеидальных стеновых двухслойных панелей из легких бетонов для сельскохозяйственных производственных зданий |
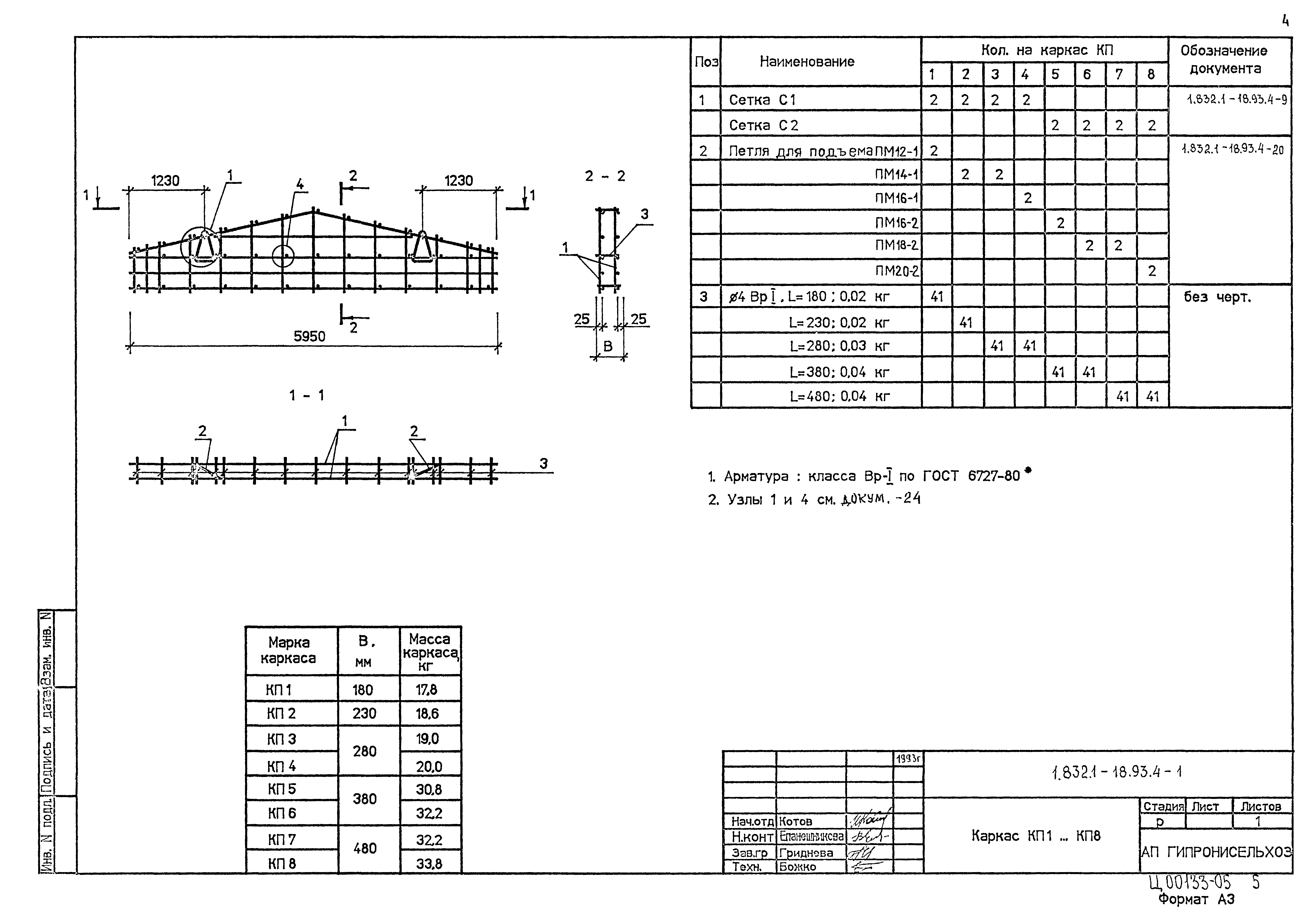
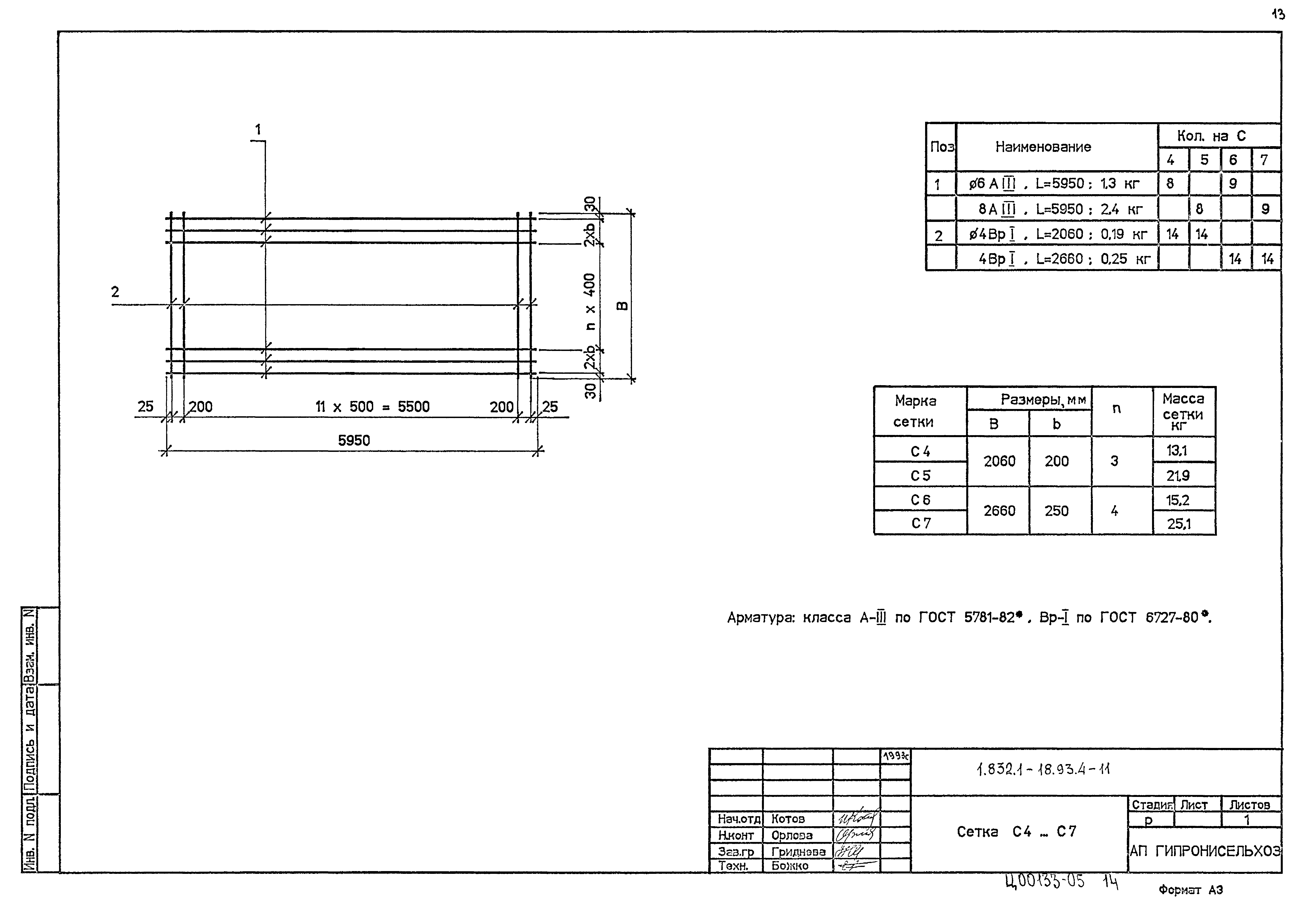
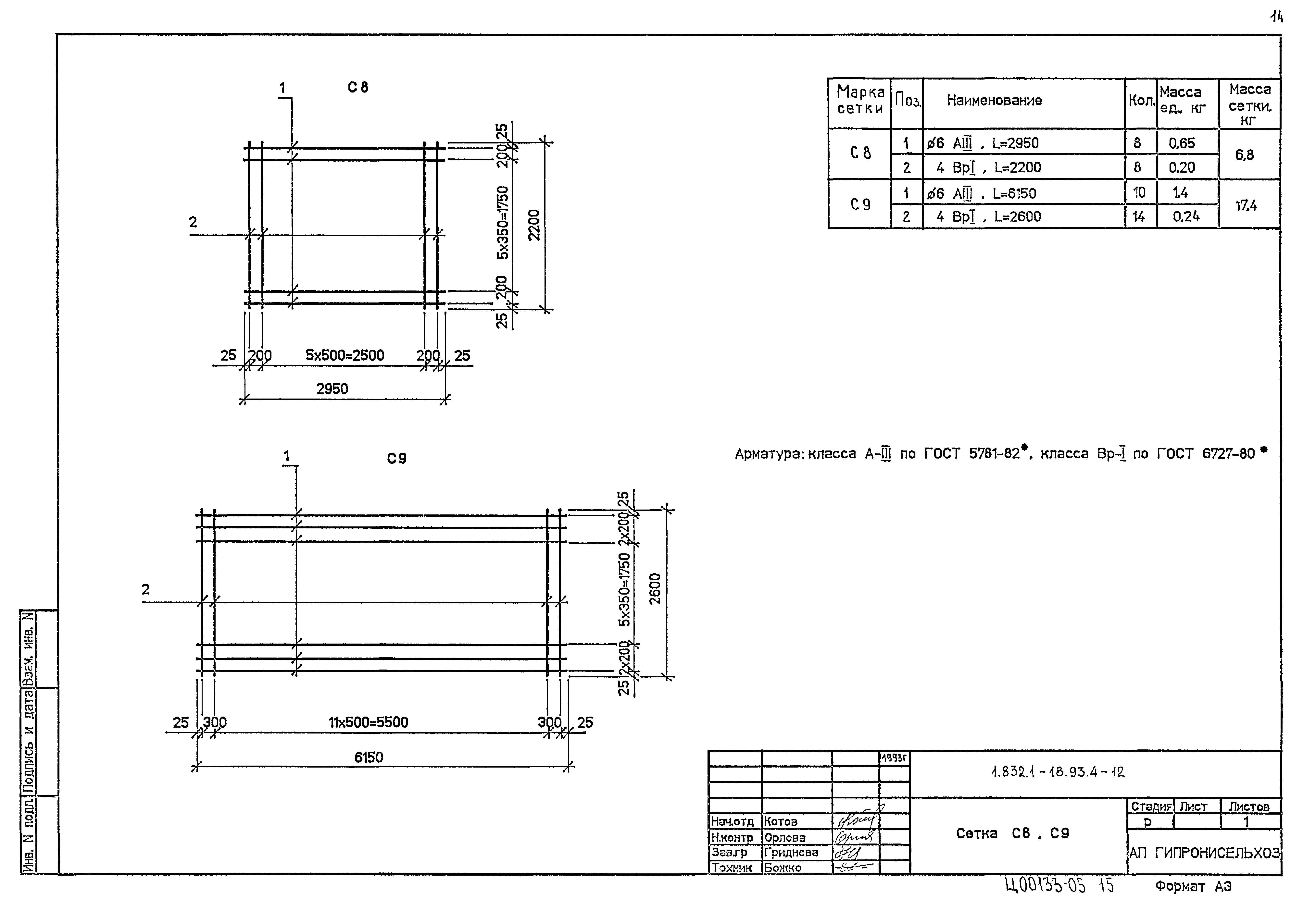
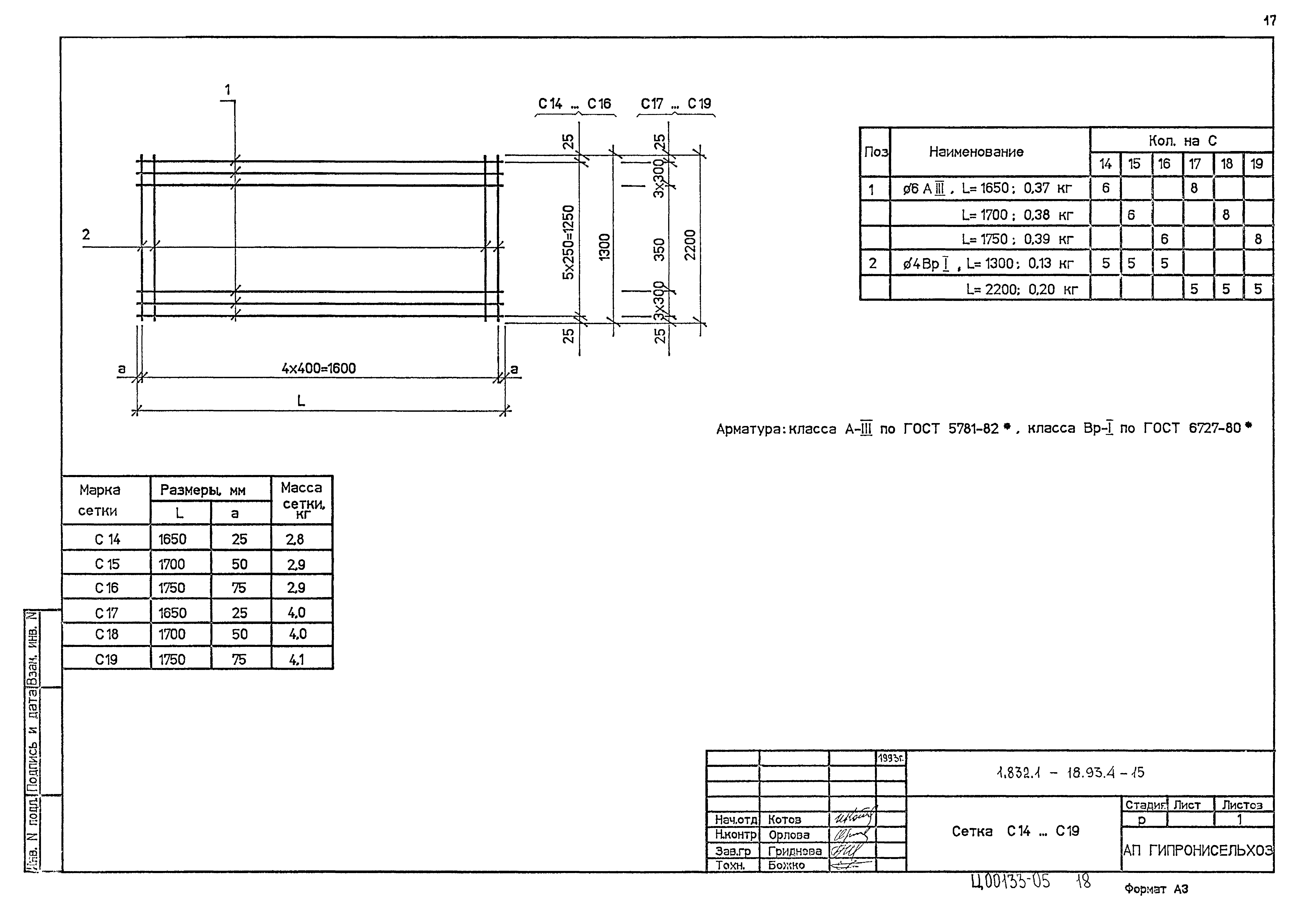
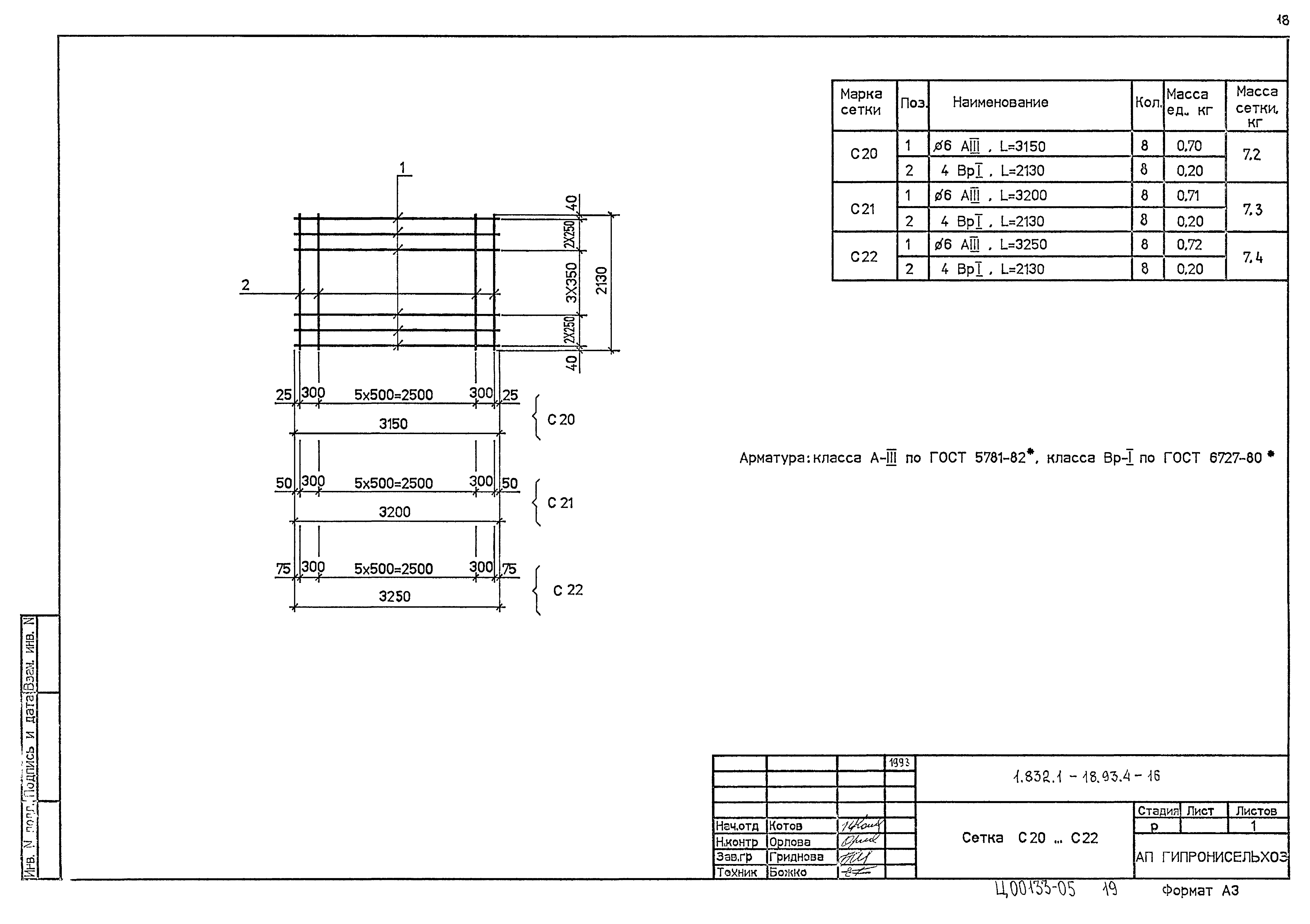
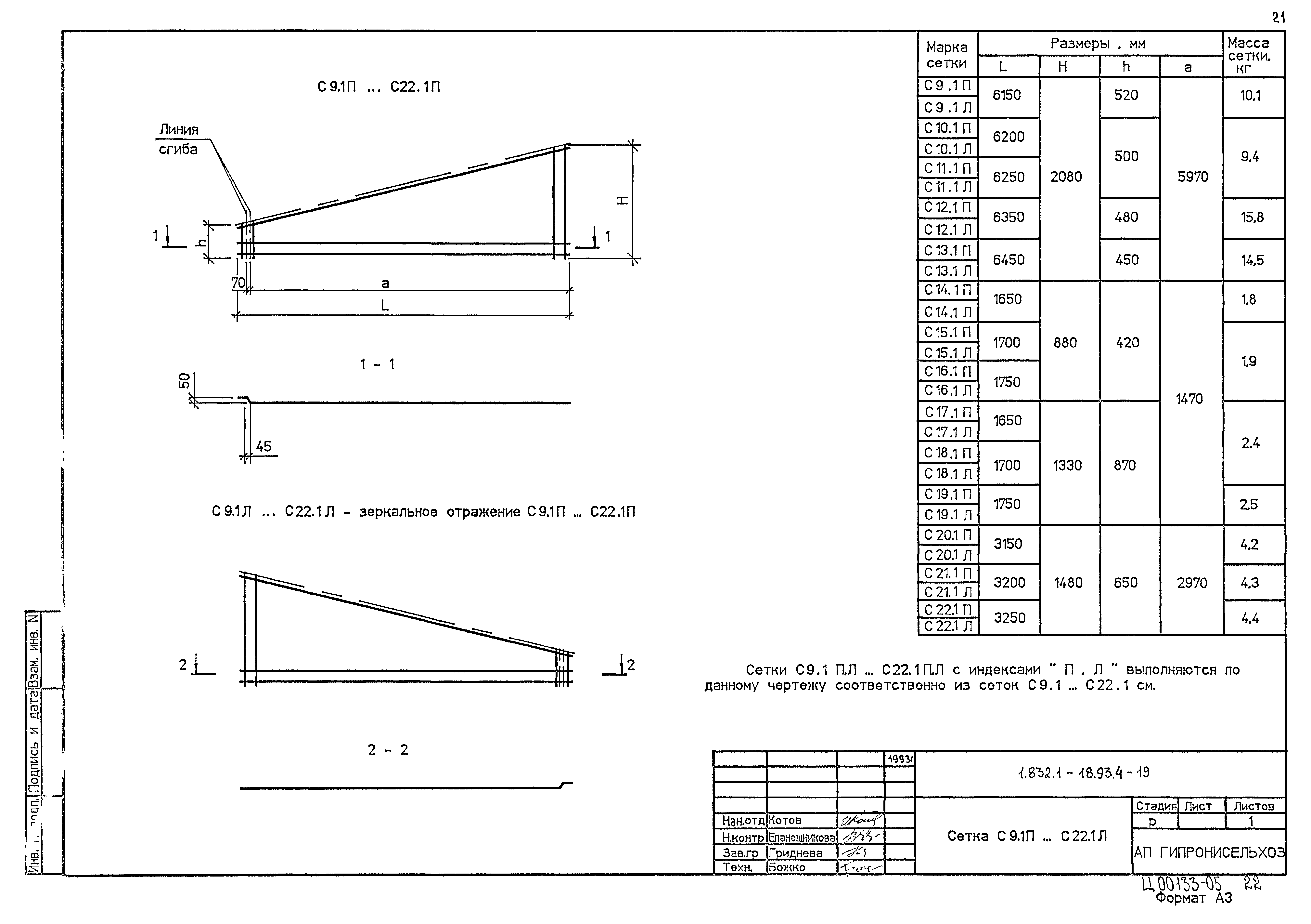
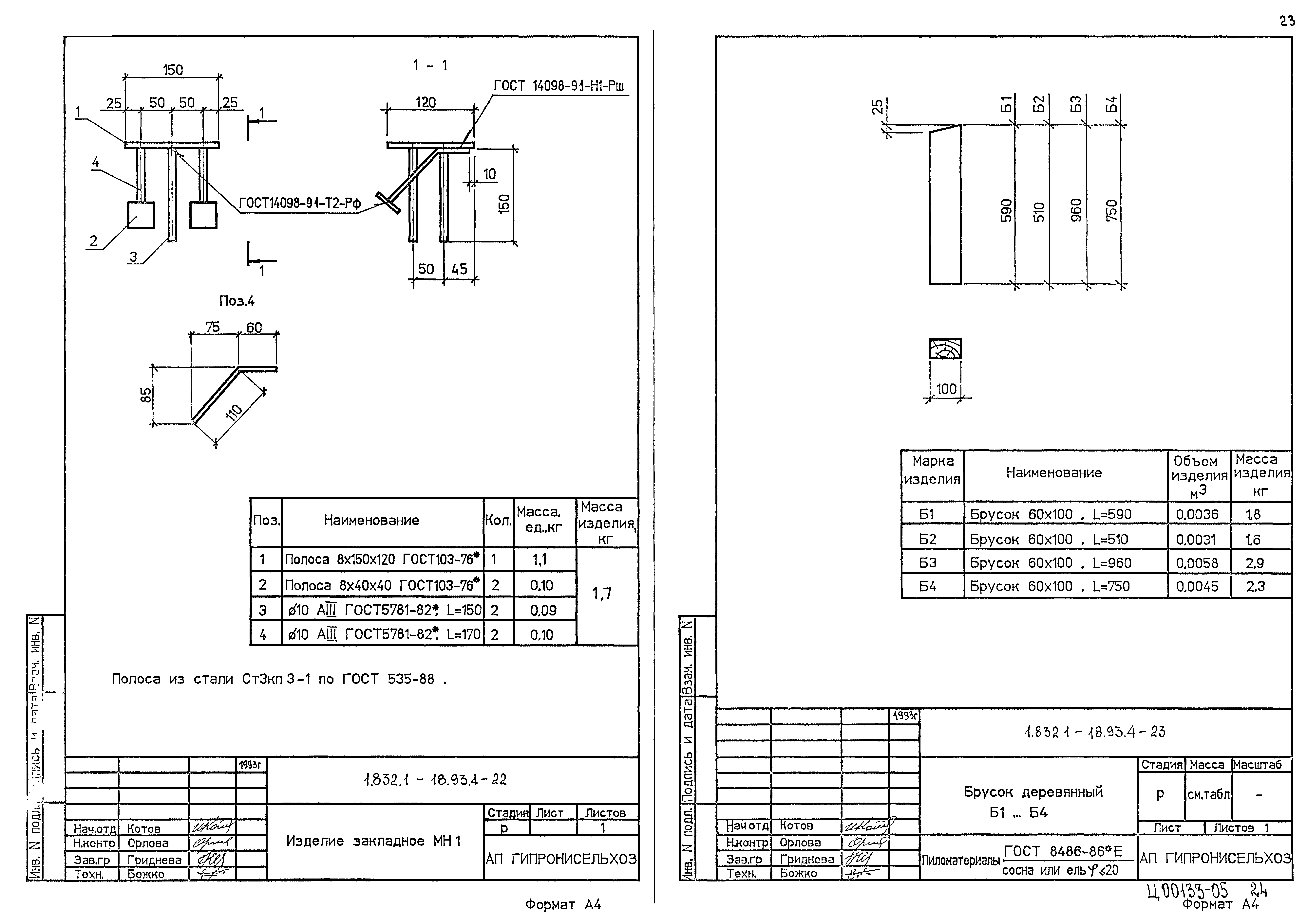
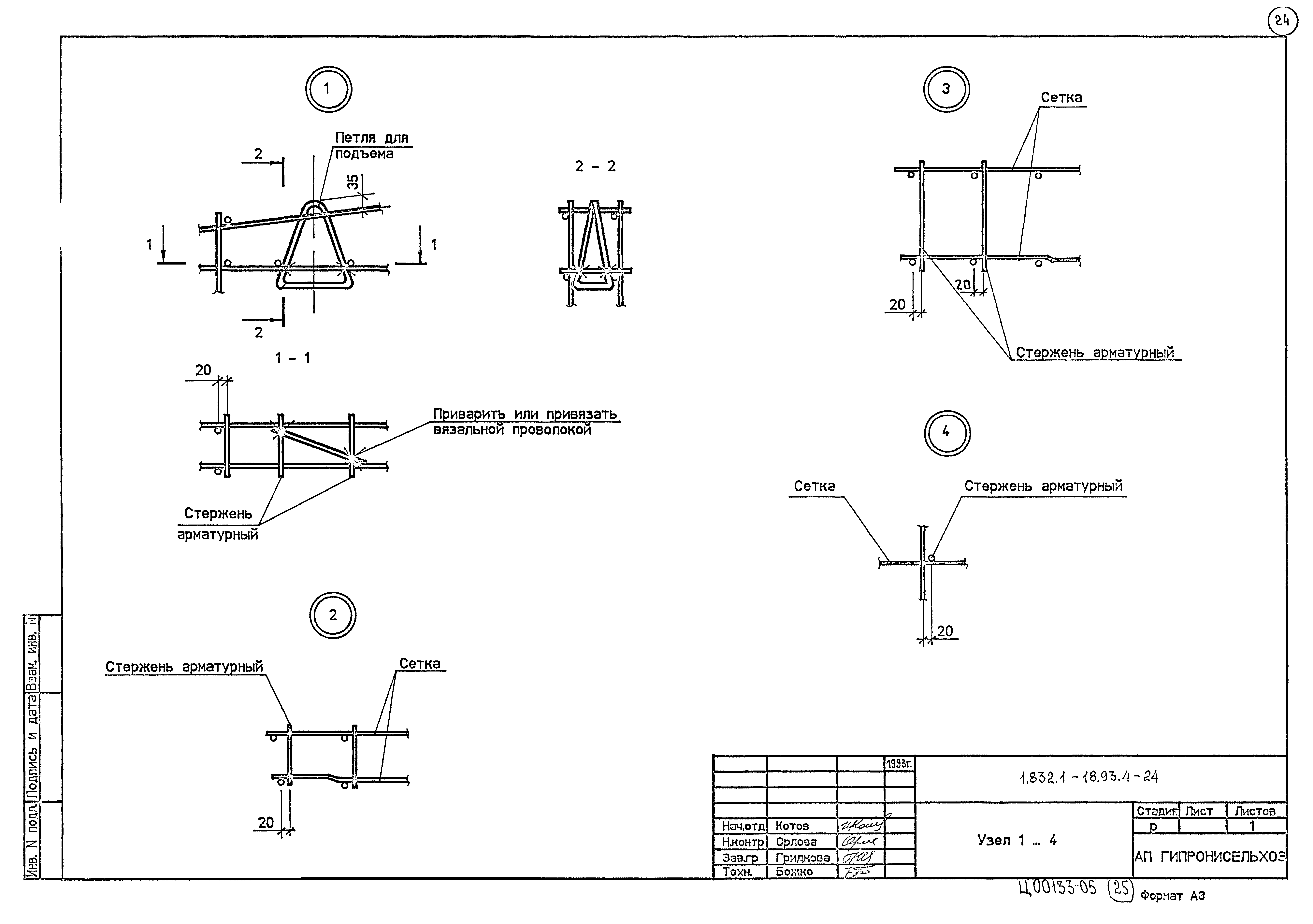
| Оглавление: | 1.832.1-18.93.4-ТТ Технические требования 1.832.1-18.93.4-1 Каркас КП1… КП8 1.832.1-18.93.4-2 Каркас КП9… КП11 1.832.1-18.93.4-3 Каркас КП12… КП26 1.832.1-18.93.4-4 Каркас КП27… КП34 1.832.1-18.93.4-5 Каркас КП35… КП40 1.832.1-18.93.4-6 Каркас КП41… КП43 1.832.1-18.93.4-7 Каркас КП44… КП55 1.832.1-18.93.4-8 Каркас КП56… КП61 1.832.1-18.93.4-9 Сетка С1, С2 1.832.1-18.93.4-10 Сетка С3 1.832.1-18.93.4-11 Сетка С4… С7 1.832.1-18.93.4-12 Сетка С8, С9 1.832.1-18.93.4-13 Сетка С10, С11 1.832.1-18.93.4-14 Сетка С12, С13 1.832.1-18.93.4-15 Сетка С14… С19 1.832.1-18.93.4-16 Сетка С20… С22 1.832.1-18.93.4-17 Сетка С4.1… С19.1 1.832.1-18.93.4-18 Сетка С20.1… С22.1 1.832.1-18.93.4-19 Сетка С9.1П… С22.1Л 1.832.1-18.93.4-20 Петля для подъема ПМ 10-1… Пм 25-1 1.832.1-18.93.4-21 Стержень арматурный 1.832.1-18.93.4-22 Изделие закладное МН 1 1.832.1-18.93.4-23 Брусок деревянный Б1… Б4 1.832.1-18.93.4-24 Узел 1… 4 |
| Разработан: | НИИЖБ ЦНИИЭПсельстрой ГипроНИсельхоз (Институт Гипронисельхоз ) |
| Утверждён: | 07.12.1993 Госстрой России (Russian Federation Gosstroy 9-3-2/263) |
| Заменяет собой: | |
| Нормативные ссылки: |
|
























