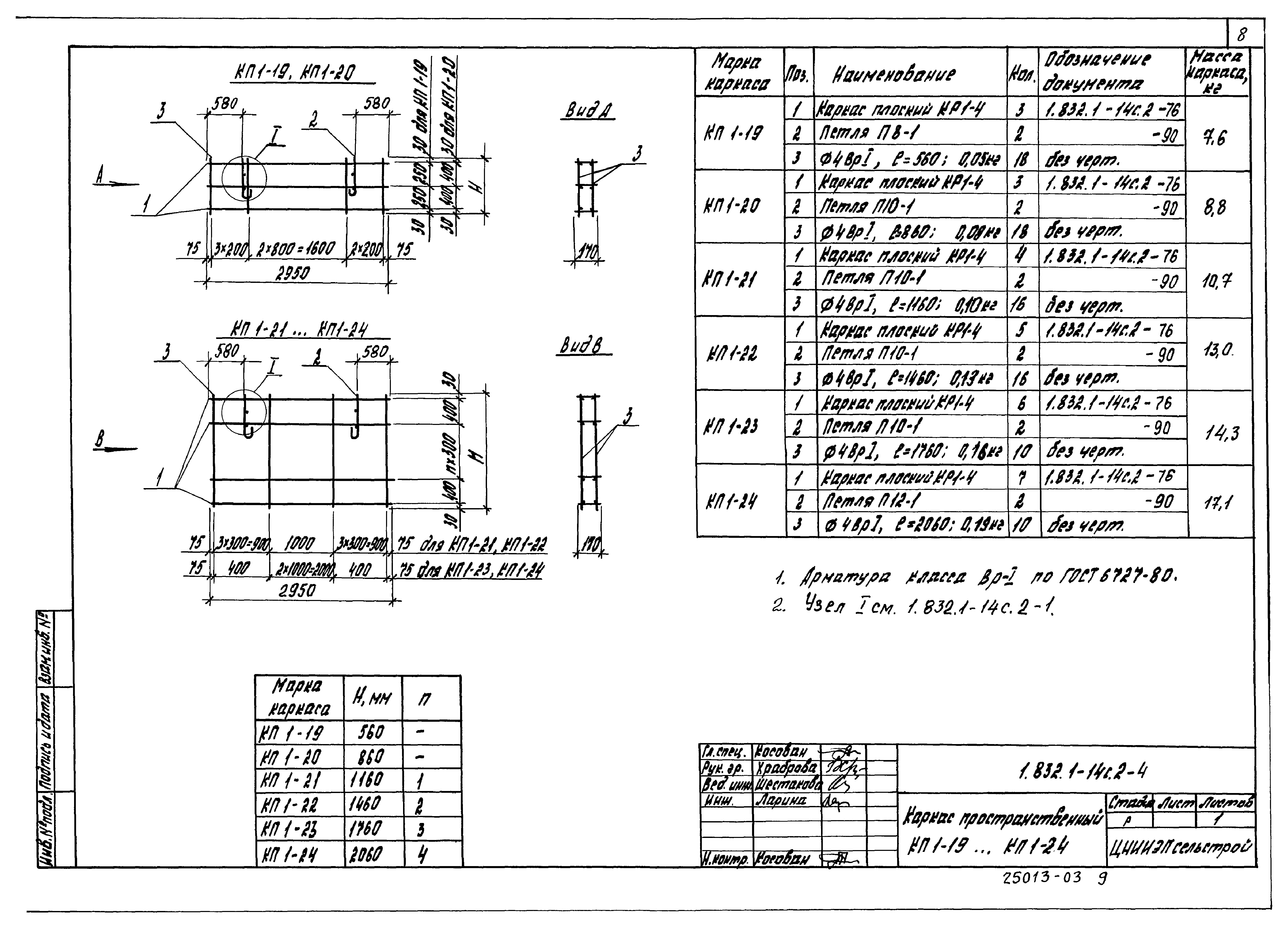
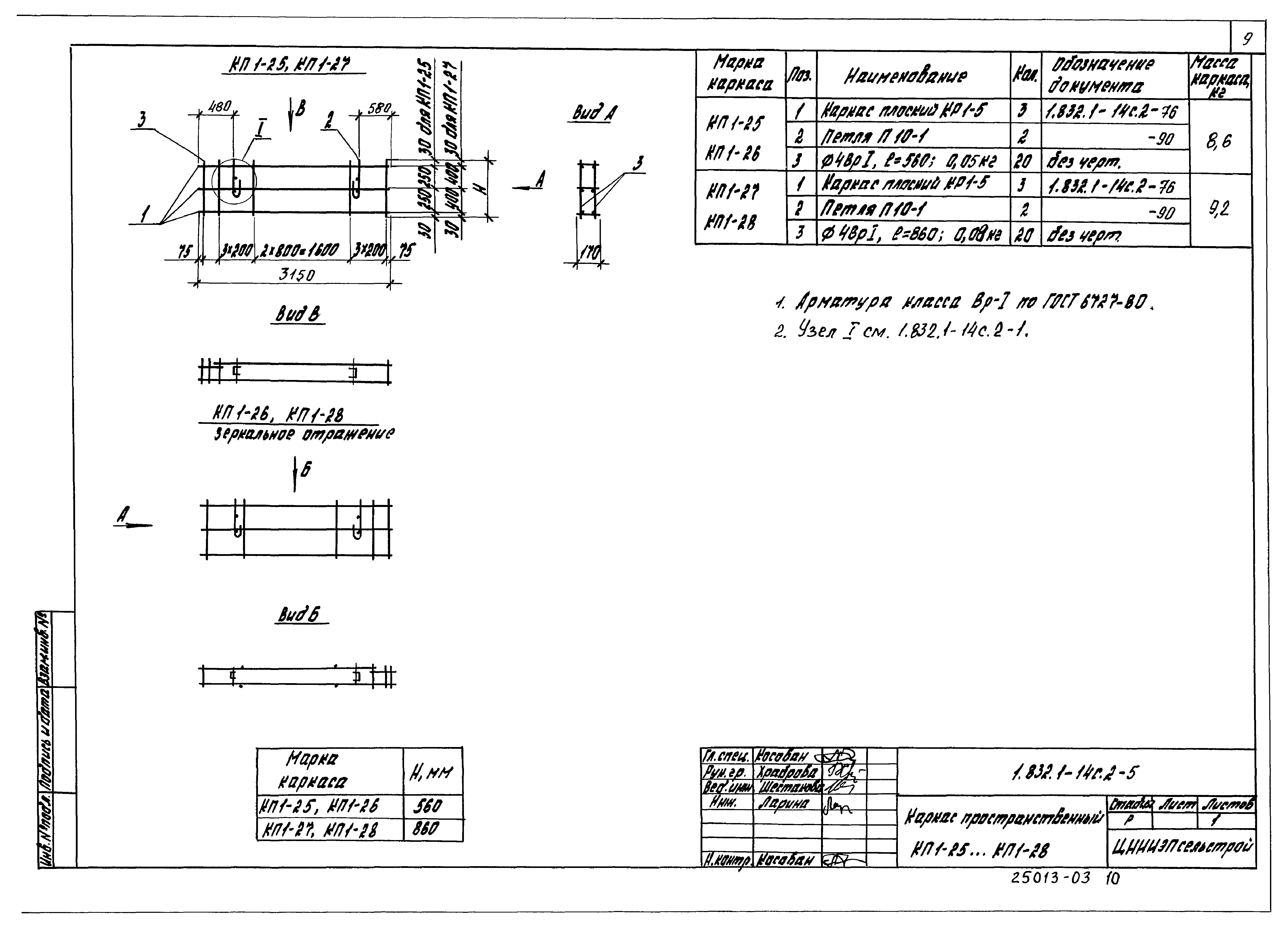
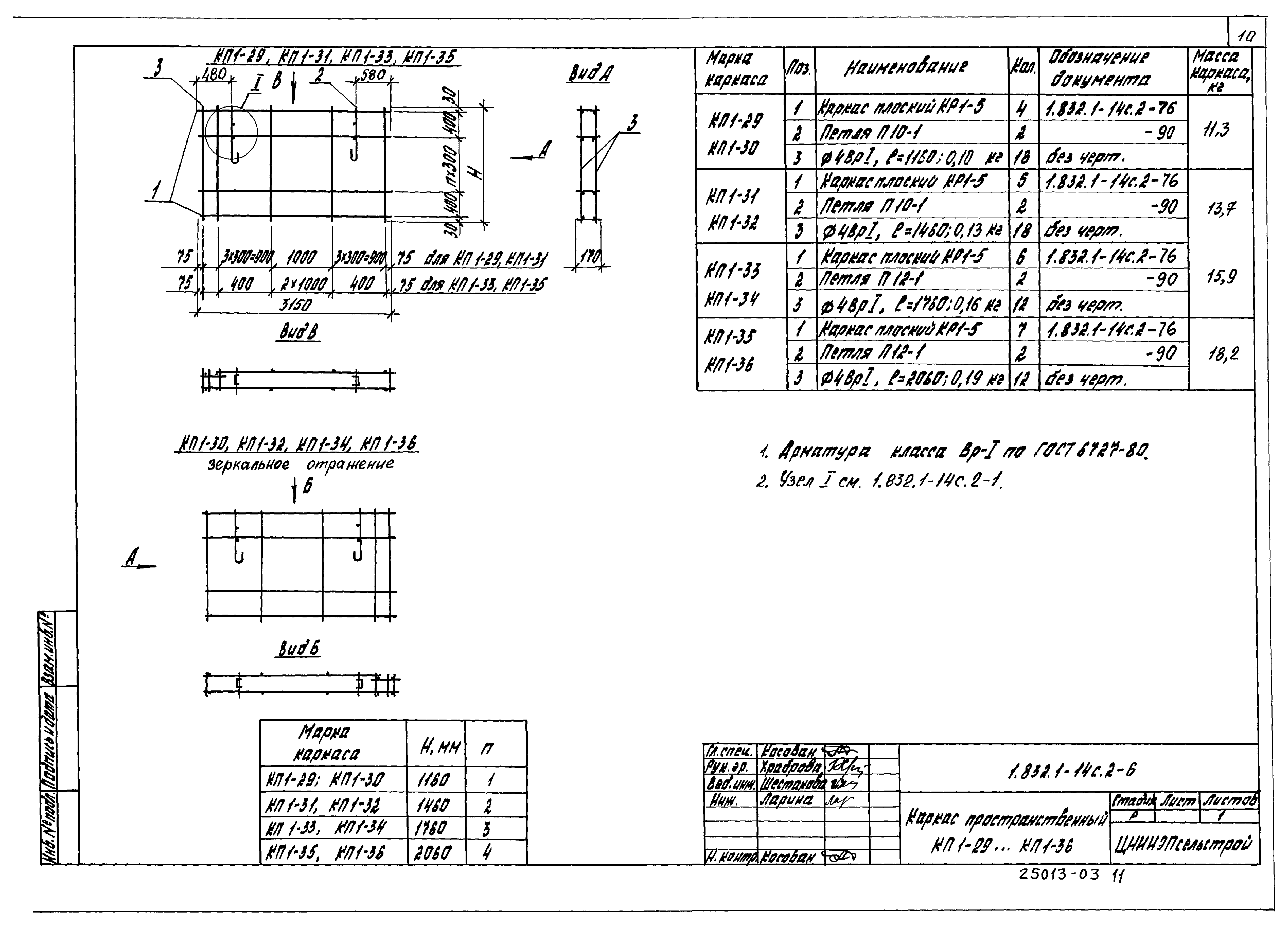
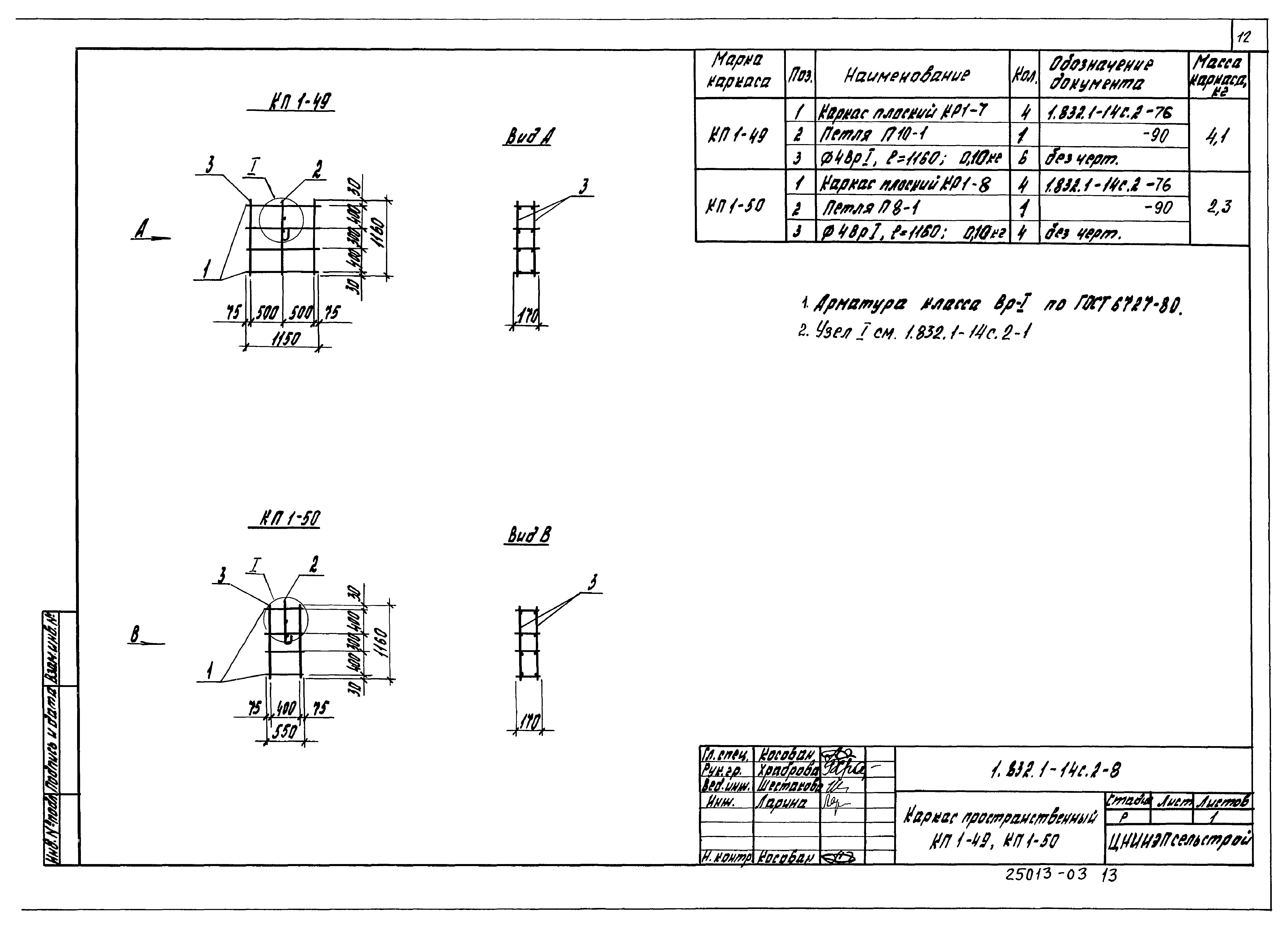
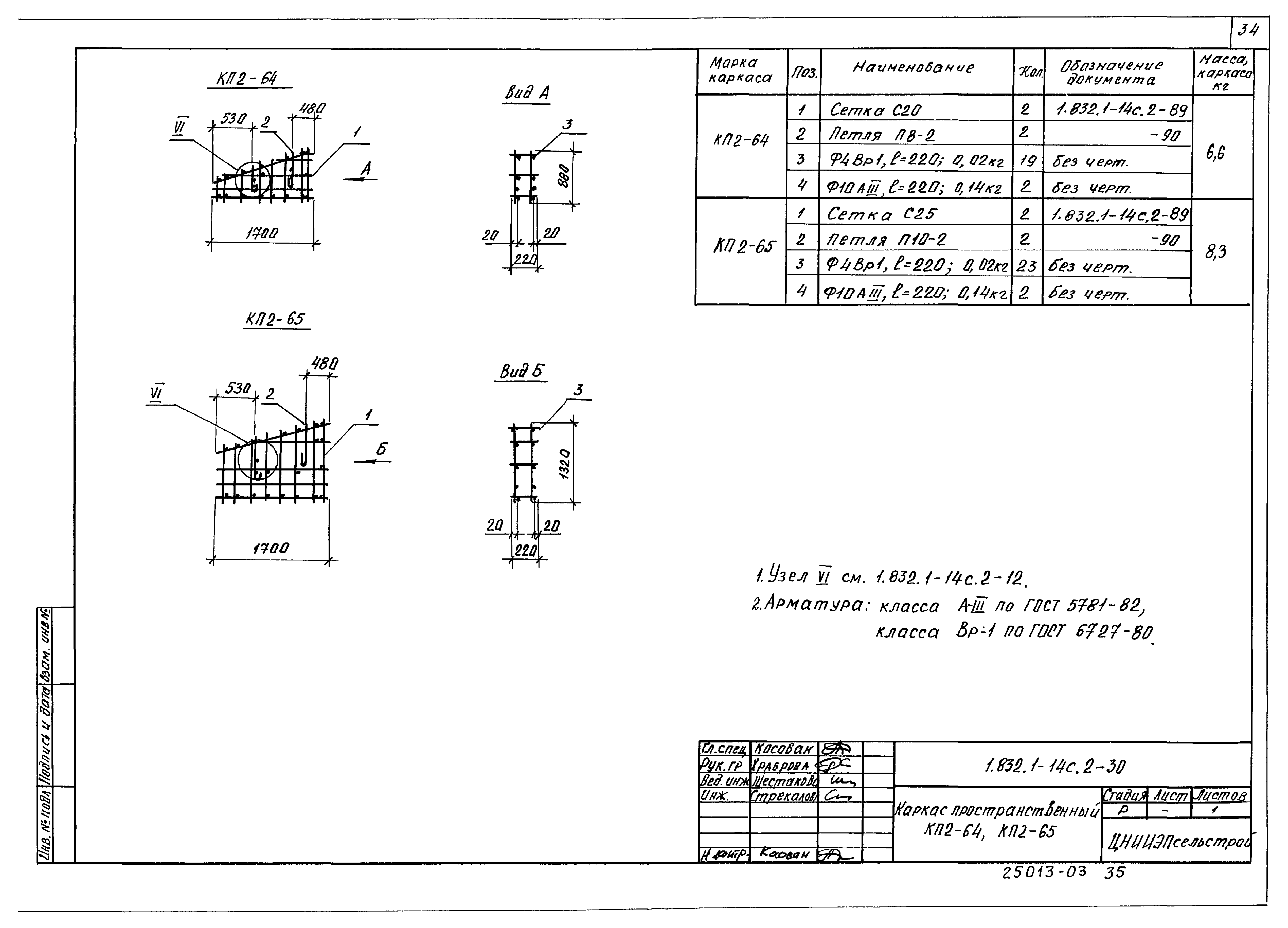
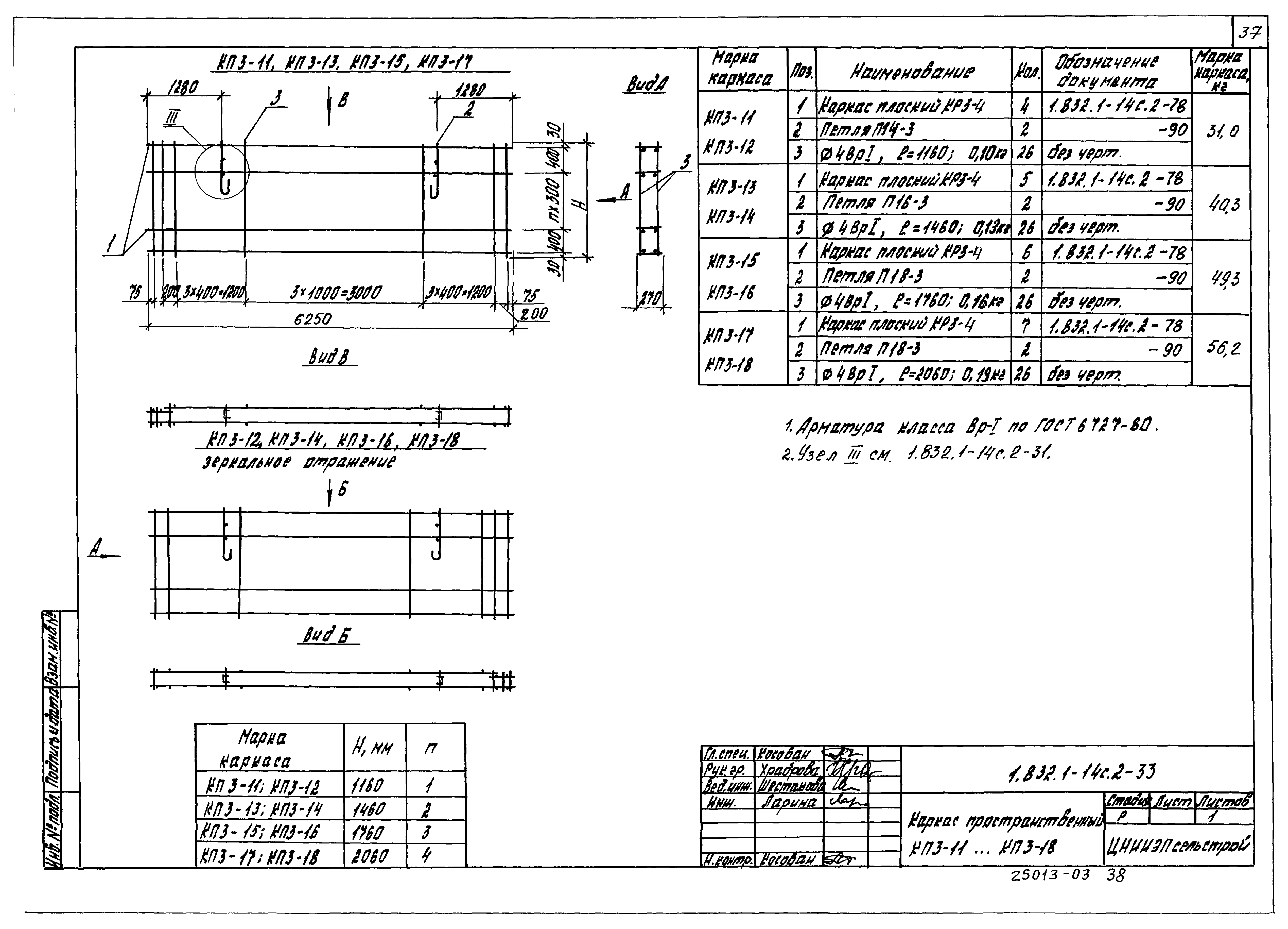
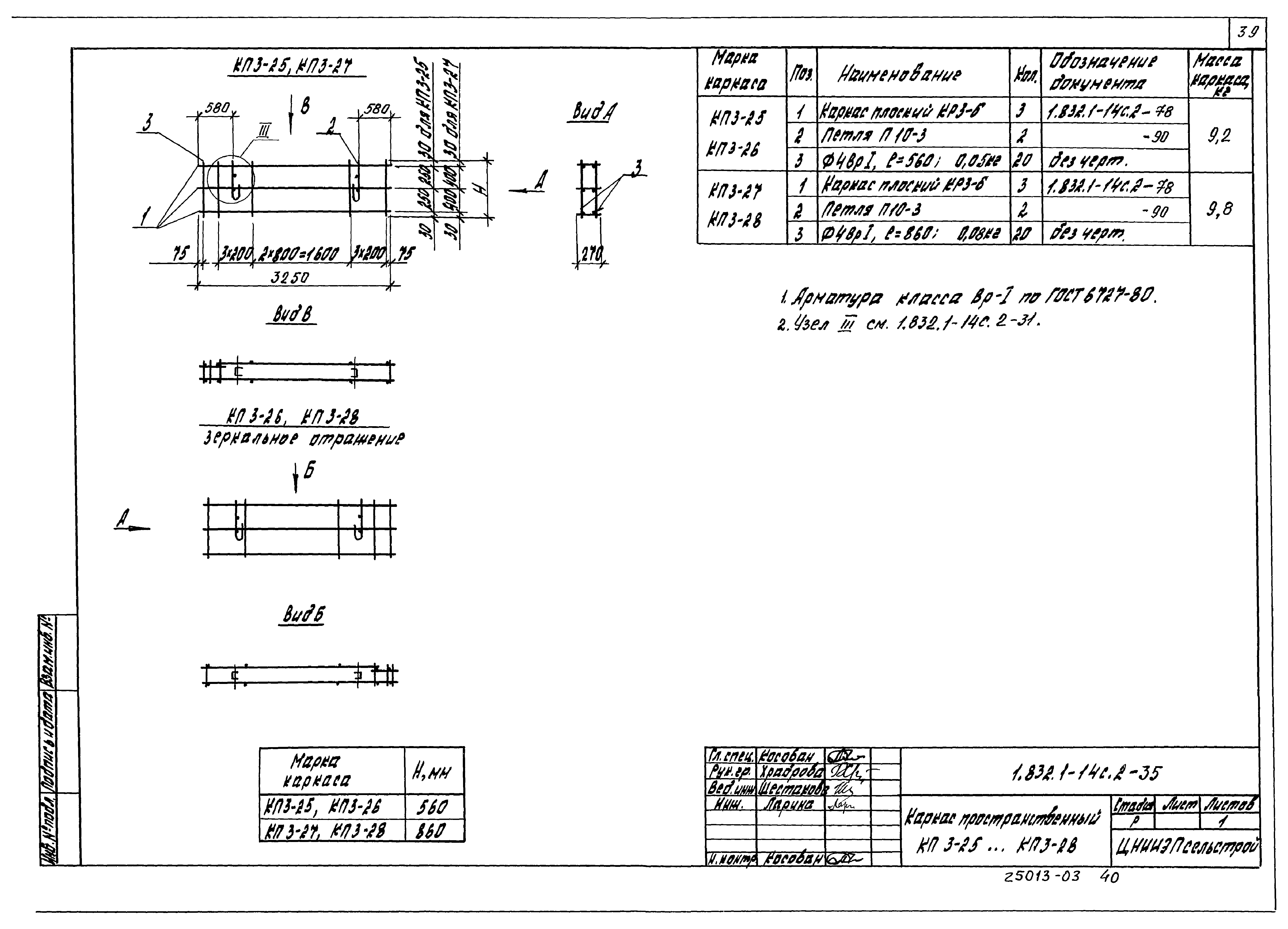
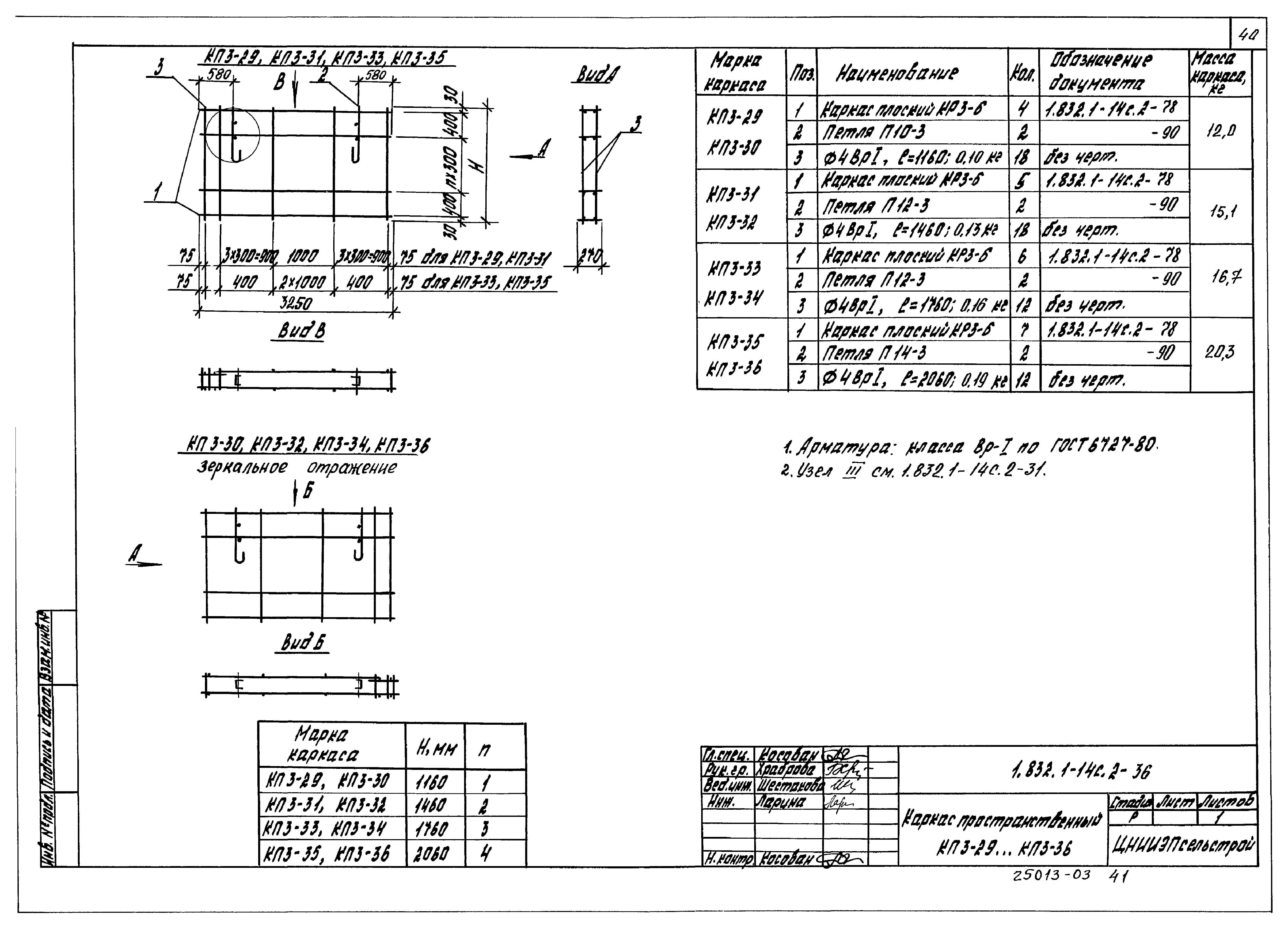
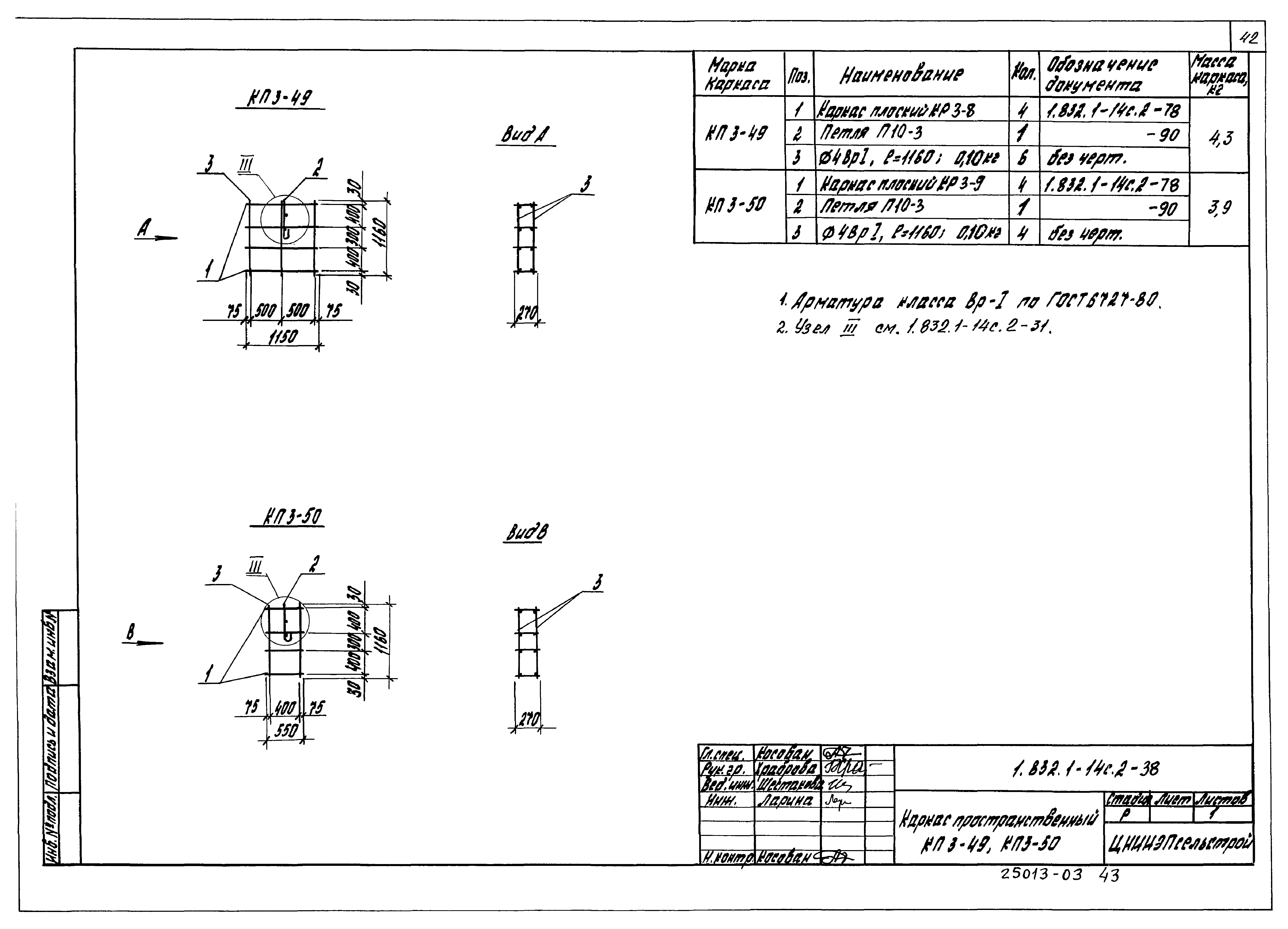
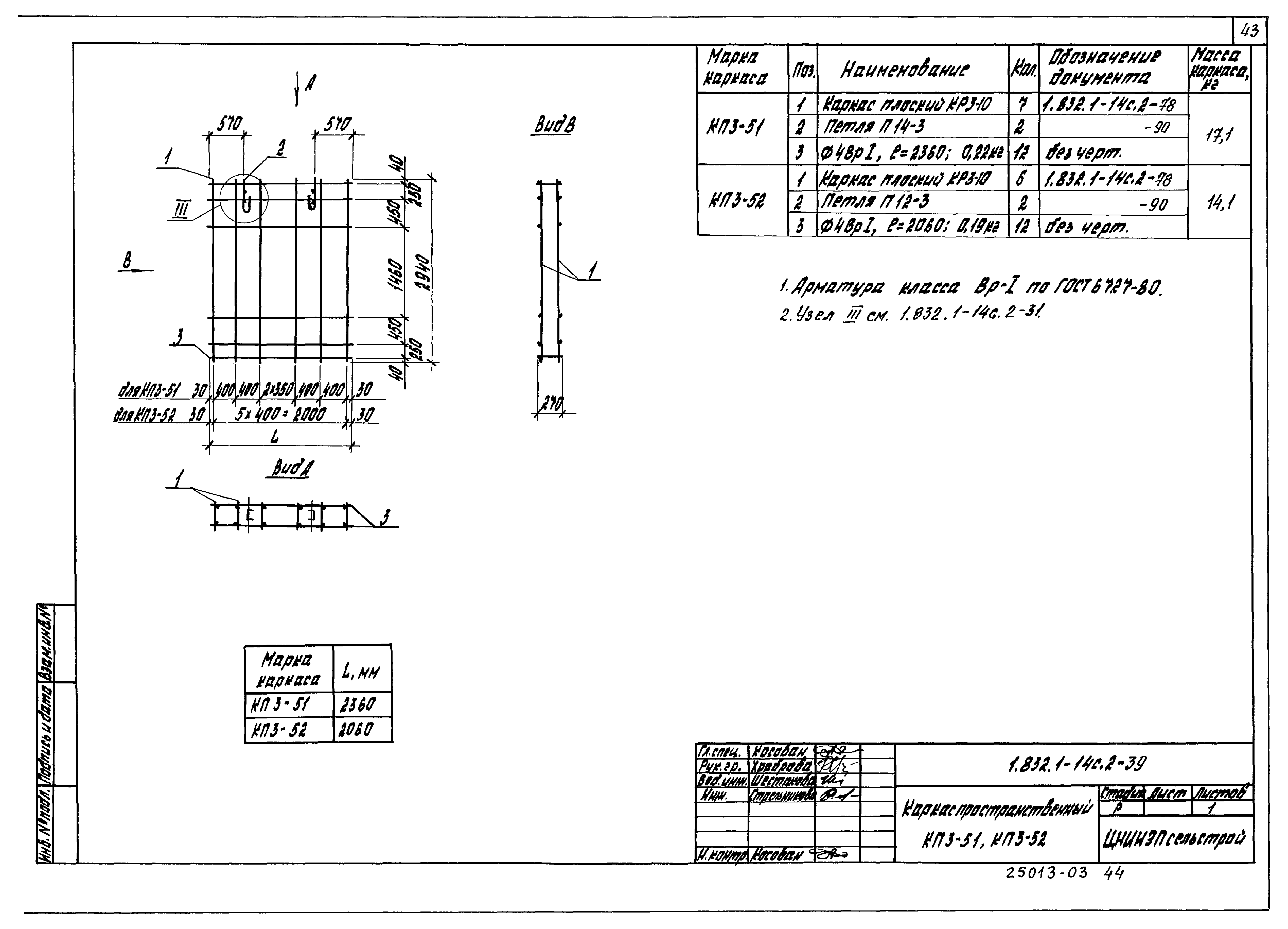
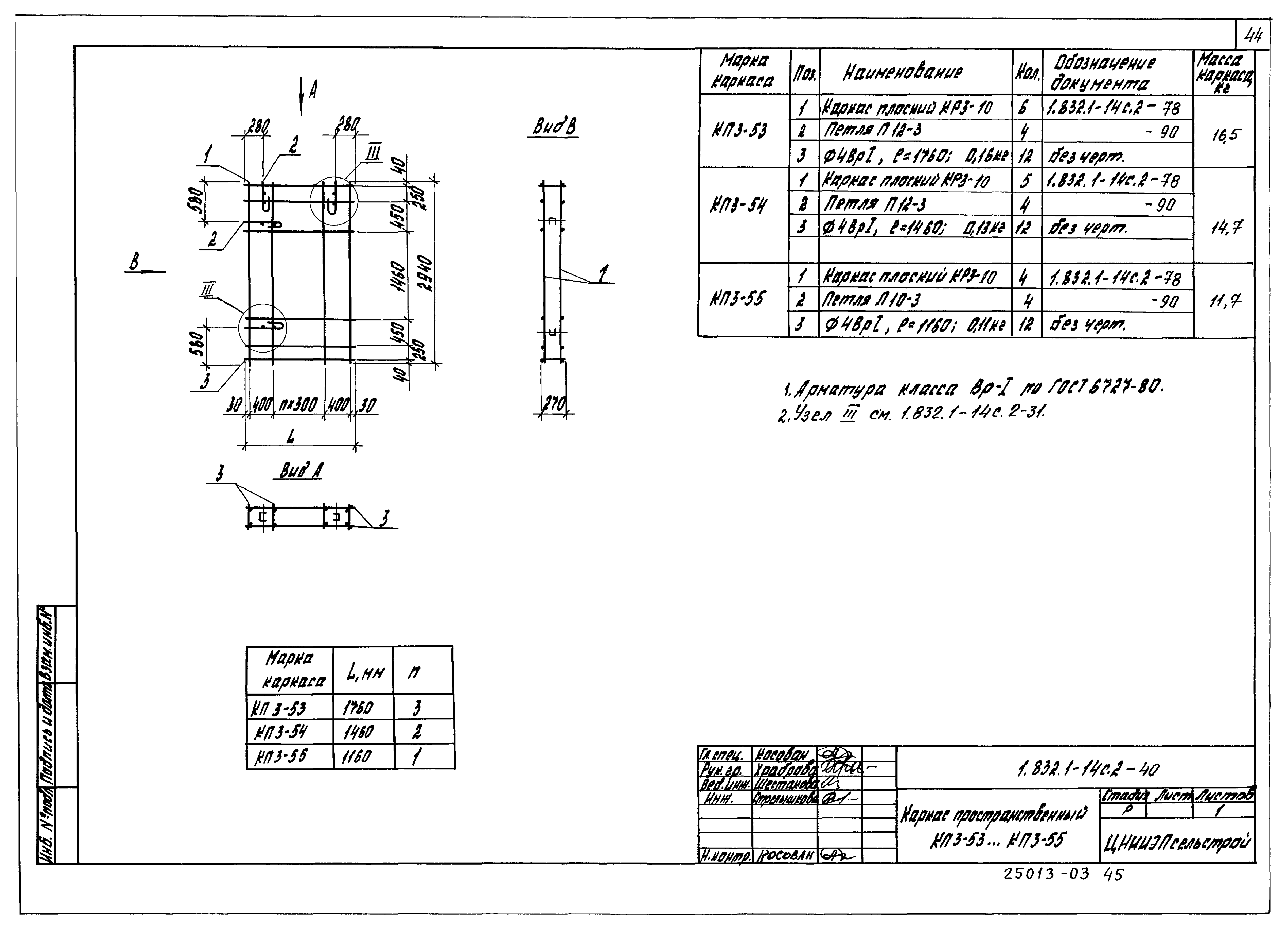
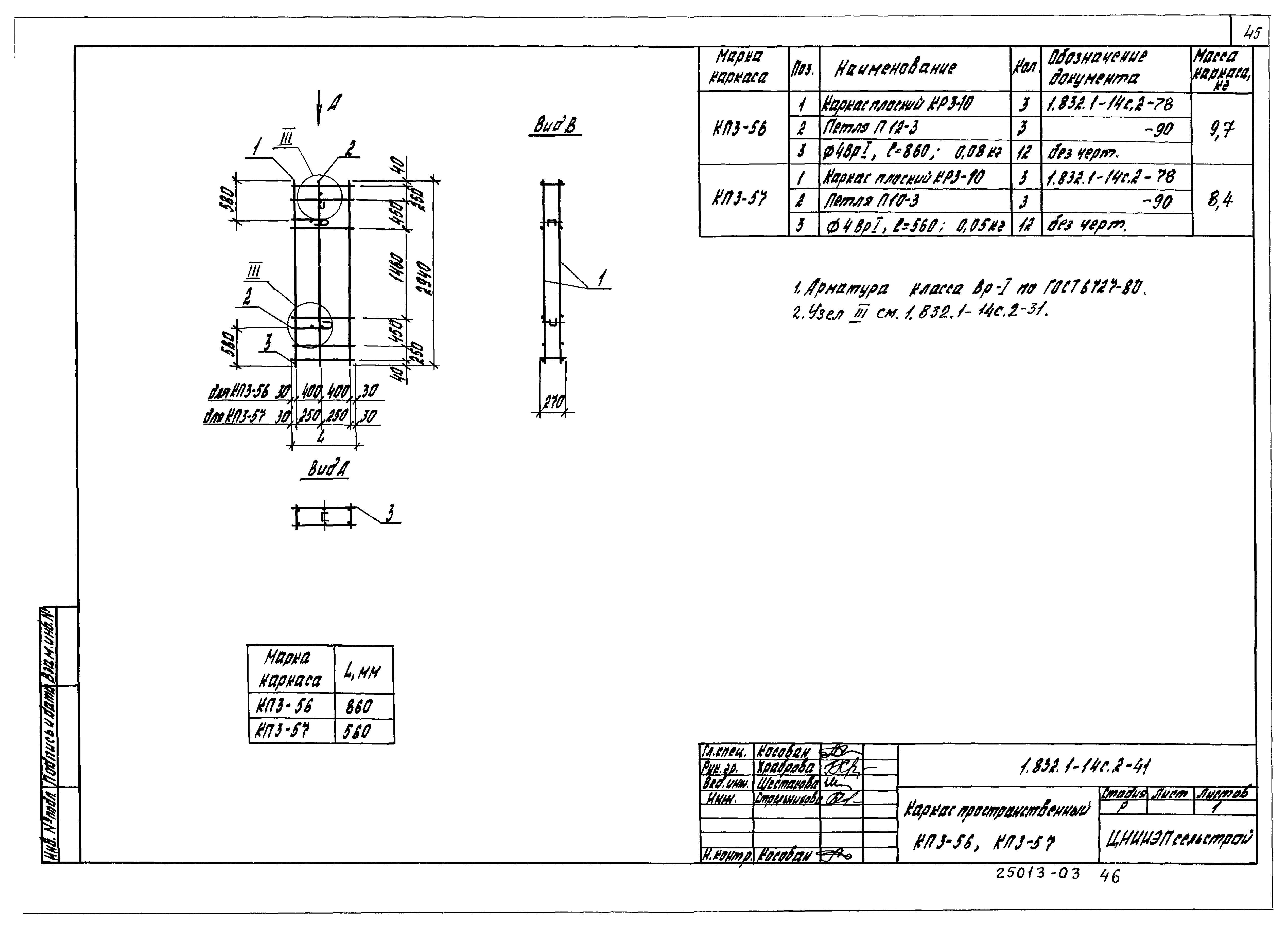
Скачать Серия 1.832.1-14с Выпуск 2. Книга 1. Панели стеновые и цокольные. Арматурные и закладные изделия. Рабочие чертежиДата актуализации: 01.01.2021 Серия 1.832.1-14с
Выпуск 2. Книга 1. Панели стеновые и цокольные. Арматурные и закладные изделия. Рабочие чертежи| Обозначение: | Серия 1.832.1-14с | | Обозначение англ: | Series 1.832.1-14с | | Статус: | действует | | Название рус.: | Выпуск 2. Книга 1. Панели стеновые и цокольные. Арматурные и закладные изделия. Рабочие чертежи | | Дата добавления в базу: | 01.01.2021 | | Дата актуализации: | 01.01.2021 | | Дата введения: | 15.08.1991 | | Разработан: | НИИЖБ ЦНИИЭПсельстрой
| | Утверждён: | 21.01.1991 Госстрой СССР (Государственный комитет Совета Министров СССР по делам строительства) (USSR Gosstroy 5/6-14)
|
                                               
|