Скачать Серия 1.131.1-23 Панели внутренних продольных и поперечных стен из тяжелого бетона для крупнопанельных жилых зданий с шагом поперечных стен 3,0 и 3,6 м и высотой этажа 2,8 м, изготавливаемые в кассетных формах. Рабочие чертежиДата актуализации: 01.01.2021
|
| Обозначение: | Серия 1.131.1-23 |
| Обозначение англ: | Series 1.131.1-23 |
| Статус: | не определен законодательством |
| Название рус.: | Панели внутренних продольных и поперечных стен из тяжелого бетона для крупнопанельных жилых зданий с шагом поперечных стен 3,0 и 3,6 м и высотой этажа 2,8 м, изготавливаемые в кассетных формах. Рабочие чертежи |
| Дата добавления в базу: | 01.09.2013 |
| Дата актуализации: | 01.01.2021 |
| Дата введения: | 15.05.1986 |
| Дата окончания срока действия: | 30.06.2003 |
| Область применения: | Стеновые панели для 5 - 9 - этажных зданий с шагом поперечных зданий с шагом поперечных стен 3,0 и 3,6 м и размерами планировочной сетки, кратными 600 мм (6 м) и высотой этажа 2,8 м |
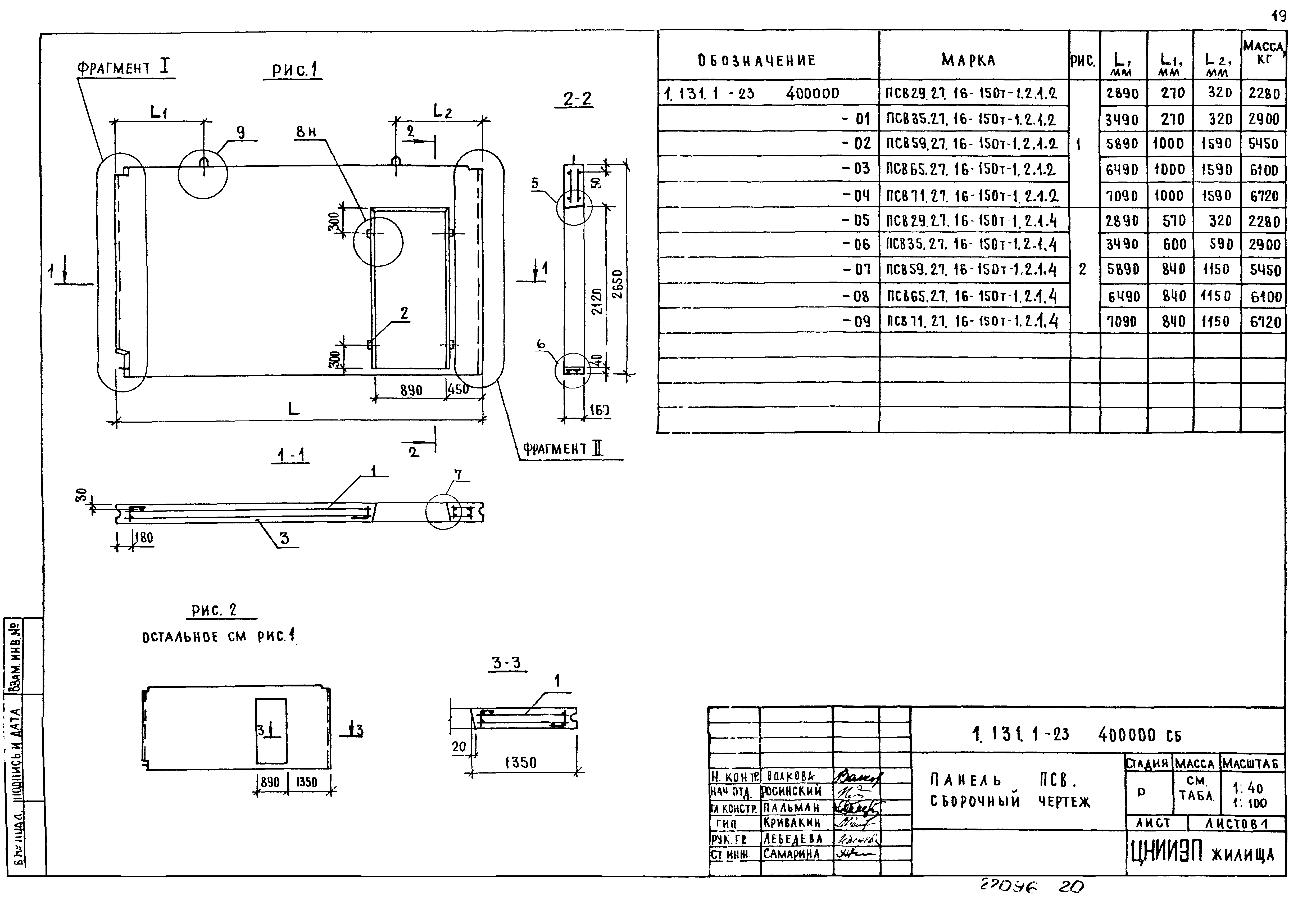
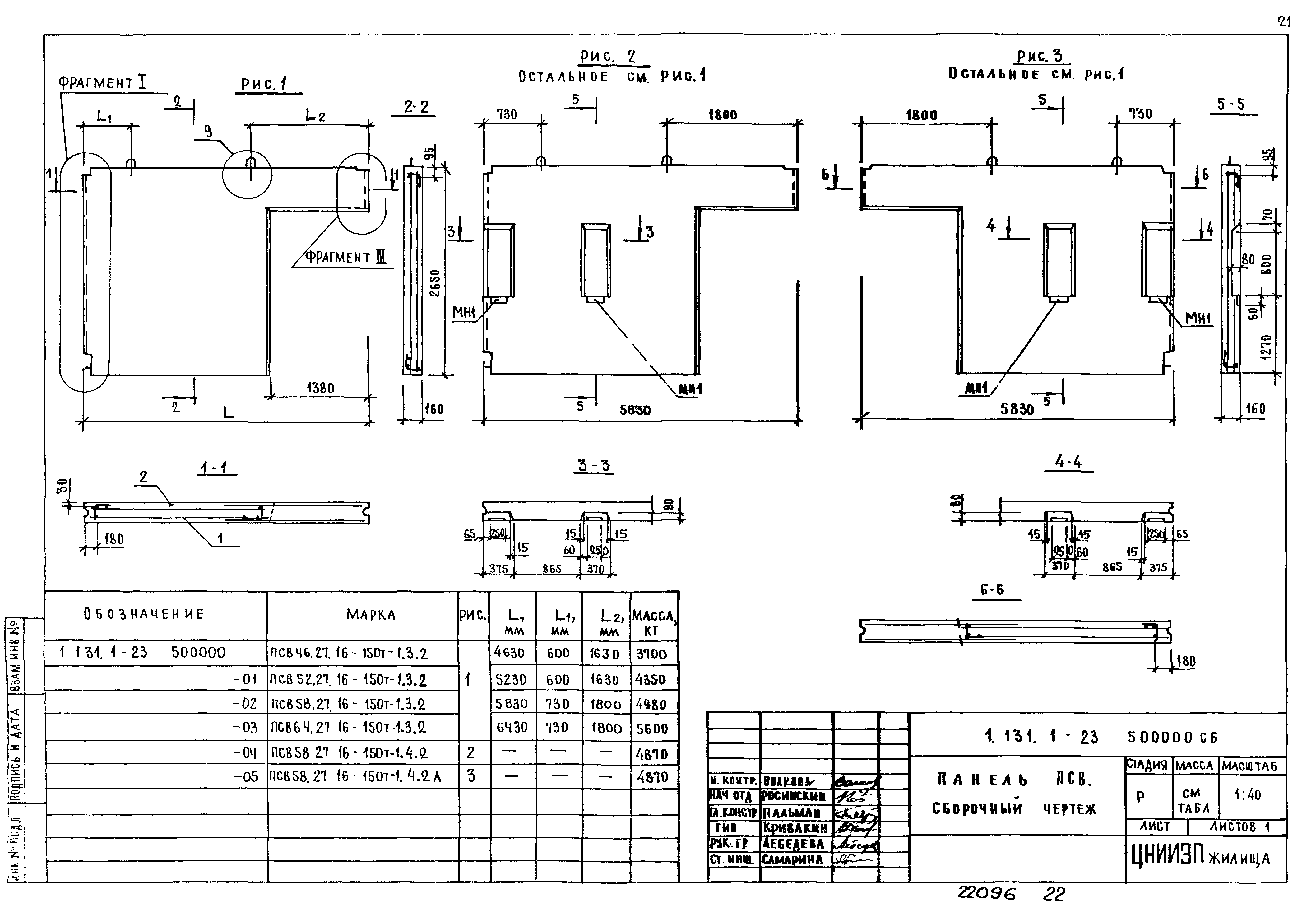
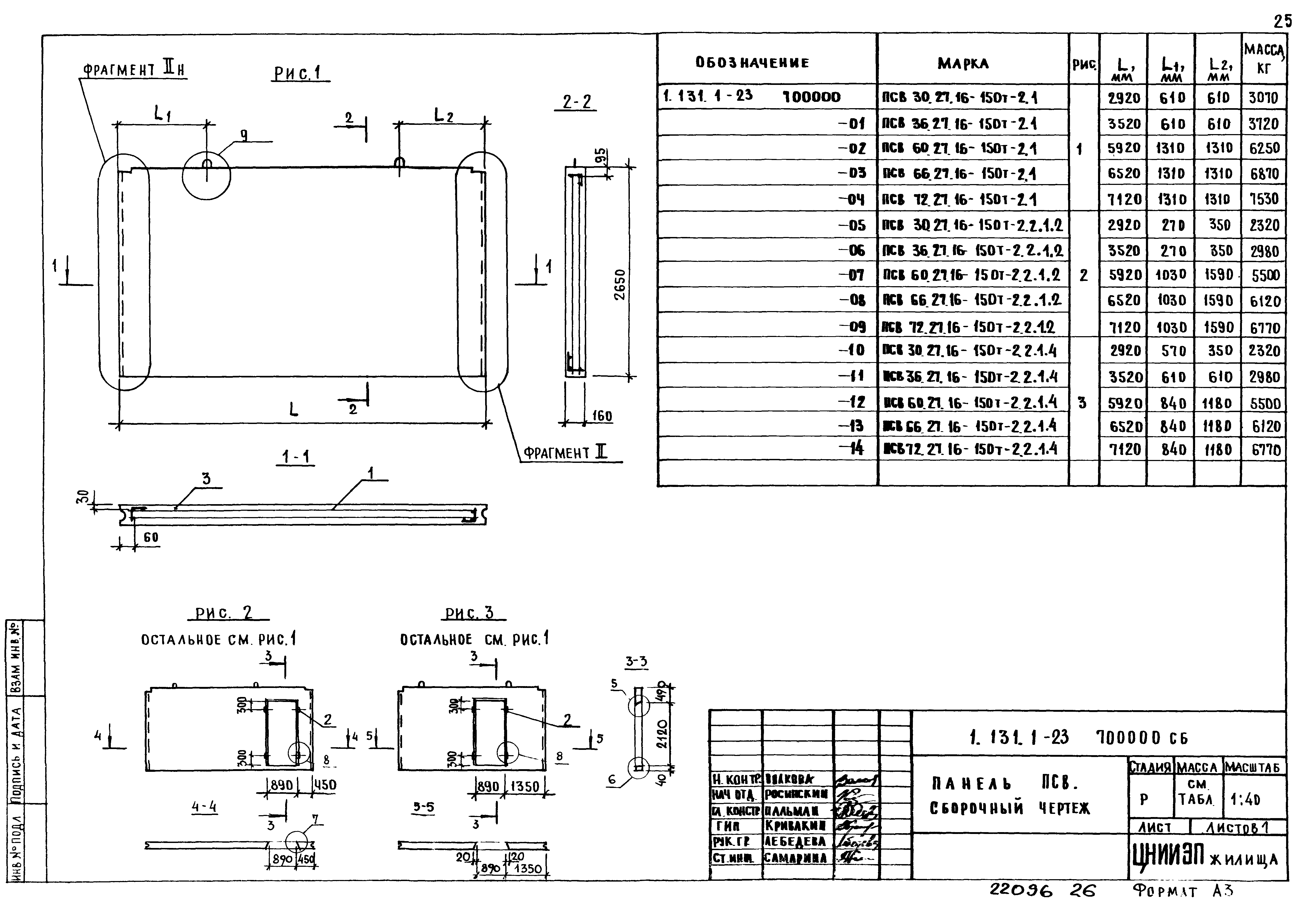
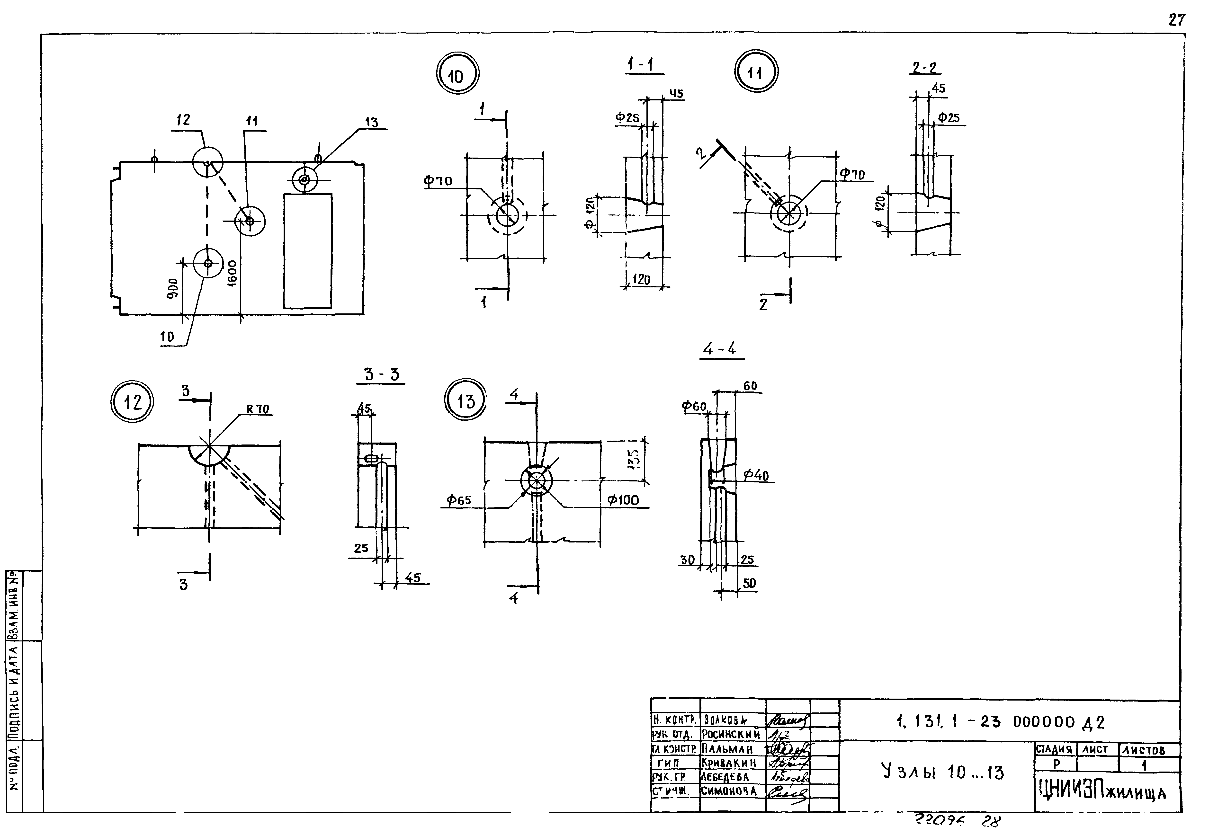
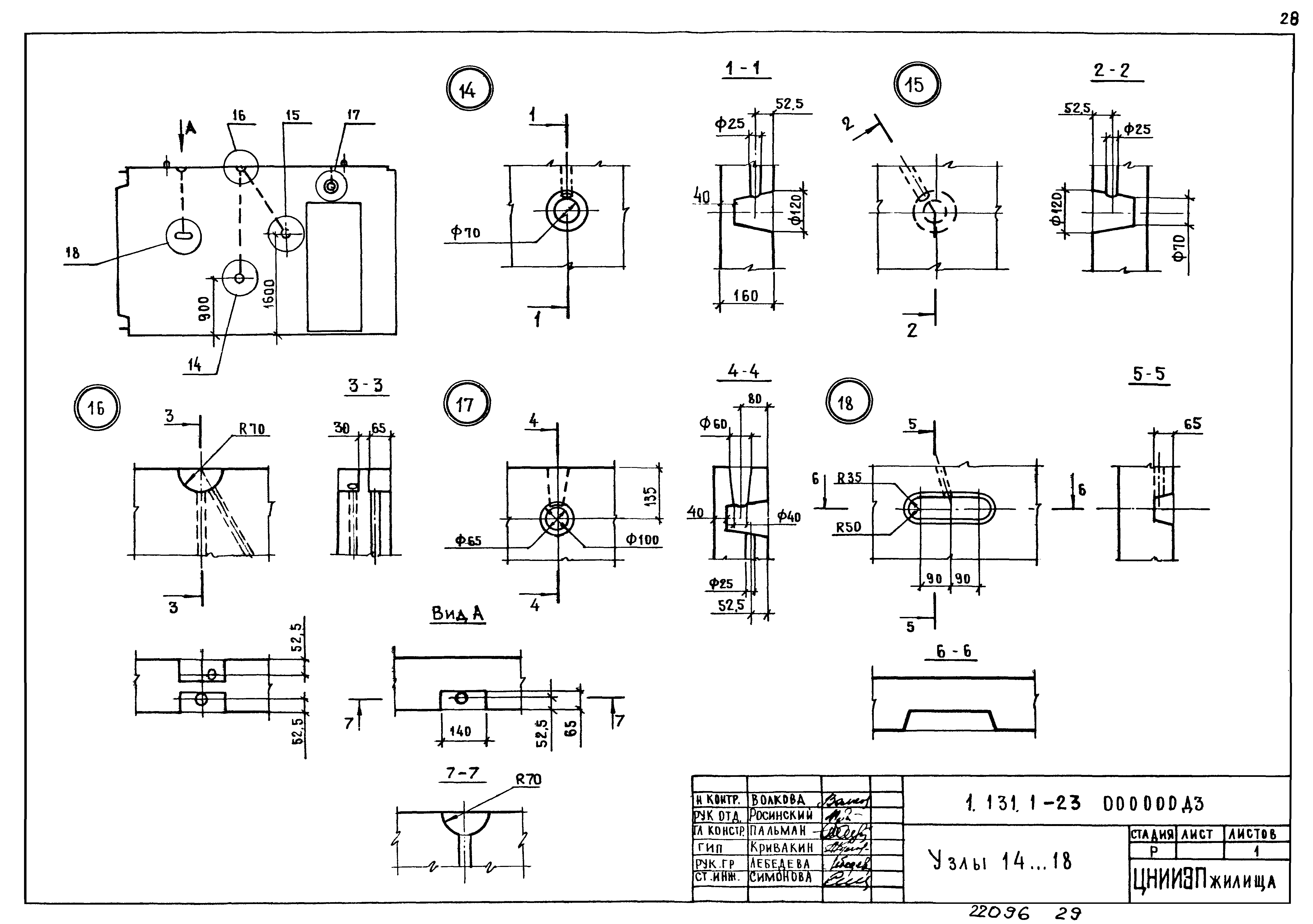
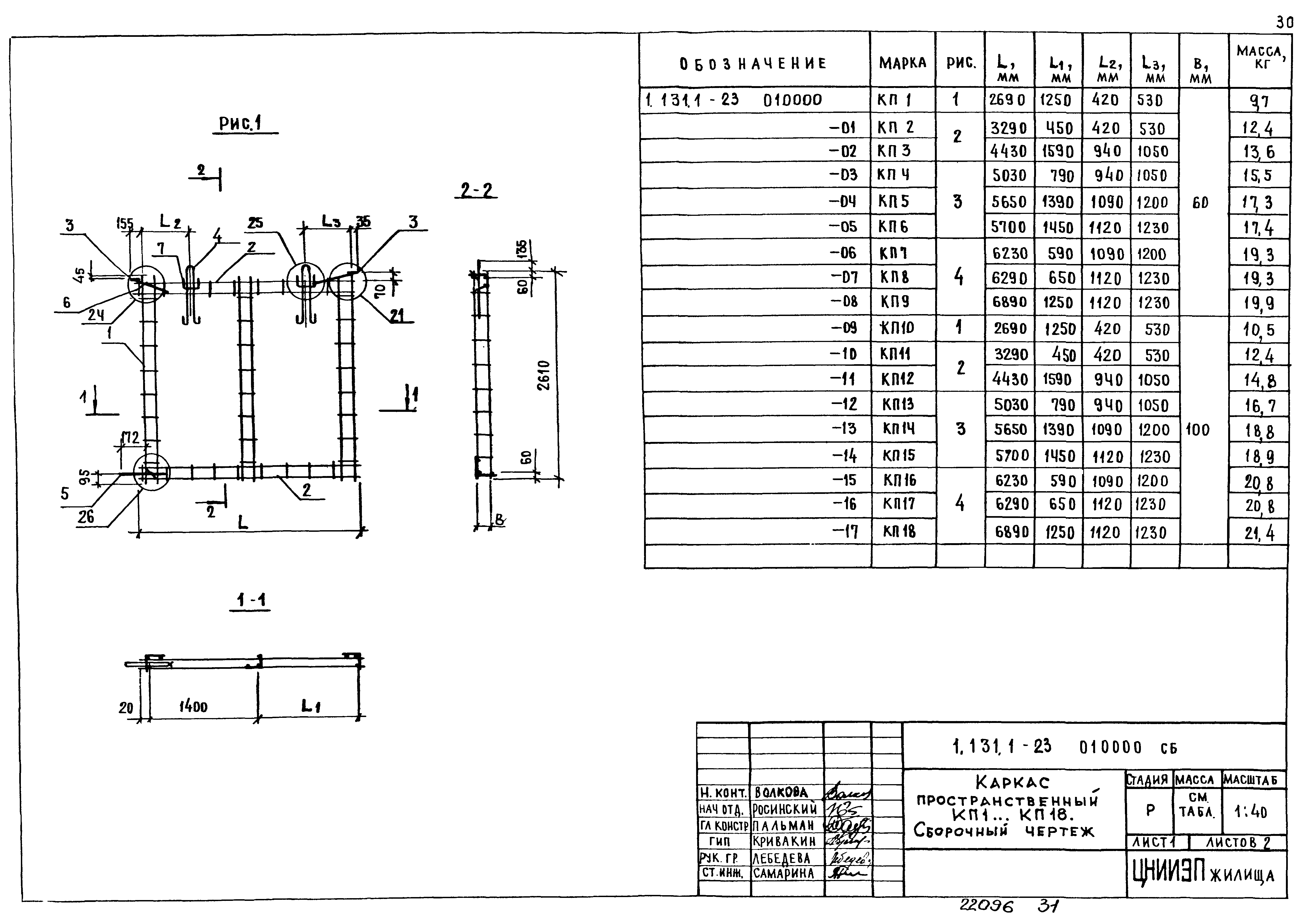
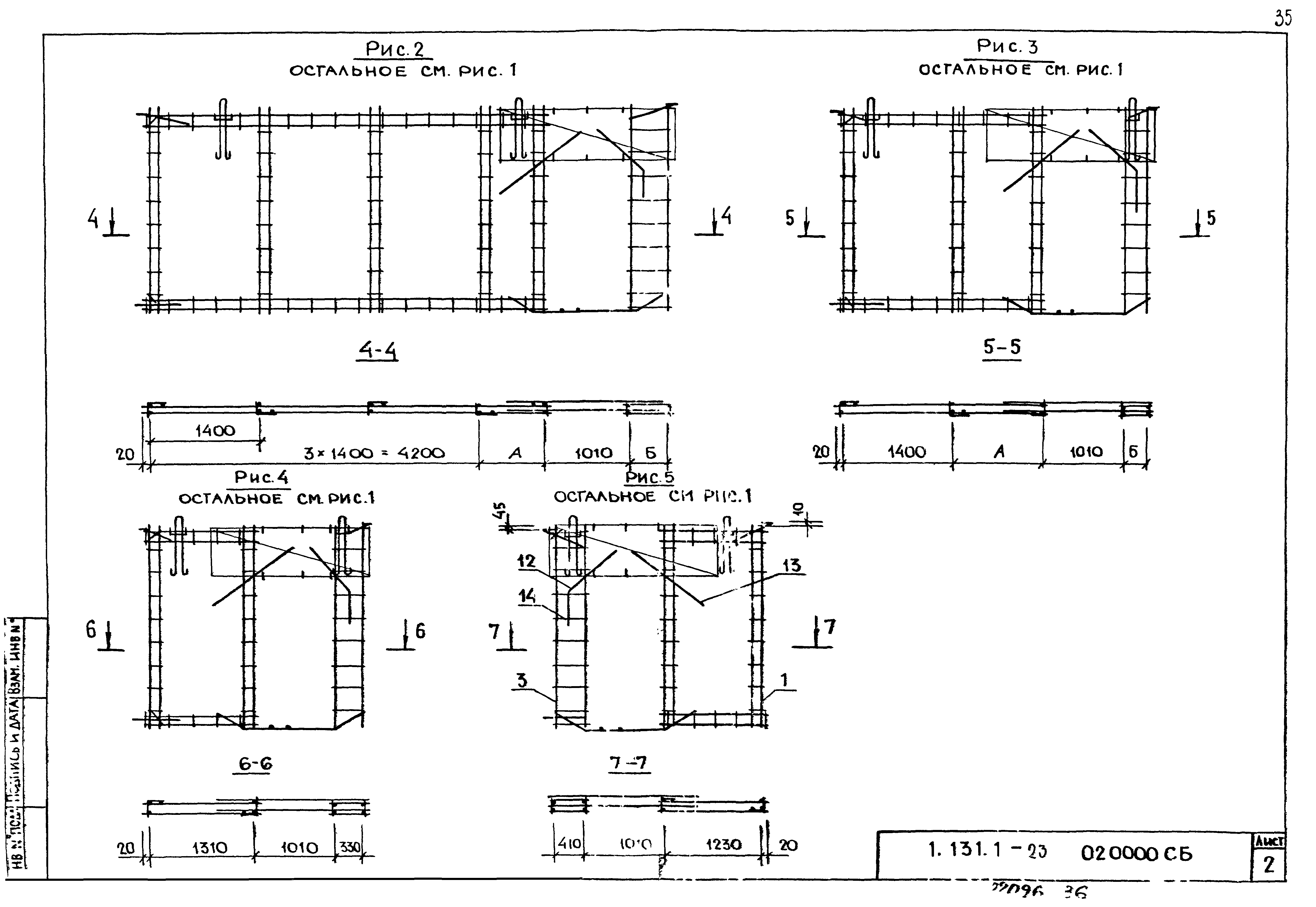
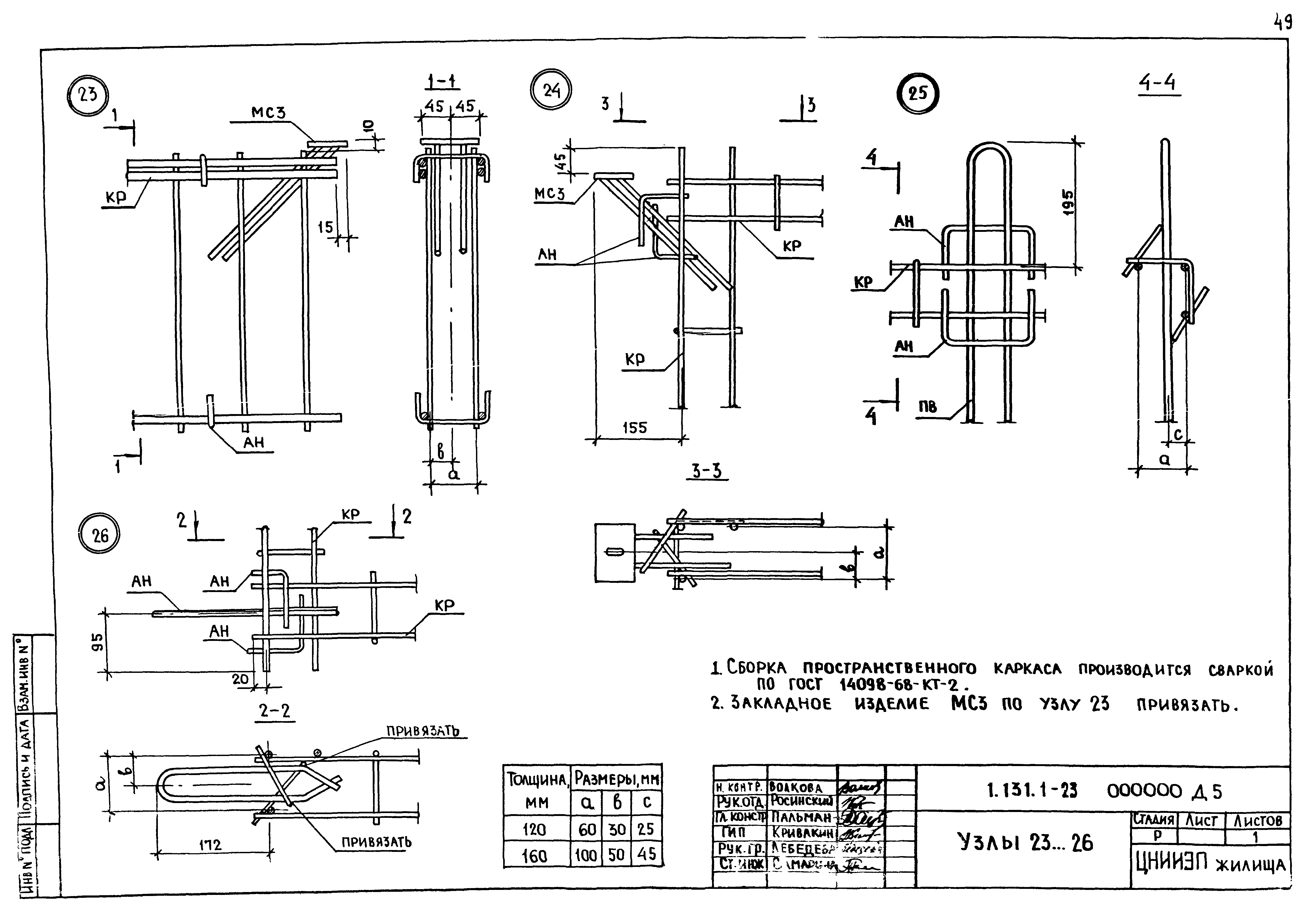
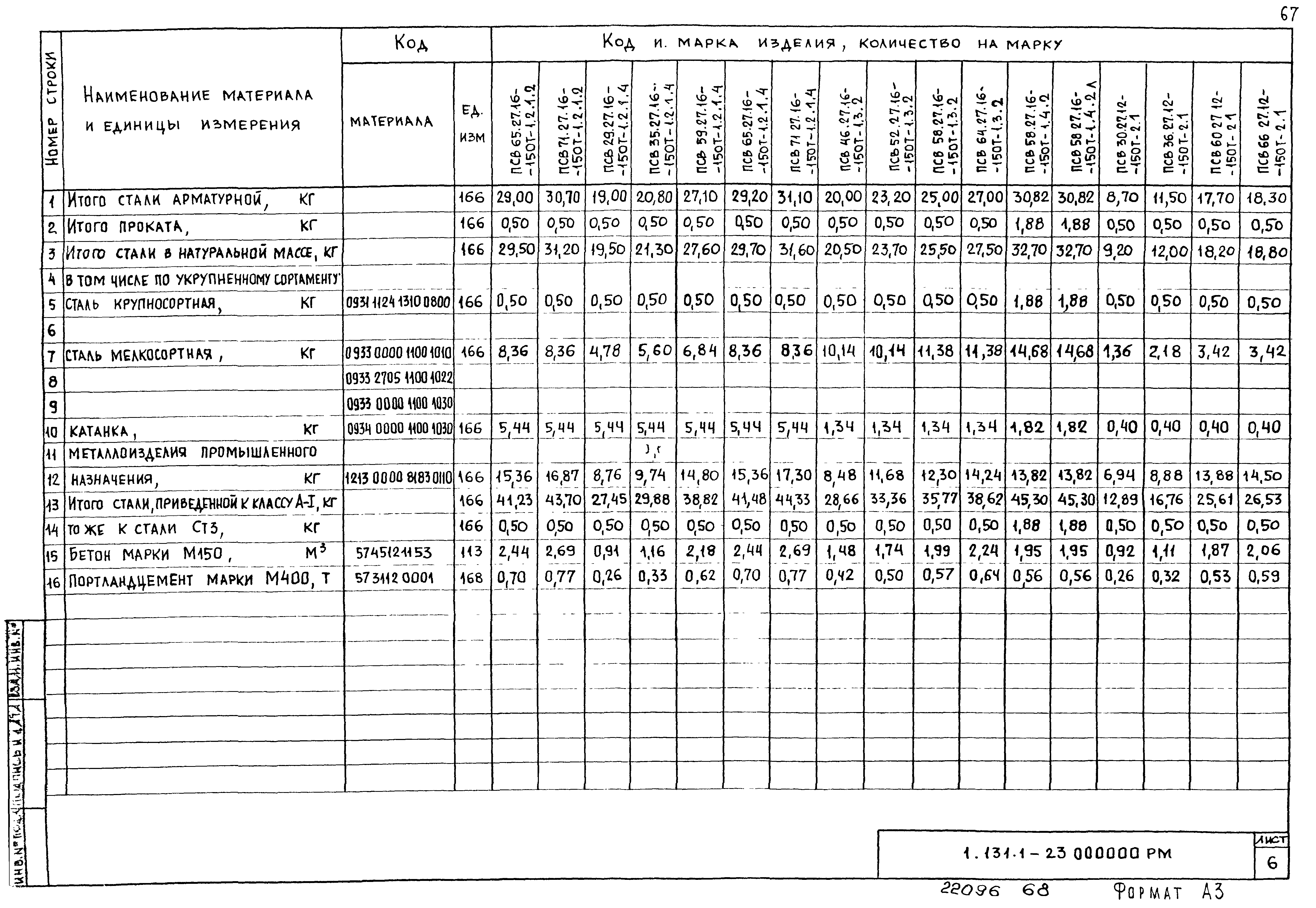
| Оглавление: | 1.131.1-23 000000 ТО Техническое описание 1.131.1-23 100000 Панель ПСВ 1.131.1-23 100000 СБ Панель ПСВ. Сборочный чертеж 1.131.1-23 200000 Панель ПСВ 1.131.1-23 200000 СБ Панель ПСВ. Сборочный чертеж 1.131.1-23 300000 Панель ПСВ 1.131.1-23 300000 СБ Панель ПСВ. Сборочный чертеж 1.131.1-23 400000 Панель ПСВ 1.131.1-23 400000 СБ Панель ПСВ. Сборочный чертеж 1.131.1-23 500000 Панель ПСВ 1.131.1-23 500000 СБ Панель ПСВ. Сборочный чертеж 1.131.1-23 600000 Панель ПСВ 1.131.1-23 600000 СБ Панель ПСВ. Сборочный чертеж 1.131.1-23 700000 Панель ПСВ 1.131.1-23 700000 СБ Панель ПСВ. Сборочный чертеж 1.131.1-23 000000 Д1 Фрагменты I, II, III. Узлы 1… 9 1.131.1-23 000000 Д2 Узлы 10… 13 1.131.1-23 000000 Д3 Узлы 14… 18 1.131.1-23 010000 Каркас пространственный КП1… КП18 1.131.1-23 010000 СБ Каркас пространственный КП1… КП18. Сборочный чертеж 1.131.1-23 020000 Каркас пространственный КП19… КП37 1.131.1-23 020000 СБ Каркас пространственный КП19… КП37. Сборочный чертеж 1.131.1-23 030000 Каркас пространственный КП38… КП41 1.131.1-23 030000 СБ Каркас пространственный КП38… КП41. Сборочный чертеж 1.131.1-23 040000 Каркас пространственный КП42… КП45 1.131.1-23 040000 СБ Каркас пространственный КП42… КП45. Сборочный чертеж 1.131.1-23 050000 Каркас пространственный КП46, КП47 1.131.1-23 050000 СБ Каркас пространственный КП46, КП47. Сборочный чертеж 1.131.1-23 060000 Каркас пространственный КП48… КП52 1.131.1-23 060000 СБ Каркас пространственный КП48… КП52. Сборочный чертеж 1.131.1-23 070000 Каркас пространственный КП53… КП62 1.131.1-23 070000 СБ Каркас пространственный КП53… КП62. Сборочный чертеж 1.131.1-23 080000 Каркас пространственный КП63… КП72 1.131.1-23 080000 СБ Каркас пространственный КП63… КП72. Сборочный чертеж 1.131.1-23 000000 Д4 Узлы 19… 22 1.131.1-23 000000 Д5 Узлы 23… 26 1.131.1-23 000000 Д6 Узлы 27, 28 1.131.1-23 000100 Каркас КР1… КР11 1.131.1-23 000200 Каркас КР12… КР21 1.131.1-23 000300 Каркас КР22… КР31 1.131.1-23 000400 Каркас КР32… КР42 1.131.1-23 000500 Каркас КР43… КР52 1.131.1-23 000600 Каркас КР53… КР57 1.131.1-23 000700 Изделие закладное МН1 1.131.1-23 000001 Стержень гнутый АН1, АН2 1.131.1-23 000002 Петля подъемная ПВ1… ПВ5 1.131.1-23 000003 Стержень гнутый АН3… АН7 1.131.1-23 000000 РС Ведомость расхода стали 1.131.1-23 000000 Ведомость расхода материалов |
| Разработан: | ЦНИИЭП жилища |
| Утверждён: | 11.05.1986 Госгражданстрой (Gosgrazhdanstroy 164) |
| Издан: | ЦИТП Госстроя СССР (CITP, Gosstroy (USSR) 1987 г. ) |
| Нормативные ссылки: |
|








































































