Скачать Серия 1.134.1-16 Выпуск 1. Железобетонные блоки стен проходного чердака. Рабочие чертежиДата актуализации: 01.01.2021
|
| Обозначение: | Серия 1.134.1-16 |
| Обозначение англ: | Series 1.134.1-16 |
| Статус: | не определен законодательством |
| Название рус.: | Выпуск 1. Железобетонные блоки стен проходного чердака. Рабочие чертежи |
| Дата добавления в базу: | 01.09.2013 |
| Дата актуализации: | 01.01.2021 |
| Дата введения: | 15.02.1989 |
| Дата окончания срока действия: | 30.06.2003 |
| Область применения: | Рабочие чертежи предназначены для изготовления блоков предприятиями строительной промышленности и применения в строительстве жилых домов |
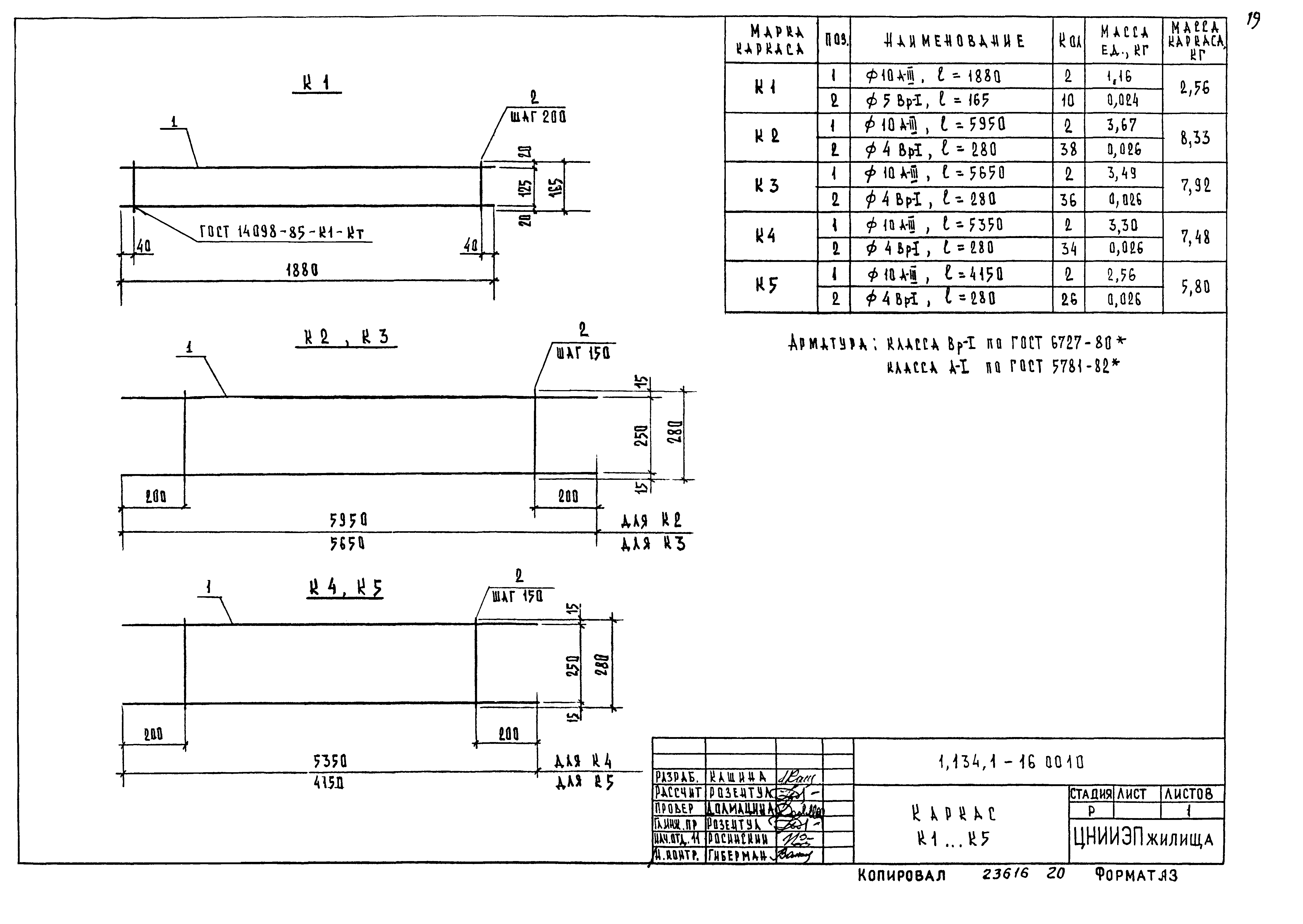
| Оглавление: | 1.134.1-16.0000-ТО Техническое описание 1.134.1-16.1000 Блоки внутренних стен чердака ВБЧ-60 (ВБЧ-60.20.20-Т), ВБЧ-57 (ВБЧ-57.20.20-Т), ВБЧ-54 (ВБЧ-54.20.20-Т); ВБЧ-42 (ВБЧ-42.20.20-Т) 1.134.1-16.1000 СБ Блоки внутренних стен чердака ВБЧ-60 (ВБЧ-60.20.20-Т). Сборочный чертеж 1.134.1-16.1000-01 СБ Блоки внутренних стен чердака ВБЧ-57 (ВБЧ-57.20.20-Т). Сборочный чертеж 1.134.1-16.1000-02 СБ Блоки внутренних стен чердака ВБЧ-54 (ВБЧ-54.20.20-Т). Сборочный чертеж 1.134.1-16.1000-03 СБ Блоки внутренних стен чердака ВБЧ-42 (ВБЧ-42.20.20-Т). Сборочный чертеж 1.134.1-16.0000 Д1 Узлы I, II, III, IV 1.134.1-16.0100 Каркас пространственный КП1, КП2, КП3, КП4 1.134.1-16.0100 СБ Каркас пространственный КП1. Сборочный чертеж 1.134.1-16.0100-01 СБ Каркас пространственный КП2. Сборочный чертеж 1.134.1-16.0100-02 СБ Каркас пространственный КП3. Сборочный чертеж 1.134.1-16.0100-03 СБ Каркас пространственный КП4. Сборочный чертеж 1.134.1-16.0000 Д2 Узлы 1, 2 1.134.1-16.0000 Д3 Узел 3 1.134.1-16.0000 Д4 Узел 4 1.134.1-16.0010 Каркас К1…. К5 1.134.1-16.0020 Изделие закладное М1 1.134.1-16.0030 Изделие закладное М2 1.134.1-16.0001 Петля строповочная П1… П3 1.134.1-16.0000 Д5 Монтажные узлы. Примеры 1.134.1-16.0000 РС Ведомость расхода стали. Номенклатура блоков |
| Разработан: | ЦНИИЭП жилища |
| Утверждён: | 16.01.1989 Госкомархитектура (11) |
| Издан: | ЦИТП Госстроя СССР (CITP, Gosstroy (USSR) 1989 г. ) |
| Нормативные ссылки: |
|























