Скачать Серия 2.244-1 Выпуск 5. Полы лечебно-профилактических учреждений. Рабочие чертежиДата актуализации: 01.01.2021
|
| Обозначение: | Серия 2.244-1 |
| Обозначение англ: | Series 2.244-1 |
| Статус: | не определен законодательством |
| Название рус.: | Выпуск 5. Полы лечебно-профилактических учреждений. Рабочие чертежи |
| Дата добавления в базу: | 01.09.2013 |
| Дата актуализации: | 01.01.2021 |
| Дата введения: | 01.01.1986 |
| Дата окончания срока действия: | 30.06.2003 |
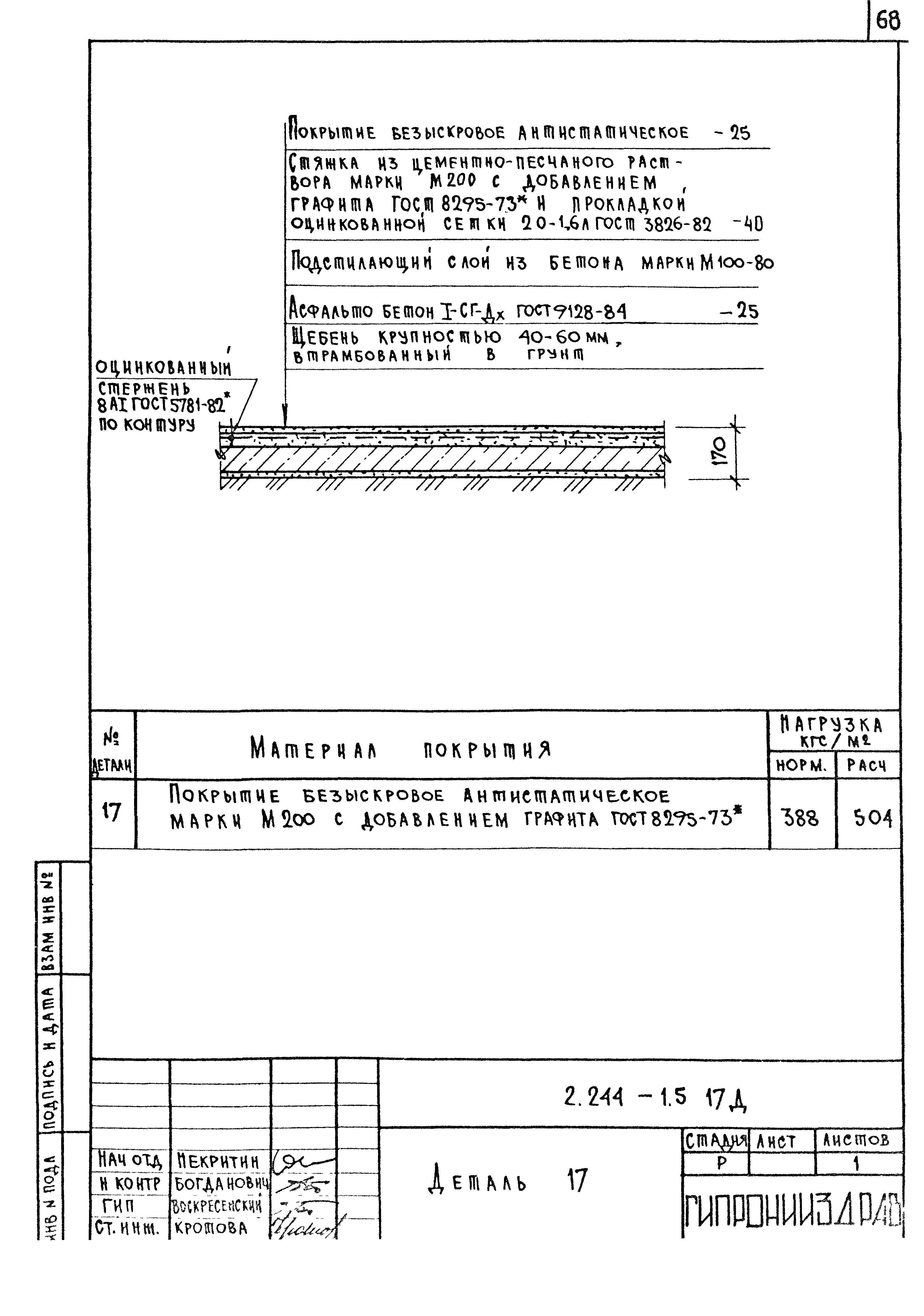
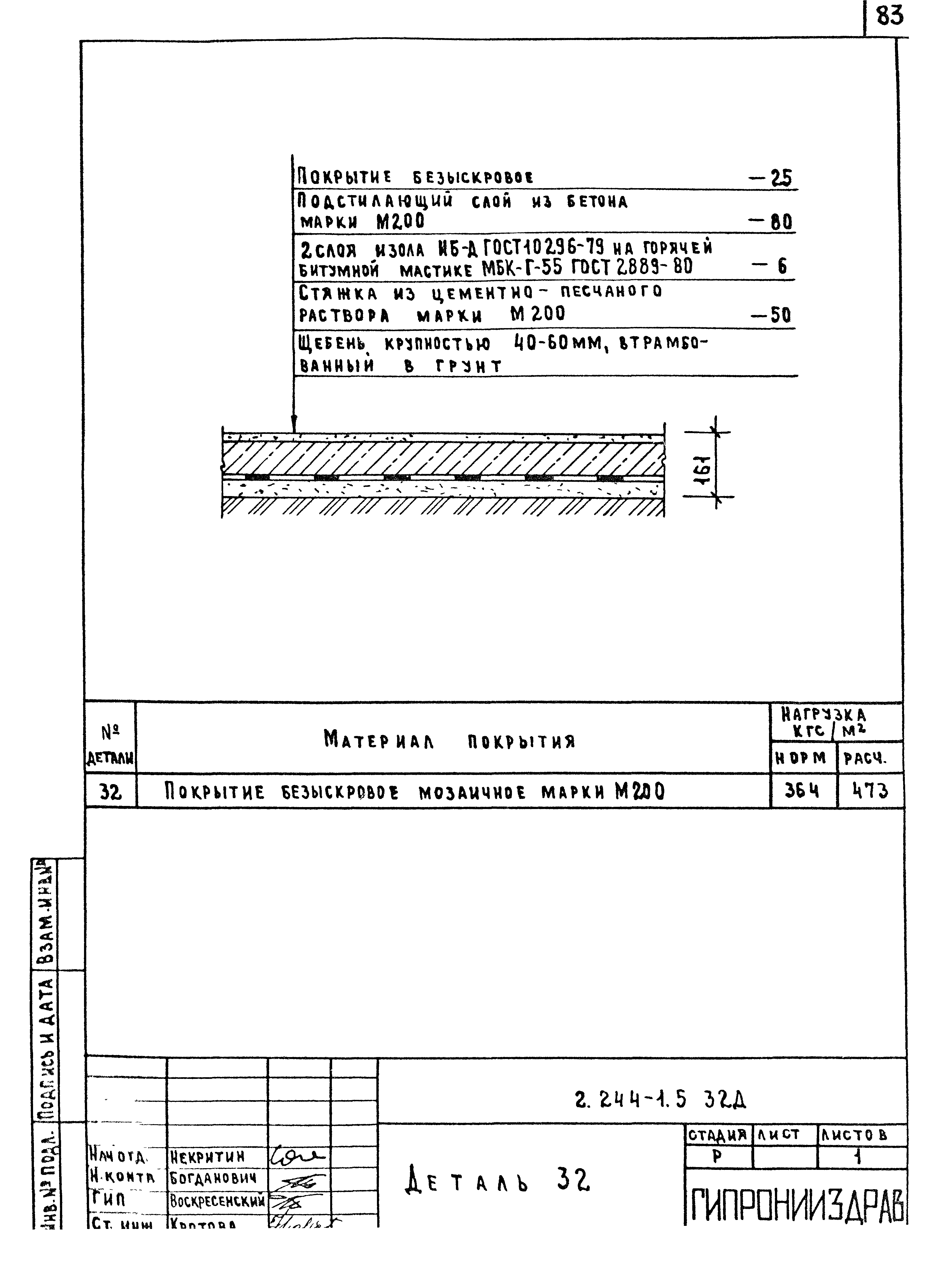
| Оглавление: | 2.244-1.5 00 ПЗ Пояснительная записка 2.244-1.5 01 Д Деталь 1 2.244-1.5 02 Д Деталь 2 2.244-1.5 03 Д Деталь 3 2.244-1.5 04 Д Деталь 4 2.244-1.5 05 Д Деталь 5 2.244-1.5 06 Д Деталь 6 2.244-1.5 07 Д Деталь 7 2.244-1.5 08 Д Деталь 8 2.244-1.5 09 Д Деталь 9 2.244-1.5 10 Д Деталь 10 2.244-1.5 11 Д Деталь 11 2.244-1.5 12 Д Деталь 12 2.244-1.5 13 Д Деталь 13 2.244-1.5 14 Д Деталь 14 2.244-1.5 15 Д Деталь 15 2.244-1.5 16 Д Деталь 16 2.244-1.5 17 Д Деталь 17 2.244-1.5 18 Д Деталь 18 2.244-1.5 19 Д Деталь 19 2.244-1.5 20 Д Деталь 20 2.244-1.5 21 Д Деталь 21 2.244-1.5 22 Д Деталь 22 2.244-1.5 23 Д Деталь 23 2.244-1.5 24 Д Деталь 24 2.244-1.5 25 Д Деталь 25 2.244-1.5 26 Д Деталь 26 2.244-1.5 27 Д Деталь 27 2.244-1.5 28 Д Деталь 28 2.244-1.5 29 Д Деталь 29 2.244-1.5 30 Д Деталь 30 2.244-1.5 31 Д Деталь 31 2.244-1.5 32 Д Деталь 32 2.244-1.5 33 Д Деталь 33-35 2.244-1.5 34 Д Деталь 36-38 2.244-1.5 35 Д Деталь 39-41 2.244-1.5 36 Д Деталь 42-44 2.244-1.5 37 Д Деталь 45-47 2.244-1.5 38 Д Деталь 48-50 2.244-1.5 39 Д Деталь 51 2.244-1.5 40 Д Деталь 52 2.244-1.5 41 Д Деталь 53-55 2.244-1.5 42 Д Деталь 56-58 2.244-1.5 43 Д Деталь 59, 60 2.244-1.5 44 Д Деталь 61, 62 2.244-1.5 45 Д Деталь 63-65 2.244-1.5 46 Д Деталь 66-68 2.244-1.5 47 Д Деталь 69 2.244-1.5 48 Д Деталь 70, 71 2.244-1.5 49 Д Деталь 72 2.244-1.5 50 Д Деталь 73, 74 2.244-1.5 51 Д Деталь 75 2.244-1.5 52 Д Деталь 76-76 2.244-1.5 53 Д Деталь 79-81 2.244-1.5 54 Д Деталь 82-84 2.244-1.5 55 Д Деталь 85 2.244-1.5 56 Д Деталь 86-88 2.244-1.5 57 Д Деталь 89-91 2.244-1.5 58 Д Деталь 92 2.244-1.5 59 Д Деталь 93-95 2.244-1.5 60 Д Деталь 96, 97 2.244-1.5 61 Д Деталь 98-100 2.244-1.5 62 Д Деталь 101, 102 2.244-1.5 63 Д Деталь 103-105 2.244-1.5 64 Д Деталь 106-108 2.244-1.5 65 Д Деталь 109-111 2.244-1.5 66 Д Деталь 112-114 2.244-1.5 67 Д Деталь 115-117 2.244-1.5 68 Д Деталь 118 2.244-1.5 69 Д Деталь 119 2.244-1.5 70 Д Деталь 120 2.244-1.5 71 Д Деталь 121-124 2.244-1.5 72 Д Деталь 125-128 2.244-1.5 73 Д Деталь 129-132 2.244-1.5 74 Д Деталь 133-136 2.244-1.5 75 Д Деталь 137, 138 2.244-1.5 76 Д Деталь 139-141 2.244-1.5 77 Д Деталь 142 2.244-1.5 78 Д Деталь 143 2.244-1.5 79 Д Деталь 144 2.244-1.5 80 Д Деталь 145 2.244-1.5 81 Д Деталь 146-149 2.244-1.5 82 Д Деталь 150 2.244-1.5 83 Д Деталь 151 2.244-1.5 84 Д Деталь 152 2.244-1.5 85 Д Деталь 153 2.244-1.5 86 Д Деталь 154-157 2.244-1.5 87 Д Деталь 158-160 2.244-1.5 88 Д Деталь 161-163 2.244-1.5 89 Д Деталь 164 2.244-1.5 90 Д Деталь 165 2.244-1.5 91 Д Деталь 166-168 2.244-1.5 92 Д Деталь 169-171 2.244-1.5 93 Д Деталь 172-174 2.244-1.5 94 У Узел 1 2.244-1.5 95 У Узел 2 2.244-1.5 96 У Узел 3 2.244-1.5 97 У Узел 4 2.244-1.5 98 У Узел 5 2.244-1.5 99 У Узел 6 2.244-1.5 100 У Узел 7 2.244-1.5 101 У Узел 8 2.244-1.5 102 У Узел 9 2.244-1.5 103 У Узел 10 2.244-1.5 104 У Узел 11 2.244-1.5 105 У Узел 12 2.244-1.5 106 У Узел 13 2.244-1.5 107 У Узел 14 2.244-1.5 108 У Узел 15 2.244-1.5 109 У Узел 16 2.244-1.5 110 У Узел 17 2.244-1.5 00 ПЗ Пояснительная записка 2.244-1.5 01 Д Деталь 1 2.244-1.5 02 Д Деталь 2 2.244-1.5 03 Д Деталь 3 2.244-1.5 04 Д Деталь 4 2.244-1.5 05 Д Деталь 5 2.244-1.5 06 Д Деталь 6 2.244-1.5 07 Д Деталь 7 2.244-1.5 08 Д Деталь 8 2.244-1.5 09 Д Деталь 9 2.244-1.5 10 Д Деталь 10 2.244-1.5 11 Д Деталь 11 2.244-1.5 12 Д Деталь 12 2.244-1.5 13 Д Деталь 13 2.244-1.5 14 Д Деталь 14 2.244-1.5 15 Д Деталь 15 2.244-1.5 16 Д Деталь 16 2.244-1.5 17 Д Деталь 17 2.244-1.5 18 Д Деталь 18 2.244-1.5 19 Д Деталь 19 2.244-1.5 20 Д Деталь 20 2.244-1.5 21 Д Деталь 21 2.244-1.5 22 Д Деталь 22 2.244-1.5 23 Д Деталь 23 2.244-1.5 24 Д Деталь 24 2.244-1.5 25 Д Деталь 25 2.244-1.5 26 Д Деталь 26 2.244-1.5 27 Д Деталь 27 2.244-1.5 28 Д Деталь 28 2.244-1.5 29 Д Деталь 29 2.244-1.5 30 Д Деталь 30 2.244-1.5 31 Д Деталь 31 2.244-1.5 32 Д Деталь 32 2.244-1.5 33 Д Деталь 33-35 2.244-1.5 34 Д Деталь 36-38 2.244-1.5 35 Д Деталь 39-41 2.244-1.5 36 Д Деталь 42-44 2.244-1.5 37 Д Деталь 45-47 2.244-1.5 38 Д Деталь 48-50 2.244-1.5 39 Д Деталь 51 2.244-1.5 40 Д Деталь 52 2.244-1.5 41 Д Деталь 53-55 2.244-1.5 42 Д Деталь 56-58 2.244-1.5 43 Д Деталь 59, 60 2.244-1.5 44 Д Деталь 61, 62 2.244-1.5 45 Д Деталь 63-65 2.244-1.5 46 Д Деталь 66-68 2.244-1.5 47 Д Деталь 69 2.244-1.5 48 Д Деталь 70, 71 2.244-1.5 49 Д Деталь 72 2.244-1.5 50 Д Деталь 73, 74 2.244-1.5 51 Д Деталь 75 2.244-1.5 52 Д Деталь 76-76 2.244-1.5 53 Д Деталь 79-81 2.244-1.5 54 Д Деталь 82-84 2.244-1.5 55 Д Деталь 85 2.244-1.5 56 Д Деталь 86-88 2.244-1.5 57 Д Деталь 89-91 2.244-1.5 58 Д Деталь 92 2.244-1.5 59 Д Деталь 93-95 2.244-1.5 60 Д Деталь 96, 97 2.244-1.5 61 Д Деталь 98-100 2.244-1.5 62 Д Деталь 101, 102 2.244-1.5 63 Д Деталь 103-105 2.244-1.5 64 Д Деталь 106-108 2.244-1.5 65 Д Деталь 109-111 2.244-1.5 66 Д Деталь 112-114 2.244-1.5 67 Д Деталь 115-117 2.244-1.5 68 Д Деталь 118 2.244-1.5 69 Д Деталь 119 2.244-1.5 70 Д Деталь 120 2.244-1.5 71 Д Деталь 121-124 2.244-1.5 72 Д Деталь 125-128 2.244-1.5 73 Д Деталь 129-132 2.244-1.5 74 Д Деталь 133-136 2.244-1.5 75 Д Деталь 137, 138 2.244-1.5 76 Д Деталь 139-141 2.244-1.5 77 Д Деталь 142 2.244-1.5 78 Д Деталь 143 2.244-1.5 79 Д Деталь 144 2.244-1.5 80 Д Деталь 145 2.244-1.5 81 Д Деталь 146-149 2.244-1.5 82 Д Деталь 150 2.244-1.5 83 Д Деталь 151 2.244-1.5 84 Д Деталь 152 2.244-1.5 85 Д Деталь 153 2.244-1.5 86 Д Деталь 154-157 2.244-1.5 87 Д Деталь 158-160 2.244-1.5 88 Д Деталь 161-163 2.244-1.5 89 Д Деталь 164 2.244-1.5 90 Д Деталь 165 2.244-1.5 91 Д Деталь 166-168 2.244-1.5 92 Д Деталь 169-171 2.244-1.5 93 Д Деталь 172-174 2.244-1.5 94 У Узел 1 2.244-1.5 95 У Узел 2 2.244-1.5 96 У Узел 3 2.244-1.5 97 У Узел 4 2.244-1.5 98 У Узел 5 2.244-1.5 99 У Узел 6 2.244-1.5 100 У Узел 7 2.244-1.5 101 У Узел 8 2.244-1.5 102 У Узел 9 2.244-1.5 103 У Узел 10 2.244-1.5 104 У Узел 11 2.244-1.5 105 У Узел 12 2.244-1.5 106 У Узел 13 2.244-1.5 107 У Узел 14 2.244-1.5 108 У Узел 15 2.244-1.5 109 У Узел 16 2.244-1.5 110 У Узел 17 |
| Разработан: | ГипроНИИздрав Минздрава СССР |
| Утверждён: | 05.12.1985 Госгражданстрой (Gosgrazhdanstroy 388) |
| Заменяет собой: |

































































































































































