Скачать Серия 1.131.9-21 Панели перегородок гипсобетонные для жилых зданий. Рабочие чертежиДата актуализации: 01.01.2021
|
| Обозначение: | Серия 1.131.9-21 |
| Обозначение англ: | Series 1.131.9-21 |
| Статус: | не определен законодательством |
| Название рус.: | Панели перегородок гипсобетонные для жилых зданий. Рабочие чертежи |
| Дата добавления в базу: | 01.09.2013 |
| Дата актуализации: | 01.01.2021 |
| Дата введения: | 01.02.1984 |
| Дата окончания срока действия: | 30.06.2003 |
| Область применения: | Рабочие чертежи гипсобетонных панелей перегородок для жилых зданий. В состав комплекта рабочих чертежей, помимо спецификаций и сборочных чертежей панелей перегородок и панелей-вставок, деревянных каркасов, монтажных петель и узлов перегородок и каркасов, входят также примеры устройства П - образных и Г - образных перегородок с проемами, а также пример размещения элементов скрытой электропроводки в перегородках |
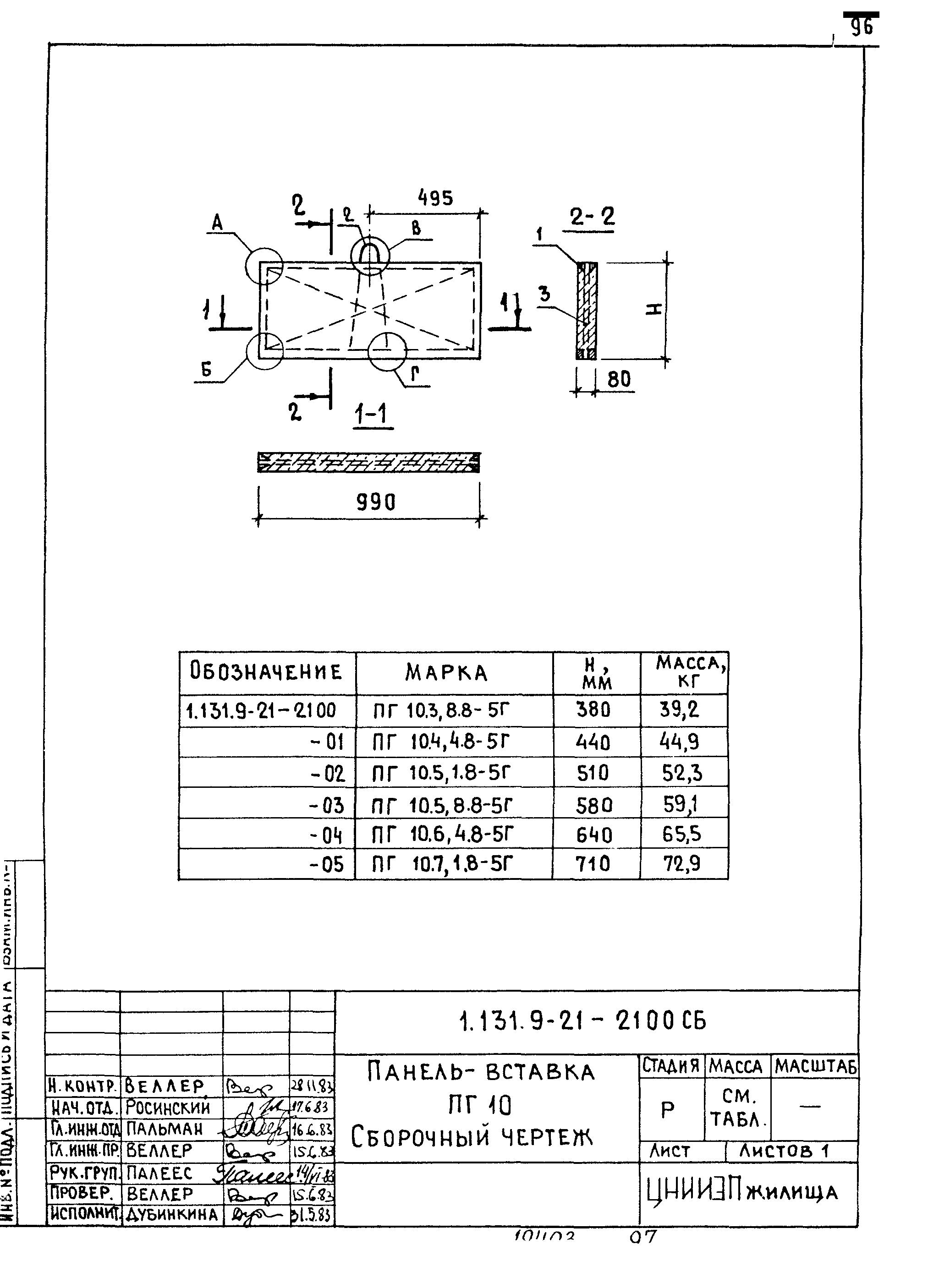
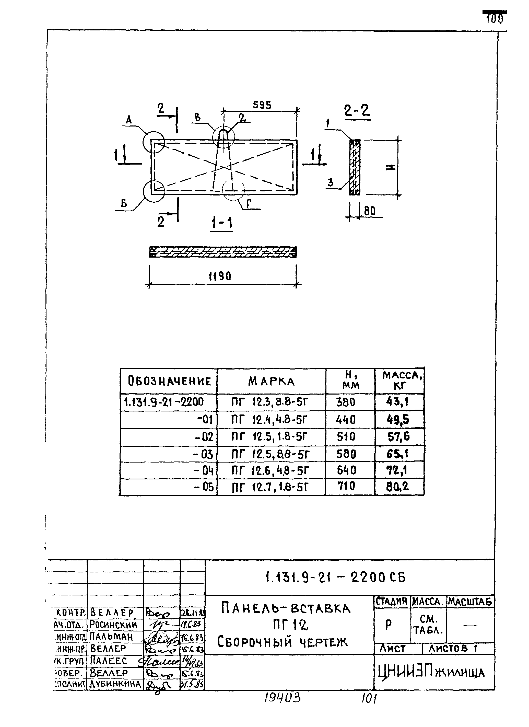
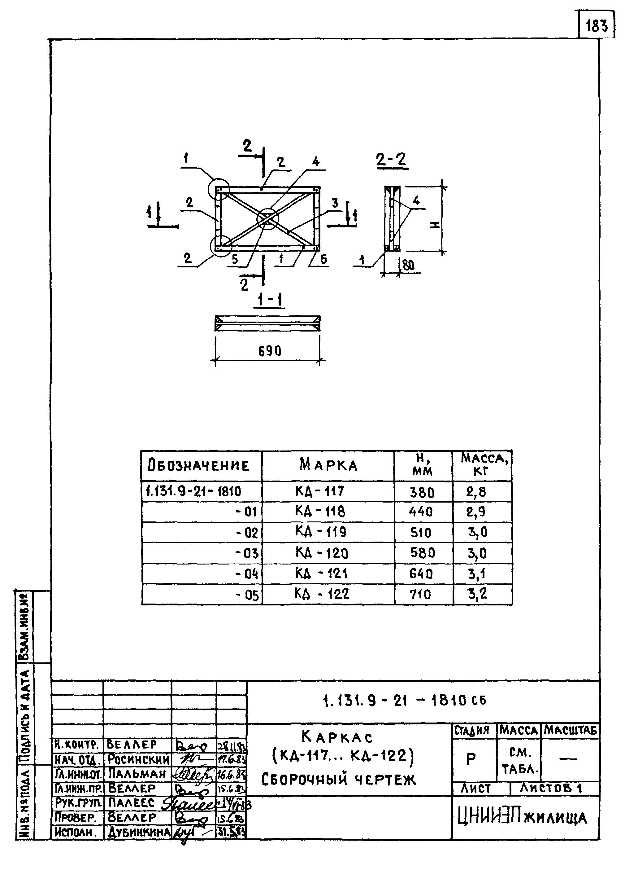
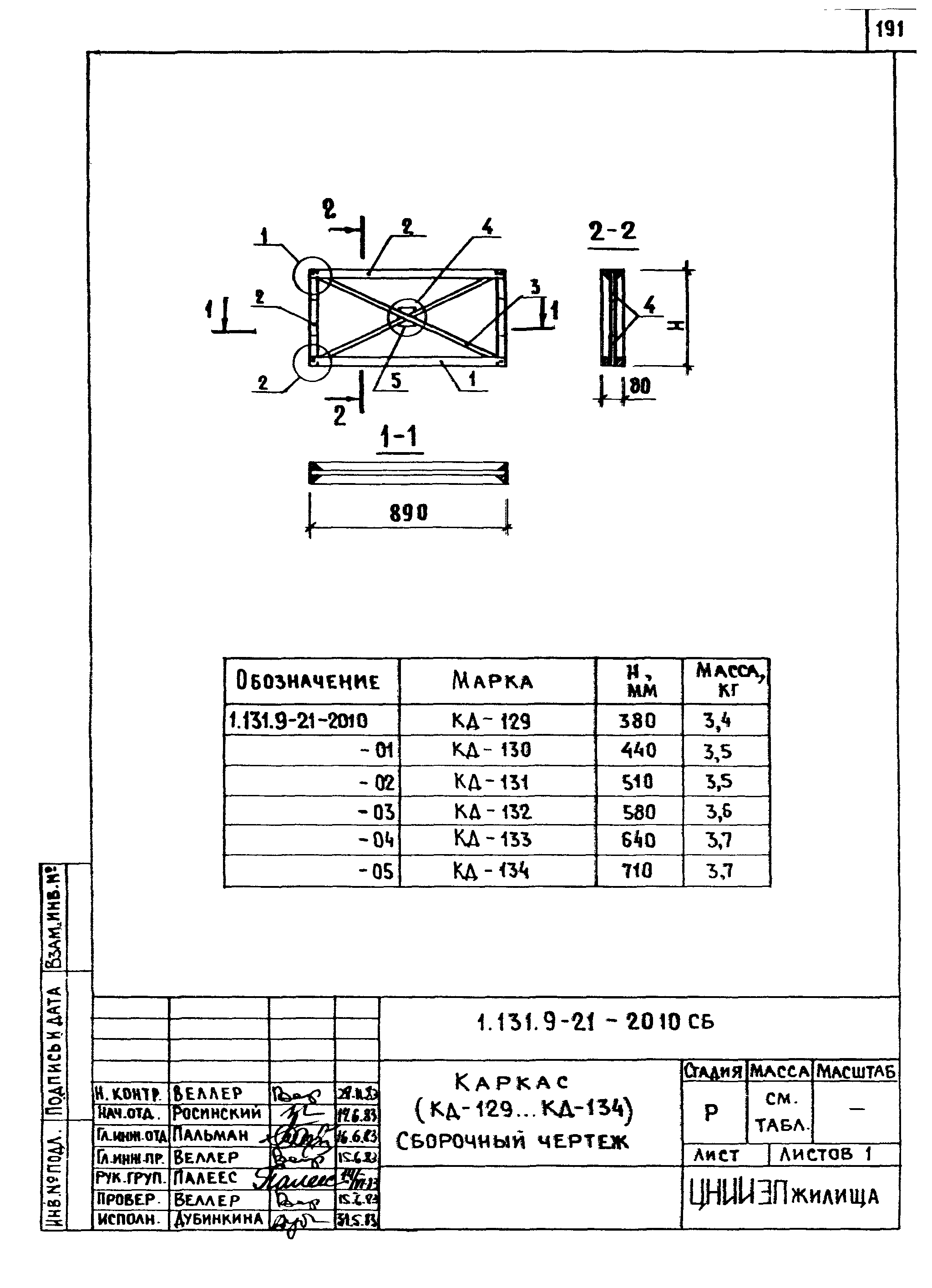
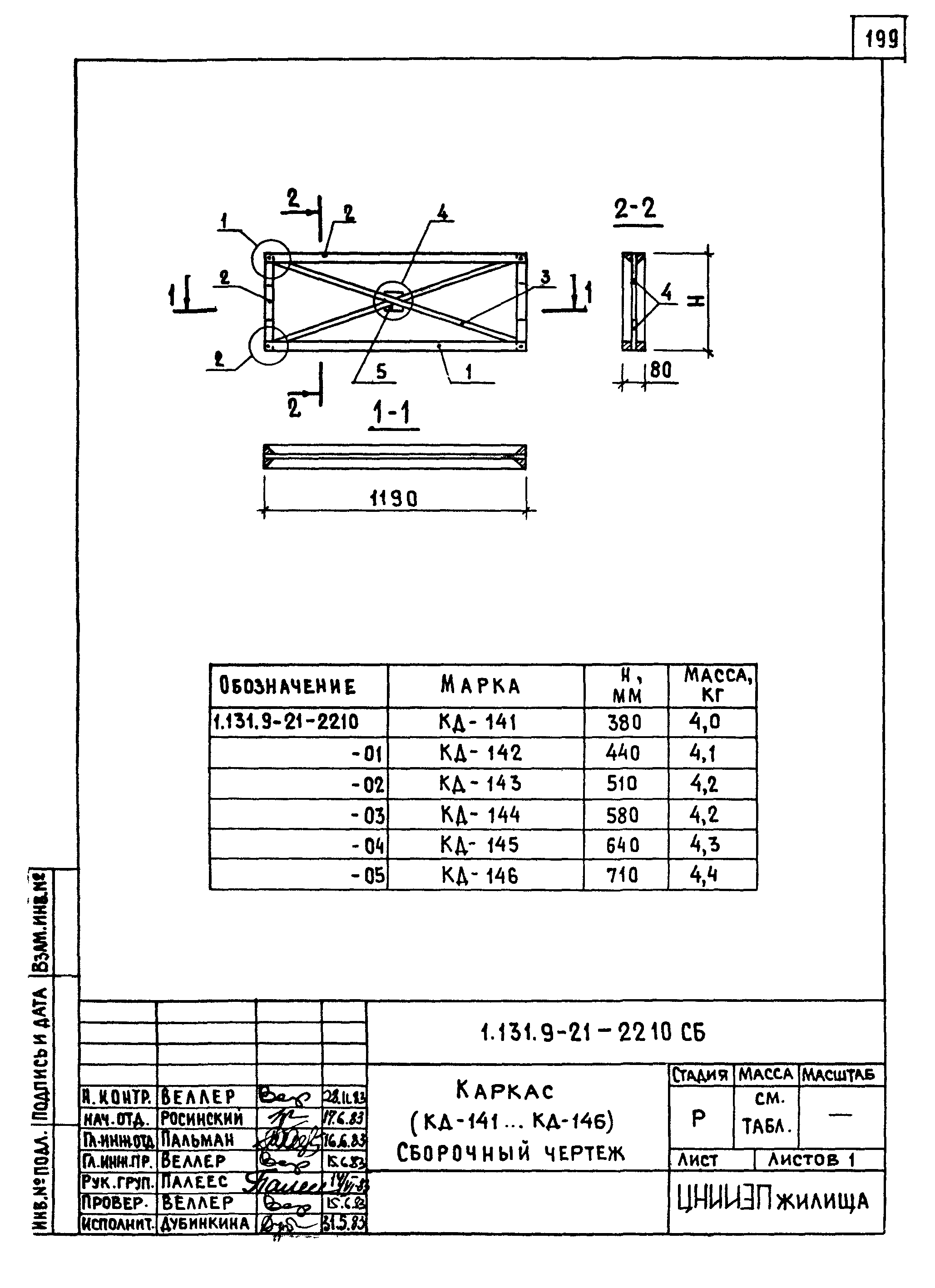
| Оглавление: | 1.31.9-21-0000 ТО Техническое описание 1.31.9-21-0100 Панель (ПГ4, ПГ5) 1.31.9-21-0100 СБ Панель (ПГ4, ПГ5). Сборочный чертеж 1.31.9-21-0200 Панель (ПГ6, ПГ7) 1.31.9-21-0200 СБ Панель (ПГ6, ПГ7). Сборочный чертеж 1.31.9-21-0300 Панель (ПГ8, ПГ9) 1.31.9-21-0300 СБ Панель (ПГ8, ПГ9). Сборочный чертеж 1.31.9-21-0400 Панель (ПГ10, ПГ11) 1.31.9-21-0400 СБ Панель (ПГ10, ПГ11). Сборочный чертеж 1.31.9-21-0500 Панель (ПГ12, ПГ13) 1.31.9-21-0500 СБ Панель (ПГ12, ПГ13). Сборочный чертеж 1.31.9-21-0600 Панель (ПГ14, ПГ15) 1.31.9-21-0600 СБ Панель (ПГ14, ПГ15). Сборочный чертеж 1.31.9-21-0700 Панель (ПГ16, ПГ17) 1.31.9-21-0700 СБ Панель (ПГ16 ПГ17). Сборочный чертеж 1.31.9-21-0800 Панель (ПГ18, ПГ19) 1.31.9-21-0800 СБ Панель (ПГ18, ПГ19). Сборочный чертеж 1.31.9-21-0900 Панель (ПГ20, ПГ21) 1.31.9-21-0900 СБ Панель (ПГ20, ПГ21). Сборочный чертеж 1.31.9-21-1000 Панель (ПГ24, ПГ27) 1.31.9-21-1000 СБ Панель (ПГ24, ПГ27). Сборочный чертеж 1.31.9-21-1100 Панель (ПГ30, ПГ33) 1.31.9-21-1100 СБ Панель (ПГ30, ПГ33). Сборочный чертеж 1.31.9-21-1200 Панель (ПГ36, ПГ39) 1.31.9-21-1200 СБ Панель (ПГ36, ПГ39). Сборочный чертеж 1.31.9-21-1300 Панель ПГ42 1.31.9-21-1300 СБ Панель ПГ42. Сборочный чертеж 1.31.9-21-1400 Панель ПГ48 1.31.9-21-1400 СБ Панель ПГ48. Сборочный чертеж 1.31.9-21-1500 Панель ПГ54 1.31.9-21-1500 СБ Панель ПГ54. Сборочный чертеж 1.31.9-21-1600 Панель ПГ60 1.31.9-21-1600 СБ Панель ПГ60. Сборочный чертеж 1.31.9-21-1700 Панель ПГ66 1.31.9-21-1700 СБ Панель ПГ66. Сборочный чертеж 1.31.9-21-1800 Панель-вставка ПГ7 1.31.9-21-1800 СБ Панель-вставка ПГ7. Сборочный чертеж 1.31.9-21-1900 Панель-вставка ПГ8 1.31.9-21-1900 СБ Панель-вставка ПГ8. Сборочный чертеж 1.31.9-21-2000 Панель-вставка ПГ9 1.31.9-21-2000 СБ Панель-вставка ПГ9. Сборочный чертеж 1.31.9-21-2100 Панель-вставка ПГ10 1.31.9-21-2100 СБ Панель-вставка ПГ10. Сборочный чертеж 1.31.9-21-2200 Панель-вставка ПГ12 1.31.9-21-2200 СБ Панель-вставка ПГ12. Сборочный чертеж 1.31.9-21-2300 Панель-вставка ПГ13 1.31.9-21-2300 СБ Панель-вставка ПГ13. Сборочный чертеж 1.31.9-21-0110 Каркас (КД-1… КД-8) 1.31.9-21-0110 СБ Каркас (КД-1… КД-8). Сборочный чертеж 1.31.9-21-0210 Каркас (КД-9… КД-16) 1.31.9-21-0210 СБ Каркас (КД-9… КД-16). Сборочный чертеж 1.31.9-21-0310 Каркас (КД-17… КД-24) 1.31.9-21-0310 СБ Каркас (КД-17… КД-24). Сборочный чертеж 1.31.9-21-0410 Каркас (КД-25… КД-32) 1.31.9-21-0410 СБ Каркас (КД-25… КД-32). Сборочный чертеж 1.31.9-21-0510 Каркас (КД-33… КД-40) 1.31.9-21-0510 СБ Каркас (КД-33… КД-40). Сборочный чертеж 1.31.9-21-0610 Каркас (КД-41… КД-48) 1.31.9-21-0610 СБ Каркас (КД-41… КД-48). Сборочный чертеж 1.31.9-21-0710 Каркас (КД-49… КД-56) 1.31.9-21-0710 СБ Каркас (КД-49… КД-56). Сборочный чертеж 1.31.9-21-0810 Каркас (КД-57… КД-64) 1.31.9-21-0810 СБ Каркас (КД-57… КД-64). Сборочный чертеж 1.31.9-21-0910 Каркас (КД-65… КД-72) 1.31.9-21-0910 СБ Каркас (КД-65… КД-72). Сборочный чертеж 1.31.9-21-1010 Каркас (КД-73… КД-80) 1.31.9-21-1010 СБ Каркас (КД-73… КД-80). Сборочный чертеж 1.31.9-21-1110 Каркас (КД-81… КД-88) 1.31.9-21-1110 СБ Каркас (КД-81… КД-88). Сборочный чертеж 1.31.9-21-1210 Каркас (КД-81… КД-88) 1.31.9-21-1210 СБ Каркас (КД-81… КД-88). Сборочный чертеж 1.31.9-21-1310 Каркас (КД-97… КД-100) 1.31.9-21-1310 СБ Каркас (КД-97… КД-100). Сборочный чертеж 1.31.9-21-1410 Каркас (КД-101… КД-104) 1.31.9-21-1410 СБ Каркас (КД-101… КД-104). Сборочный чертеж 1.31.9-21-1510 Каркас (КД-105… КД-108) 1.31.9-21-1510 СБ Каркас (КД-105… КД-108). Сборочный чертеж 1.31.9-21-1610 Каркас (КД-109… КД-112) 1.31.9-21-1610 СБ Каркас (КД-109… КД-112). Сборочный чертеж 1.31.9-21-1710 Каркас (КД-113… КД-116) 1.31.9-21-1710 СБ Каркас (КД-113… КД-116). Сборочный чертеж 1.31.9-21-1810 Каркас (КД-117… КД-122) 1.31.9-21-1810 СБ Каркас (КД-117… КД-122). Сборочный чертеж 1.31.9-21-1910 Каркас (КД-123… КД-128) 1.31.9-21-1910 СБ Каркас (КД-123… КД-128). Сборочный чертеж 1.31.9-21-2010 Каркас (КД-129… КД-134) 1.31.9-21-2010 СБ Каркас (КД-129… КД-134). Сборочный чертеж 1.31.9-21-2110 Каркас (КД-135… КД-140) 1.31.9-21-2110 СБ Каркас (КД-135… КД-140). Сборочный чертеж 1.31.9-21-2210 Каркас (КД-141… КД-146) 1.31.9-21-2210 СБ Каркас (КД-141… КД-146). Сборочный чертеж 1.31.9-21-2310 Каркас (КД-147… КД-152) 1.31.9-21-2310 СБ Каркас (КД-147… КД-152). Сборочный чертеж 1.31.9-21-0001 Узел А… Г 1.31.9-21-0002 Узел 1… 9 1.31.9-21-0101 Петля строповочная (П-1… П-8) 1.31.9-21-1801 Петля строповочная (П-9… П-13) 1.31.9-21-0003 Панель П и Г - образная (пример) 1.31.9-21-0004 Установка элементов скрытой электропроводки в перегородке (пример) |
| Разработан: | ЦНИИЭП жилища |
| Утверждён: | 30.12.1983 Госгражданстрой (Gosgrazhdanstroy 427) |
| Нормативные ссылки: |
|























































































































































































































