Скачать Серия 1.231-5 Выпуск 4. Панели перегородок для зданий со стенами из кирпича с высотой этажей 3,3; 3,6 и 4,2 м. Рабочие чертежиДата актуализации: 01.01.2021
|
| Обозначение: | Серия 1.231-5 |
| Обозначение англ: | Series 1.231-5 |
| Статус: | не определен законодательством |
| Название рус.: | Выпуск 4. Панели перегородок для зданий со стенами из кирпича с высотой этажей 3,3; 3,6 и 4,2 м. Рабочие чертежи |
| Дата добавления в базу: | 01.09.2013 |
| Дата актуализации: | 01.01.2021 |
| Дата введения: | 01.12.1985 |
| Дата окончания срока действия: | 30.06.2003 |
| Область применения: | Настоящие рабочие чертежи гипсоперлитовых панелей перегородок предназначены для устройства ненесущих перегородок в общественных зданиях со стенами из кирпича, возводимых в обычных условиях строительства, в I - V ветровых районах, в помещениях с неагрессивной средой и относительной влажностью воздуха до 60 %. Допускается применять данные панели и в зданиях каркасно-панельной конструкции |
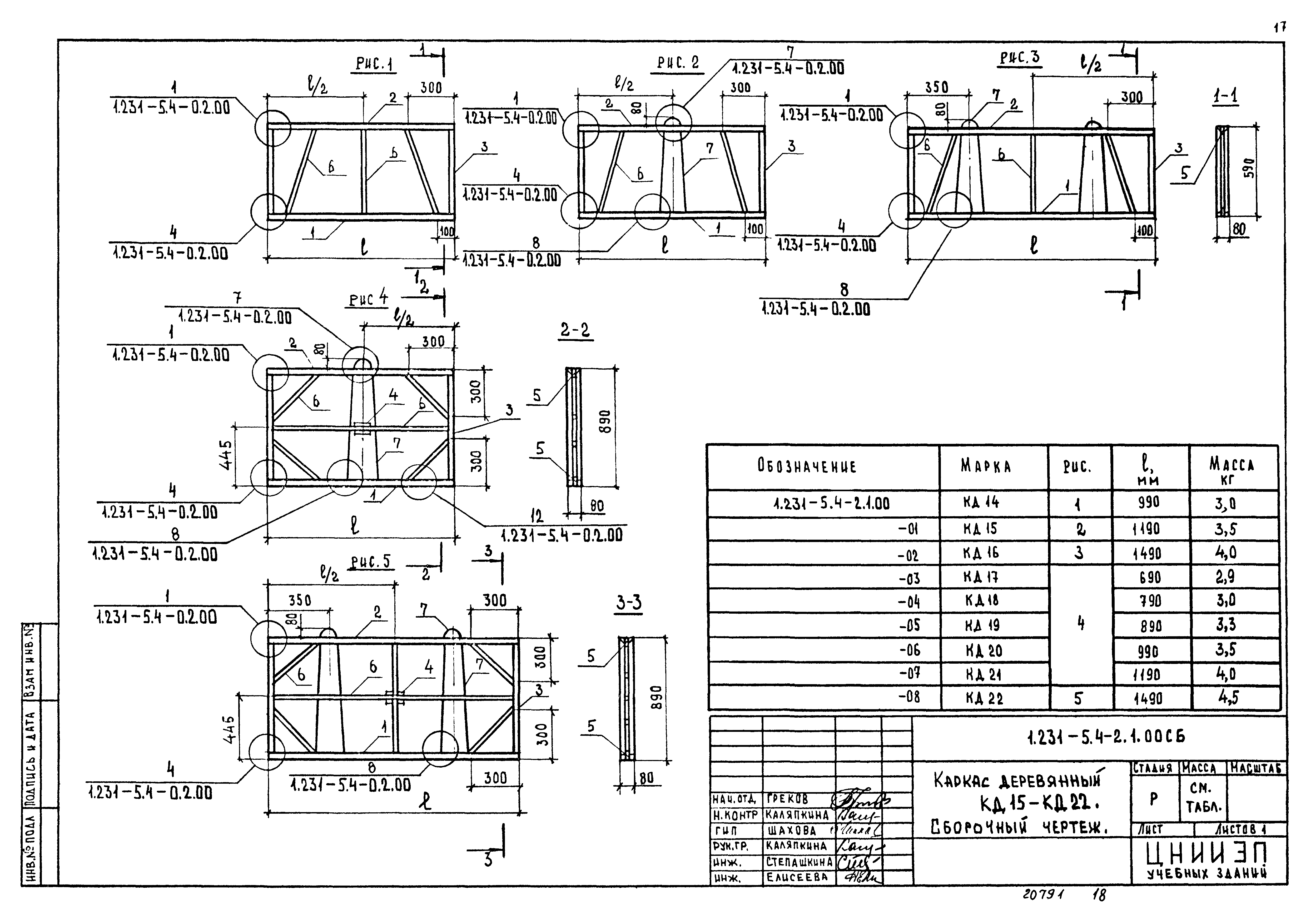
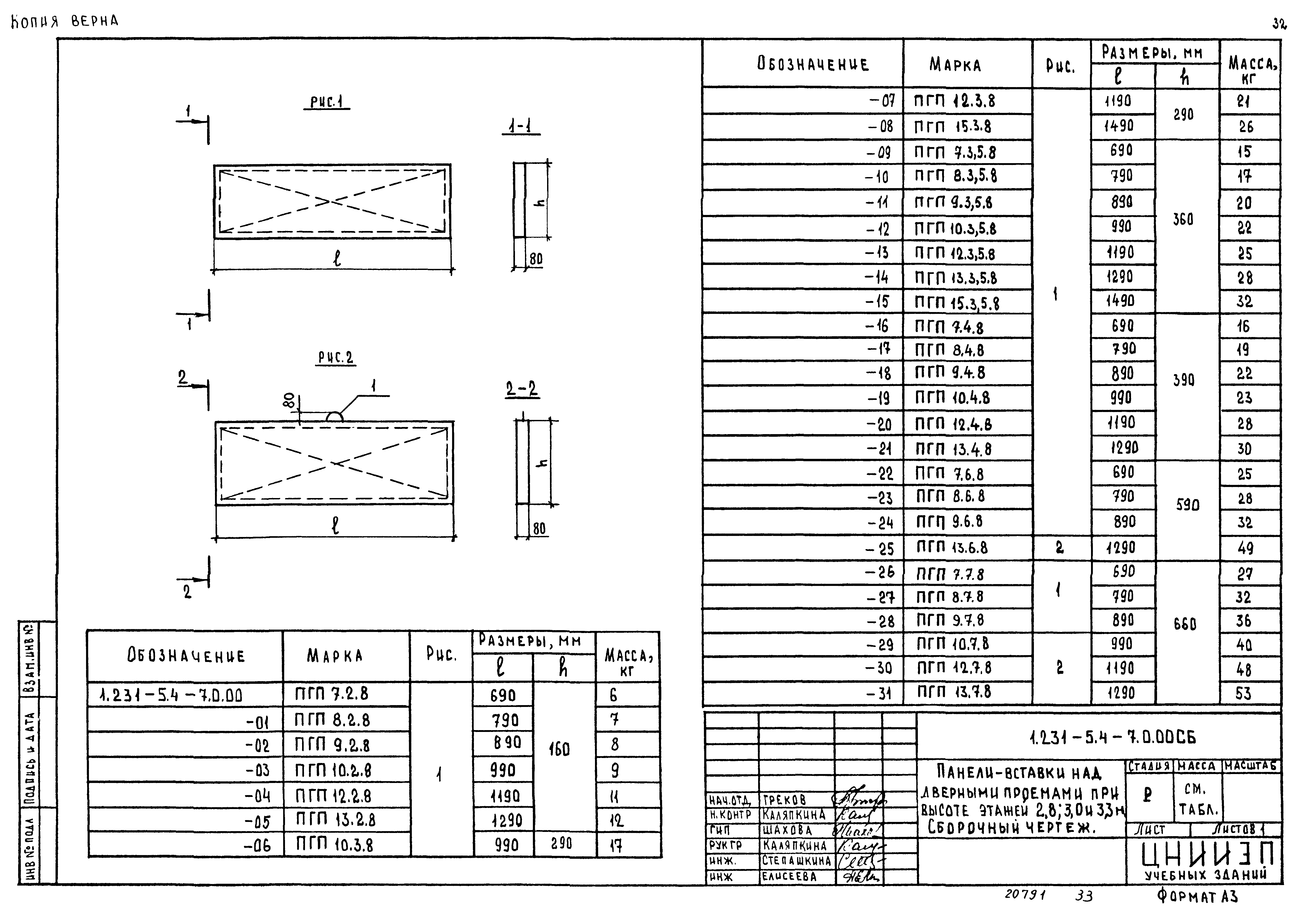
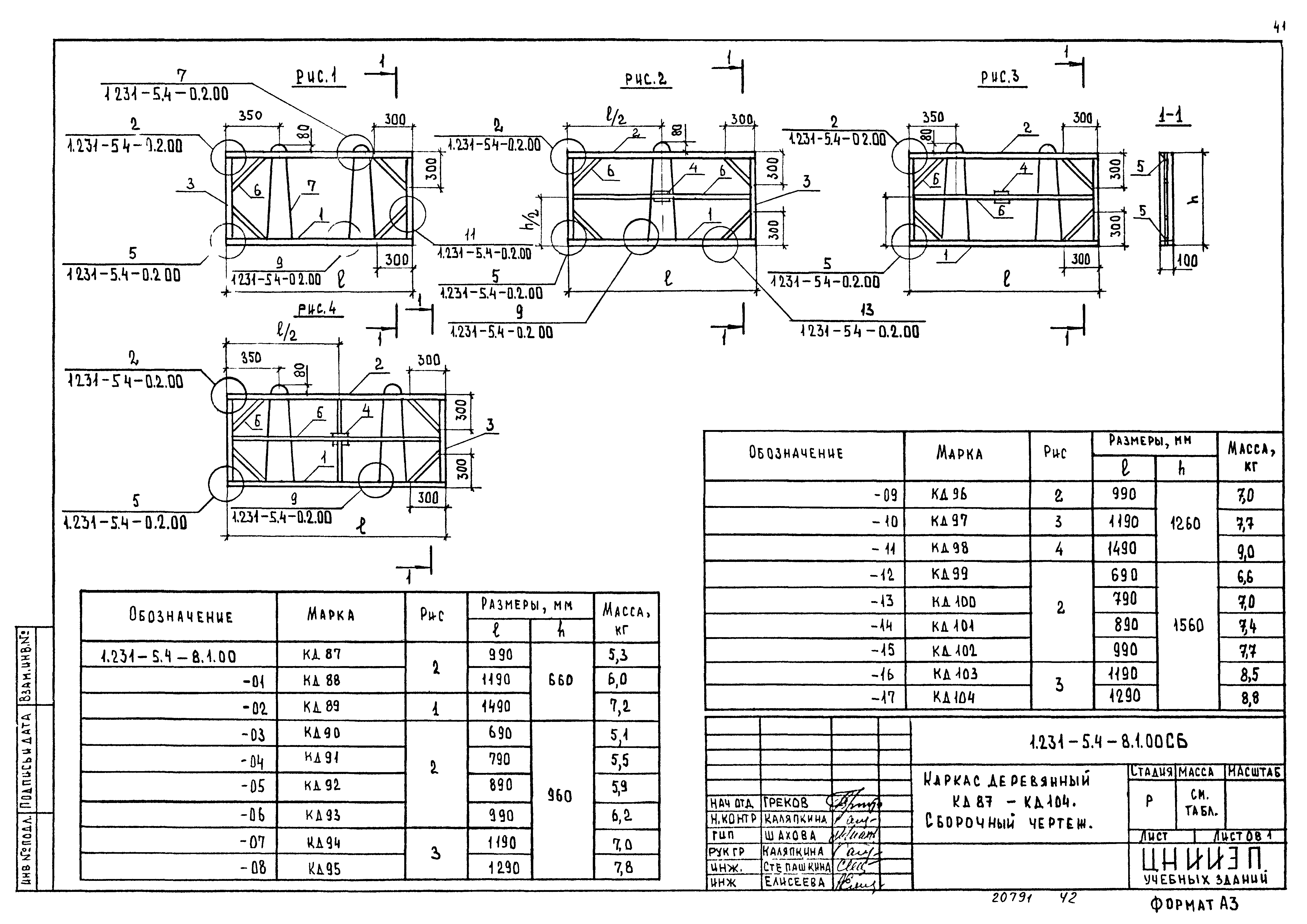
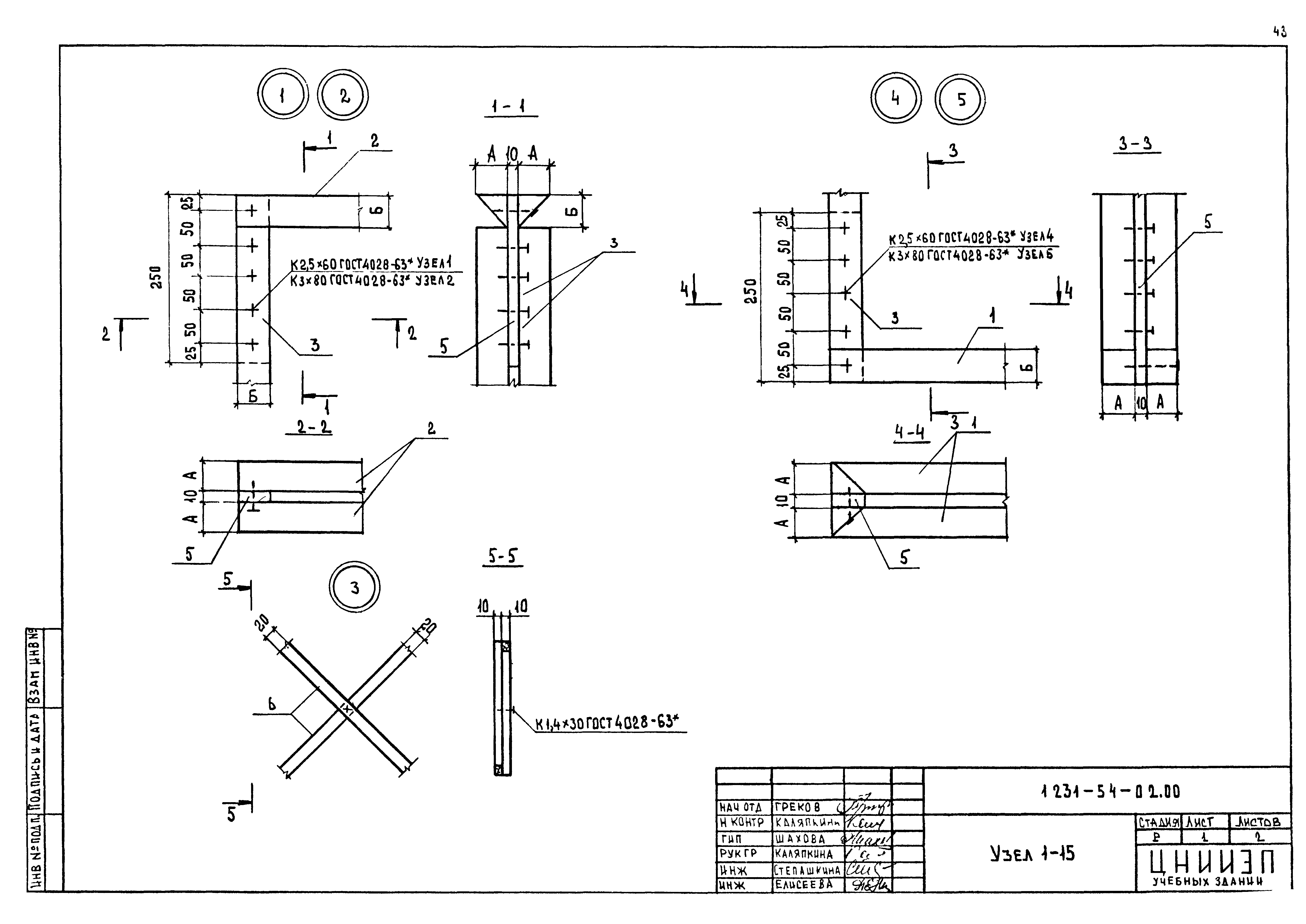
| Оглавление: | 1.231-5.4-0.0.00 ТО Техническое описание 1.231-5.4-1.0.00 Панели перегородок при высоте этажа 3,3 м 1.231-5.4-1.0.00 СБ Панели перегородок при высоте этажа 3,3 м. Сборочный чертеж 1.231-5.4-1.1.00 Каркас деревянный КД1 - КД13 1.231-5.4-1.1.00 СБ Каркас деревянный КД1 - КД13. Сборочный чертеж 1.231-5.4-2.0.00 Панели-вставки над дверными проемами при высоте этажа 3,3 м 1.231-5.4-2.0.00 СБ Панели-вставки над дверными проемами при высоте этажа 3,3 м. Сборочный чертеж 1.231-5.4-2.1.00 Каркас деревянный КД15 - КД22 1.231-5.4-2.1.00 СБ Каркас деревянный КД15 - КД22. Сборочный чертеж 1.231-5.4-3.0.00 Панели перегородок при высоте этажа 3,6 м 1.231-5.4-3.0.00 СБ Панели перегородок при высоте этажа 3,6 м. Сборочный чертеж 1.231-5.4-3.1.00 Каркас деревянный КД23 - КД29 1.231-5.4-3.1.00 СБ Каркас деревянный КД23 - КД29. Сборочный чертеж 1.231-5.4-4.0.00 Панели-вставки над дверными проемами при высоте этажа 3,6 м 1.231-5.4-4.0.00 СБ Панели-вставки над дверными проемами при высоте этажа 3,6 м. Сборочный чертеж 1.231-5.4-4.1.00 Каркас деревянный КД85, КД86, КД30 - КД36 1.231-5.4-4.1.00 СБ Каркас деревянный КД85, КД86, КД30 - КД36. Сборочный чертеж 1.231-5.4-5.0.00 Панели перегородок при высоте этажа 4,2 м 1.231-5.4-5.0.00 СБ Панели перегородок при высоте этажа 4,2 м. Сборочный чертеж 1.231-5.4-5.1.00 Каркас деревянный КД37 - КД43 1.231-5.4-5.1.00 СБ Каркас деревянный КД37 - КД43. Сборочный чертеж 1.231-5.4-6.0.00 Панели-вставки над дверными проемами при высоте этажа 4,2 м 1.231-5.4-6.0.00 СБ Панели-вставки над дверными проемами при высоте этажа 4,2 м. Сборочный чертеж 1.231-5.4-6.1.00 Каркас деревянный КД44 - КД52 1.231-5.4-6.1.00 СБ Каркас деревянный КД44 - КД52. Сборочный чертеж 1.231-5.4-7.0.00 Панели-вставки над дверными проемами при высоте этажей 2,8; 3,0 и 3,3 м 1.231-5.4-7.0.00 СБ Панели-вставки над дверными проемами при высоте этажа 2,8; 3,0 и 3,3 м. Сборочный чертеж 1.231-5.4-7.1.00 Каркас деревянный КД53 - КД84 1.231-5.4-7.1.00 СБ Каркас деревянный КД53 - КД84. Сборочный чертеж 1.231-5.4-8.0.00 Панели-вставки над дверными проемами при высоте этажей 3,6 и 4,2 м 1.231-5.4-8.0.00 СБ Панели-вставки над дверными проемами при высоте этажа 3,6 и 4,2 м. Сборочный чертеж 1.231-5.4-8.1.00 Каркас деревянный КД87 - КД104 1.231-5.4-8.1.00 СБ Каркас деревянный КД87 - КД104. Сборочный чертеж 1.231-5.4-0.1.00 Монтажная петля П (П1 - П24) 1.231-5.4-0.2.00 Узел 1 - 15 1.231-5.4-0.0.00 РМ Ведомость расхода материалов |
| Разработан: | ЦНИИЭП учебных зданий Госгражданстроя |
| Утверждён: | 26.09.1985 Госгражданстрой (Gosgrazhdanstroy 287) |
| Нормативные ссылки: |
|


















































