Скачать Серия 1.865.5-12 Выпуск 0. Указания по применениюДата актуализации: 01.01.2021
|
| Обозначение: | Серия 1.865.5-12 |
| Обозначение англ: | Series 1.865.5-12 |
| Статус: | не определен законодательством |
| Название рус.: | Выпуск 0. Указания по применению |
| Дата добавления в базу: | 01.09.2013 |
| Дата актуализации: | 01.01.2021 |
| Дата введения: | 01.07.1988 |
| Дата окончания срока действия: | 30.06.2003 |
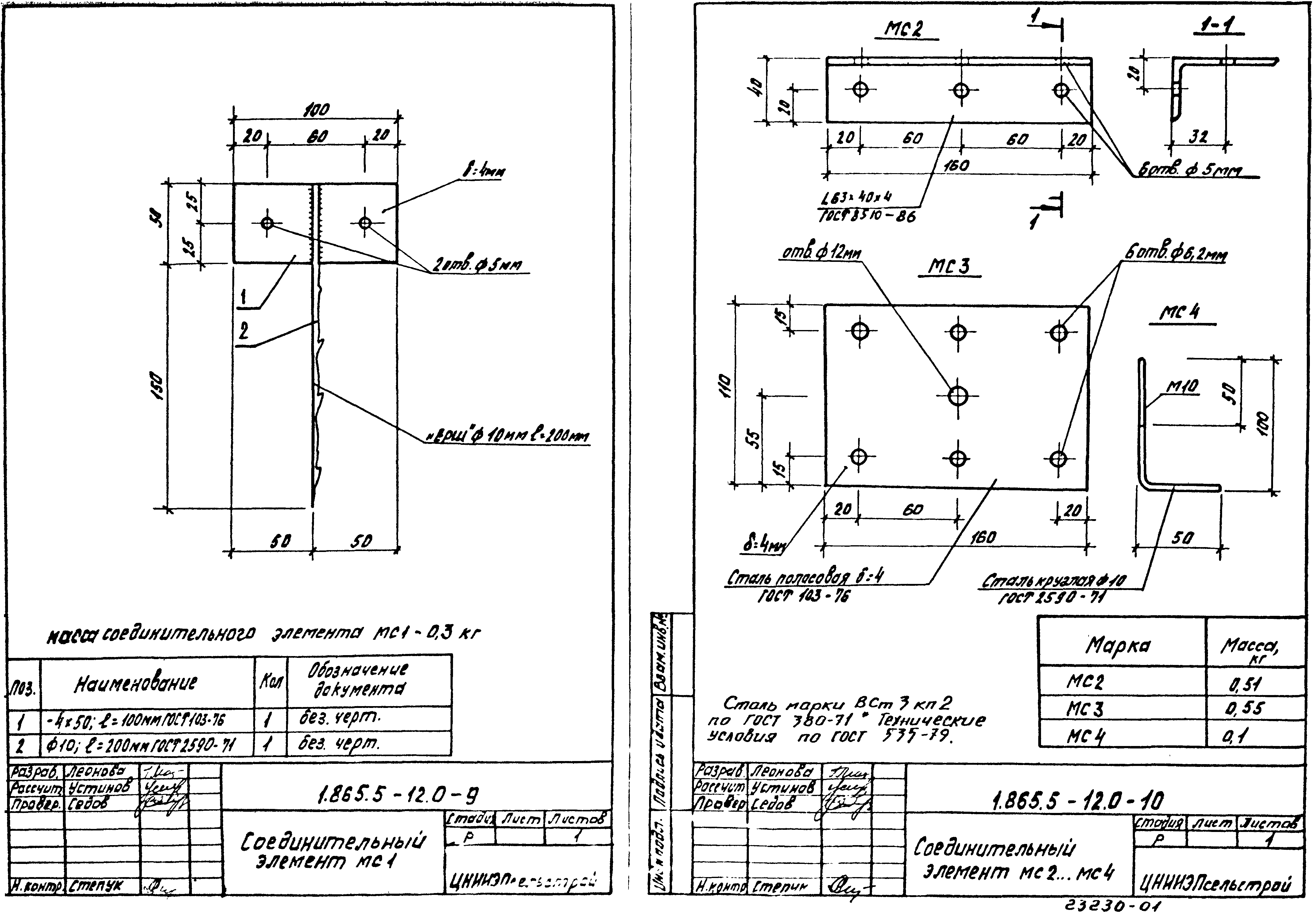
| Оглавление: | 1.865.5-12.0-ПЗ Пояснительная записка 1.865.5-12.0-НИ1 Номенклатура плит с асбестоцементной обшивкой 1.865.5-12.0-НИ2 Номенклатура плит с фанерной обшивкой 1.865.5-12.0-СМ Таблицы подбора толщин утеплителя при условиях эксплуатации "А" и "Б" 1.865.5-12.0-1 Схема раскладки плит 1.865.5-12.0-2 Узел 1. Крепление плит покрытия к деревянным строительным конструкциям 1.865.5-12.0-3 Узел 2. Крепление плит покрытия к кирпичной торцовой стене 1.865.5-12.0-4 Узел 3. Крепление плит покрытия к стропильным конструкциям у сборного торца 1.865.5-12.0-5 Узел 4. Крепление плит покрытия к железобетонным и металлическим стропильным конструкциям 1.865.5-12.0-6 Узел 5. Крепление плит покрытия к в карнизе 1.865.5-12.0-7 Узлы 6,7. Заделка продольных и поперечных стыков между плитами 1.865.5-12.0-8 Щит Щ1…Щ8 1.865.5-12.0-9 Соединительный элемент МС1 1.865.5-12.0-10 Соединительный элемент МС2…МС4 1.865.5-12.0-ПЗ Пояснительная записка 1.865.5-12.0-НИ1 Номенклатура плит с асбестоцементной обшивкой 1.865.5-12.0-НИ2 Номенклатура плит с фанерной обшивкой 1.865.5-12.0-СМ Таблицы подбора толщин утеплителя при условиях эксплуатации "А" и "Б" 1.865.5-12.0-1 Схема раскладки плит 1.865.5-12.0-2 Узел 1. Крепление плит покрытия к деревянным строительным конструкциям 1.865.5-12.0-3 Узел 2. Крепление плит покрытия к кирпичной торцовой стене 1.865.5-12.0-4 Узел 3. Крепление плит покрытия к стропильным конструкциям у сборного торца 1.865.5-12.0-5 Узел 4. Крепление плит покрытия к железобетонным и металлическим стропильным конструкциям 1.865.5-12.0-6 Узел 5. Крепление плит покрытия к в карнизе 1.865.5-12.0-7 Узлы 6,7. Заделка продольных и поперечных стыков между плитами 1.865.5-12.0-8 Щит Щ1…Щ8 1.865.5-12.0-9 Соединительный элемент МС1 1.865.5-12.0-10 Соединительный элемент МС2…МС4 |
| Разработан: | ЦНИИСК им. В.А. Кучеренко ЦНИИЭПсельстрой |
| Утверждён: | 26.11.1987 Госстрой СССР (Государственный комитет Совета Министров СССР по делам строительства) (USSR Gosstroy 6/6-4245) |
| Издан: | ЦИТП Госстроя СССР (CITP, Gosstroy (USSR) 1988 г. ) |

















