Скачать Серия 1.860.9-10 Выпуск 2. Изделия соединительные. Рабочие чертежиДата актуализации: 01.01.2021
|
| Обозначение: | Серия 1.860.9-10 |
| Обозначение англ: | Series 1.860.9-10 |
| Статус: | не определен законодательством |
| Название рус.: | Выпуск 2. Изделия соединительные. Рабочие чертежи |
| Дата добавления в базу: | 01.09.2013 |
| Дата актуализации: | 01.01.2021 |
| Дата введения: | 15.09.1989 |
| Дата окончания срока действия: | 30.06.2003 |
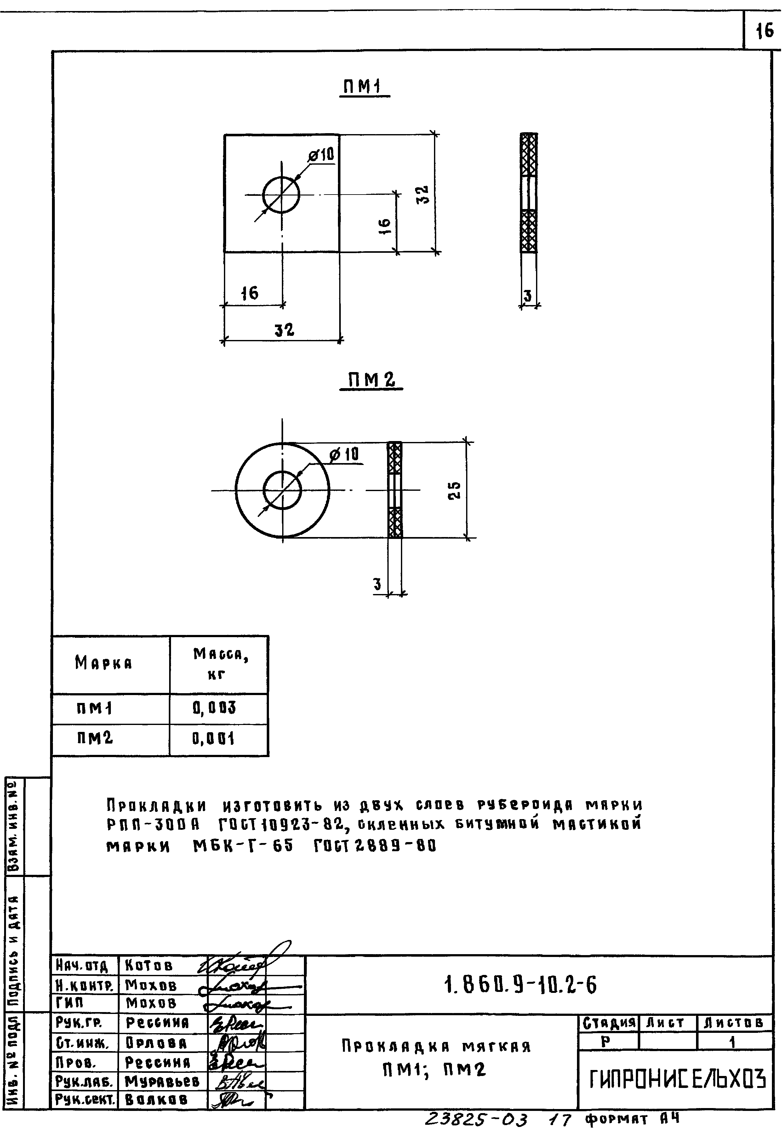
| Оглавление: | 1.860.9-10.2-ТТ Технические требования 1.860.9-10.2-1 Изделие соединительное МС1, МС2 1.860.9-10.2-2 Скоба С1, С2 1.860.9-10.2-3 Изделие соединительное МС3, МС4 1.860.9-10.2-4 Скоба С3, С4 1.860.9-10.2-5 Шайба Ш1 1.860.9-10.2-6 Прокладка мягкая ПМ1, ПМ2 1.860.9-10.2-7 Изделие соединительное МБ1 1.860.9-10.2-8 Изделие соединительное МШ1, МШ2 1.860.9-10.2-9 Изделие соединительное МС5, МС6 1.860.9-10.2-10 Деталь коньковая КС1, КС2 1.860.9-10.2-11 Деталь угловая УДС1, УДС2 1.860.9-10.2-12 Гребенка ГС |
| Разработан: | ЦНИИСК им. В.А. Кучеренко Гипрониисельхоз ЦНИИЭПсельстрой |
| Утверждён: | 24.11.1988 Госстрой СССР (Государственный комитет Совета Министров СССР по делам строительства) (USSR Gosstroy 6/6-2468) |






















