Скачать Серия 2.460-17 Выпуск 0. Материалы для проектированияДата актуализации: 01.01.2021
|
| Обозначение: | Серия 2.460-17 |
| Обозначение англ: | Series 2.460-17 |
| Статус: | не определен законодательством |
| Название рус.: | Выпуск 0. Материалы для проектирования |
| Дата добавления в базу: | 01.09.2013 |
| Дата актуализации: | 01.01.2021 |
| Дата введения: | 01.09.1982 |
| Дата окончания срока действия: | 30.06.2003 |
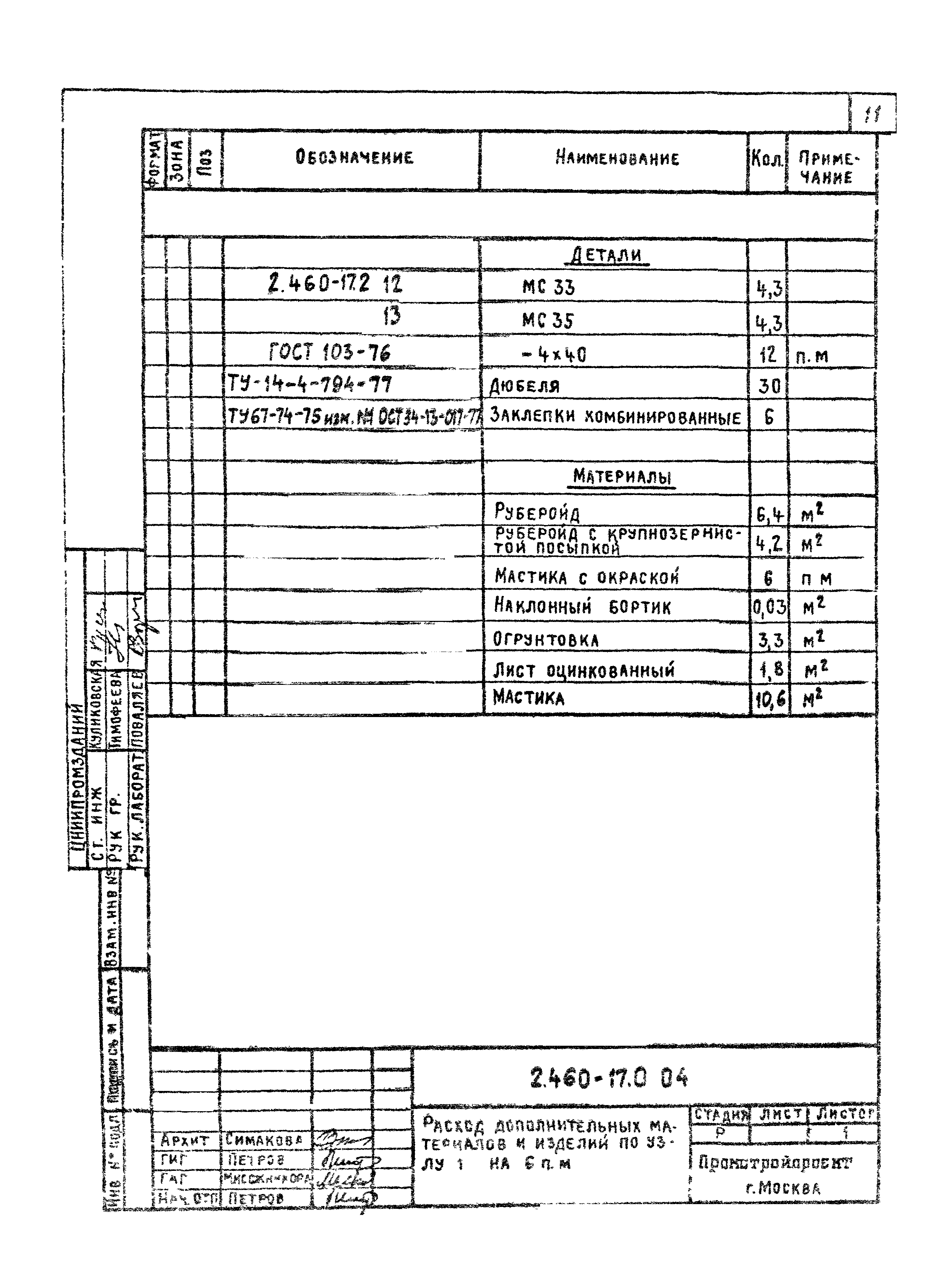
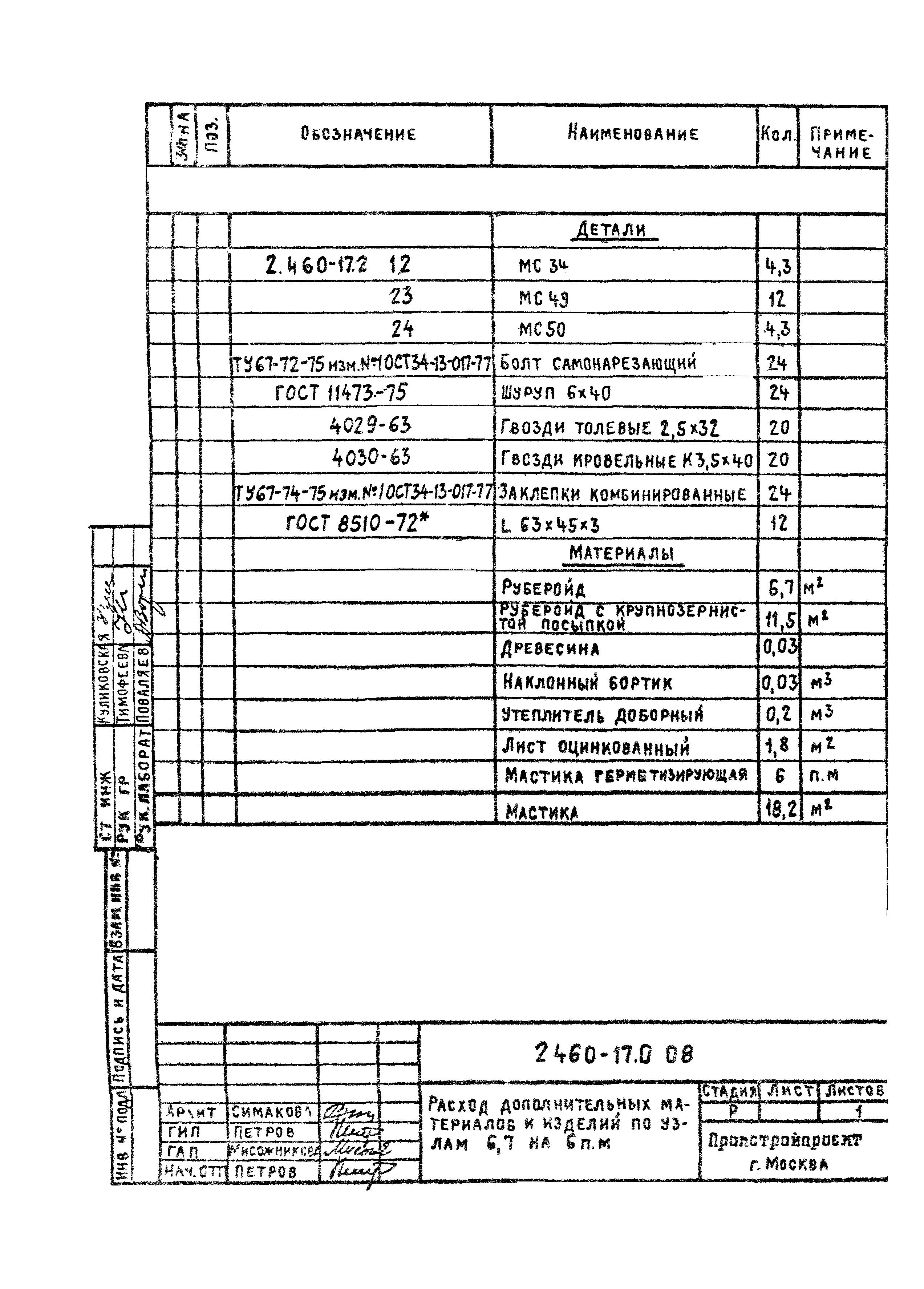
| Оглавление: | 2.460-17.0 00 ПЗ Пояснительная записка 2.460-17.0 01 Схема маркировки узлов кровель с уклоном до 1.5% 2.460-17.0 02 Таблица 1 толщин утеплителя деформационного шва 2.460-17.0 03 Таблица 2. Размеры вставок "В" в деформационных швах, совмещенных с перепадом высот кровли 2.460-17.0 04 Расход дополнительных материалов и изделий по узлу 1 на 6 п.м. 2.460-17.0 05 Расход дополнительных материалов и изделий по узлу 2 на 6 п.м. 2.460-17.0 06 Расход дополнительных материалов и изделий по узлу 3 на 6 п.м. 2.460-17.0 07 Расход дополнительных материалов и изделий по узлу 4 на 6 п.м. 2.460-17.0 08 Расход дополнительных материалов и изделий по узлам 6, 7 на 6 п.м. 2.460-17.0 09 Расход дополнительных материалов и изделий по узлам 8, 9 на 6 п.м. 2.460-17.0 10 Расход дополнительных материалов и изделий по узлам 10, 11 на 6 п.м. 2.460-17.0 11 Расход дополнительных материалов и изделий по узлам 12, 13, 14, 24 на 6 п.м. 2.460-17.0 12 Расход дополнительных материалов и изделий по узлам 15, 16 на 6 п.м. 2.460-17.0 13 Расход дополнительных материалов и изделий по узлам 17, 18, 19 на 6 п.м. 2.460-17.0 14 Расход дополнительных материалов и изделий по узлам 20, 21 на 6 п.м. 2.460-17.0 15 Расход дополнительных материалов и изделий по узлам 22, 23 на 6 п.м. |
| Разработан: | ЦНИИпромзданий ГПИ Промстройпроект |
| Утверждён: | 27.04.1982 Госстрой СССР (Государственный комитет Совета Министров СССР по делам строительства) (USSR Gosstroy 108) |
| Заменяет собой: |
























