Скачать Серия 1.011.1-7 Сваи забивные железобетонные составные квадратного сечения. Рабочие чертежиДата актуализации: 01.01.2021
|
| Обозначение: | Серия 1.011.1-7 |
| Обозначение англ: | Series 1.011.1-7 |
| Статус: | не действует |
| Название рус.: | Сваи забивные железобетонные составные квадратного сечения. Рабочие чертежи |
| Дата добавления в базу: | 01.09.2013 |
| Дата актуализации: | 01.01.2021 |
| Дата введения: | 01.04.1982 |
| Дата окончания срока действия: | 01.12.1991 |
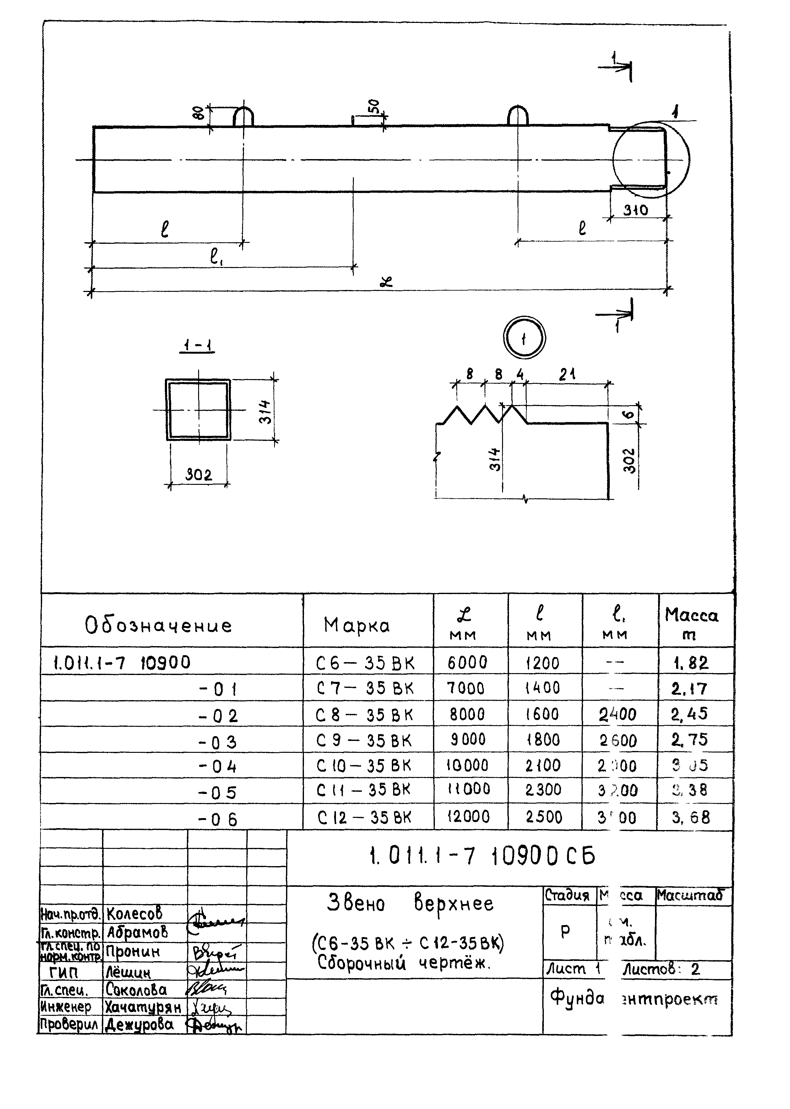
| Оглавление: | 1.011.1-7 00000 Содержание 1.011.1-7 00000 ПЗ Пояснительная записка 1.011.1-7 10000 Свая составная (С14-30С:С28-40К) 1.011.1-7 10000 СБ Свая составная (С14-30С:С28-40К). Сборочный чертеж 1.011.1-7 10100 Звено верхнее (С4-30ВС:С8-30ВС) 1.011.1-7 10100 СБ Звено верхнее (С4-30ВС:С8-30ВС). Сборочный чертеж 1.011.1-7 10110 Каркас пространственный (КП4-30ВС:КП8-30ВС) 1.011.1-7 10110 СБ Каркас пространственный (КП4-30ВС:КП8-30ВС). Сборочный чертеж 1.011.1-7 10200 Звено нижнее (С8-30НС:С12-30НС) 1.011.1-7 10200 СБ Звено нижнее (С8-30НС:С12-30НС). Сборочный чертеж 1.011.1-7 10210 Каркас пространственный (КП8-30НС:КП12-30НС) 1.011.1-7 10210 СБ Каркас пространственный (КП8-30НС:КП12-30НС). Сборочный чертеж 1.011.1-7 10300 Звено верхнее (С6-35ВС:С12-35ВС) 1.011.1-7 10300 СБ Звено верхнее (С6-35ВС:С12-35ВС). Сборочный чертеж 1.011.1-7 10310 Каркас пространственный (КП6-35ВС:КП12-35ВС) 1.011.1-7 10310 СБ Каркас пространственный (КП6-35ВС:КП12-35ВС). Сборочный чертеж 1.011.1-7 10400 Звено нижнее (С8-35НС:С12-35НС) 1.011.1-7 10400 СБ Звено нижнее (С8-35НС:С12-35НС). Сборочный чертеж 1.011.1-7 10410 Каркас пространственный (КП8-35НС:КП12-35НС) 1.011.1-7 10410 СБ Каркас пространственный (КП8-35НС:КП12-35НС). Сборочный чертеж 1.011.1-7 10500 Звено верхнее (С6-40ВС:С14-40ВС) 1.011.1-7 10500 СБ Звено верхнее (С6-40ВС:С14-40ВС). Сборочный чертеж 1.011.1-7 10510 Каркас пространственный (КП6-40ВС:КП14-40ВС) 1.011.1-7 10510 СБ Каркас пространственный (КП6-40ВС:КП14-40ВС). Сборочный чертеж 1.011.1-7 10600 Звено нижнее (С8-40НС;С12-40НС;С14-40НС) 1.011.1-7 10600 СБ Звено нижнее (С8-40НС;С12-40НС;С14-40НС). Сборочный чертеж 1.011.1-7 10610 Каркас пространственный (С8-40НС;С12-40НС;С14-40НС) 1.011.1-7 10610 СБ Каркас пространственный (С8-40НС;С12-40НС;С14-40НС). Сборочный чертеж 1.011.1-7 10700 Звено верхнее (С4-30ВК:С8-30ВК) 1.011.1-7 10700 СБ Звено верхнее (С4-30ВК:С8-30ВК). Сборочный чертеж 1.011.1-7 10710 Каркас пространственный (КП4-40ВК:КП8-40ВК) 1.011.1-7 10710 СБ Каркас пространственный (КП4-40ВК:КП8-40ВК). Сборочный чертеж 1.011.1-7 10800 Звено нижнее (С8-30НК:С12-30НК) 1.011.1-7 10800 СБ Звено нижнее (С8-30НК:С12-30НК). Сборочный чертеж 1.011.1-7 10810 Каркас пространственный (КП8-30НК:КП12-30НК) 1.011.1-7 10810 СБ Каркас пространственный (КП8-30НК:КП12-30НК). Сборочный чертеж 1.011.1-7 10900 Звено верхнее (С6-35ВК:С12-35ВК) 1.011.1-7 10900 СБ Звено верхнее (С6-35ВК:С12-35ВК). Сборочный чертеж 1.011.1-7 10910 Каркас пространственный (КП6-35ВК:КП12-35ВК) 1.011.1-7 10910 СБ Каркас пространственный (КП6-35ВК:КП12-35ВК). Сборочный чертеж 1.011.1-7 11000 Звено нижнее (С8-35НК:С12-35НК) 1.011.1-7 11000 СБ Звено нижнее (С8-35НК:С12-35НК). Сборочный чертеж 1.011.1-7 11010 Каркас пространственный (КП8-35НК:КП12-35НК) 1.011.1-7 11010 СБ Каркас пространственный (КП8-35НК:КП12-35НК). Сборочный чертеж 1.011.1-7 11100 Звено верхнее (С6-40ВК:С14-40ВК) 1.011.1-7 11100 СБ Звено верхнее (С6-40ВК:С14-40ВК). Сборочный чертеж 1.011.1-7 11110 Каркас пространственный (КП6-40ВК:КП14-40ВК) 1.011.1-7 11110 СБ Каркас пространственный (КП6-40ВК:КП14-40ВК). Сборочный чертеж 1.011.1-7 11200 Звено нижнее (С8-40НК:С12-40НК;С14-40НК) 1.011.1-7 11200 СБ Звено нижнее (С8-40НК:С12-40НК;С14-40НК). Сборочный чертеж 1.011.1-7 11210 Каркас пространственный (КП8-40НК:КП12-40НК;КП14-40НК) 1.011.1-7 11210 СБ Каркас пространственный (КП8-40НК:КП12-40НК;КП14-40НК). Сборочный чертеж 1.011.1-7 10010 Каркас пространственный (КП1:КП7) 1.011.1-7 10010 СБ Каркас пространственный (КП1:КП7). Сборочный чертеж 1.011.1-7 10020 Петля (П1:П7) 1.011.1-7 10020 СБ Петля (П1:П7). Сборочный чертеж 1.011.1-7 10030 Изделие закладное (М1:М3) 1.011.1-7 10030 СБ Изделие закладное (М1:М3). Сборочный чертеж 1.011.1-7 10040 Изделие закладное (М4:М6) 1.011.1-7 10040 СБ Изделие закладное (М4:М6). Сборочный чертеж 1.011.1-7 00000 ВМС Выборка стали ВМС |
| Разработан: | НИИЖБ Госстроя СССР Фундаментпроект НИИОСП им. Герсеванова Госстроя России |
| Утверждён: | 31.12.1981 Госстрой СССР (Государственный комитет Совета Министров СССР по делам строительства) (USSR Gosstroy 275) |
| Нормативные ссылки: |
|












































































































