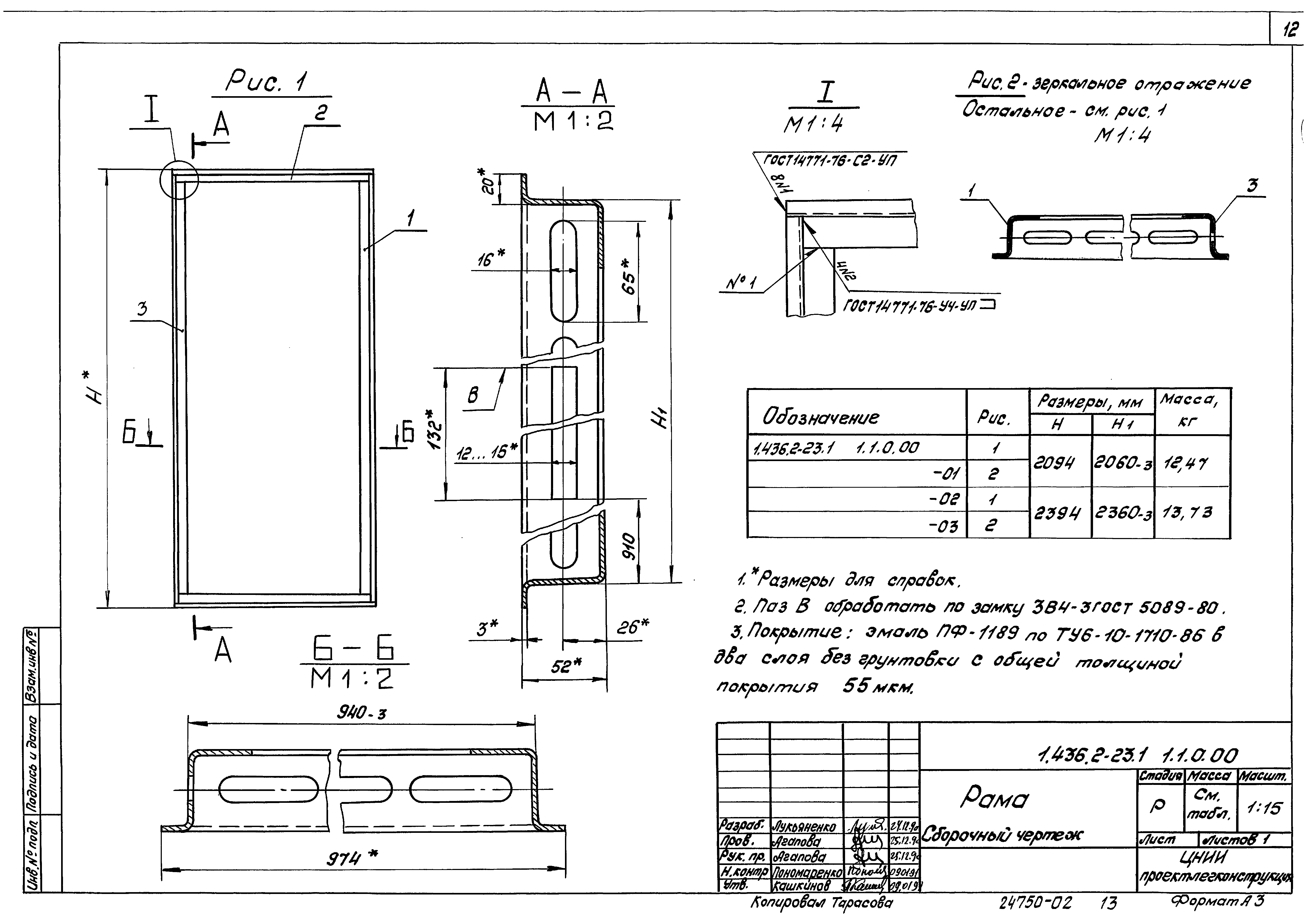
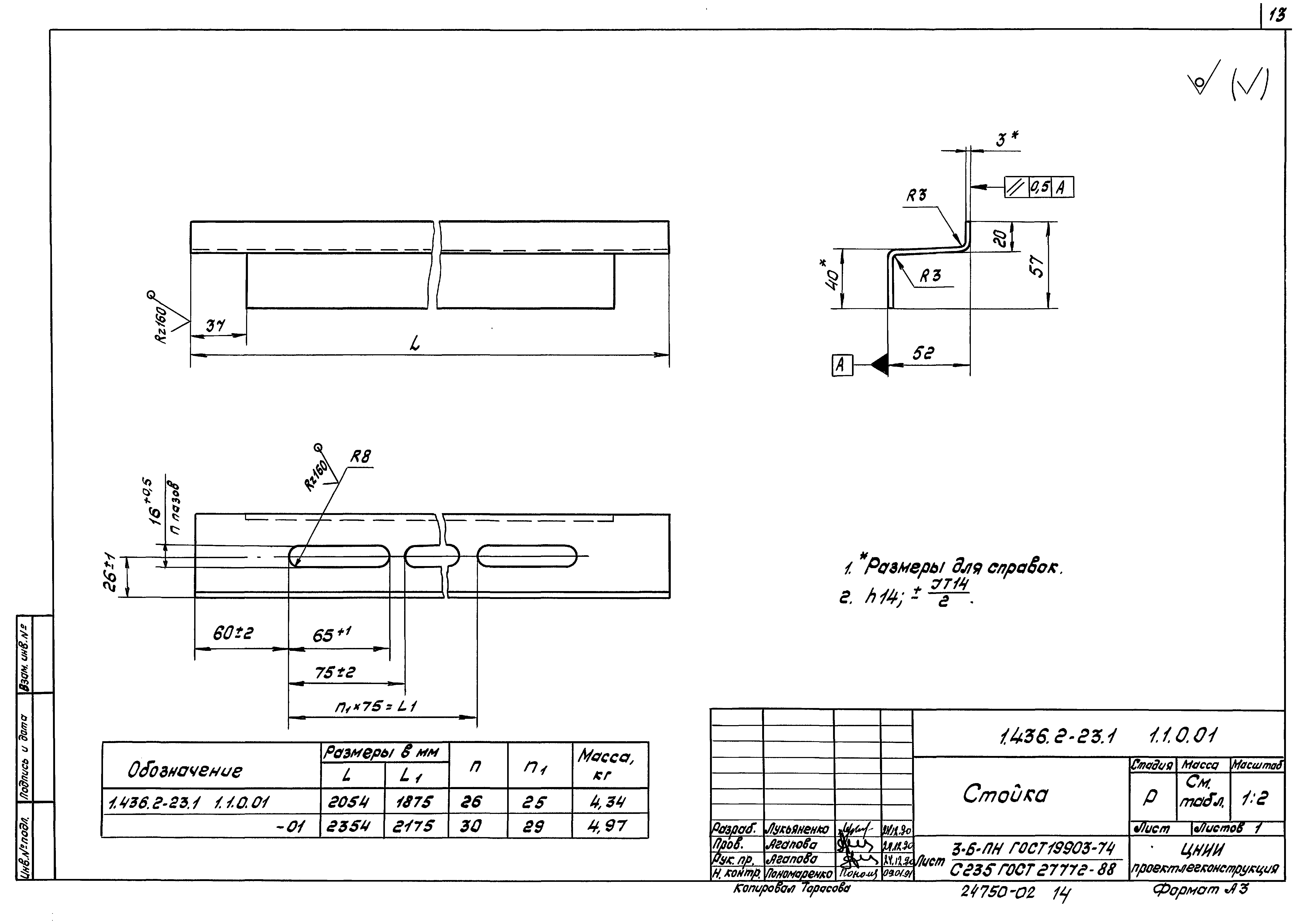
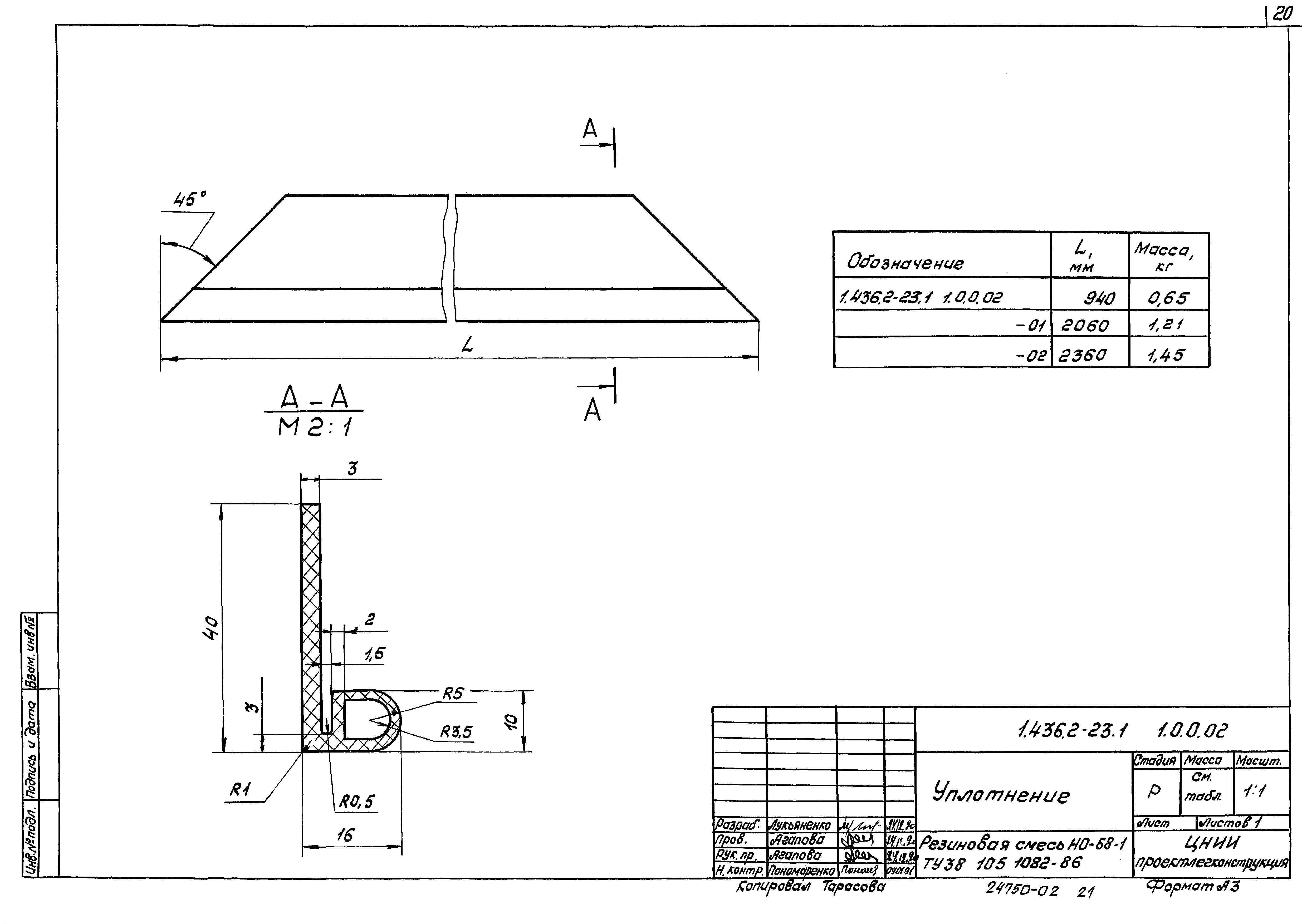
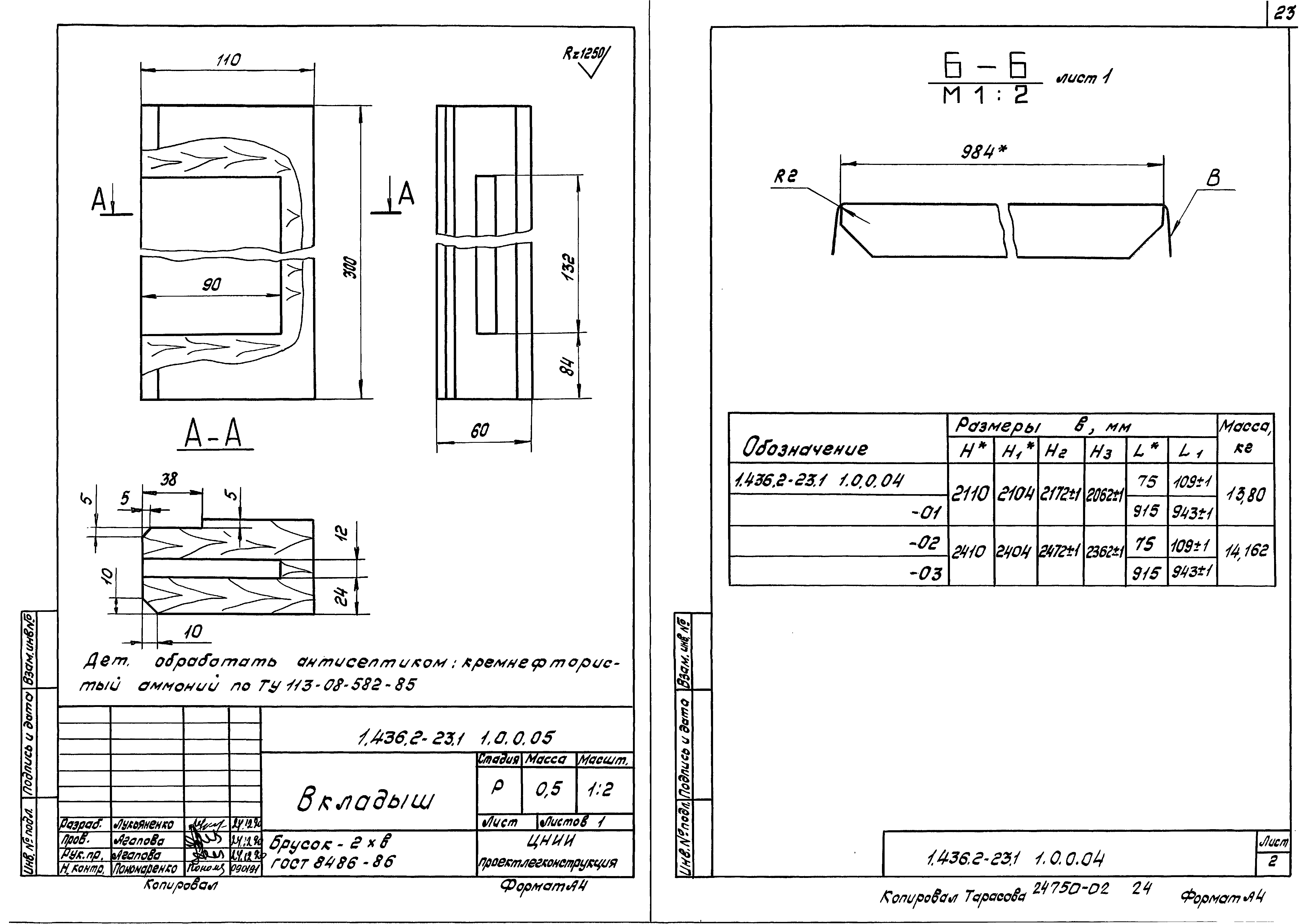
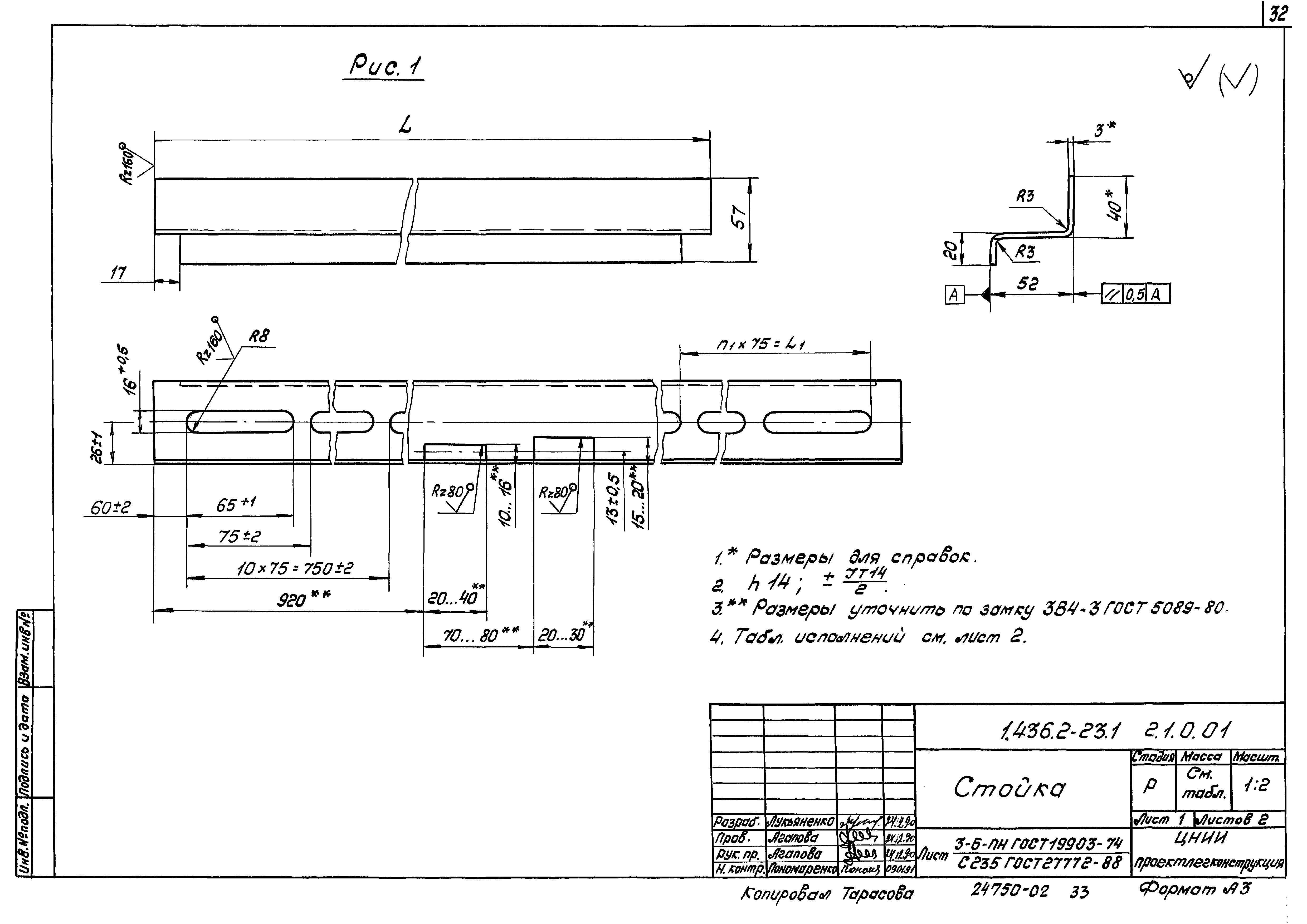
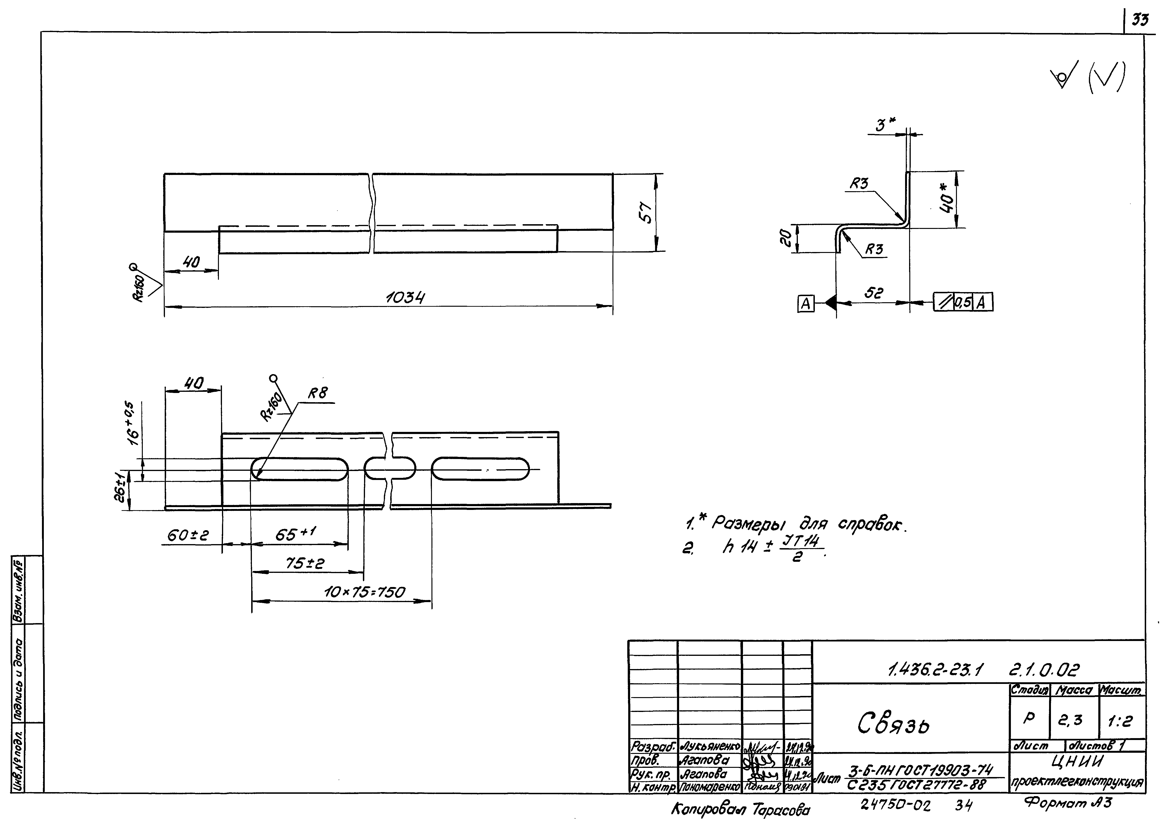
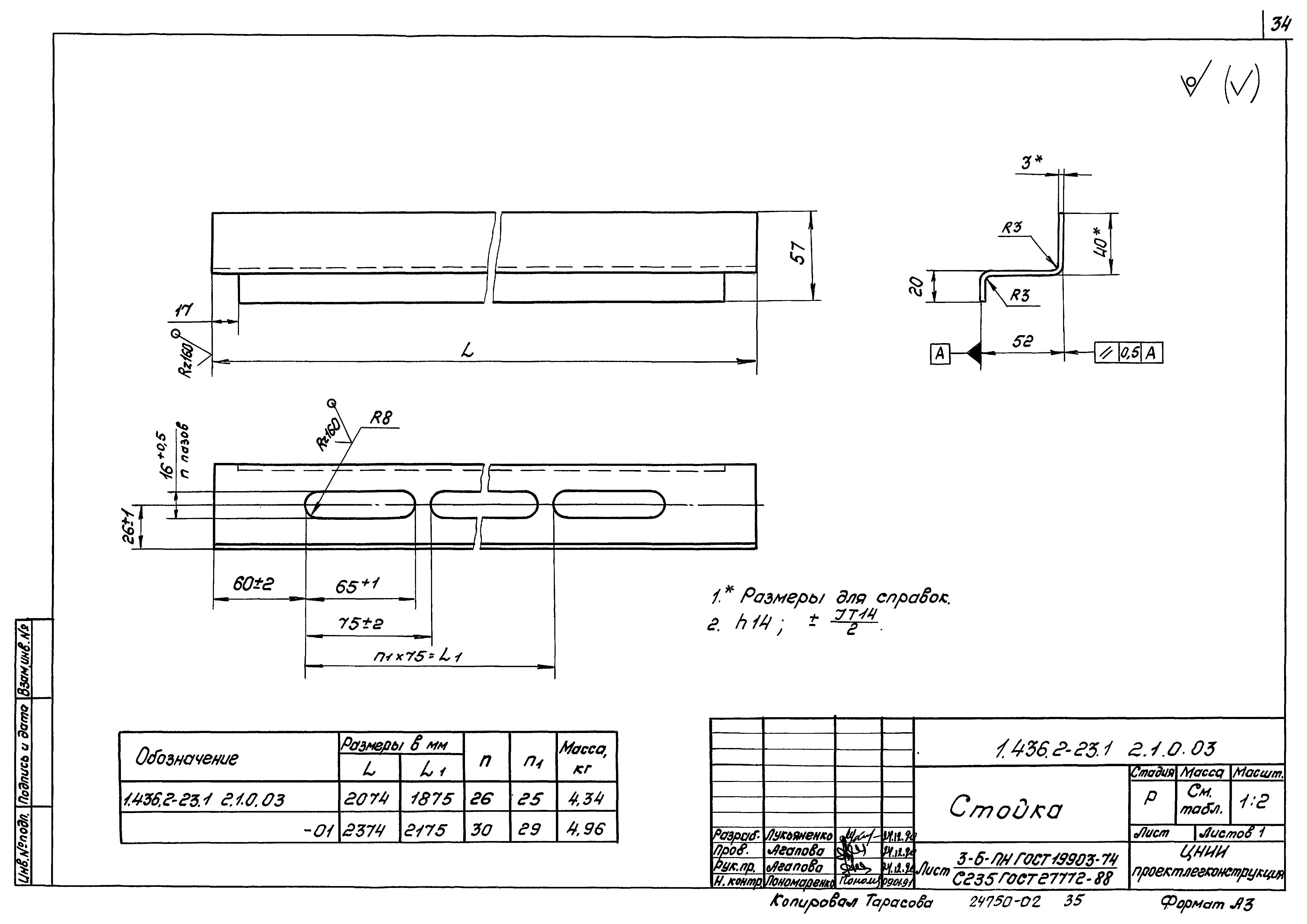
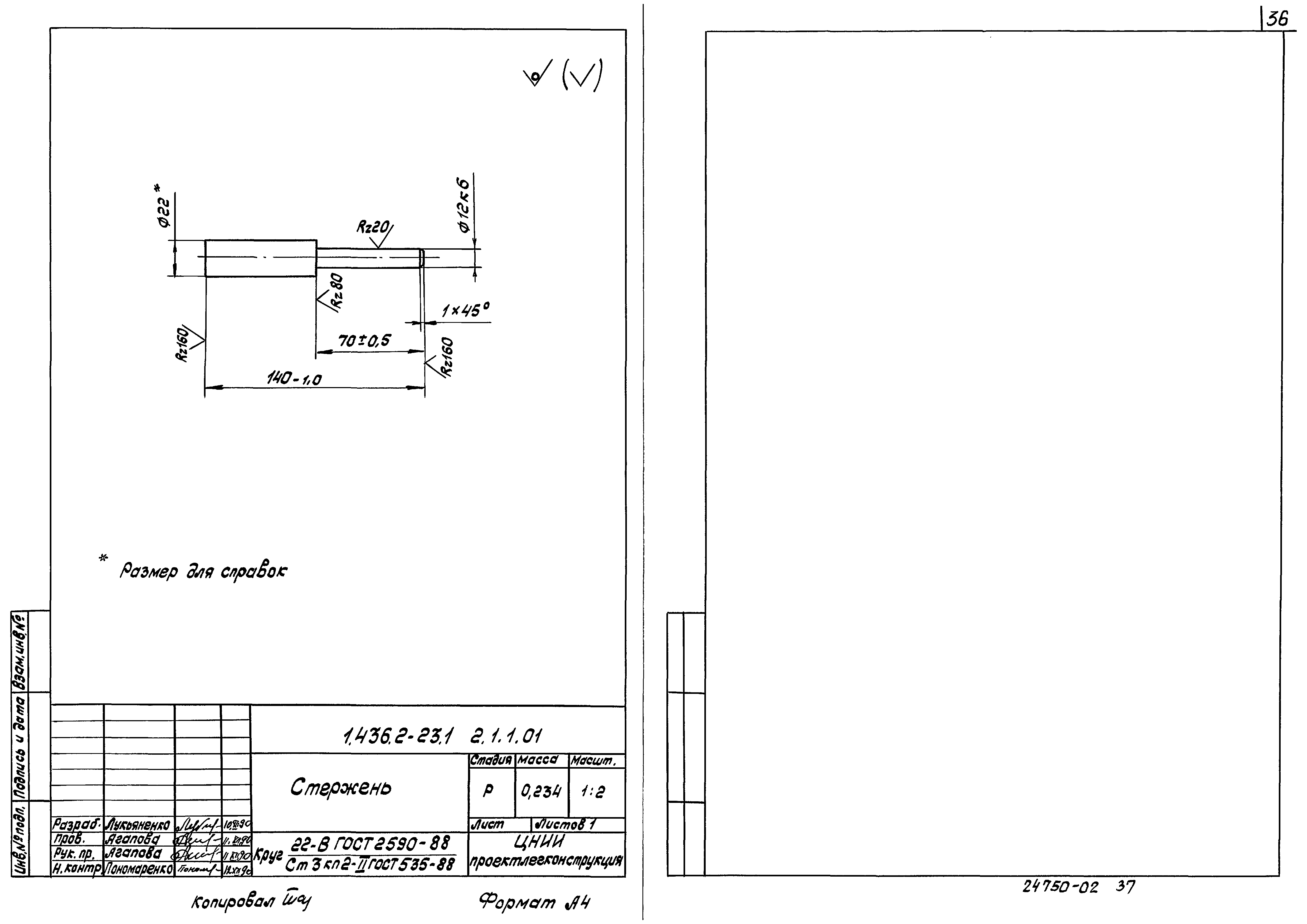
Скачать Серия 1.436.2-23 Выпуск 1. Двери однопольные. Рабочие чертежиДата актуализации: 01.01.2021 Серия 1.436.2-23
Выпуск 1. Двери однопольные. Рабочие чертежи| Обозначение: | Серия 1.436.2-23 | | Обозначение англ: | Series 1.436.2-23 | | Статус: | не определен законодательством | | Название рус.: | Выпуск 1. Двери однопольные. Рабочие чертежи | | Дата добавления в базу: | 01.09.2013 | | Дата актуализации: | 01.01.2021 | | Дата введения: | 15.07.1991 | | Дата окончания срока действия: | 30.06.2003 | | Разработан: | ЦНИИПроектлегконструкция
| | Утверждён: | 20.07.1990 Союзлегконструкция
| | Издан: | АПП ЦИТП (1991 г. )
|
                                       
|