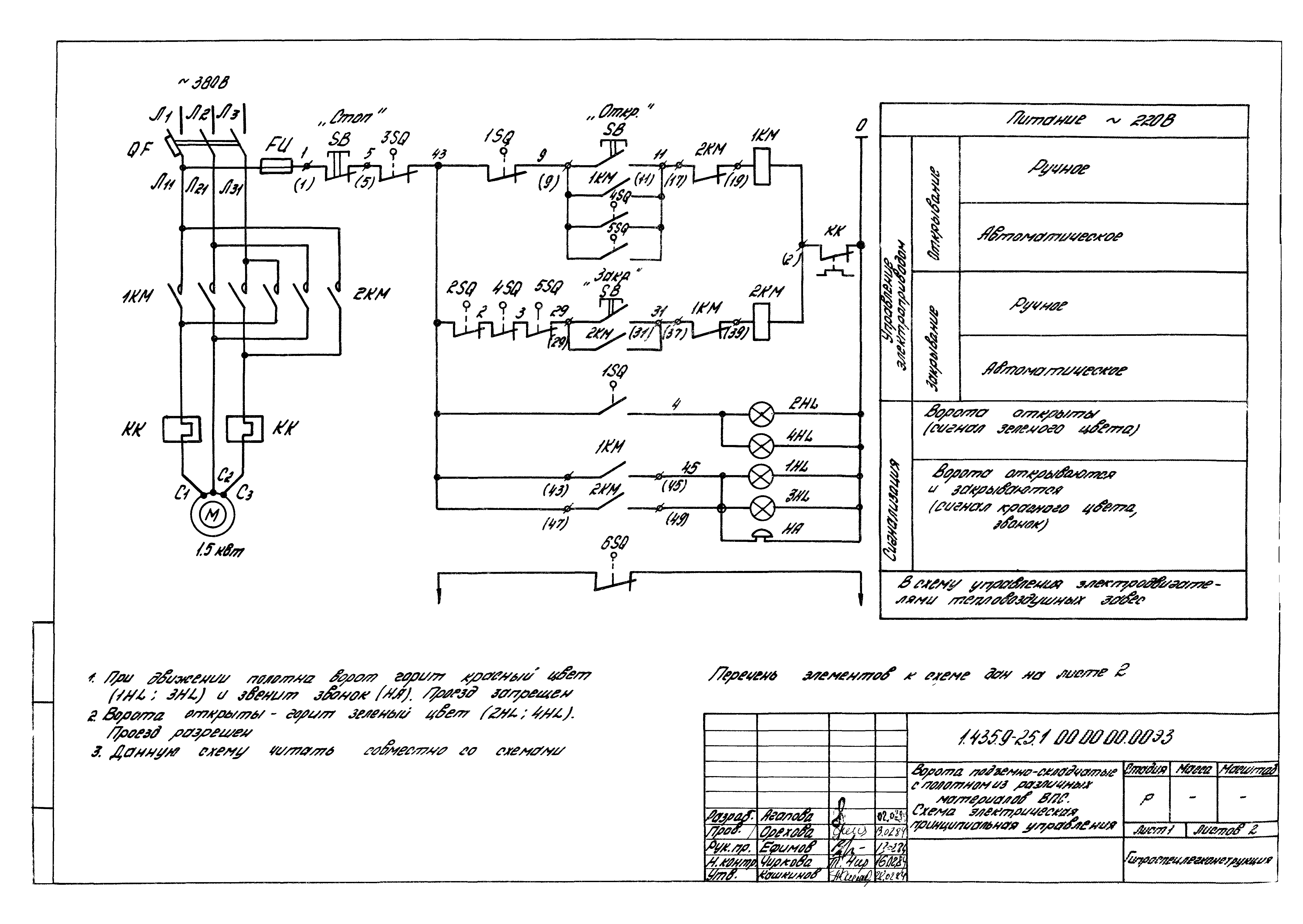
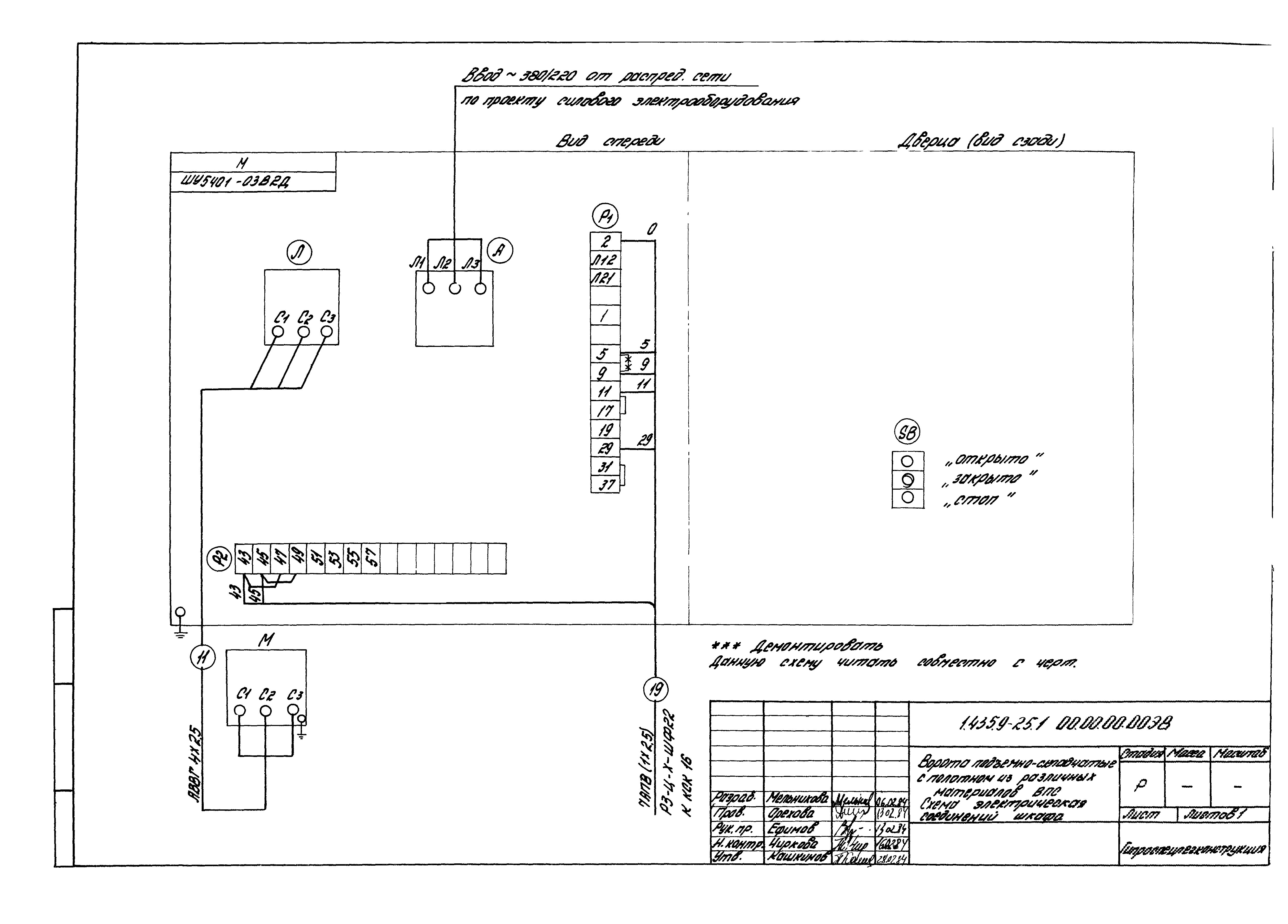
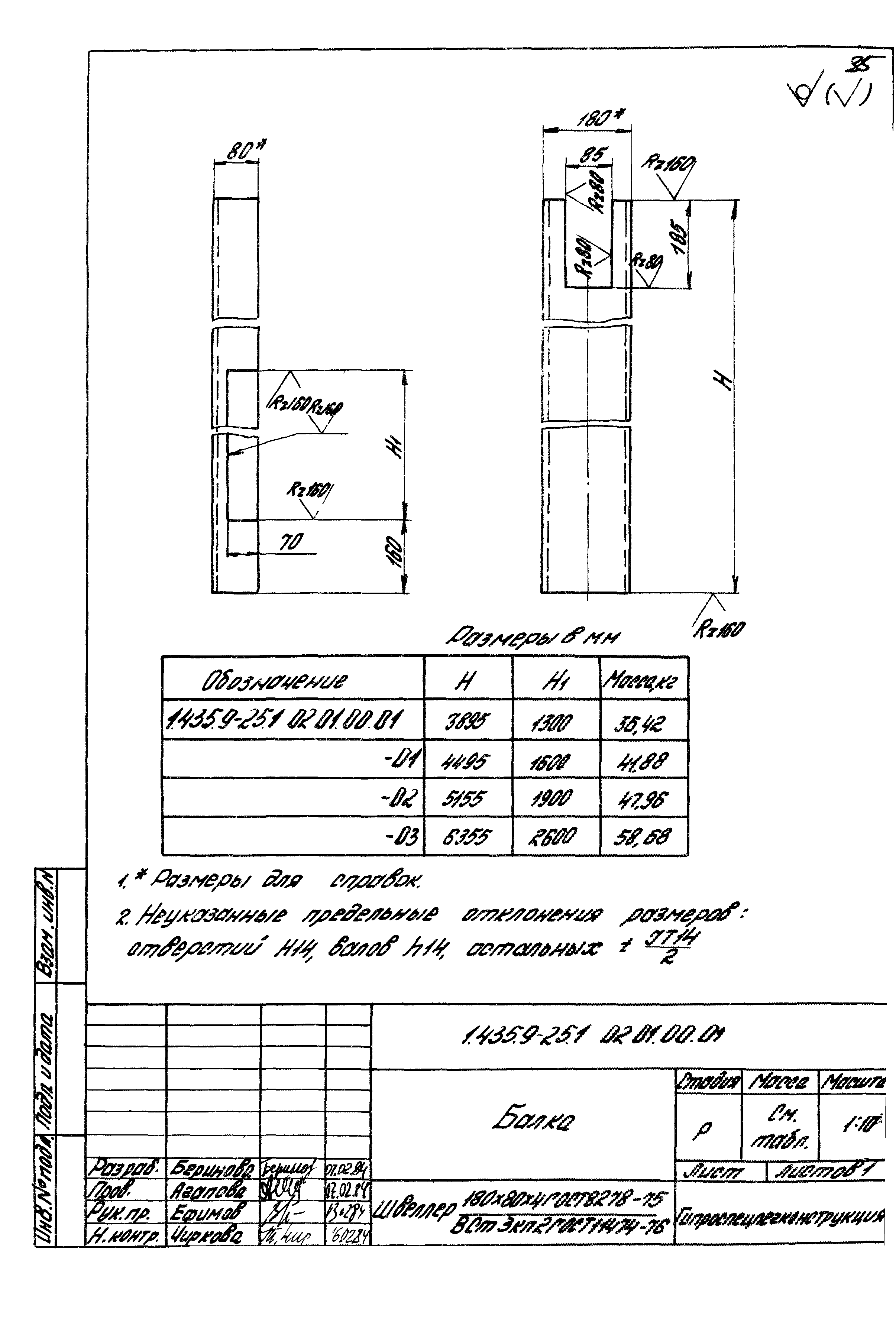
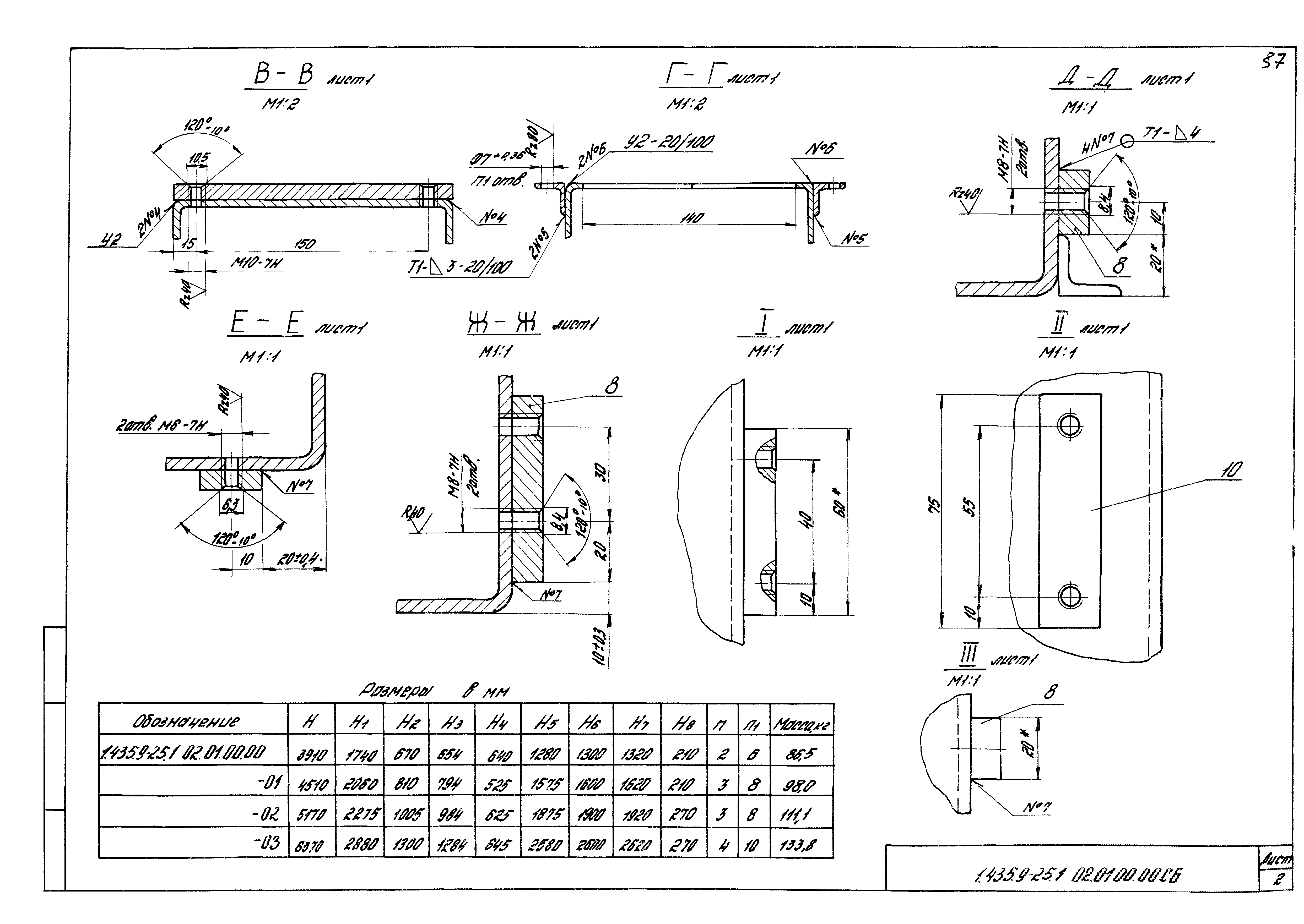
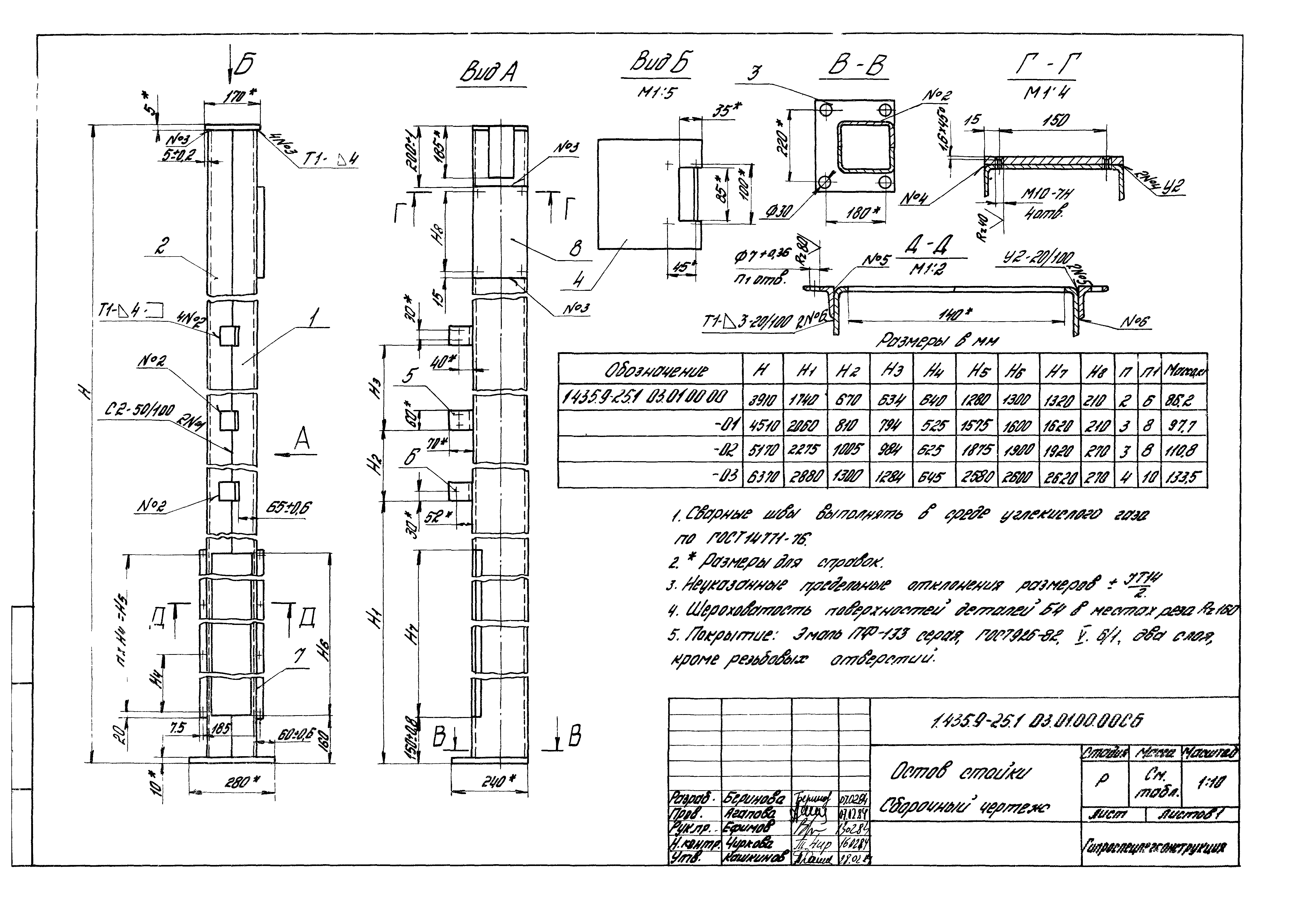
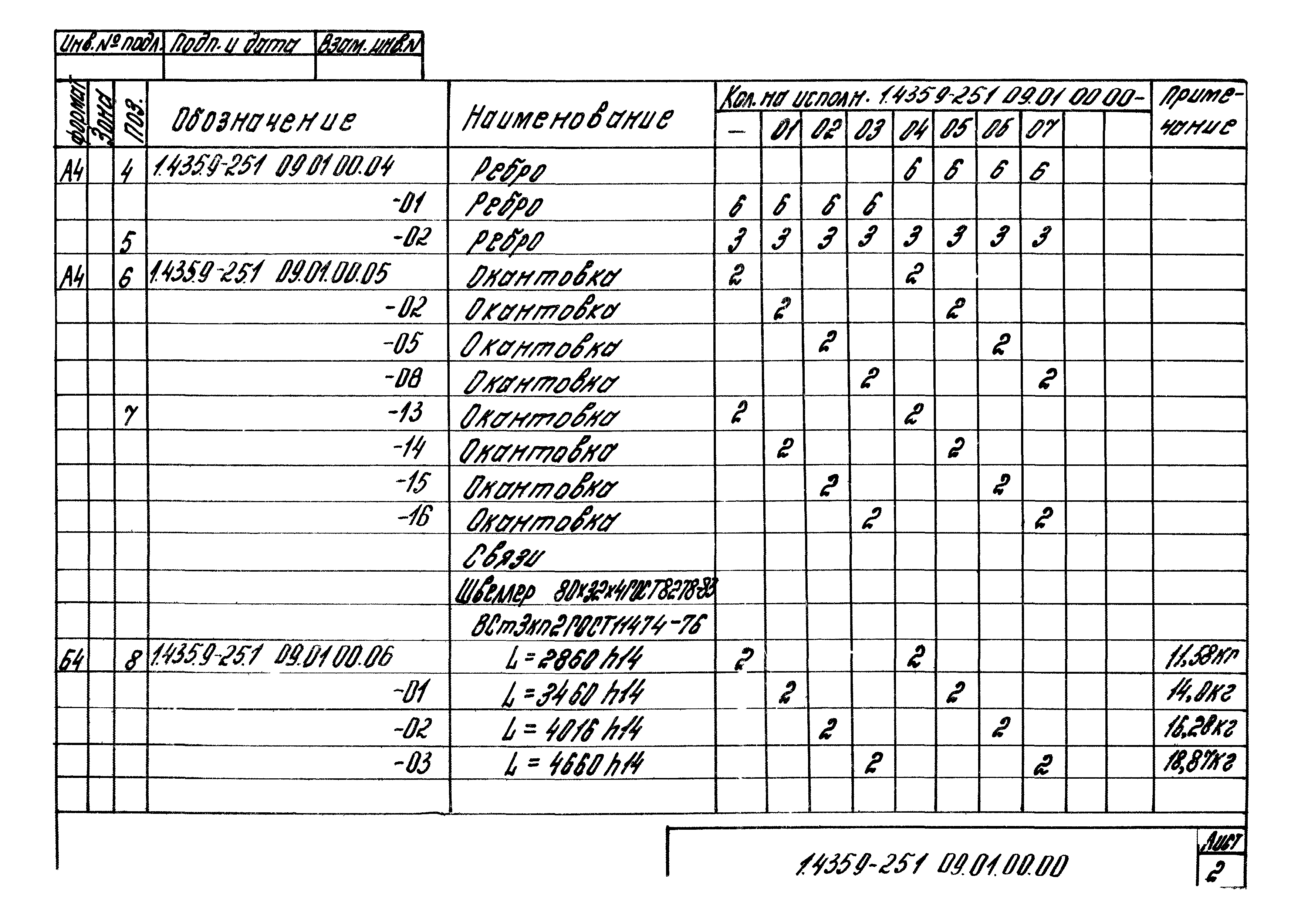
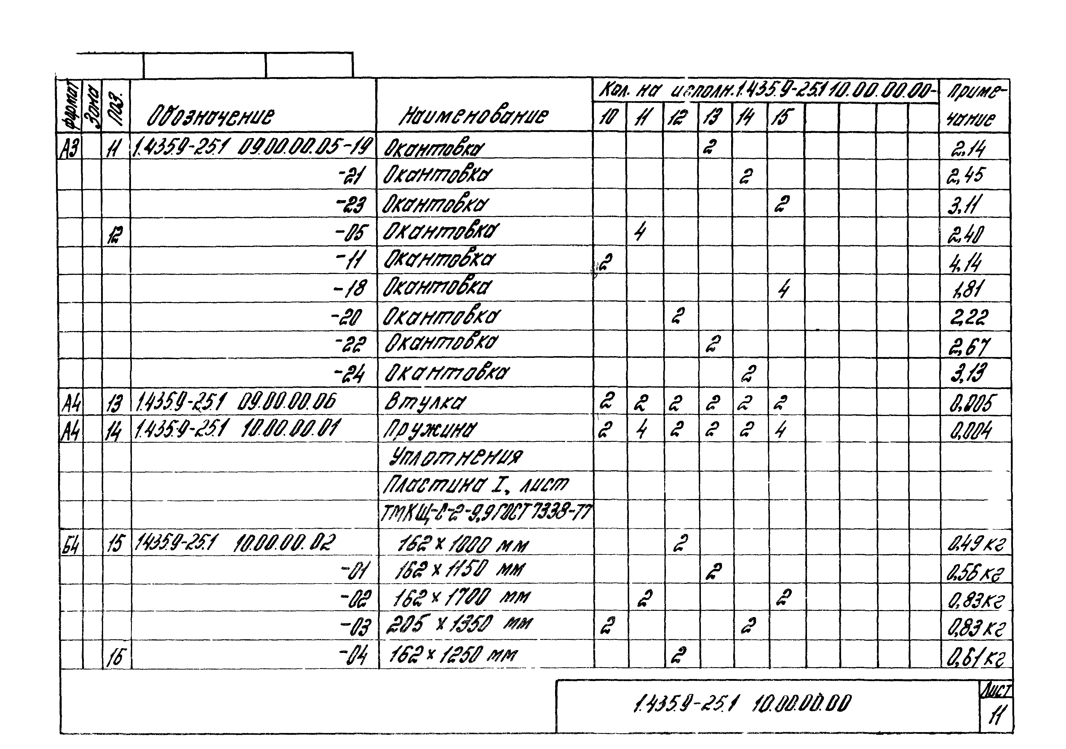
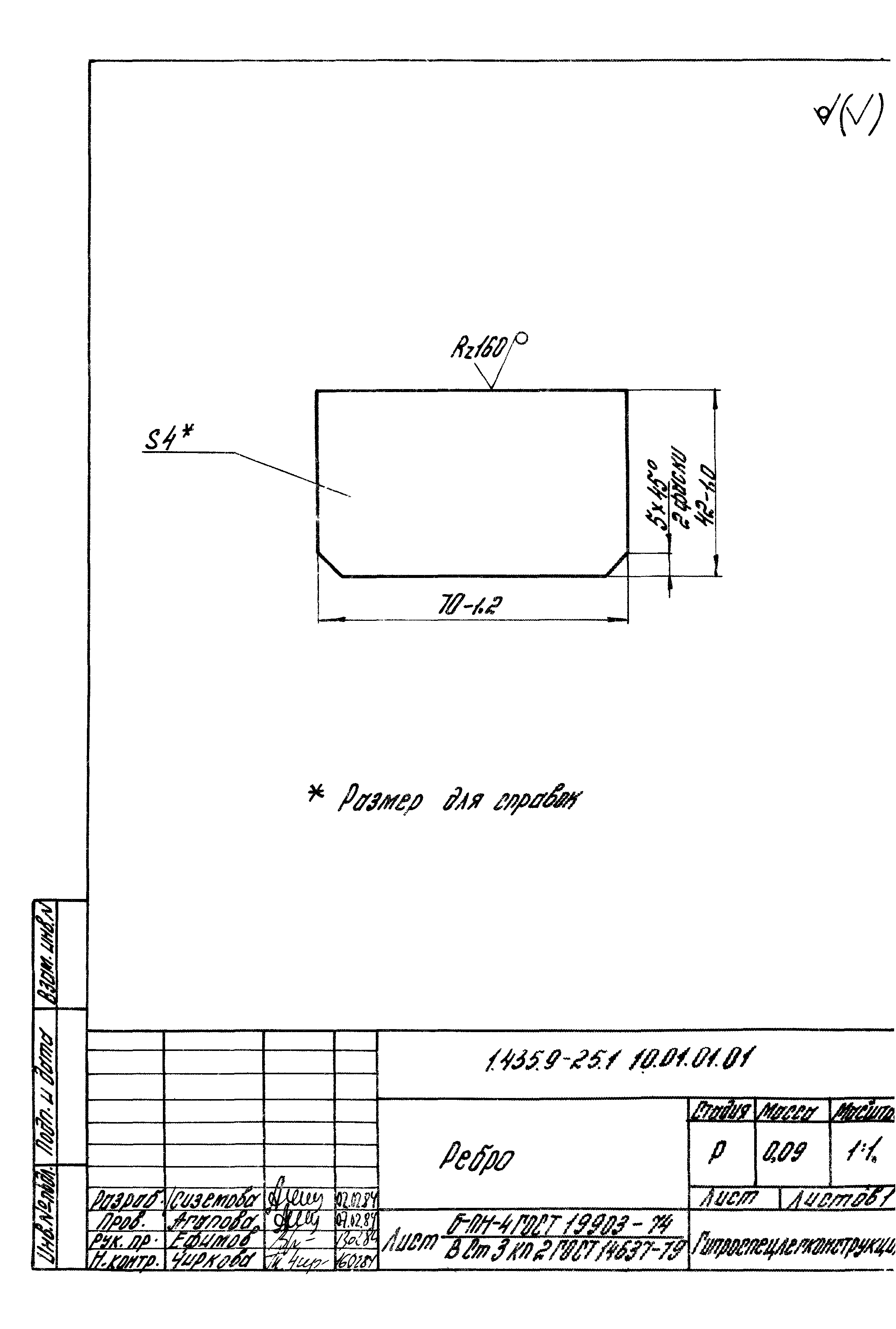
Скачать Серия 1.435.9-25 Выпуск 1. Ворота. Рабочие чертежиДата актуализации: 01.01.2021
|
| Обозначение: | Серия 1.435.9-25 |
| Обозначение англ: | Series 1.435.9-25 |
| Статус: | не определен законодательством |
| Название рус.: | Выпуск 1. Ворота. Рабочие чертежи |
| Дата добавления в базу: | 01.09.2013 |
| Дата актуализации: | 01.01.2021 |
| Дата введения: | 01.01.1985 |
| Дата окончания срока действия: | 30.06.2003 |
| Разработан: | АО ЦНИИпромзданий Гипроспецлегконструкция |
| Утверждён: | 05.09.1984 Госстрой СССР (Государственный комитет Совета Министров СССР по делам строительства) (USSR Gosstroy 155) |
| Заменяет собой: |
























































































































































































































