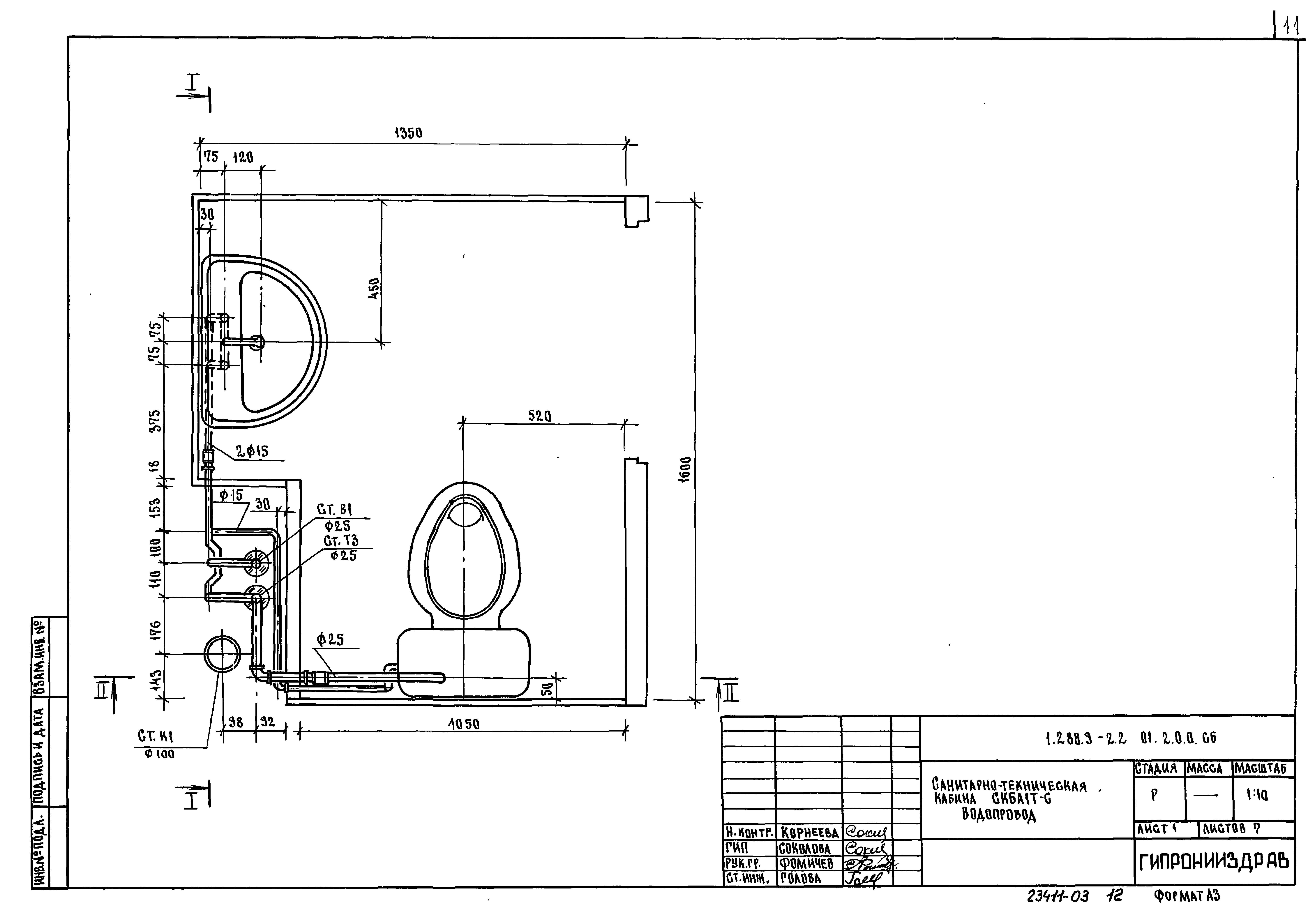
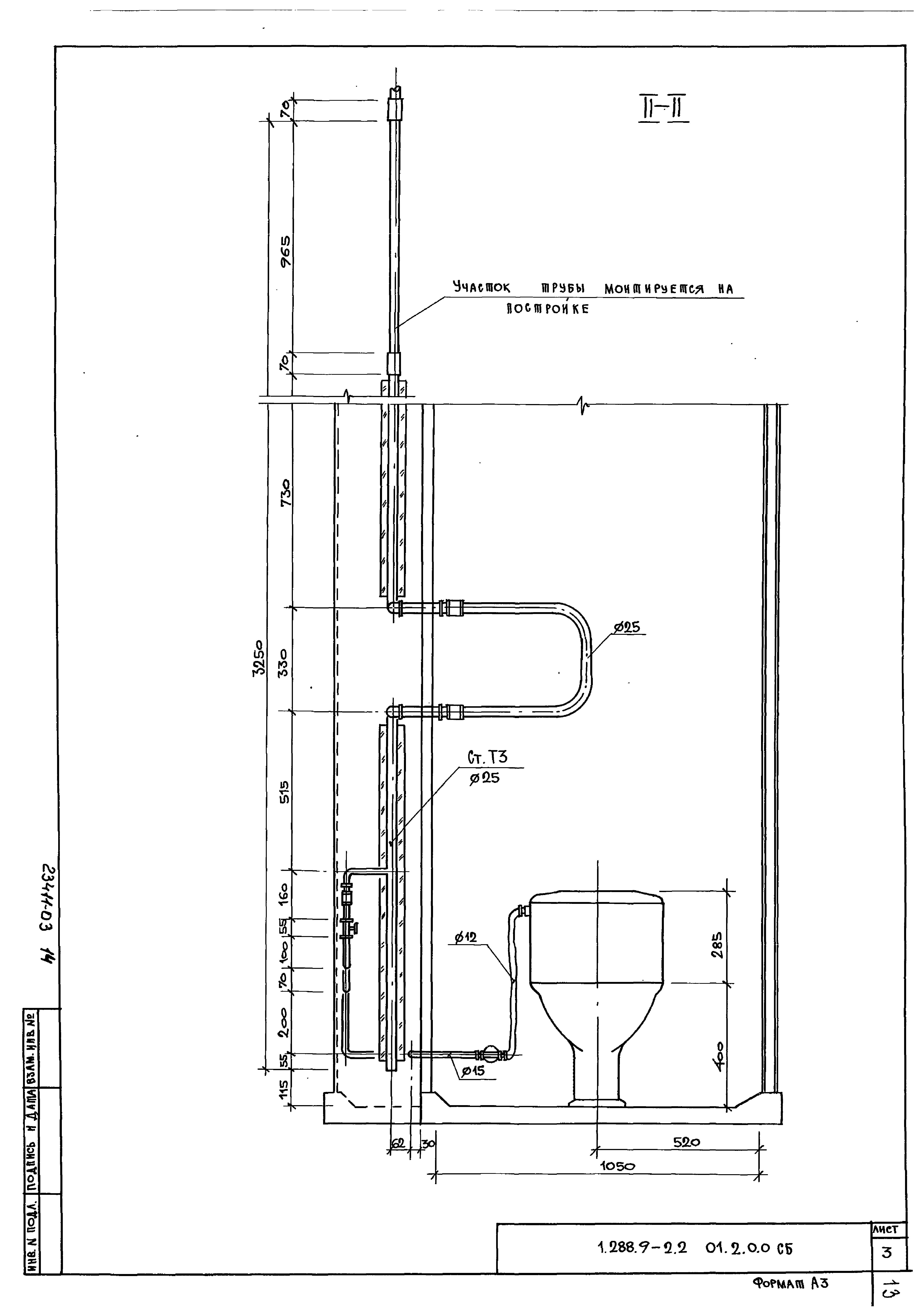
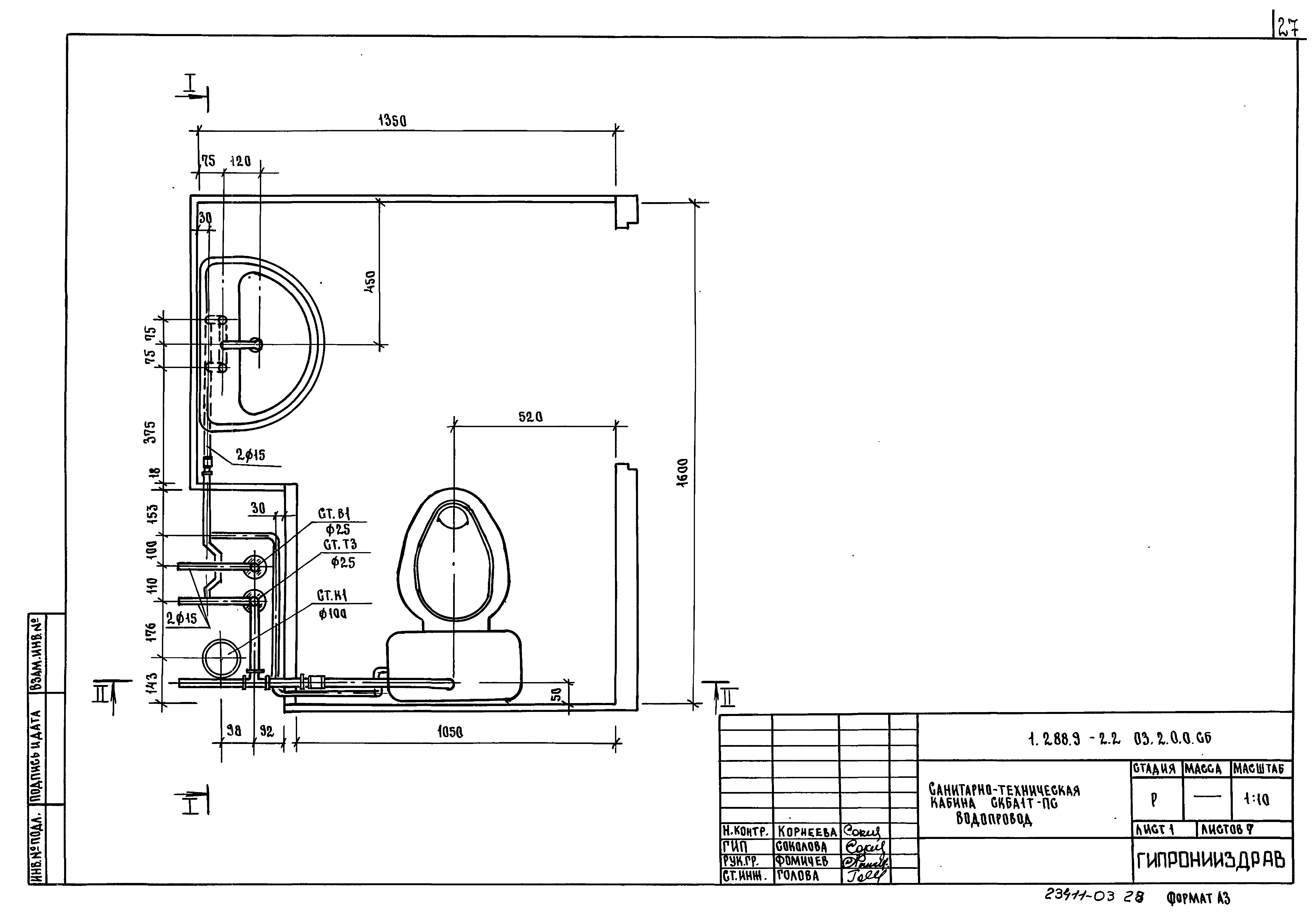
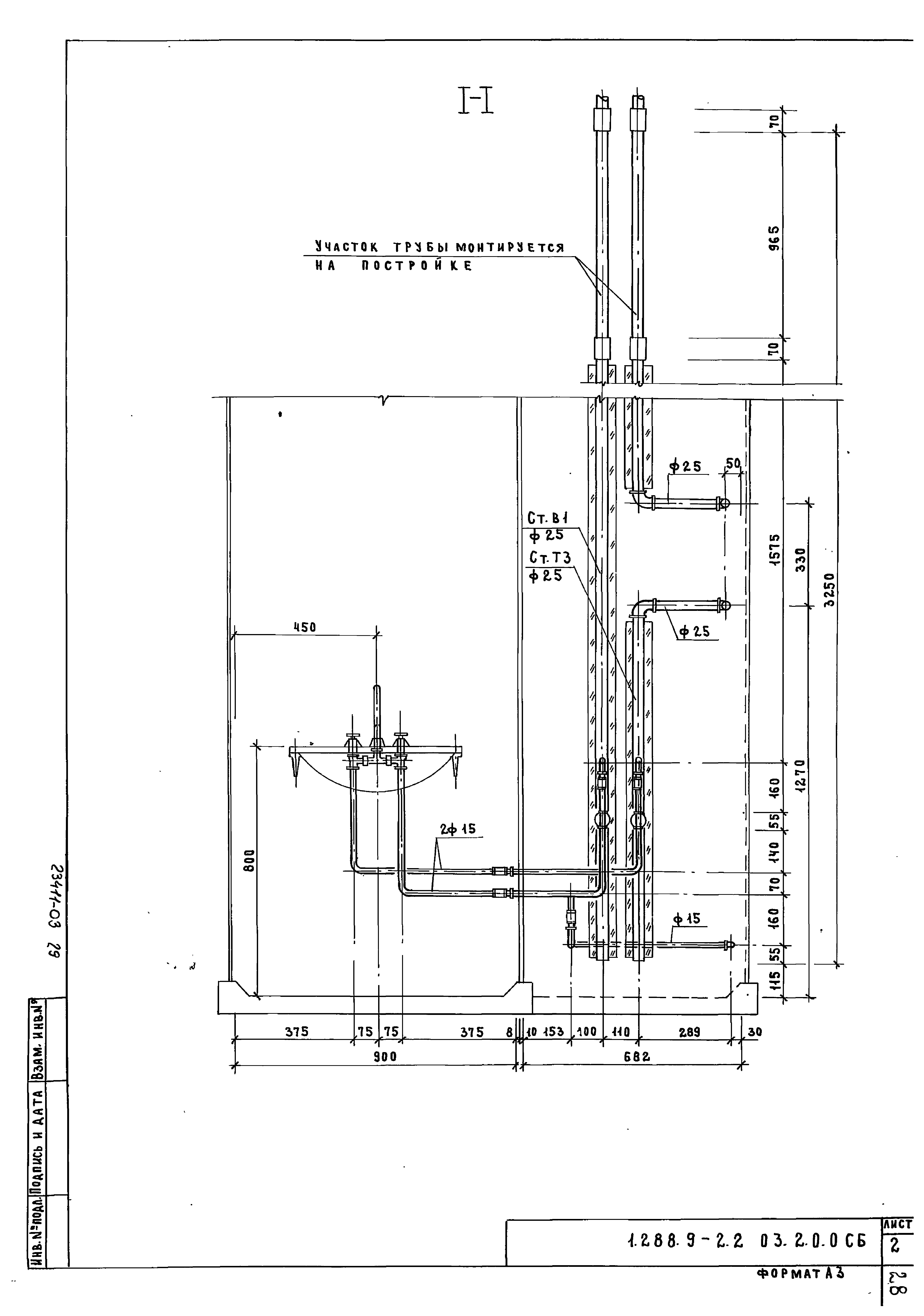
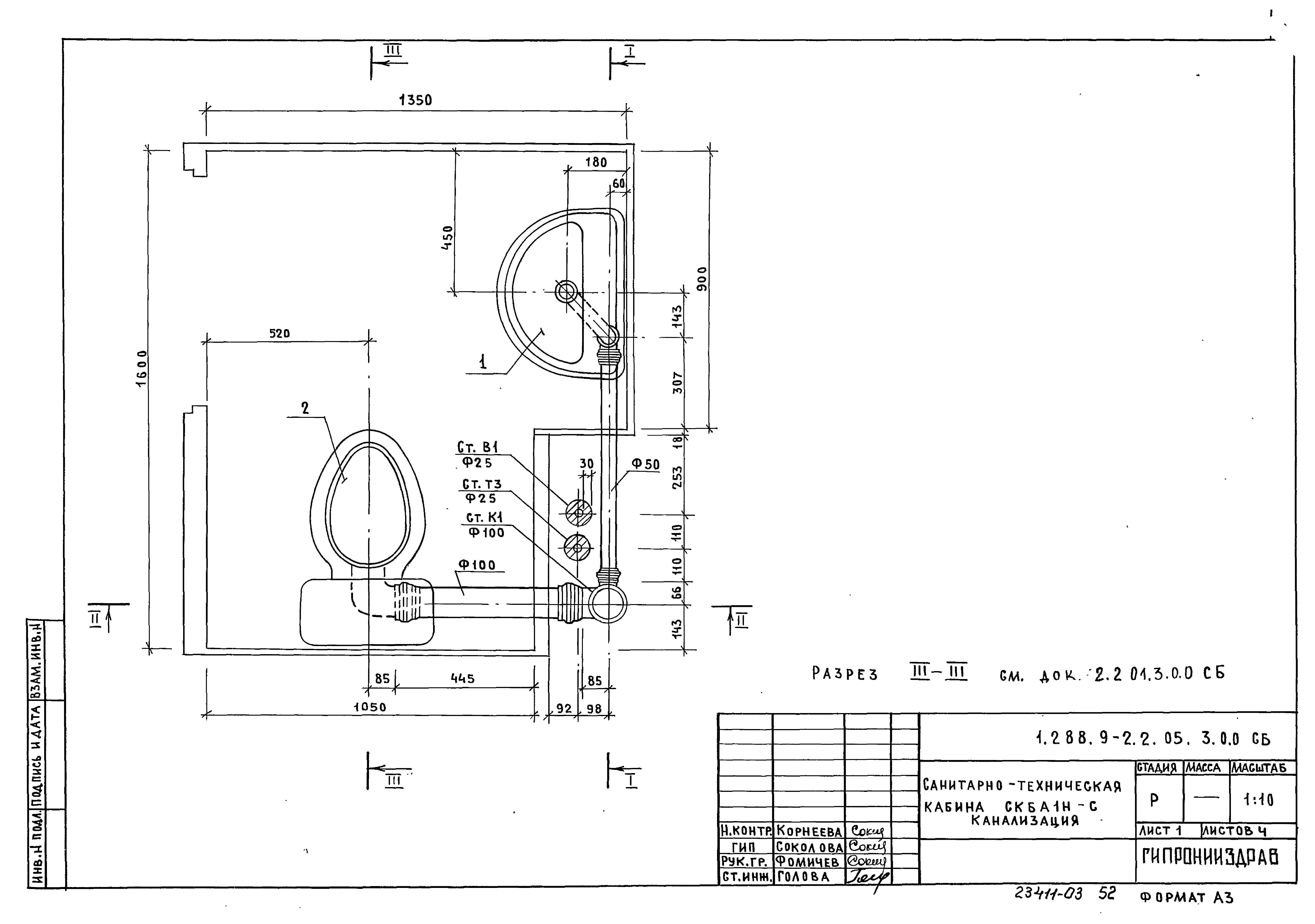
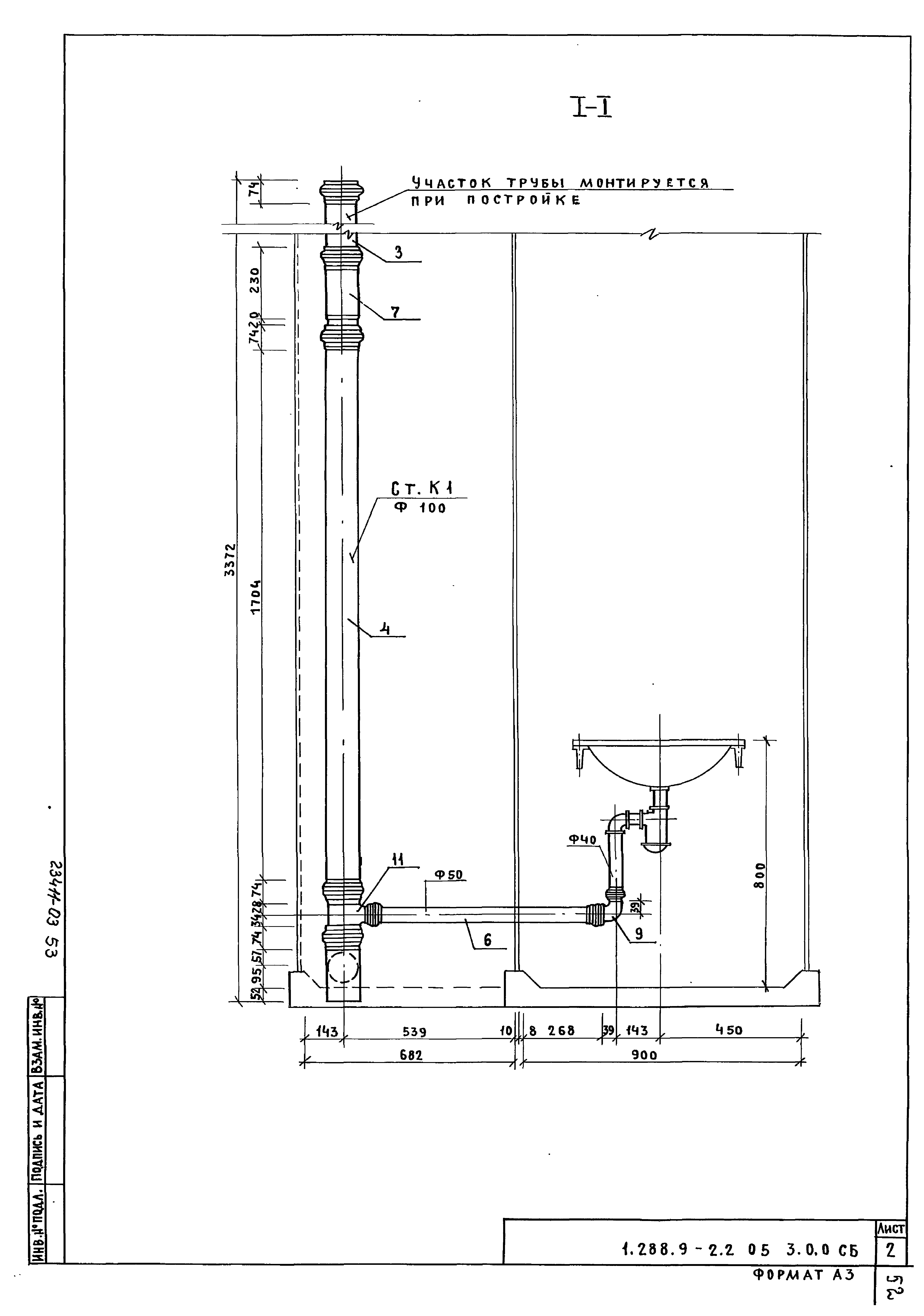
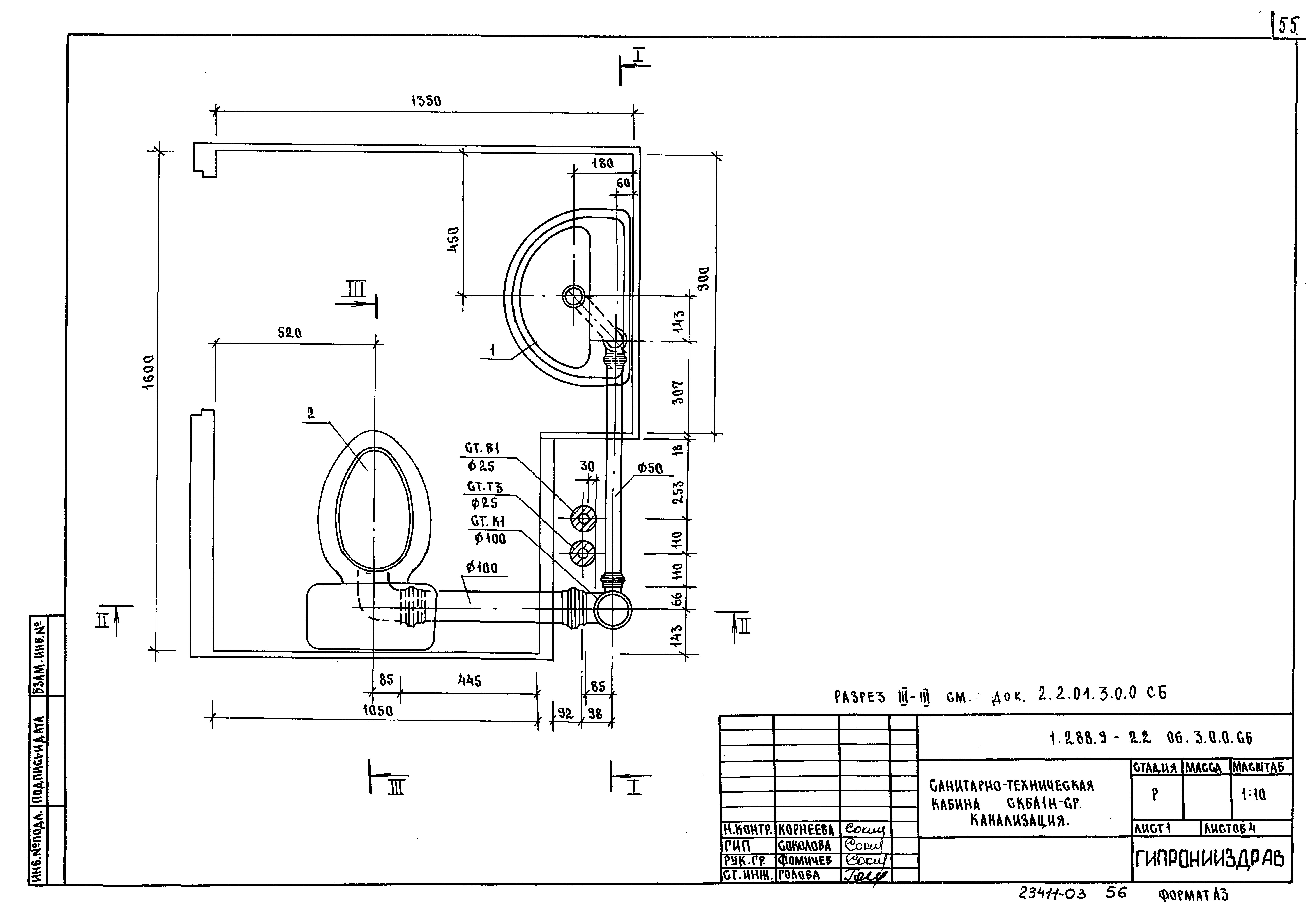
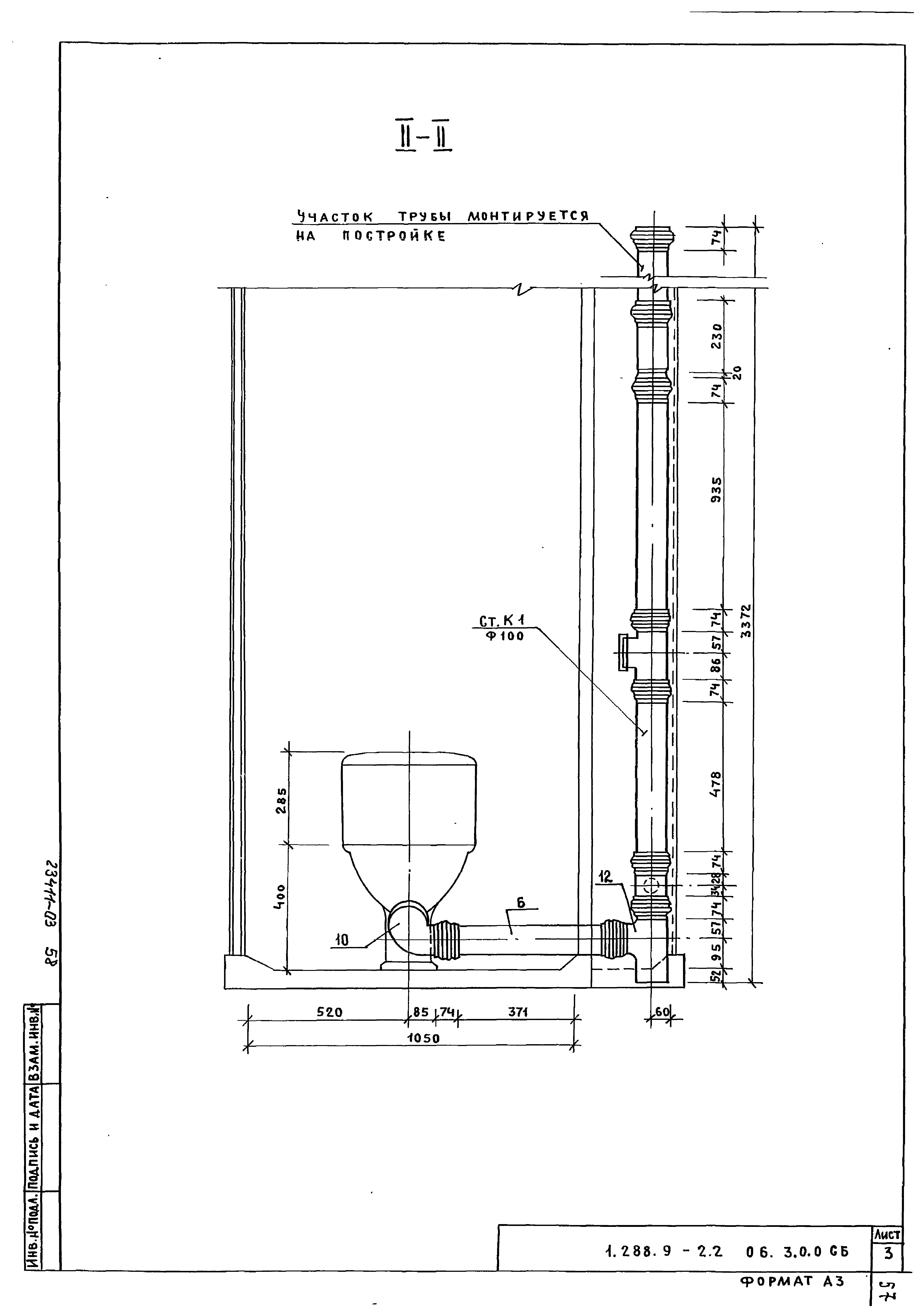
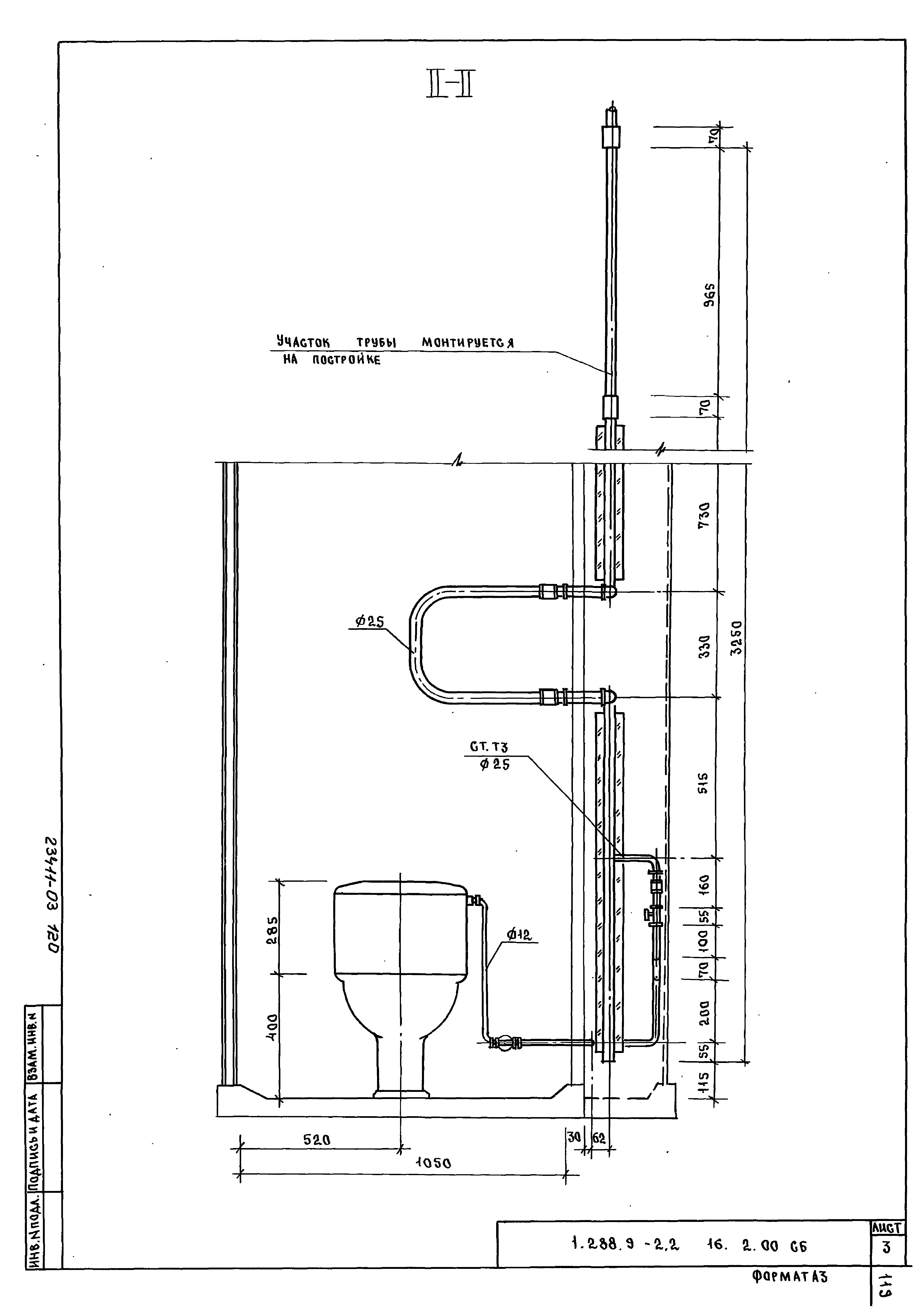
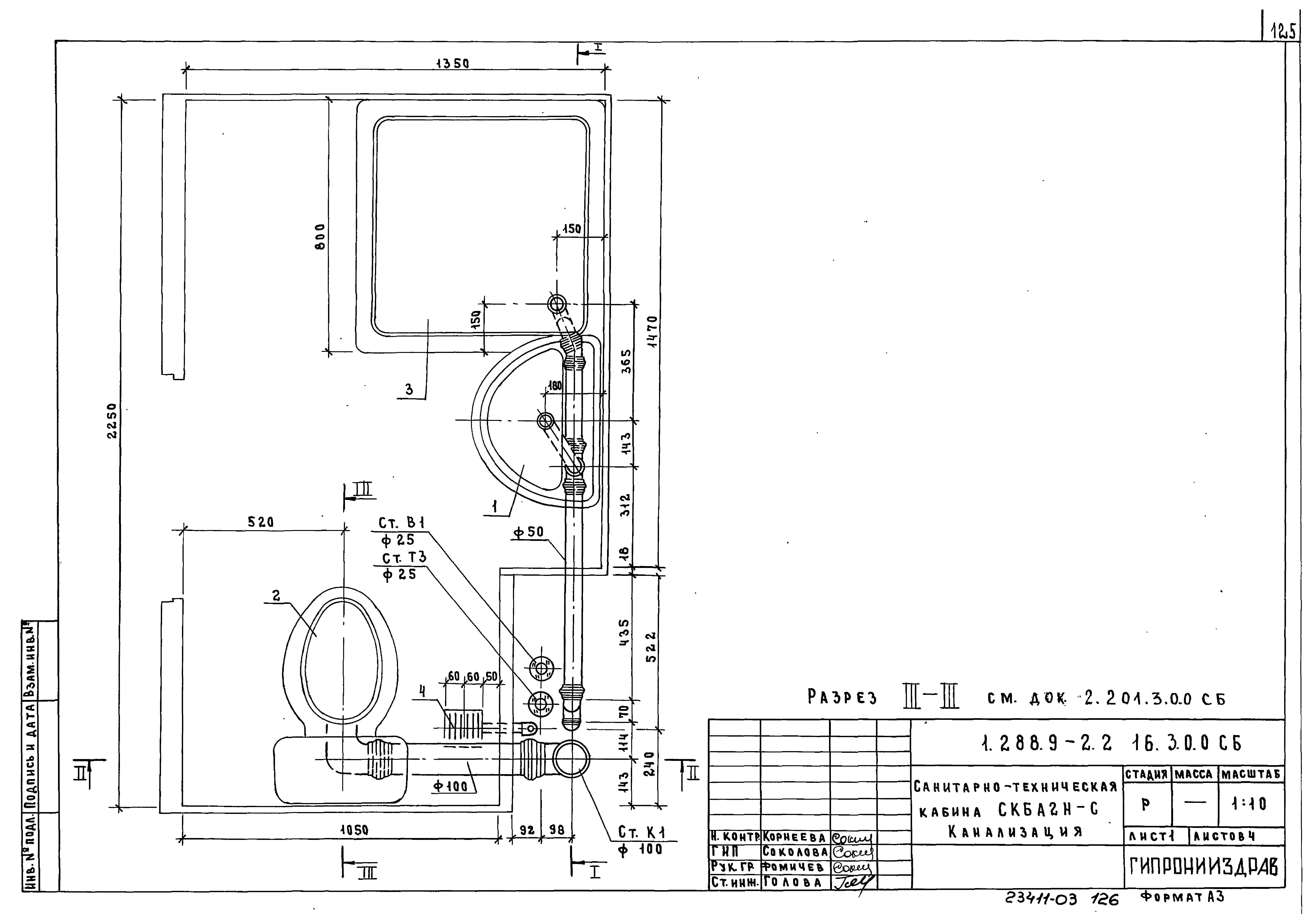
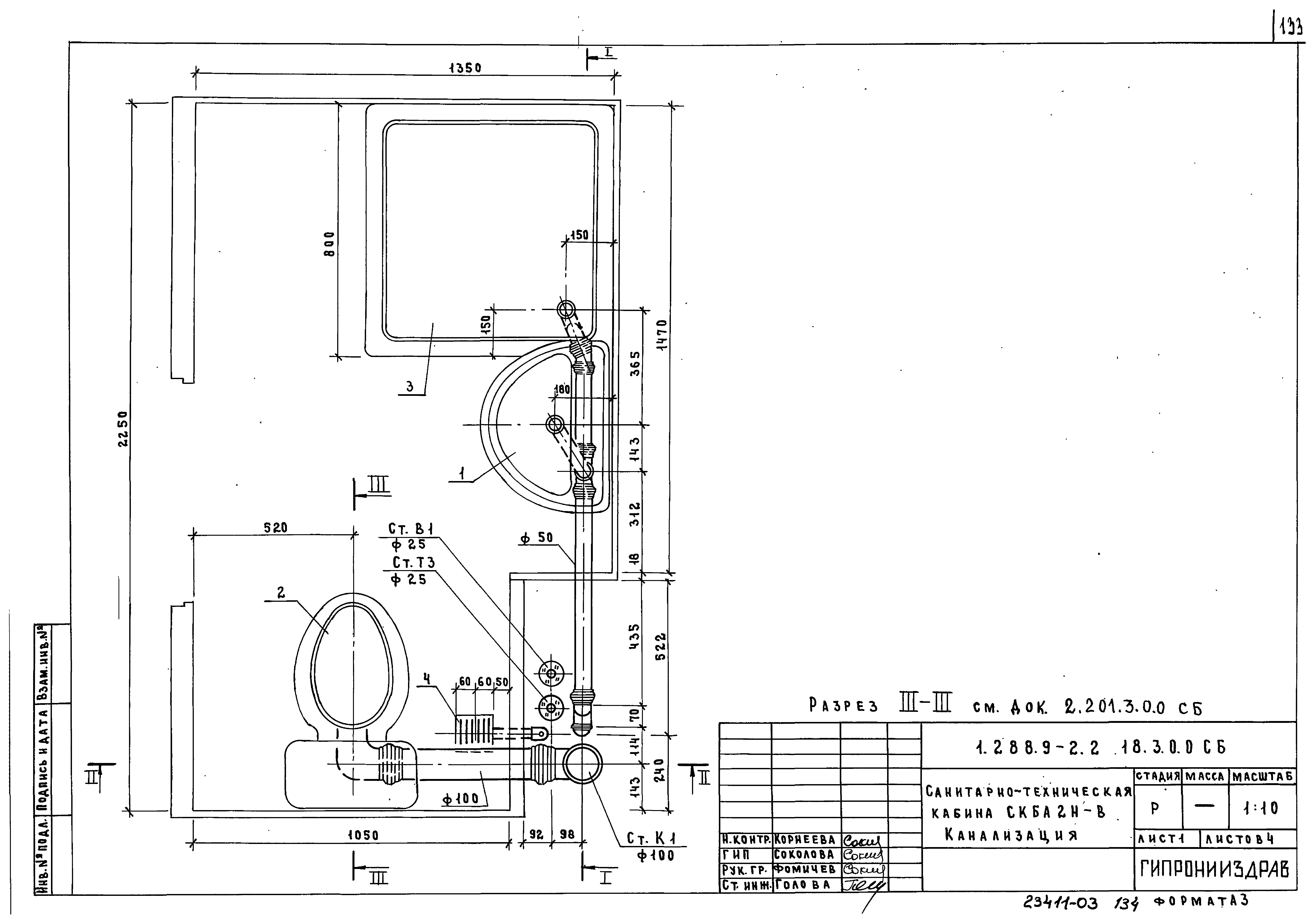
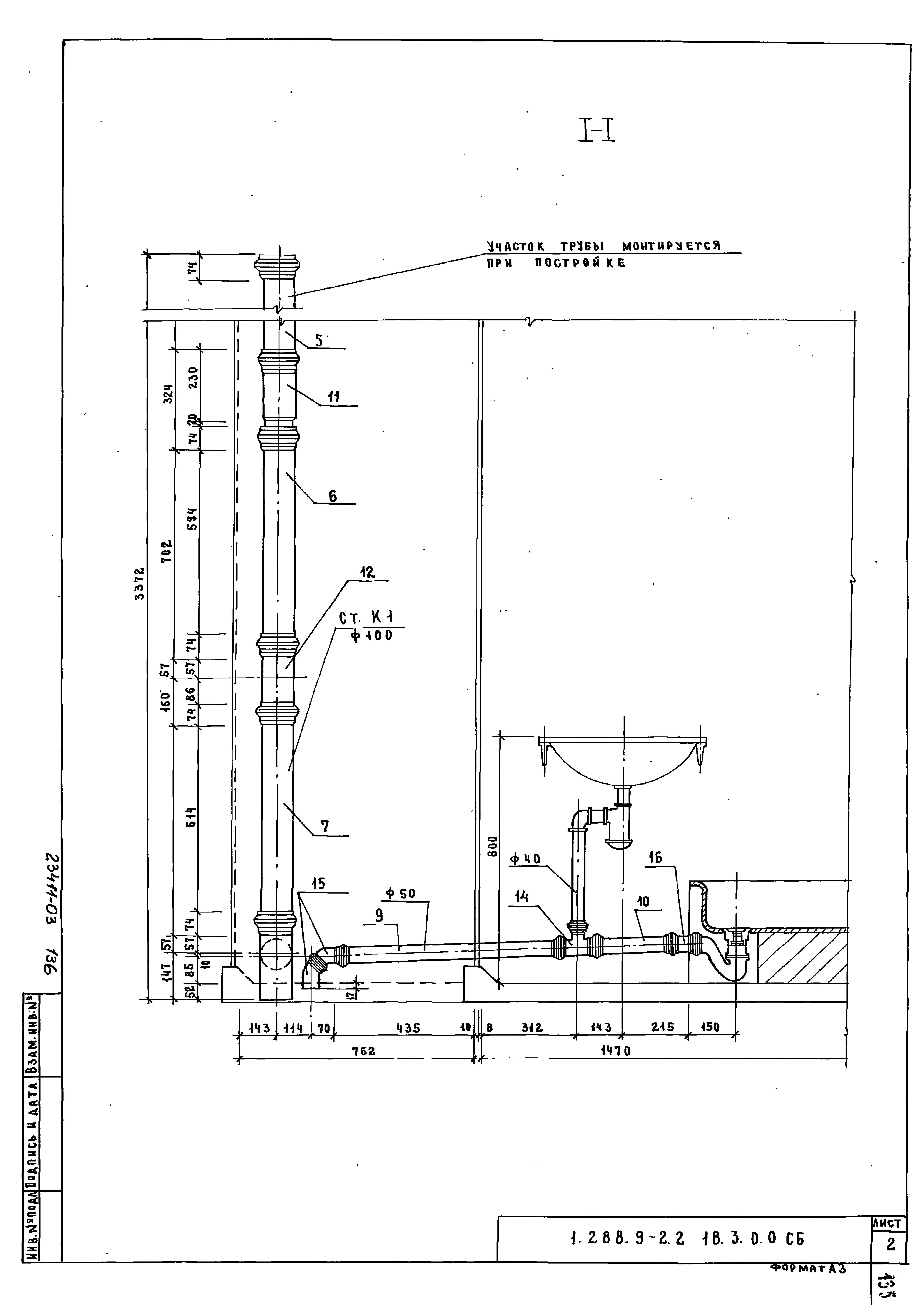
Скачать Серия 1.288.9-2 Выпуск 2. Часть 1. Санитарно-техническая часть. Рабочие чертежиДата актуализации: 01.01.2021
|
| Обозначение: | Серия 1.288.9-2 |
| Обозначение англ: | Series 1.288.9-2 |
| Статус: | не определен законодательством |
| Название рус.: | Выпуск 2. Часть 1. Санитарно-техническая часть. Рабочие чертежи |
| Дата добавления в базу: | 01.09.2013 |
| Дата актуализации: | 01.01.2021 |
| Дата введения: | 01.11.1988 |
| Дата окончания срока действия: | 30.06.2003 |
| Разработан: | ГипроНИИздрав Минздрава СССР |
| Утверждён: | 21.09.1988 Госкомархитектура (267) |

















































































































































