Скачать Серия 1.262-1 Выпуск 5. Клееные двускатные балки пролетом 9, 12, 15, 18, 21 и 24 м с шагом 3 м. Рабочие чертежиДата актуализации: 01.01.2021
|
| Обозначение: | Серия 1.262-1 |
| Обозначение англ: | Series 1.262-1 |
| Статус: | не определен законодательством |
| Название рус.: | Выпуск 5. Клееные двускатные балки пролетом 9, 12, 15, 18, 21 и 24 м с шагом 3 м. Рабочие чертежи |
| Дата добавления в базу: | 01.09.2013 |
| Дата актуализации: | 01.01.2021 |
| Дата введения: | 01.10.1988 |
| Дата окончания срока действия: | 30.06.2003 |
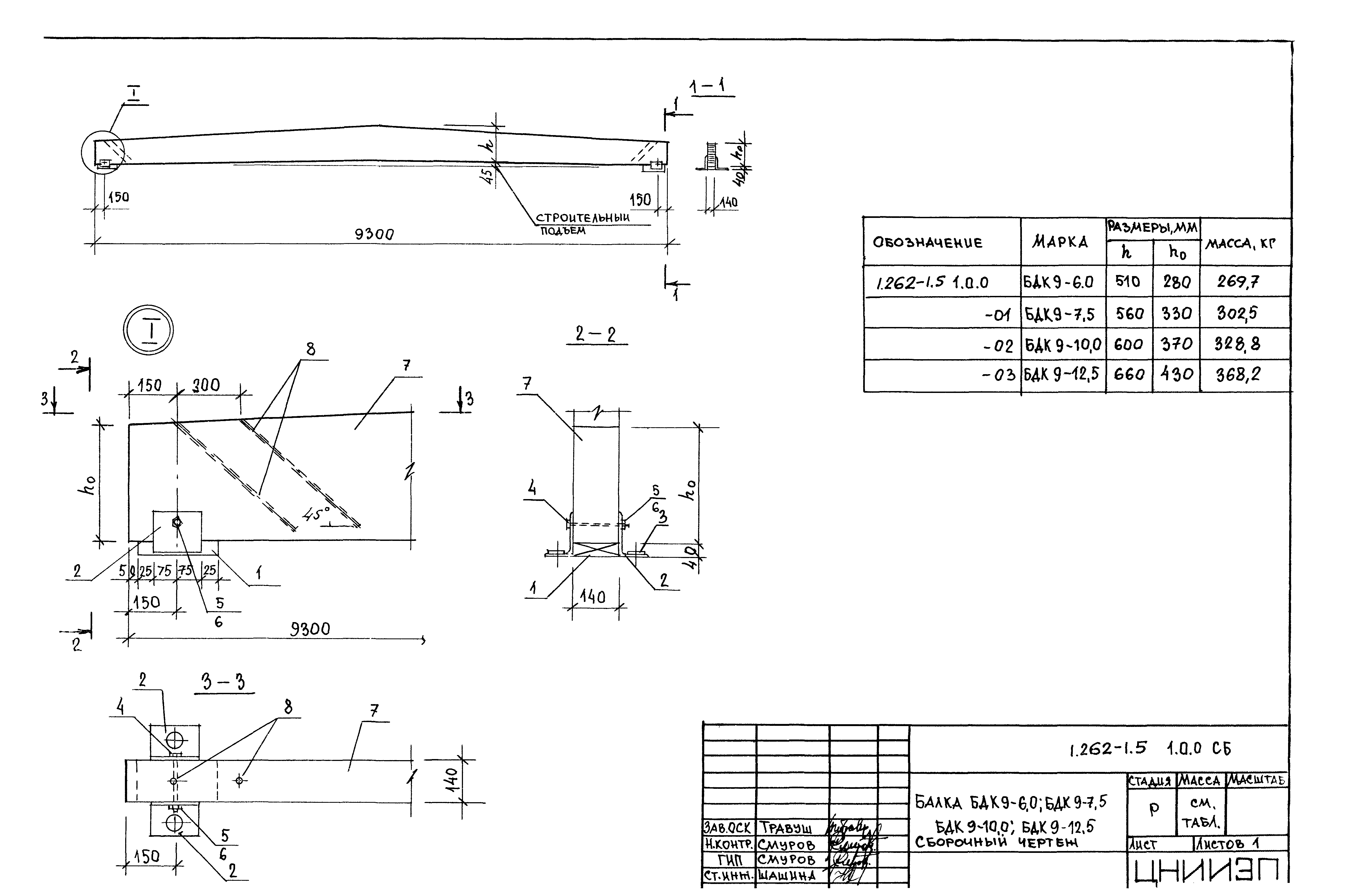
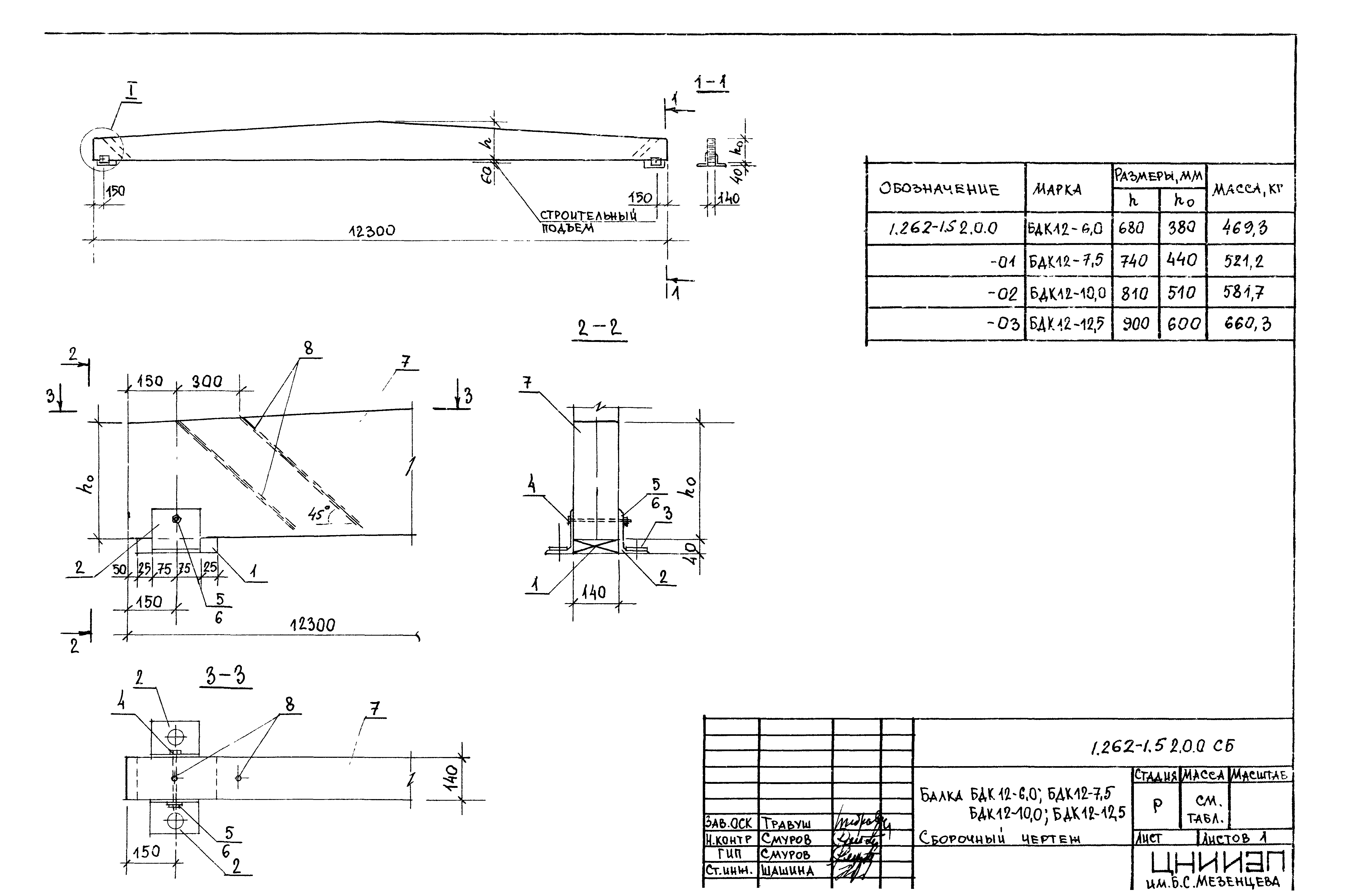
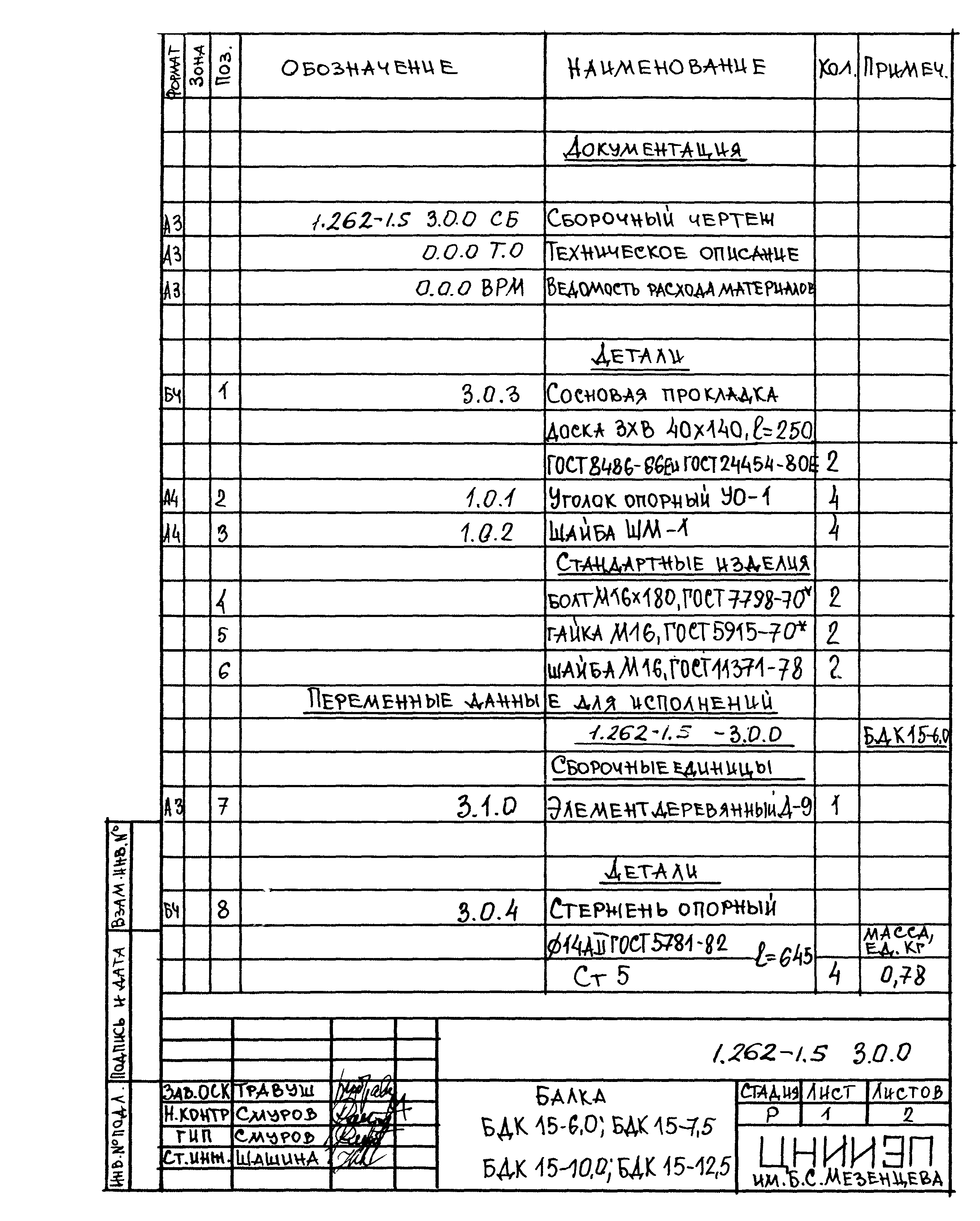
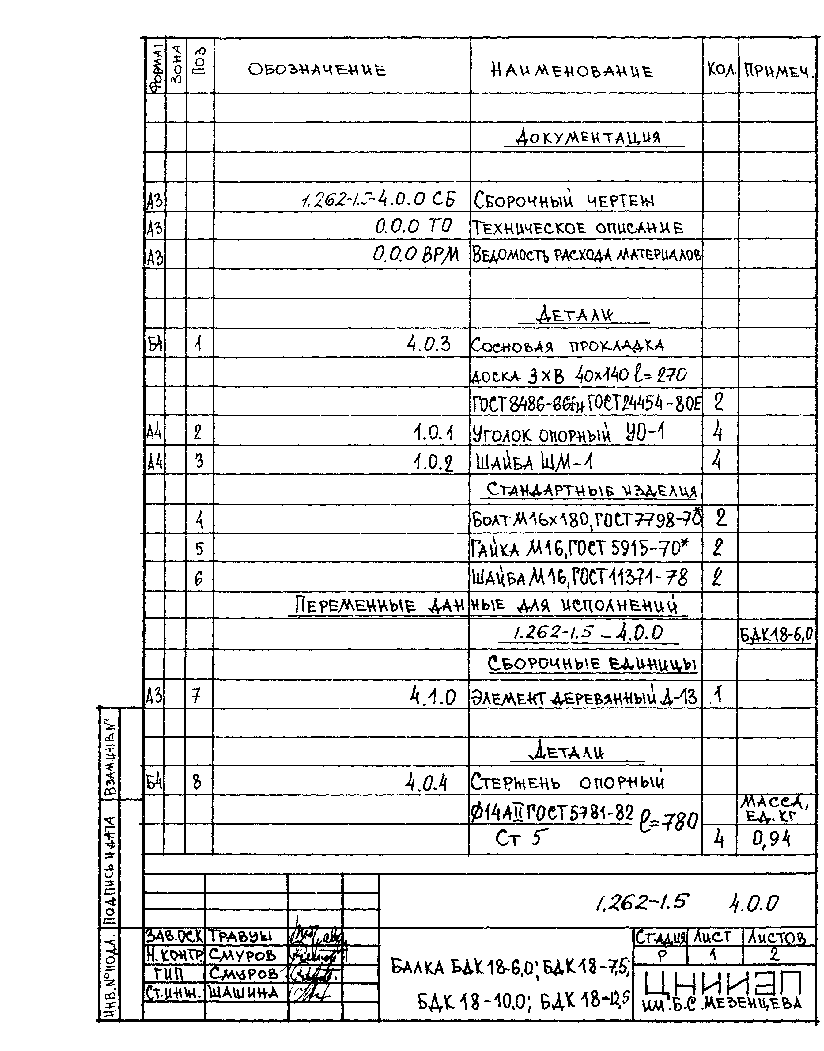
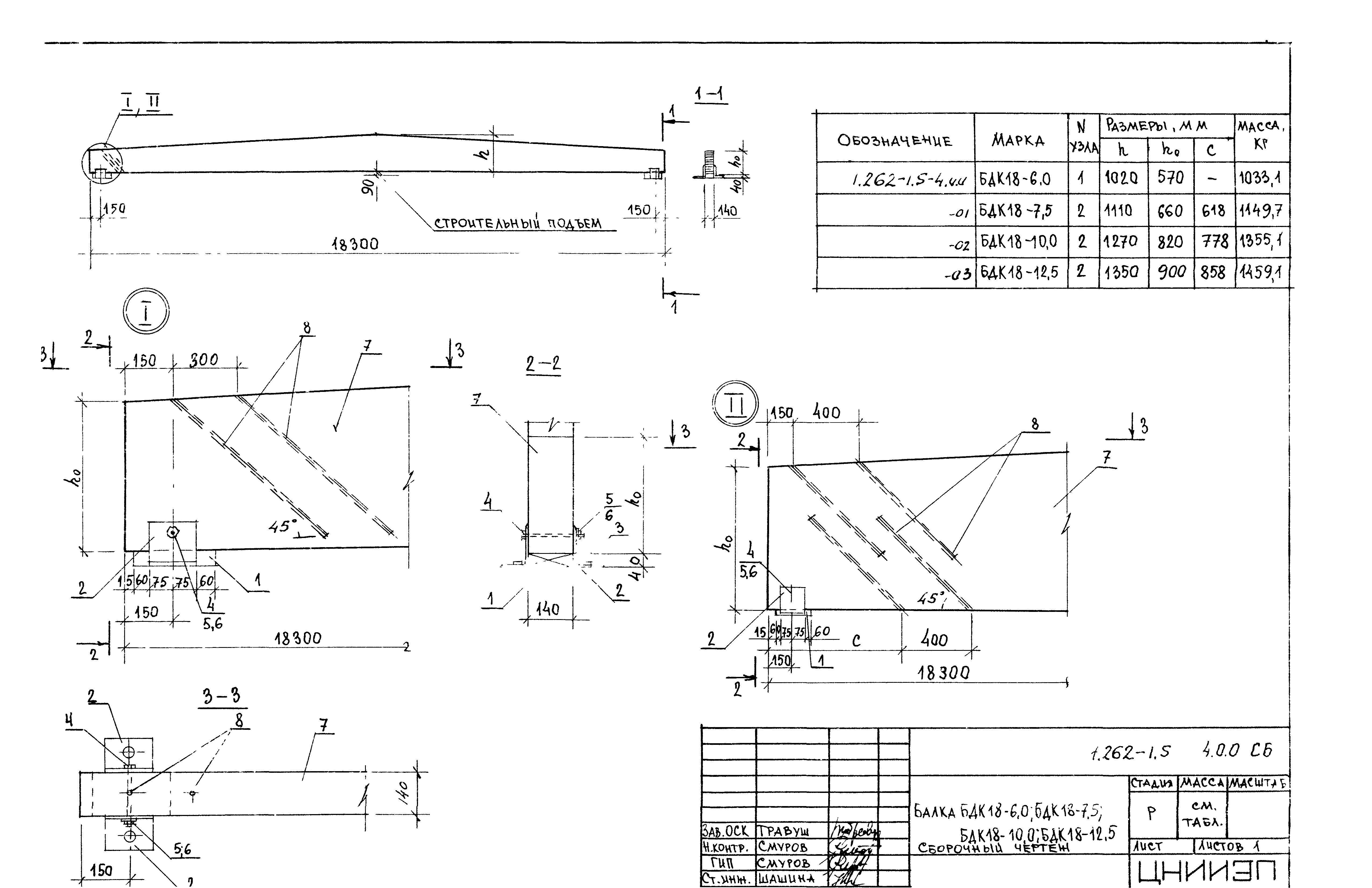
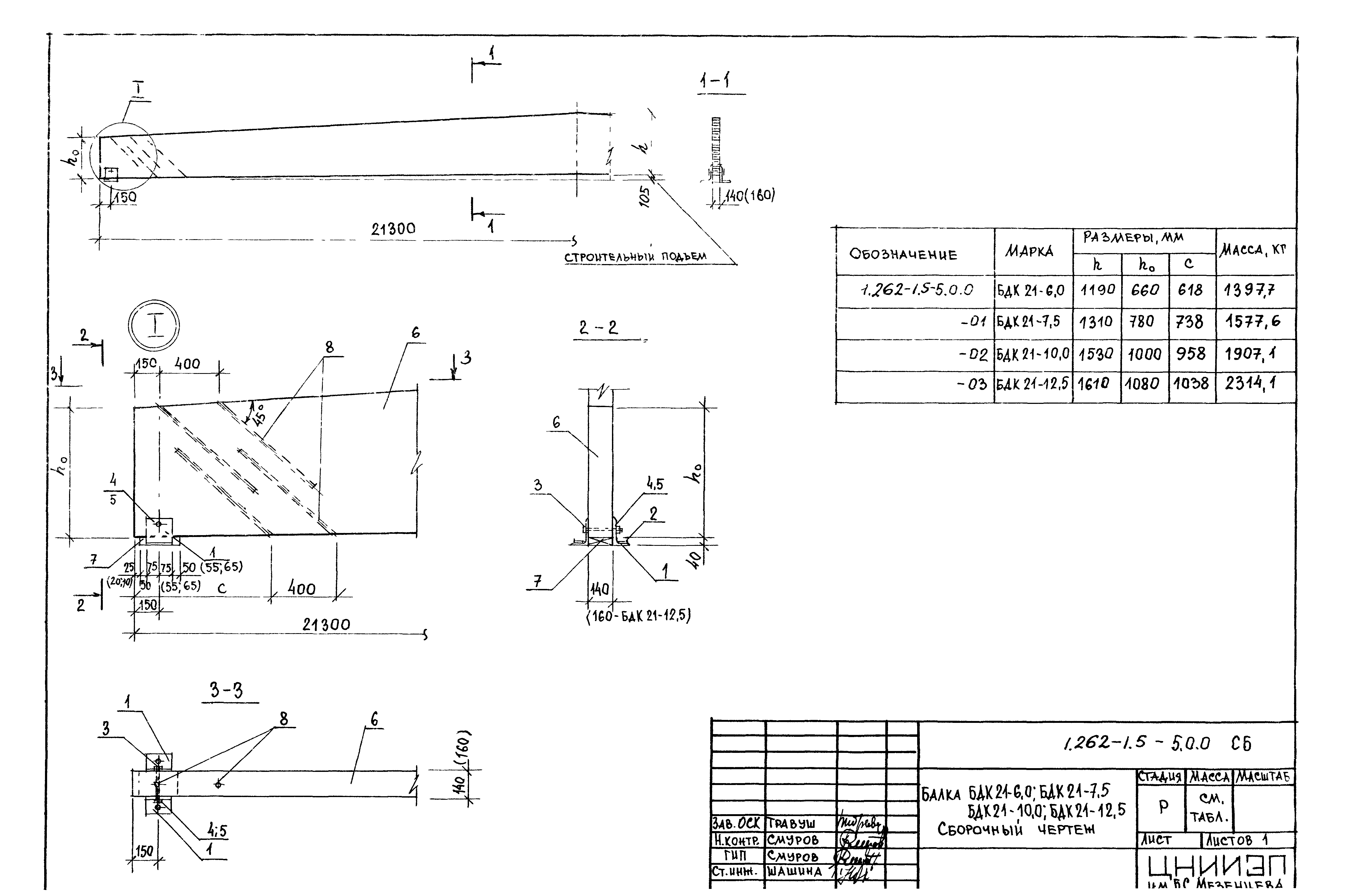
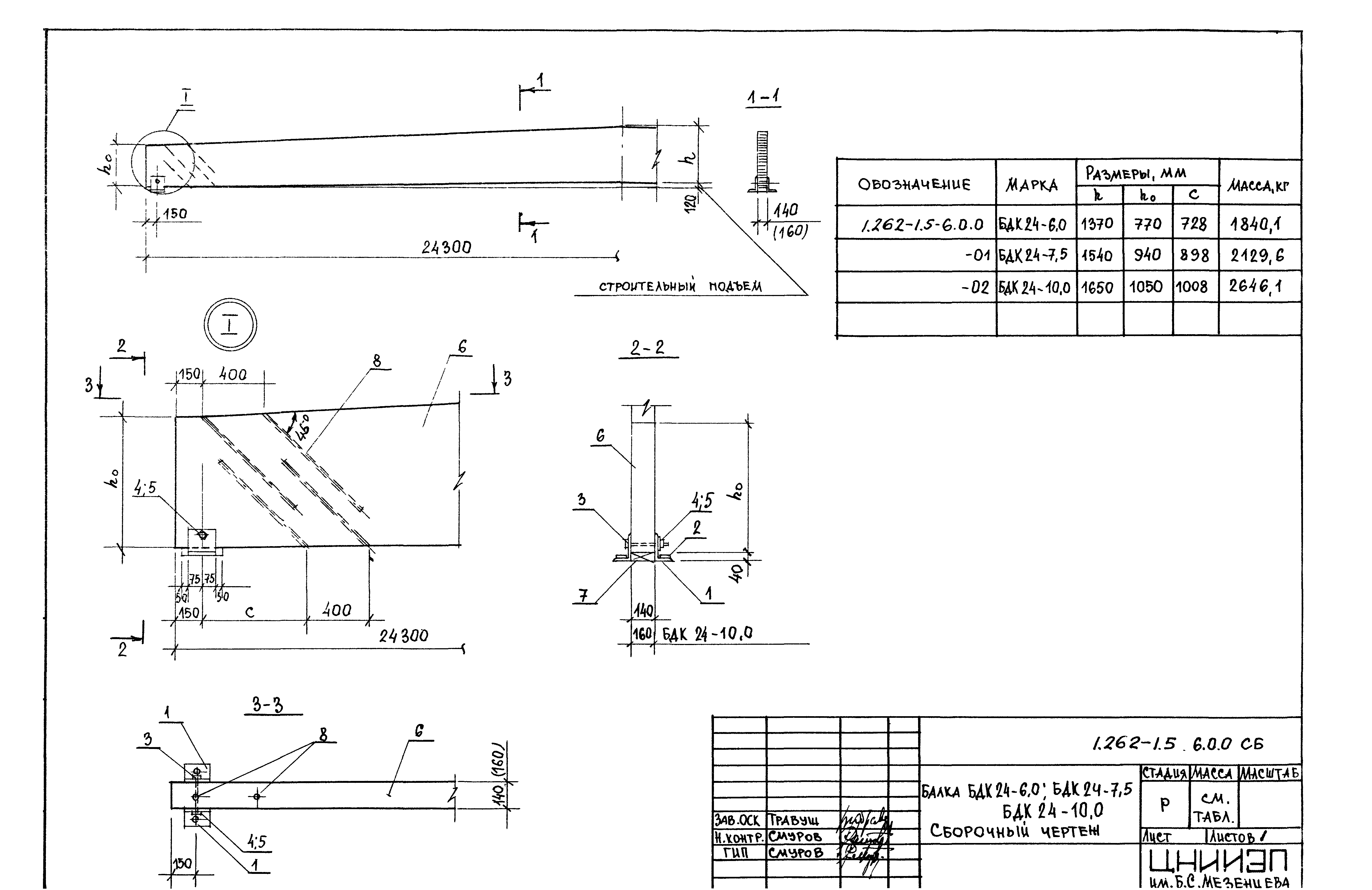
| Оглавление: | 1.262-1.5 0.0ТО Техническое описание 1.262-1.5 0.0.0Н Номенклатура 1.262-1.5 1.0.0 Балка БДК9-6.0; БДК9-7.5; БДК9-10.0; БДК9-12.5 1.262-1.5 1.0.0СБ Балка БДК9-6.0; БДК9-7.5; БДК9-10.0; БДК9-12.5. Сборочный чертеж 1.262-1.5 2.0.0 Балка БДК12-6.0; БДК12-7.5; БДК12-10.0; БДК12-12.5 1.262-1.5 2.0.0СБ Балка БДК12-6.0; БДК12-7.5; БДК12-10.0; БДК12-12.5. Сборочный чертеж 1.262-1.5 3.0.0 Балка БДК15-6.0; БДК15-7.5; БДК15-10.0; БДК15-12.5 1.262-1.5 3.0.0СБ Балка БДК15-6.0; БДК15-7.5; БДК15-10.0; БДК15-12.5. Сборочный чертеж 1.262-1.5 4.0.0 Балка БДК18-6.0; БДК18-7.5; БДК18-10.0; БДК18-12.5 1.262-1.5 4.0.0СБ Балка БДК18-6.0; БДК18-7.5; БДК18-10.0; БДК18-12.5. Сборочный чертеж 1.262-1.5 5.0.0 Балка БДК21-6.0; БДК21-7.5; БДК21-10.0; БДК21-12.5 1.262-1.5 5.0.0СБ Балка БДК21-6.0; БДК21-7.5; БДК21-10.0; БДК21-12.5. Сборочный чертеж 1.262-1.5 6.0.0 Балка БДК24-6.0; БДК24-7.5; БДК24-10.0 1.262-1.5 6.0.0СБ Балка БДК24-6.0; БДК24-7.5; БДК24-10.0. Сборочный чертеж 1.262-1.5 1.1.0 Элемент деревянный Д1, Д2, Д3, Д4 1.262-1.5 2.1.0 Элемент деревянный Д5, Д6, Д7, Д8 1.262-1.5 3.1.0 Элемент деревянный Д9, Д10, Д11, Д12 1.262-1.5 4.1.0 Элемент деревянный Д13, Д14, Д15, Д16 1.262-1.5 5.1.0 Элемент деревянный Д17, Д18, Д19, Д20 1.262-1.5 6.1.0 Элемент деревянный Д21, Д22, Д23 1.262-1.5 1.0.1 Уголок опорный УО-1, УО-2 1.262-1.5 1.0.2 Шайба ШМ-1 1.262-1.5 0.0.0 ВРМ Ведомость расхода материалов |
| Разработан: | ЦНИИЭП им. Б.С. Мезенцева Госгражданстроя |
| Утверждён: | 28.07.1988 Госстрой СССР (Государственный комитет Совета Министров СССР по делам строительства) (USSR Gosstroy 218) |
| Принят: | ЦНИИСК им.Кучеренко (Kucherenko TsNIISK ) ЦНИИЭПсельстрой (TsNIIEPselstroy ) |
| Заменяет собой: |

































