Скачать Серия 1.262-1 Выпуск 2. Клееные двускатные балки пролетом 9, 12, 15 и 18 м с шагом 3 м. Рабочие чертежиДата актуализации: 01.01.2021
|
| Обозначение: | Серия 1.262-1 |
| Обозначение англ: | Series 1.262-1 |
| Статус: | заменен |
| Название рус.: | Выпуск 2. Клееные двускатные балки пролетом 9, 12, 15 и 18 м с шагом 3 м. Рабочие чертежи |
| Дата добавления в базу: | 01.10.2014 |
| Дата актуализации: | 01.01.2021 |
| Дата введения: | 01.01.1980 |
| Дата окончания срока действия: | 01.12.1988 |
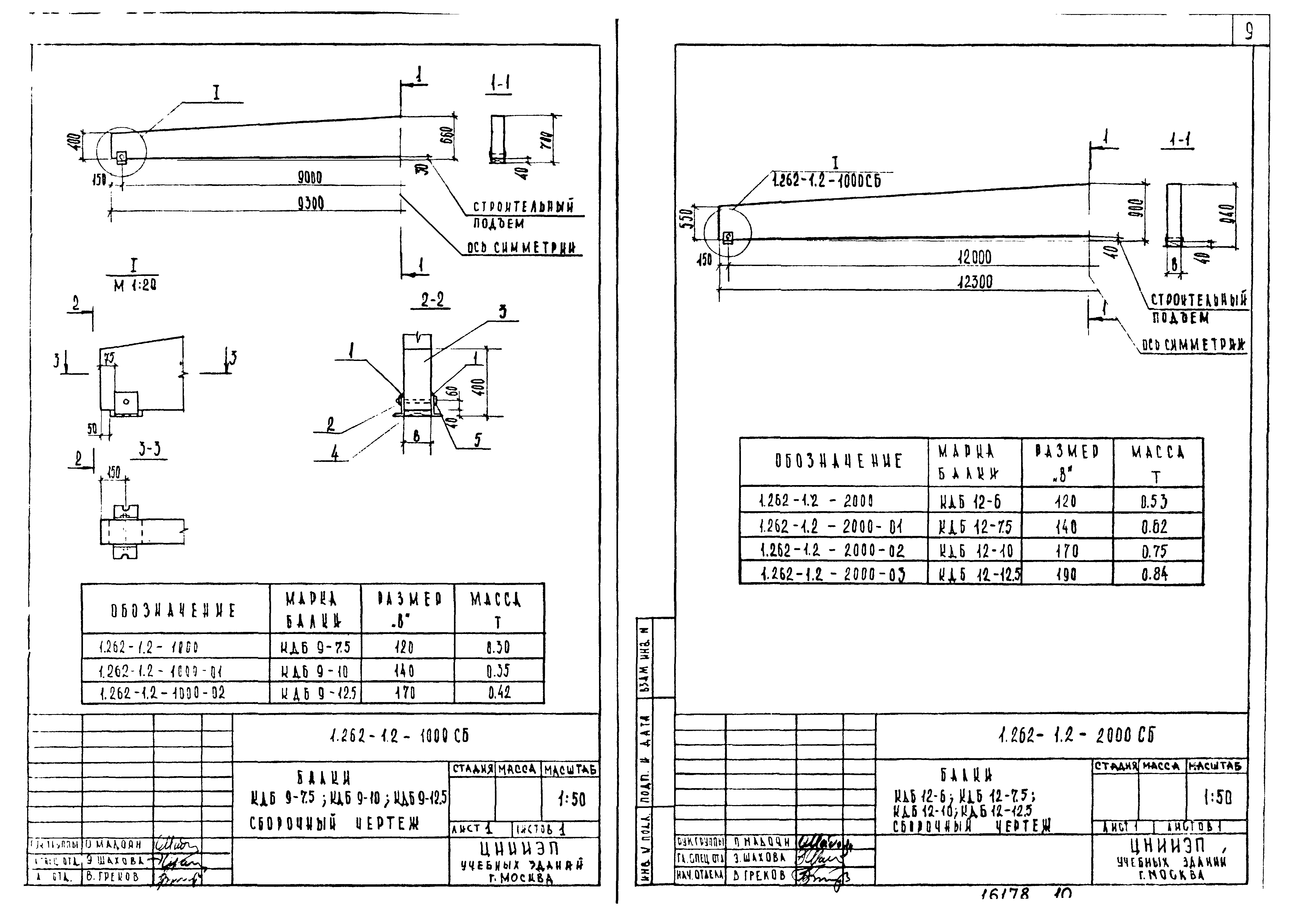
| Оглавление: | 1.262-1.2 Содержание 1.262-1.2-000ТО Техническое описание 1.262-1.2-000Д1 Номенклатура изделий 1.262-1.2-000Д2 Выборка материалов 1.262-1.2-1000 Балки КДБ9-7,5; КДБ9-10; КДБ9-12,5. Спецификация 1.262-1.2-2000 Балки КДБ12-6; КДБ12-7,5; КДБ12-10. Спецификация 1.262-1.2-1000СБ Балки КДБ9-7,5; КДБ9-10; КДБ9-12,5. Сборочный чертеж 1.262-1.2-2000СБ Балки КДБ12-6; КДБ12-7,5; КДБ12-10. Сборочный чертеж 1.262-1.2-1001 Уголок 140х90х10 1.262-1.2-1100 Клееные пакеты КП1, КП2, КП3. Спецификация 1.262-1.2-2100 Клееные пакеты КП4, КП5, КП6, КП7. Спецификация 1.262-1.2-1100СБ Клееные пакеты КП1, КП2, КП3. Сборочный чертеж 1.262-1.2-2100СБ Клееные пакеты КП4, КП5, КП6, КП7. Сборочный чертеж 1.262-1.2-3000 Балки КДБ15-6; КДБ15-7,5; КДБ15-10; КДБ15-12,5. Спецификация 1.262-1.2-4000 Балки КДБ18-6; КДБ18-7,5; КДБ18-10; КДБ18-12,5. Спецификация 1.262-1.2-3000СБ Балки КДБ15-6; КДБ15-7,5; КДБ15-10; КДБ15-12,5. Сборочный чертеж 1.262-1.2-4000СБ Балки КДБ18-6; КДБ18-7,5; КДБ18-10; КДБ18-12,5. Сборочный чертеж 1.262-1.2-3100 Клееные пакеты КП8, КП9, КП10, КП11. Спецификация 1.262-1.2-4100 Клееные пакеты КП12, КП13, КП14, КП15. Спецификация 1.262-1.2-3100СБ Клееные пакеты КП8, КП9, КП10, КП11. Сборочный чертеж 1.262-1.2-4100СБ Клееные пакеты КП12, КП13, КП14, КП15. Сборочный чертеж 1.262-1.2-000Д3 Данные для испытаний |
| Разработан: | ЦНИИЭП учебных зданий |
| Утверждён: | 30.11.1979 Государственный комитет по гражданскому строительству и архитектуре при Госстрое СССР (255) |
























