Скачать Серия 1.462.1-23 Выпуск 2. Арматурные и закладные изделия. Рабочие чертежиДата актуализации: 01.01.2021
|
| Обозначение: | Серия 1.462.1-23 |
| Обозначение англ: | Series 1.462.1-23 |
| Статус: | не определен законодательством |
| Название рус.: | Выпуск 2. Арматурные и закладные изделия. Рабочие чертежи |
| Дата добавления в базу: | 01.09.2013 |
| Дата актуализации: | 01.01.2021 |
| Дата введения: | 01.01.1992 |
| Дата окончания срока действия: | 30.06.2003 |
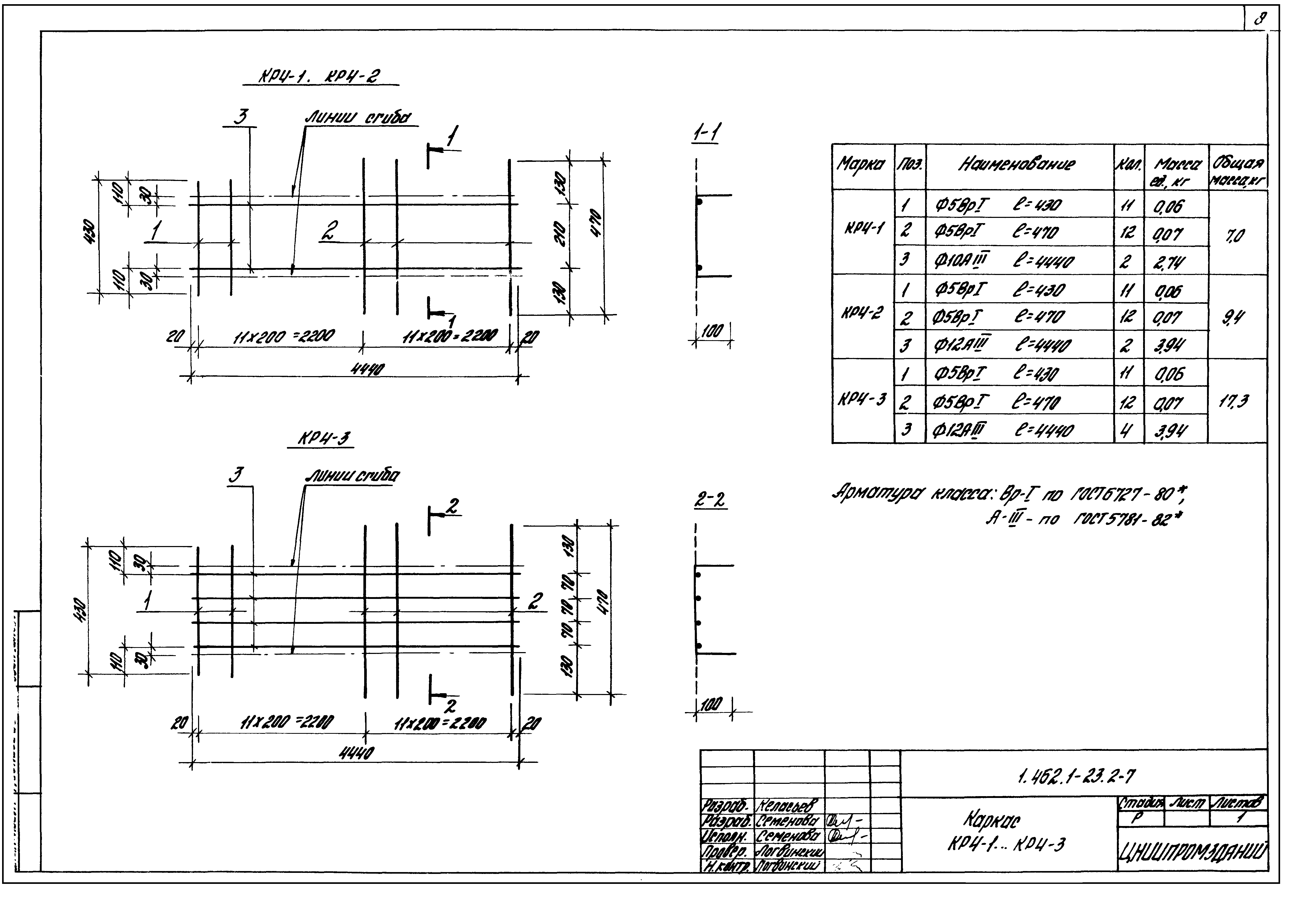
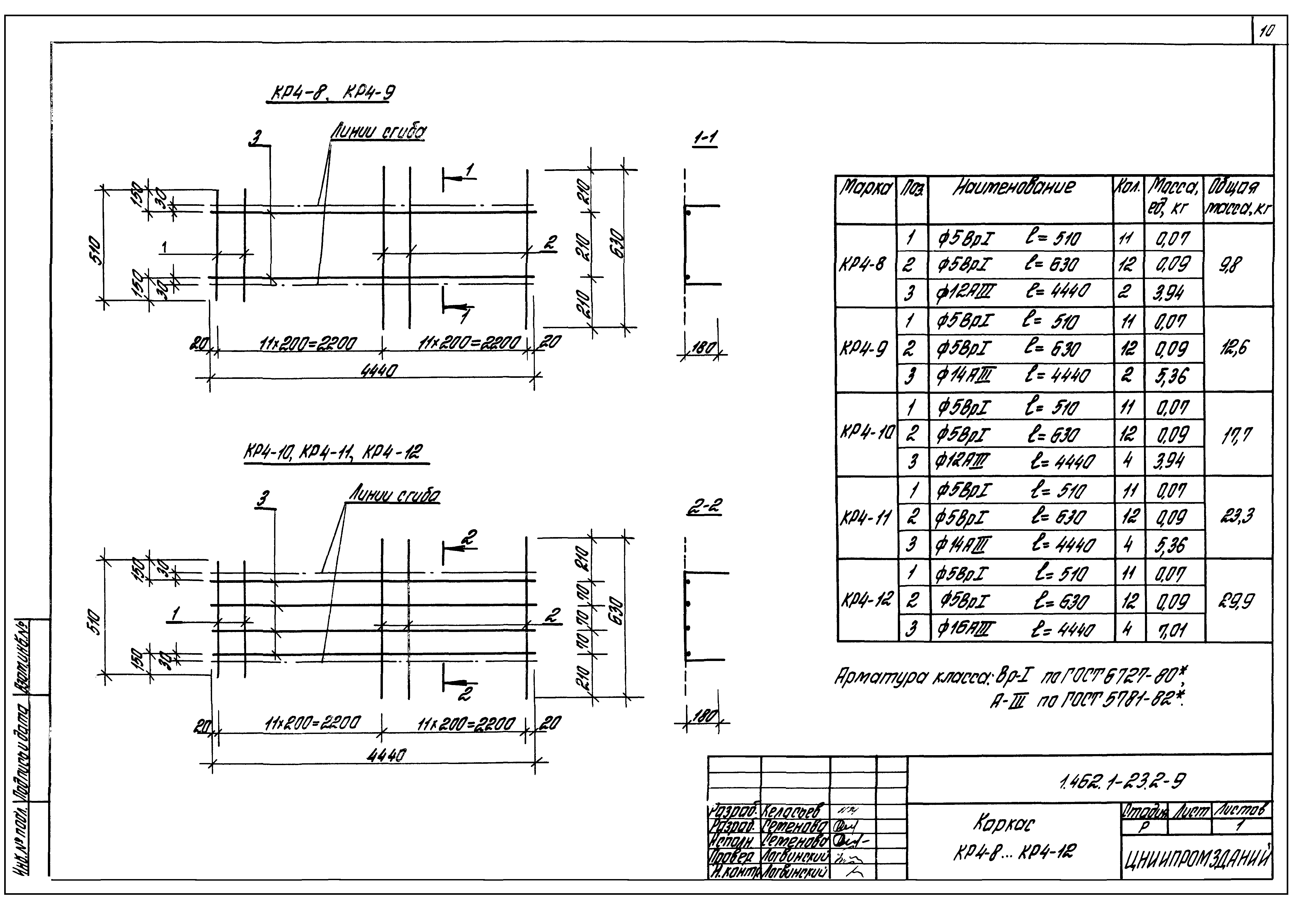
| Оглавление: | 1.462.1-23.2-1ТТ Технические требования 1.462.1-23.2-2 Каркас КР1-1…КР1-5 1.462.1-23.2-3 Каркас КР2-1…КР2-5 1.462.1-23.2-4 Каркас КР3-1…КР3-3 1.462.1-23.2-5 Каркас КР3-4…КР3-7 1.462.1-23.2-6 Каркас КР3-8…КР3-12 1.462.1-23.2-7 Каркас КР4-1…КР4-3 1.462.1-23.2-8 Каркас КР4-4…КР4-7 1.462.1-23.2-9 Каркас КР4-8…КР4-12 1.462.1-23.2-10 Каркас КР5-1…КР5-3 1.462.1-23.2-11 Каркас КР6-1, КР6-2 1.462.1-23.2-12 Каркас КР7-1, КР8-1 1.462.1-23.2-13 Каркас КР9-1 1.462.1-23.2-14 Стержень гнутый СТ1-1…СТ1-4 1.462.1-23.2-15 Изделие закладное МН1-1…МН1-5 1.462.1-23.2-16 Изделие закладное МН2-1…МН2-2 1.462.1-23.2-17 Изделие закладное МН3-1, МН3-2 1.462.1-23.2-18 Изделие закладное МН4-1 1.462.1-23.2-19 Изделие закладное МН5-1 1.462.1-23.2-20 Изделие закладное МН6-1, МН6-2 |
| Разработан: | АО ЦНИИпромзданий |
| Утверждён: | 15.06.1990 Главпроект Госстроя СССР |
| Издан: | АПП ЦИТП (1991 г. ) |

















