Скачать Серия 1.463.1-16 Выпуск 2. Фермы пролетом 18 м. Арматурные изделия. Рабочие чертежиДата актуализации: 01.01.2021
|
| Обозначение: | Серия 1.463.1-16 |
| Обозначение англ: | Series 1.463.1-16 |
| Статус: | не определен законодательством |
| Название рус.: | Выпуск 2. Фермы пролетом 18 м. Арматурные изделия. Рабочие чертежи |
| Дата добавления в базу: | 01.09.2013 |
| Дата актуализации: | 01.01.2021 |
| Дата введения: | 01.08.1989 |
| Дата окончания срока действия: | 30.06.2003 |
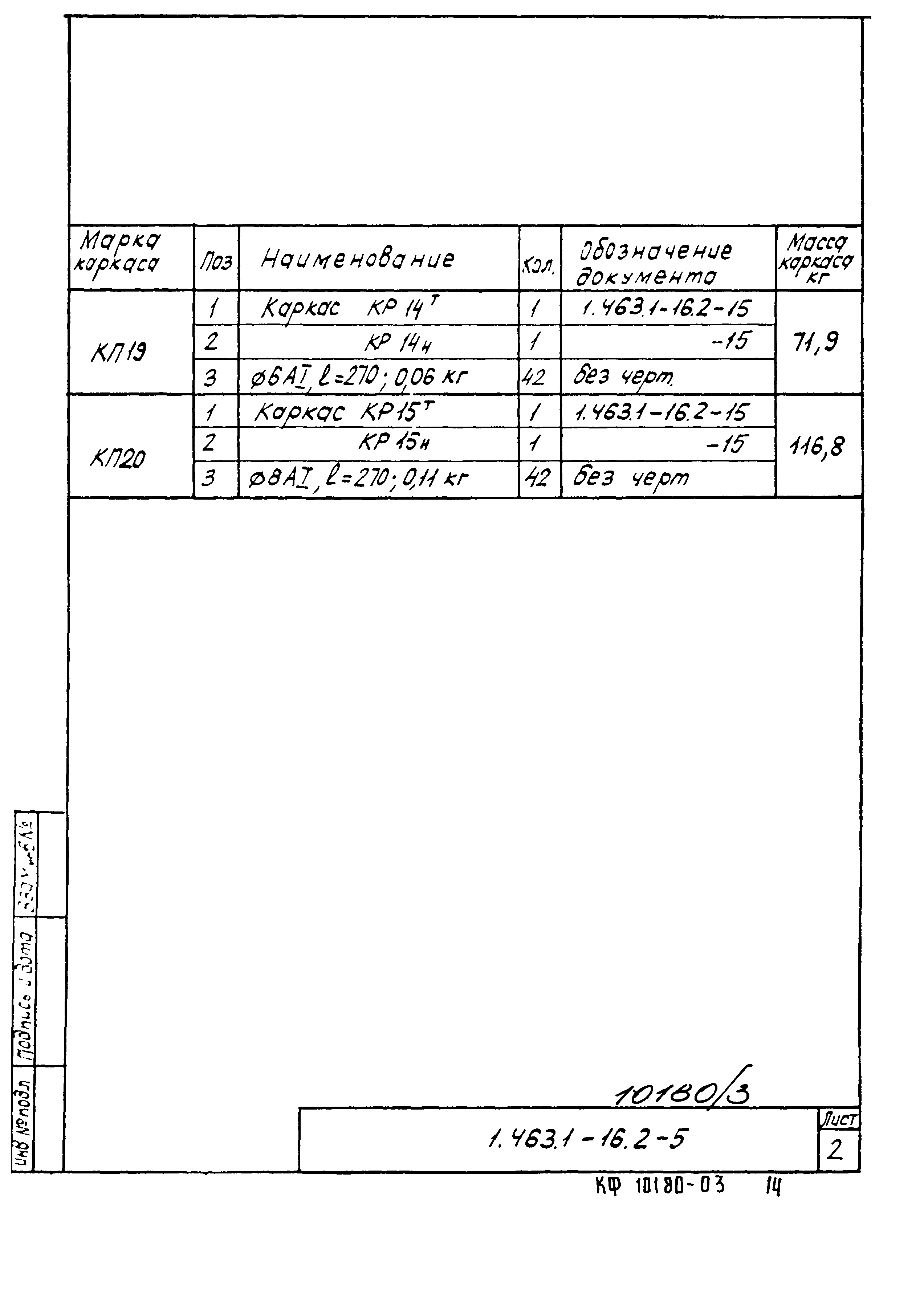
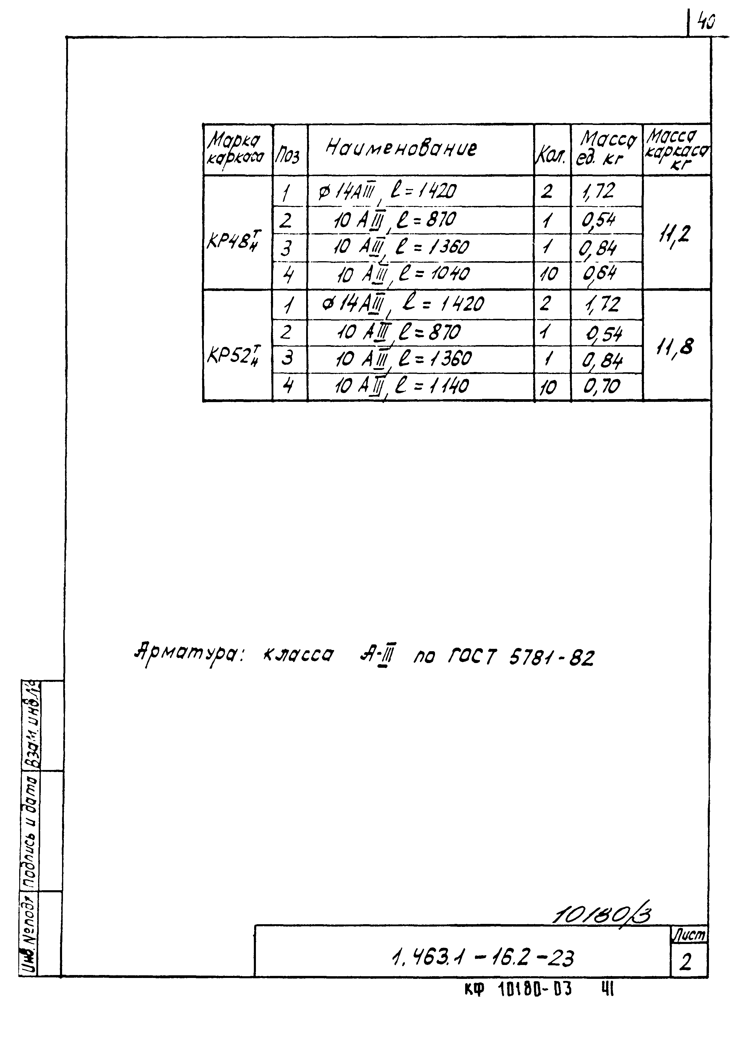
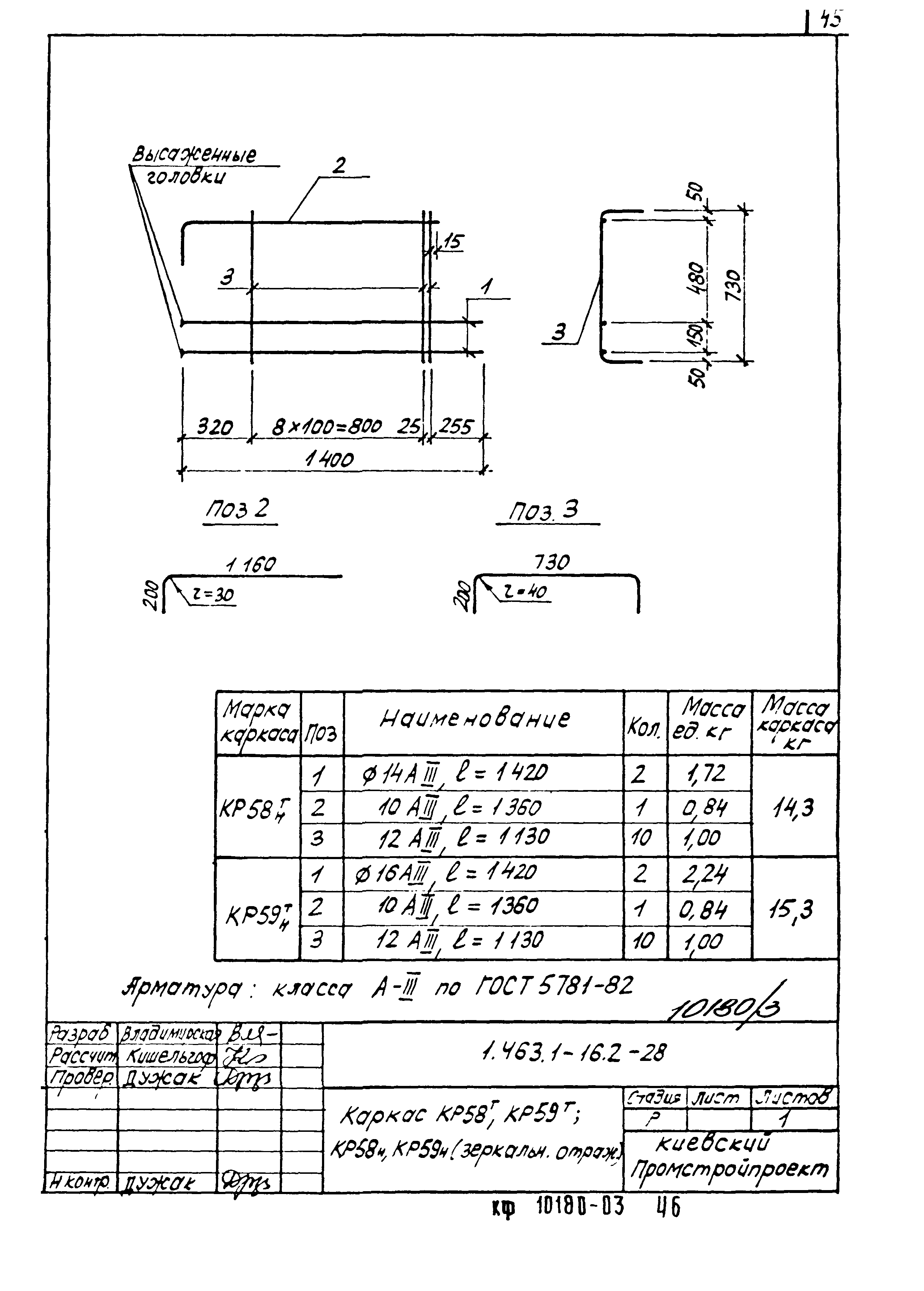
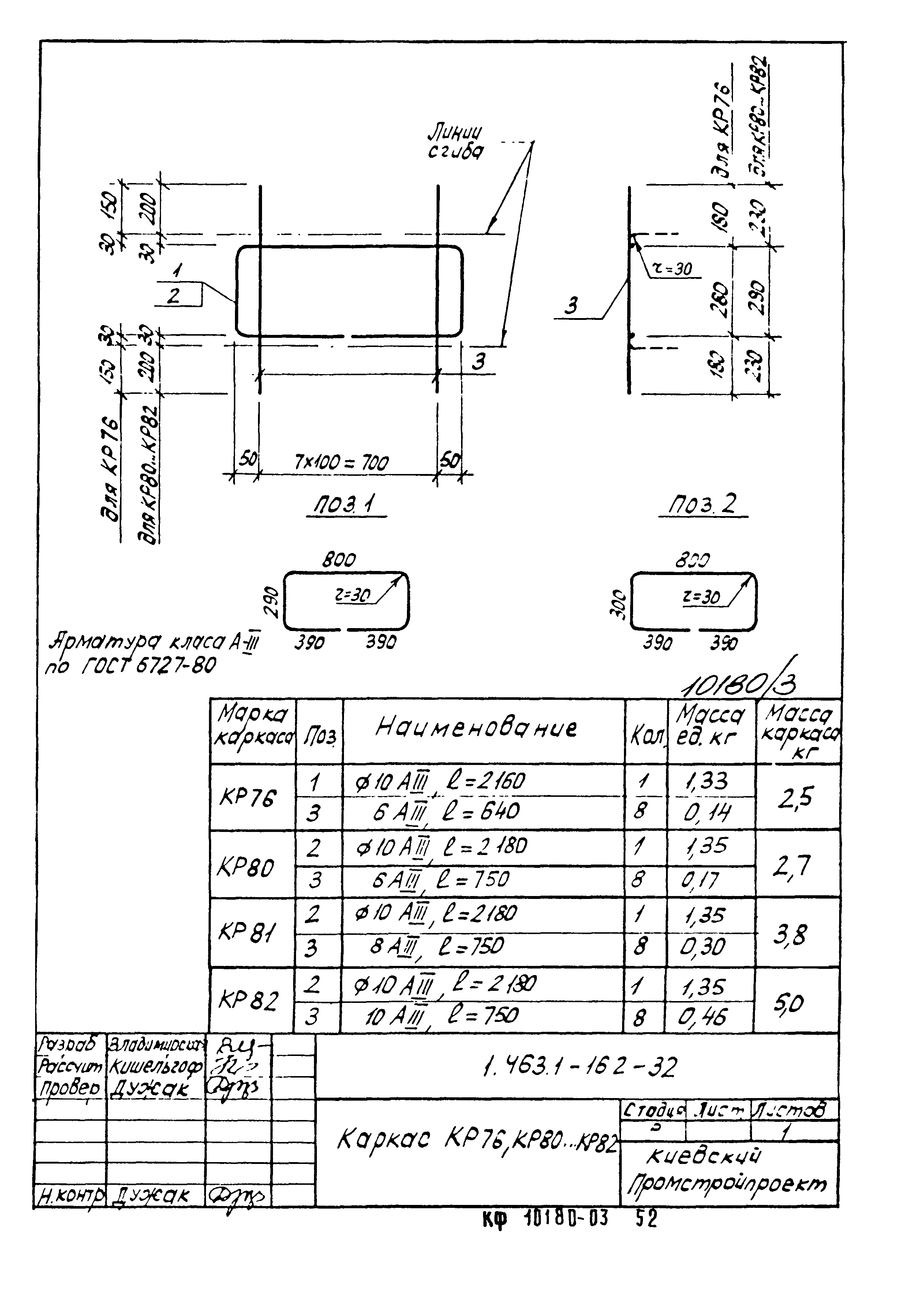
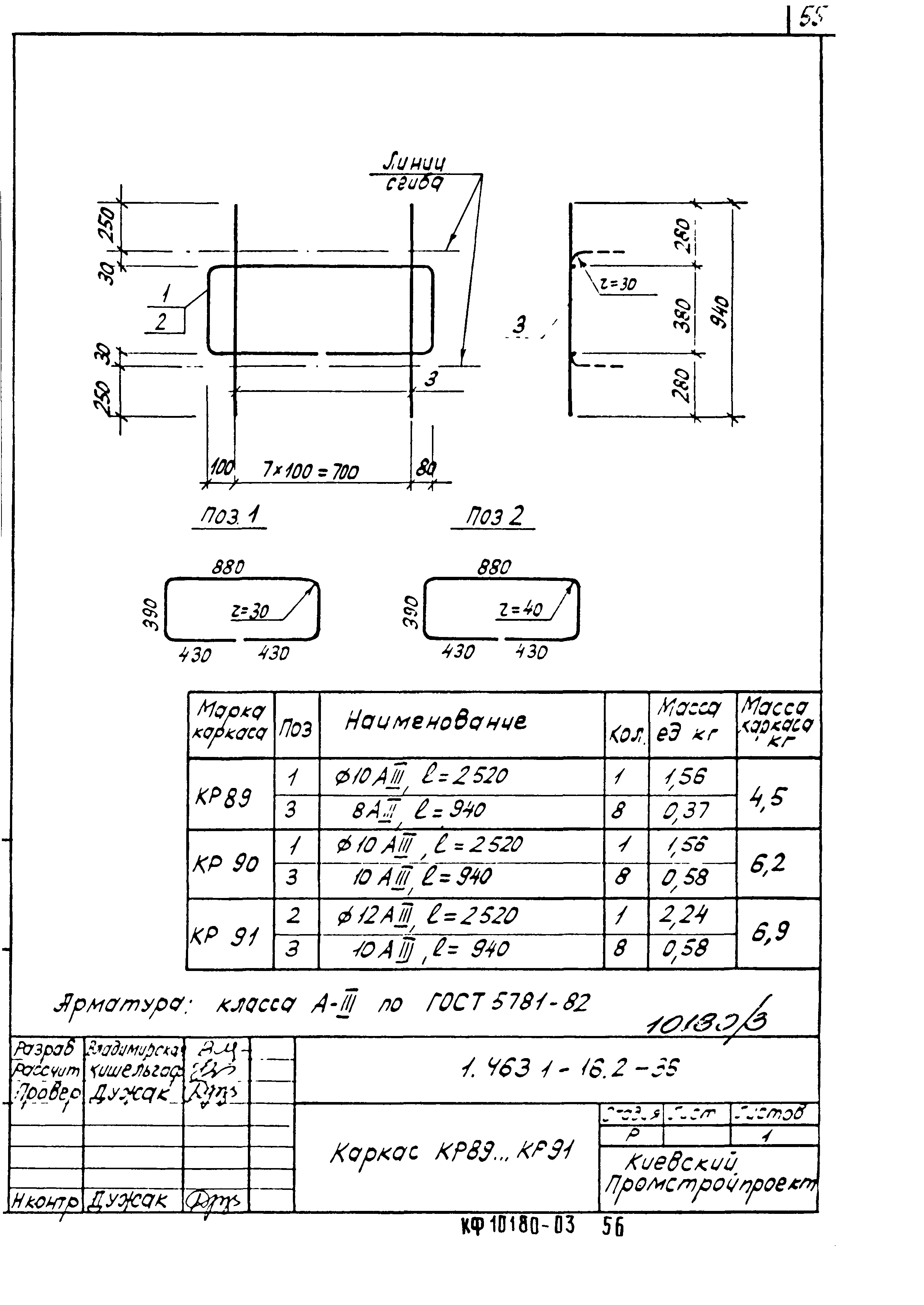
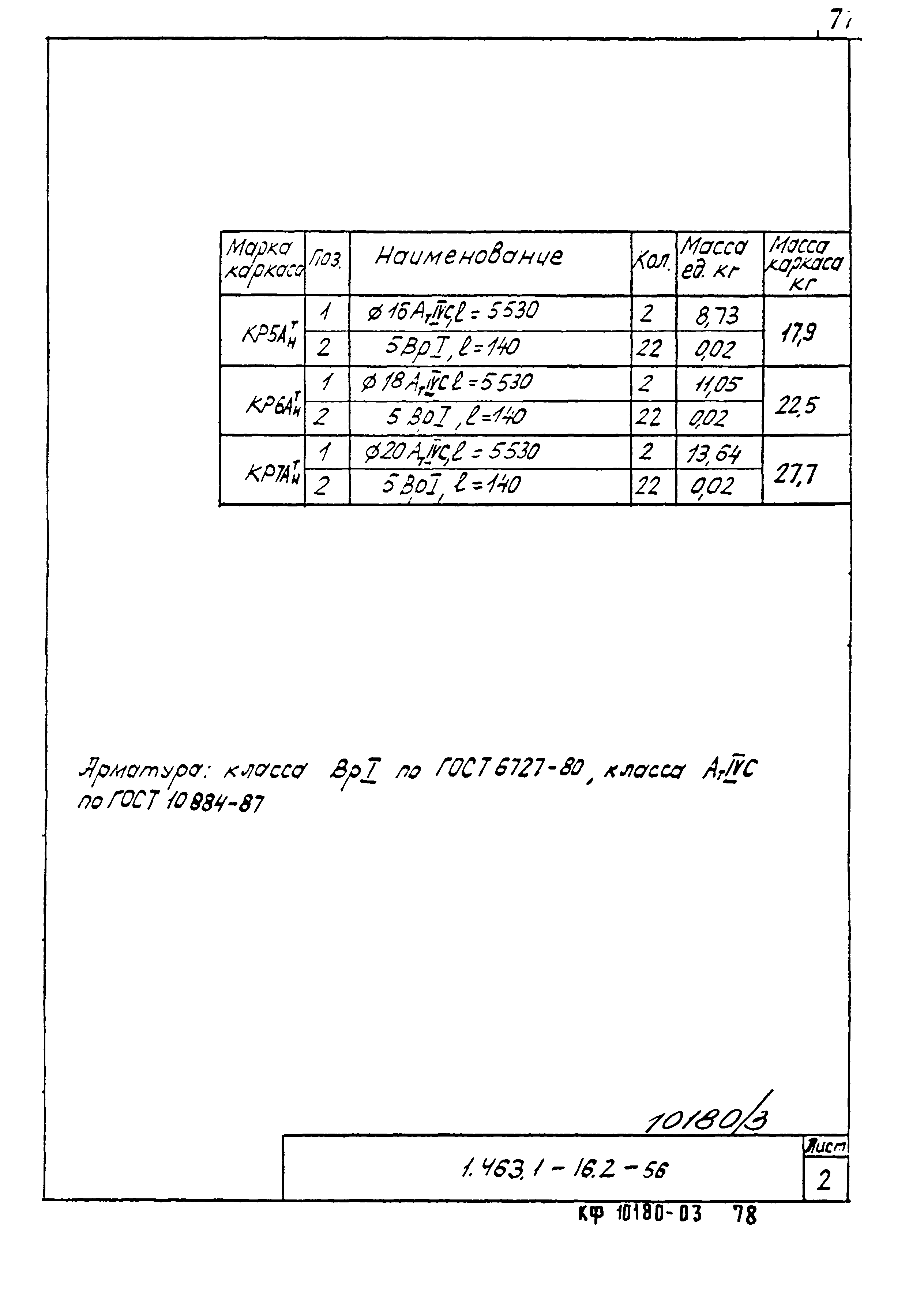
| Оглавление: | 1.463.1-16.2-ПЗ Пояснительная записка 1.463.1-16.2-1 Каркас КП1...КП3 1.463.1-16.2-2 Каркас КП4,КП5 1.463.1-16.2-3 Каркас КП6...КП10 1.463.1-16.2-4 Каркас КП11...КП13,КП15,КП16 1.463.1-16.2-5 Каркас КП14,КП17...КП20 1.463.1-16.2-6 Каркас КП21...КП26 1.463.1-16.2-7 Каркас КП28...КП34 1.463.1-16.2-8 Каркас КП35...КП38 1.463.1-16.2-9 Каркас КП39...КП42 1.463.1-16.2-10 Каркас КП43 1.463.1-16.2-11 Каркас КП44...КП48 1.463.1-16.2-12 Каркас КП49...КП56 1.463.1-16.2-13 Каркас КПР1т...КР8т,КР1н...КР8н (зеркальное отражение) 1.463.1-16.2-14 Каркас КР9т...КР11т,КР9н...КР11н (зеркальное отражение) 1.463.1-16.2-15 Каркас КР12т...КР15т,КР12н...КР15н (зеркальное отражение) 1.463.1-16.2-16 Каркас КР16...КР20 1.463.1-16.2-17 Каркас КР21...КР26 1.463.1-16.2-18 Каркас КР27,КР28 1.463.1-16.2-19 Каркас КР29...КР32 1.463.1-16.2-20 Каркас КР33...КР37 1.463.1-16.2-21 Каркас КР38...КР44 1.463.1-16.2-22 Каркас КР45т,КР46т,КР49т...КР51т,КР45н,КР46н,КР49н...КР51н (зеркальное отражение) 1.463.1-16.2-23 Каркас КР47т,КР48т,КР52,КР47н,КР48н,КР52н (зеркальное отражение) 1.463.1-16.2-24 Каркас КР53т,КР53н (зеркальное отражение) 1.463.1-16.2-25 Каркас КР54 1.463.1-16.2-26 Каркас КР55т,КР55н (зеркальное отражение) 1.463.1-16.2-27 Каркас КР56т,57т,КР65т,КР56н,КР57н,КР65н (зеркальное отражение) 1.463.1-16.2-28 Каркас КР58т,59т,КР58н,КР59н (зеркальное отражение) 1.463.1-16.2-29 Каркас КР60...КР64,КР70...КР74 1.463.1-16.2-30 Каркас КР66т...КР69т,КР66н...КР69н (зеркальное отражение) 1.463.1-16.2-31 Каркас КР75,КР77...КР79 1.463.1-16.2-32 Каркас КР76,КР80...КР82 1.463.1-16.2-33 Каркас КР83,КР85,КР86 1.463.1-16.2-34 Каркас КР84 1.463.1-16.2-35 Каркас КР87,КР88 1.463.1-16.2-36 Каркас КР89...КР91 1.463.1-16.2-37 Каркас КР92 1.463.1-16.2-38 Сетка С1,С2,С11,С12 1.463.1-16.2-39 Сетка С3...С6 1.463.1-16.2-40 Сетка С7...С10 1.463.1-16.2-41 Сетка С13...С14 1.463.1-16.2-42 Сетка С15...С16 1.463.1-16.2-43 Сетка С17,С18,С23,С24 1.463.1-16.2-44 Сетка С19...С22 1.463.1-16.2-45 Сетка С25,С26 1.463.1-16.2-46 Сетка С27...С29 1.463.1-16.2-47 Ведомость изделий 1.463.1-16.2-48 Каркас КП2А,КП3А 1.463.1-16.2-49 Каркас КП5А,КП6А 1.463.1-16.2-50 Каркас КП7А...КП10А 1.463.1-16.2-51 Каркас КП12А...КП14А 1.463.1-16.2-52 Каркас КП16А...КП20А 1.463.1-16.2-53 Каркас КП38А 1.463.1-16.2-54 Каркас КП40А...КП42А 1.463.1-16.2-55 Каркас КП51А,КП52А,КП54А...КП56А 1.463.1-16.2-56 Каркас КР2Ат...КР7Ат,КР2Ан...КР7Ан (зеркальное отражение) 1.463.1-16.2-57 Каркас КР8т,КР10т,КР11т,КР8н,КР10н,КР11н (зеркальное отражение) 1.463.1-16.2-58 Каркас КР12Ат...КР14Ат,КР12Ан...КР14Ан (зеркальное отражение) 1.463.1-16.2-59 Каркас КР27А 1.463.1-16.2-60 Каркас КР29А,КР30А 1.463.1-16.2-61 Каркас КР38А,КР41А,КР42А |
| Разработан: | Киевский Промстройпроект |
| Утверждён: | 16.12.1988 Госстрой СССР (Государственный комитет Совета Министров СССР по делам строительства) (USSR Gosstroy 6/6-2884) |
| Издан: | ЦИТП Госстроя СССР (CITP, Gosstroy (USSR) 1990 г. ) |
| Заменяет собой: |


















































































