Скачать Серия 1.463.1-19 Выпуск 2. Арматурные и закладные изделия. Рабочие чертежиДата актуализации: 01.01.2021
|
| Обозначение: | Серия 1.463.1-19 |
| Обозначение англ: | Series 1.463.1-19 |
| Статус: | не определен законодательством |
| Название рус.: | Выпуск 2. Арматурные и закладные изделия. Рабочие чертежи |
| Дата добавления в базу: | 01.09.2013 |
| Дата актуализации: | 01.01.2021 |
| Дата введения: | 01.07.1993 |
| Дата окончания срока действия: | 30.06.2003 |
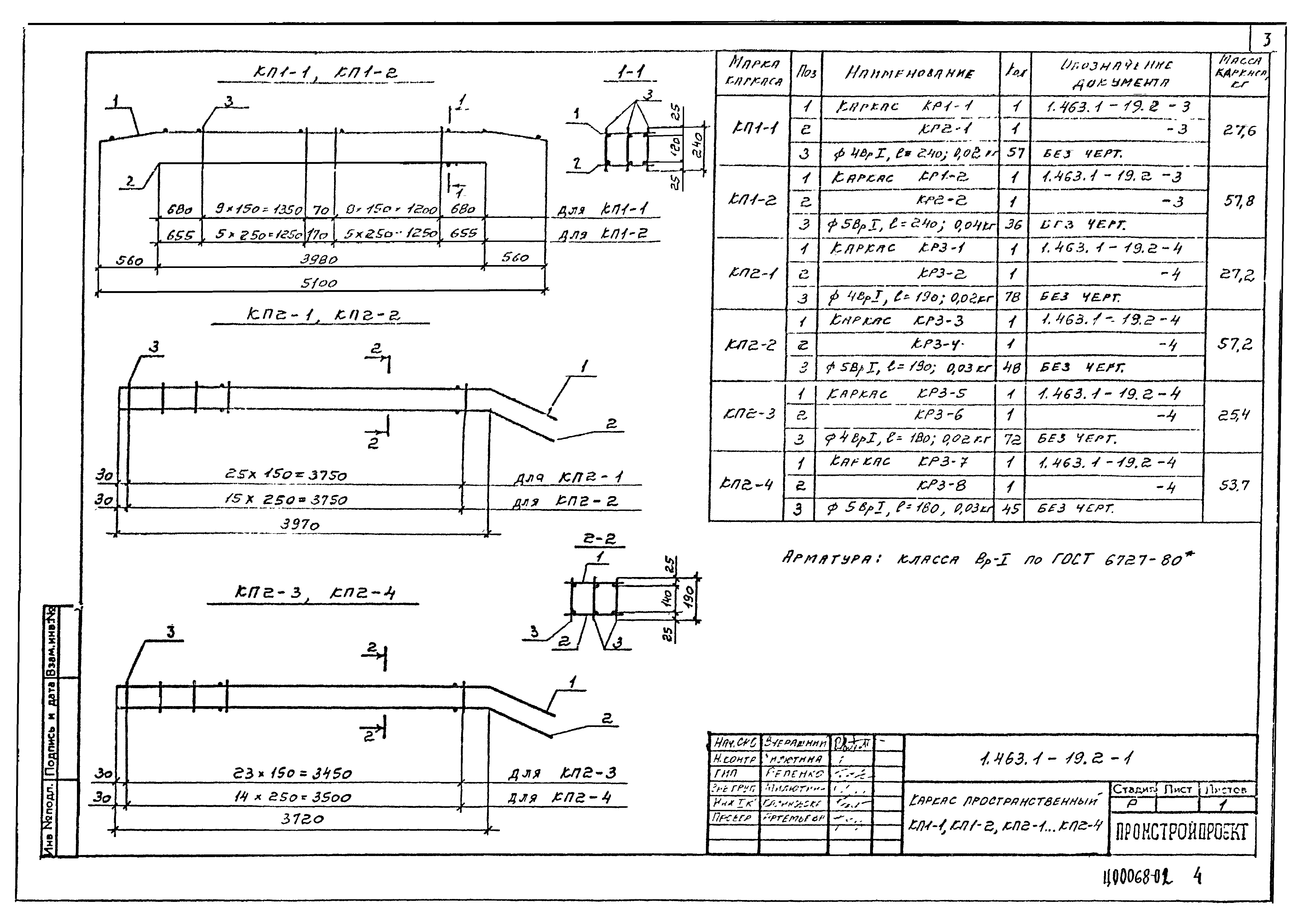
| Оглавление: | 1.463.1-19.2-ТТ Технические требования 1.463.1-19.2-1 Каркас пространственный КП1-1,КП1-2,КП2-1...КП2-4 1.463.1-19.2-2 Каркас пространственный КП3-1...КП3-4,КП4 1.463.1-19.2-3 Каркас КР1-1,КР1-2,КР2-1,КР2-2 1.463.1-19.2-4 Каркас КР3-1...КР3-8 1.463.1-19.2-5 Каркас КР4-1...КР4-8 1.463.1-19.2-6 Каркас КР5 1.463.1-19.2-7 Каркас КР6-1...КР6-3 1.463.1-19.2-8 Каркас КР7-1...КР7-3 1.463.1-19.2-9 Каркас КР8-1...КР8-3 1.463.1-19.2-10 Каркас КР9-1,КР9-2 1.463.1-19.2-11 Каркас КР10-1,КР10-2 1.463.1-19.2-12 Каркас КР11 1.463.1-19.2-13 Каркас КР12 1.463.1-19.2-14 Каркас КР13 1.463.1-19.2-15 Каркас КР14 1.463.1-19.2-16 Каркас КР15 1.463.1-19.2-17 Каркас КР16 1.463.1-19.2-18 Каркас КР17 1.463.1-19.2-19 Каркас КР18 1.463.1-19.2-20 Каркас КР19 1.463.1-19.2-21 Изделие закладное МН1 1.463.1-19.2-22 Изделие закладное МН2 1.463.1-19.2-23 Изделие закладное МН3 1.463.1-19.2-24 Распорка РС1,РС2 |
| Разработан: | Промстройпроект Госстроя СССР НИИЖБ |
| Утверждён: | 01.12.1992 Минстрой России (Russian Federation Minstroy 9-1/371) |
| Заменяет собой: |
















