Скачать Серия ИИ-04-4 Выпуск 6. Железобетонные ребристые плиты. Варианты армирования. Рабочие чертежиДата актуализации: 01.01.2021
|
| Обозначение: | Серия ИИ-04-4 |
| Обозначение англ: | Series ИИ-04-4 |
| Статус: | не действует |
| Название рус.: | Выпуск 6. Железобетонные ребристые плиты. Варианты армирования. Рабочие чертежи |
| Дата добавления в базу: | 01.09.2013 |
| Дата актуализации: | 01.01.2021 |
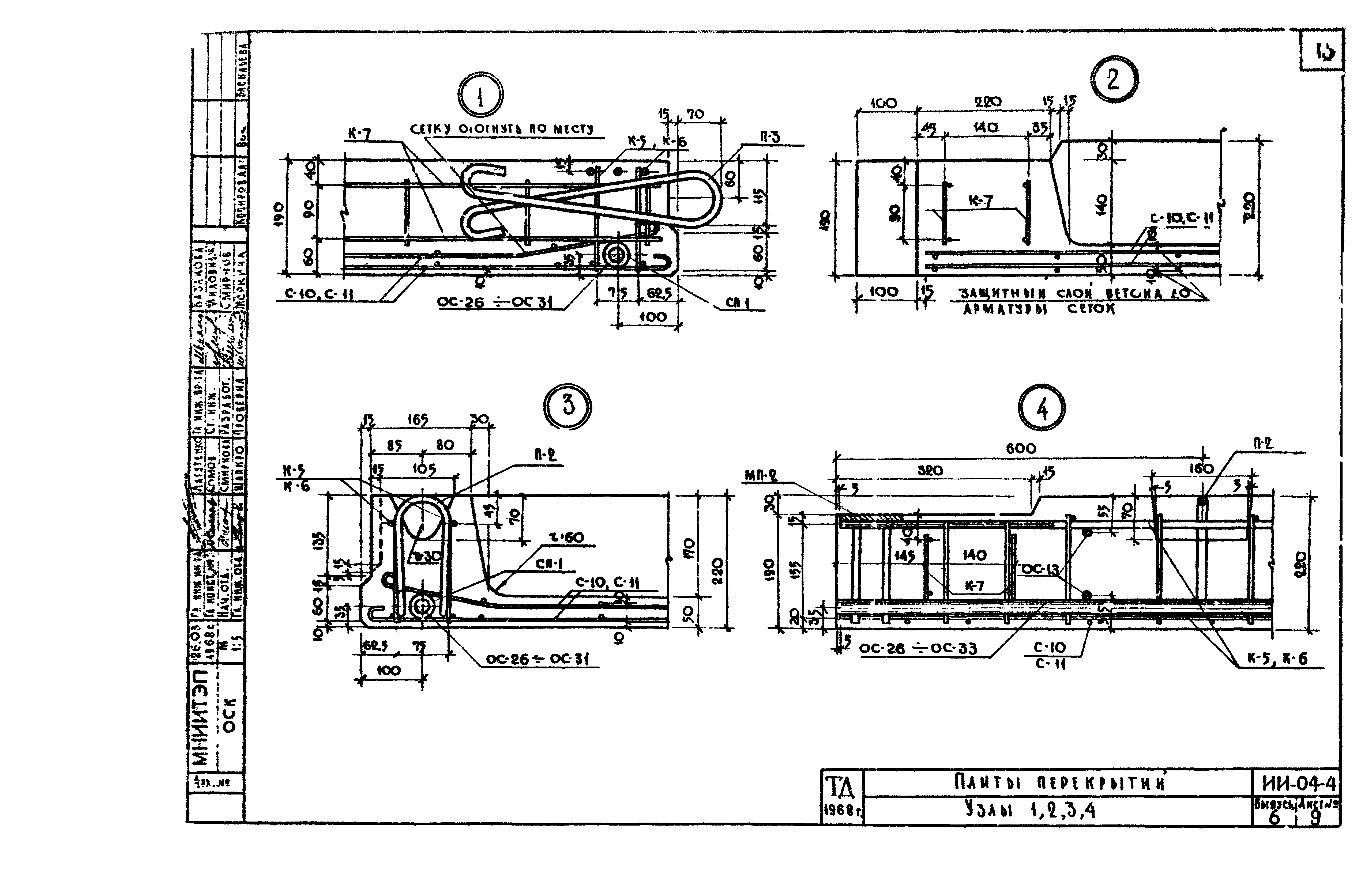
| Оглавление: | ИИ-04-4 Содержание выпуска ИИ-04-4 Пояснительная записка ИИ-04-4 Номенклатура изделий ИИ-04-4 Общий вид и армирование плиты ПР8-58-12 ИИ-04-4 Характеристика, схемы расчета и исполнения плиты ПР8-58-12 ИИ-04-4 Общий вид и армирование плиты ПP8-53-12 ИИ-04-4 Характеристика, схемы расчета и исполнения плиты ПР8-53-12 ИИ-04-4 Арматурные сетки C-10, С-11 ИИ-04-4 Арматурные каркасы К-5, К-6 ИИ-04-4 Каркас К-7; стержни ОC-13, ОС-26, ОС-27, ОС-28, ОС-29, ОС-30, ОС-31, ОС-32, ОС-33, П-2, П-3, СП-1 ИИ-04-4 Узлы 1,2,3,4 ИИ-04-4 Узлы 1А,5 |
| Разработан: | МНИИТЭП |
| Утверждён: | 20.03.1969 МНИИТЭП (MNIITEP ) |
| Издан: | ЦИТП Госстроя СССР (CITP, Gosstroy (USSR) 1969 г. ) |














