Скачать 5РС 41-61 Проекты на основе конструкций и изделий территориального каталога. Железобетонные конструкции панельных жилых домов с узким шагом несущих стен для жилых блок-домов П55 и жилых блок-секций П55М производства АООТ БКСМ АО МПСМ. Часть II. Фризовые панели наружных стен керамзитобетонные трехслойные с высокими теплотехническими характеристиками (для изготовления опытной партии). Схемы армирования. Рабочие чертежиДата актуализации: 01.01.2021
|
| Обозначение: | 5РС 41-61 |
| Обозначение англ: | 5РС 41-61 |
| Статус: | не определен законодательством |
| Название рус.: | Проекты на основе конструкций и изделий территориального каталога. Железобетонные конструкции панельных жилых домов с узким шагом несущих стен для жилых блок-домов П55 и жилых блок-секций П55М производства АООТ БКСМ АО МПСМ. Часть II. Фризовые панели наружных стен керамзитобетонные трехслойные с высокими теплотехническими характеристиками (для изготовления опытной партии). Схемы армирования. Рабочие чертежи |
| Дата добавления в базу: | 01.09.2013 |
| Дата актуализации: | 01.01.2021 |
| Дата введения: | 19.12.1996 |
| Дата окончания срока действия: | 30.06.2003 |
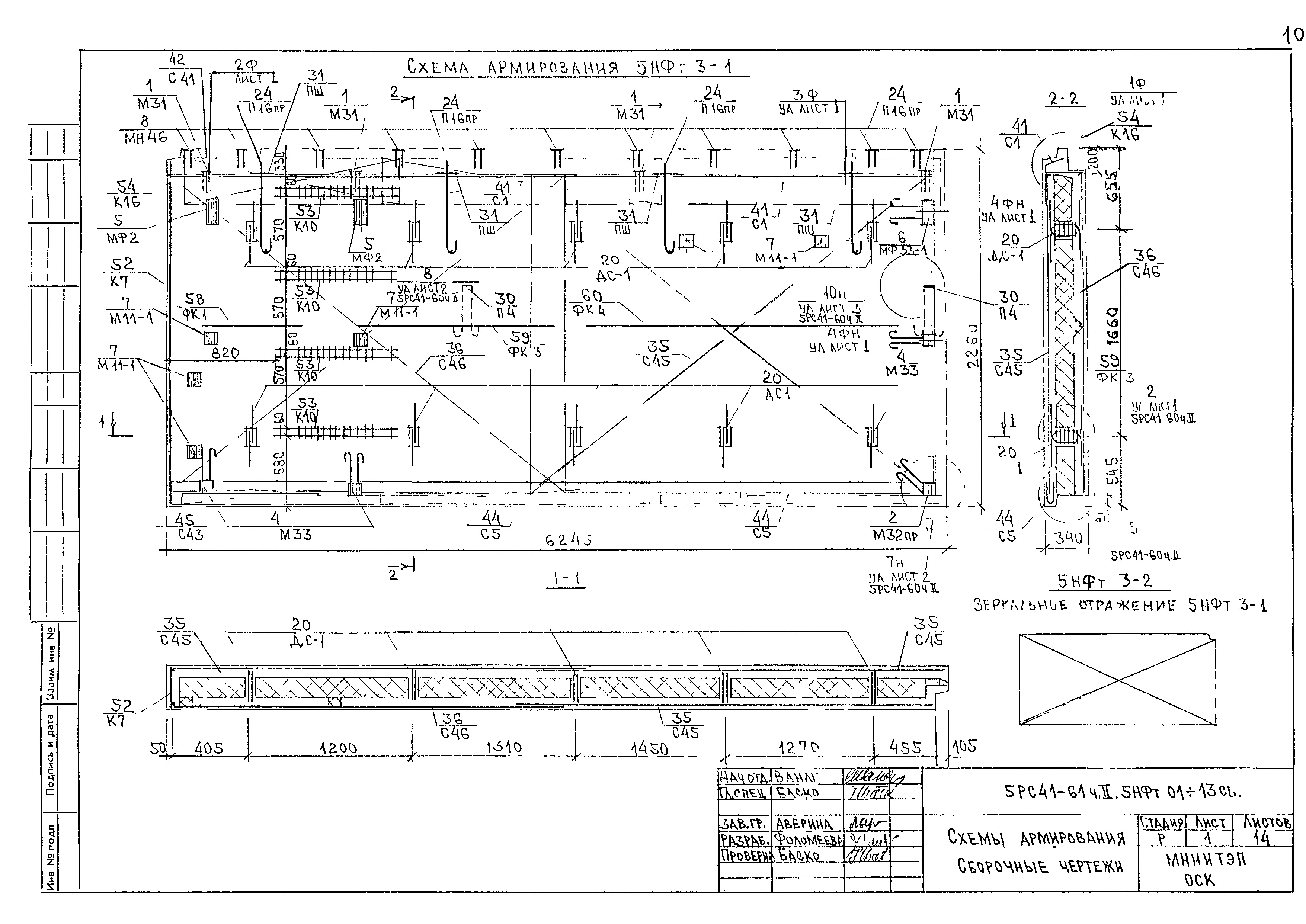
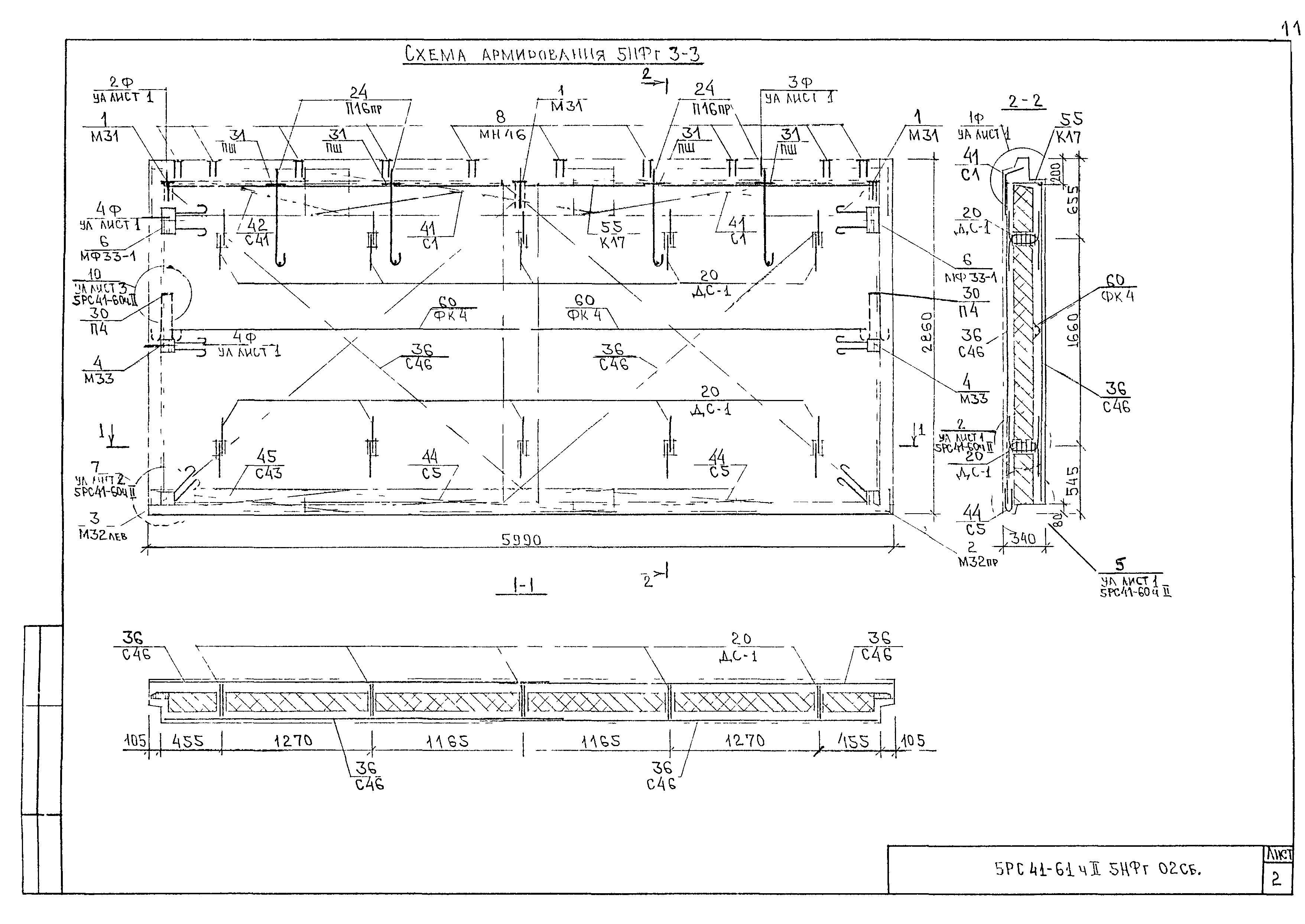
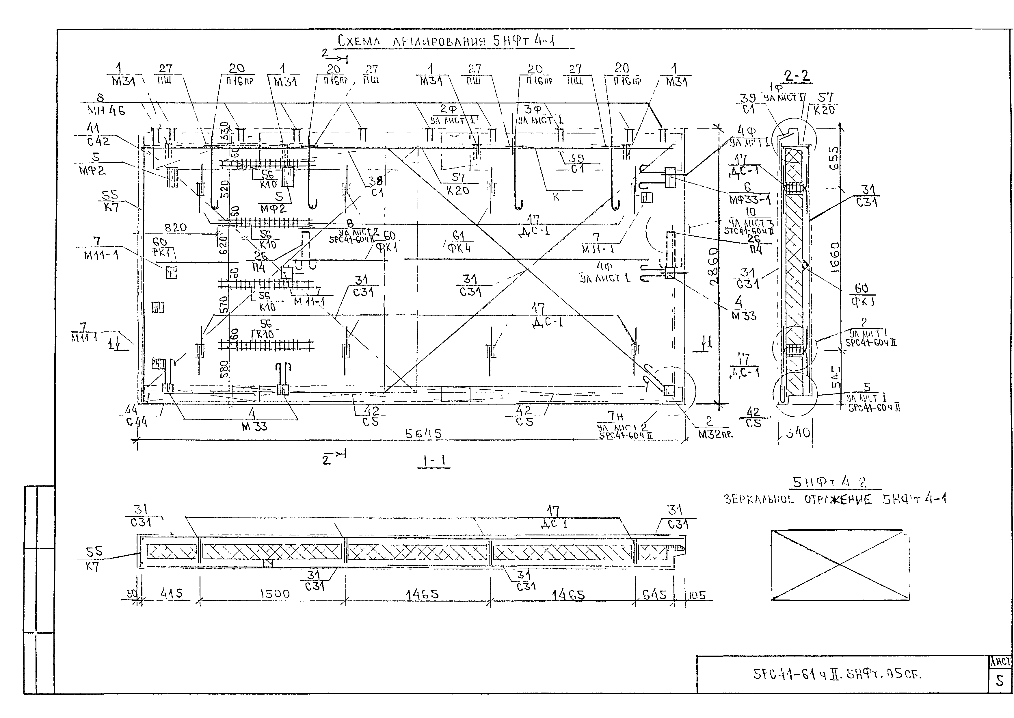
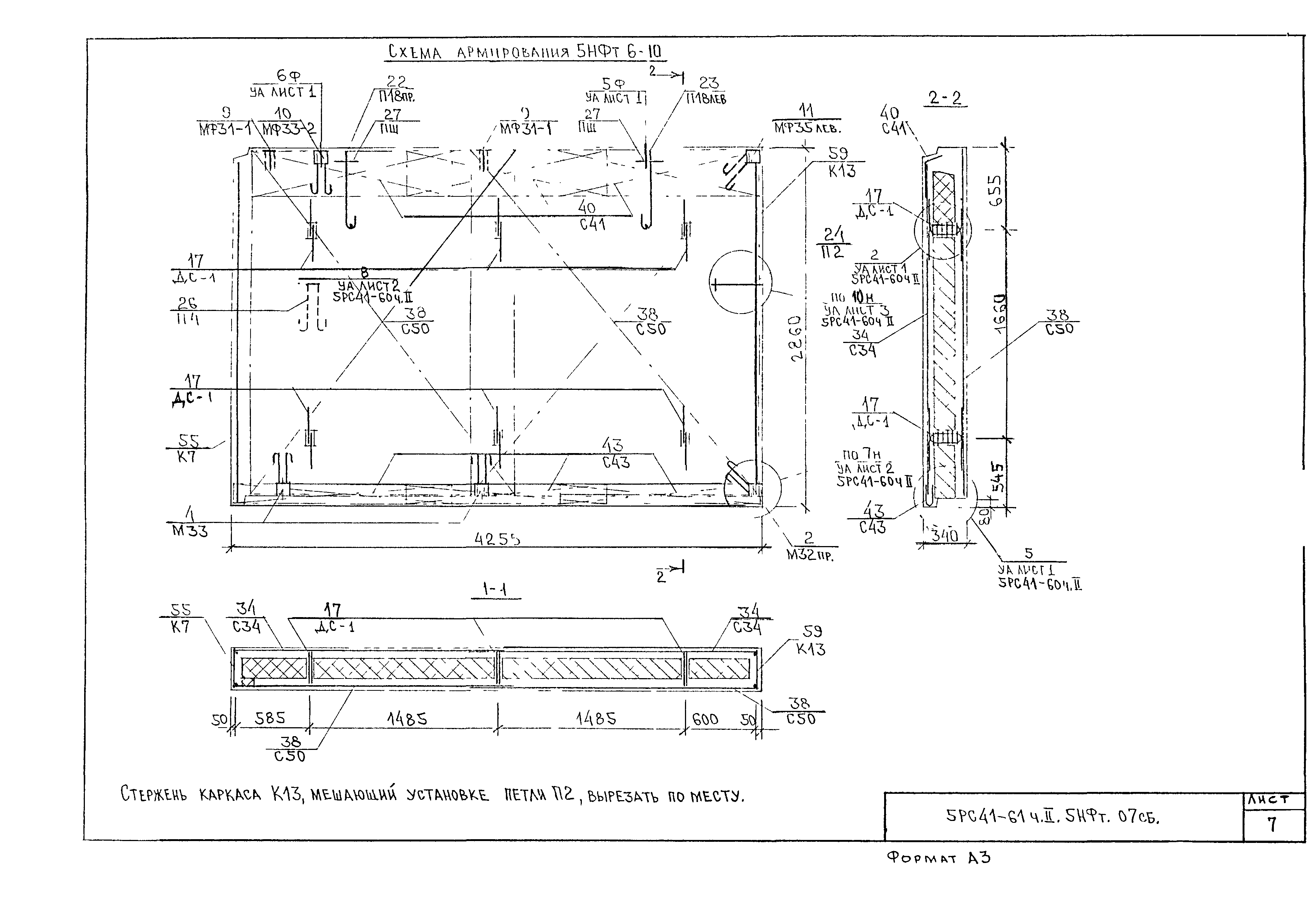
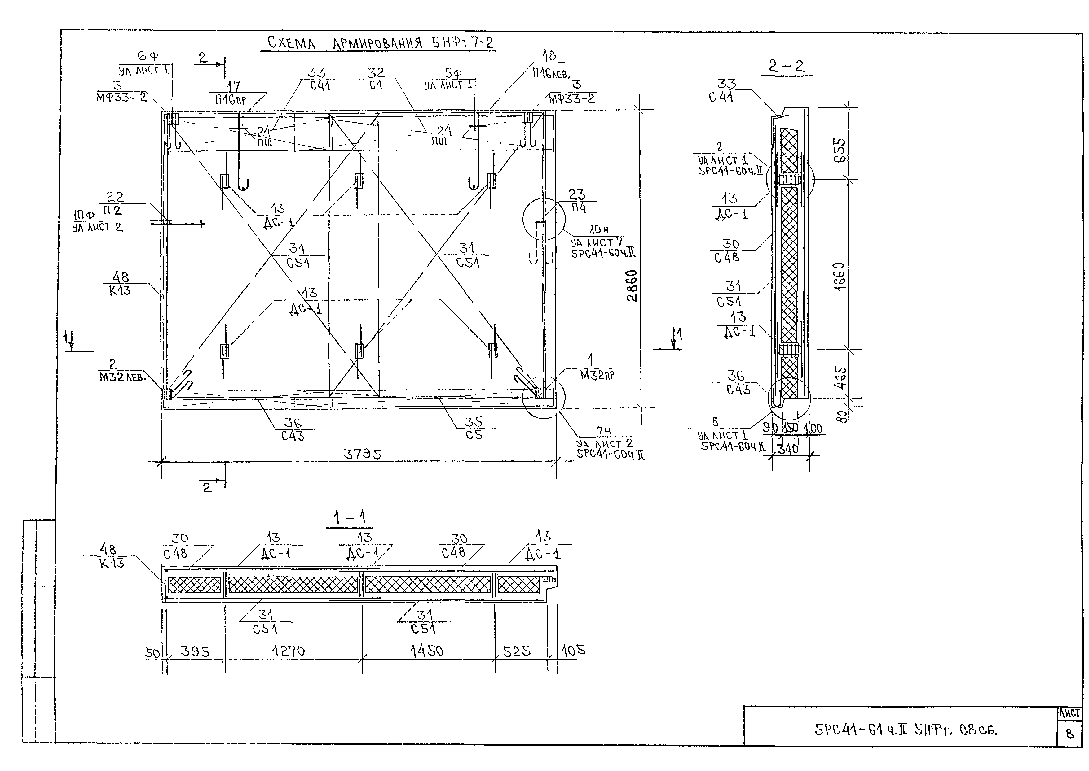
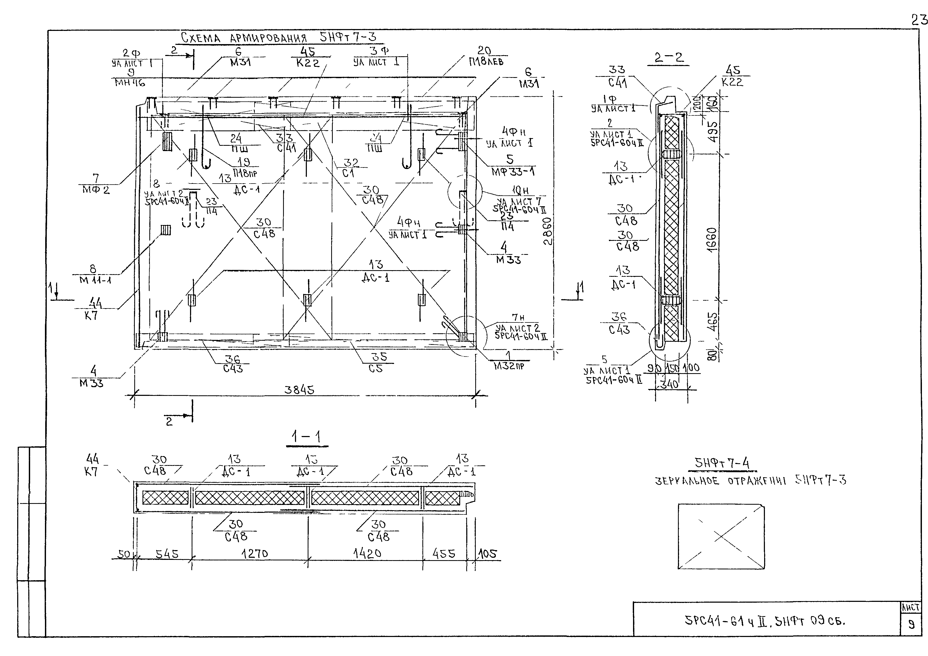
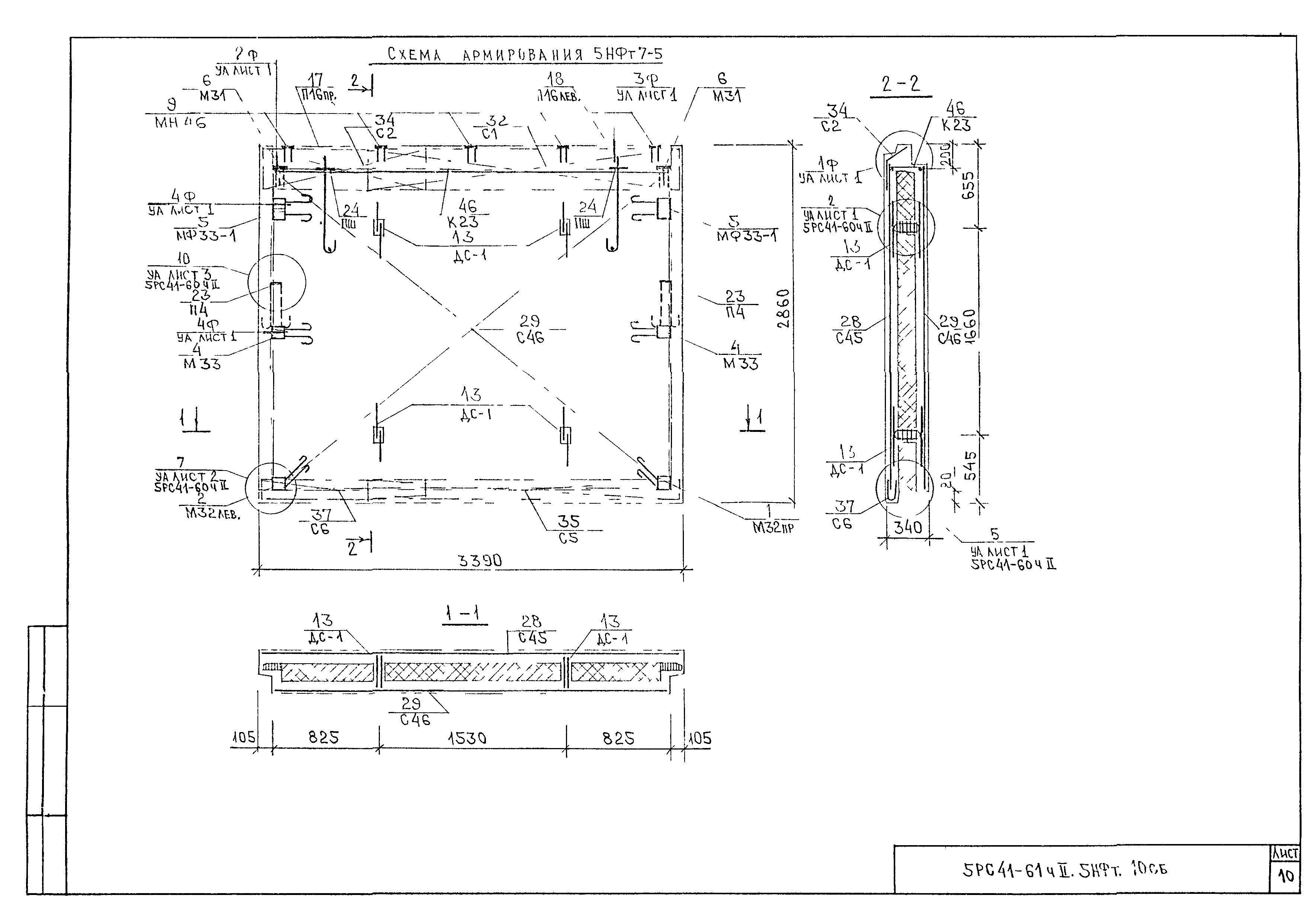
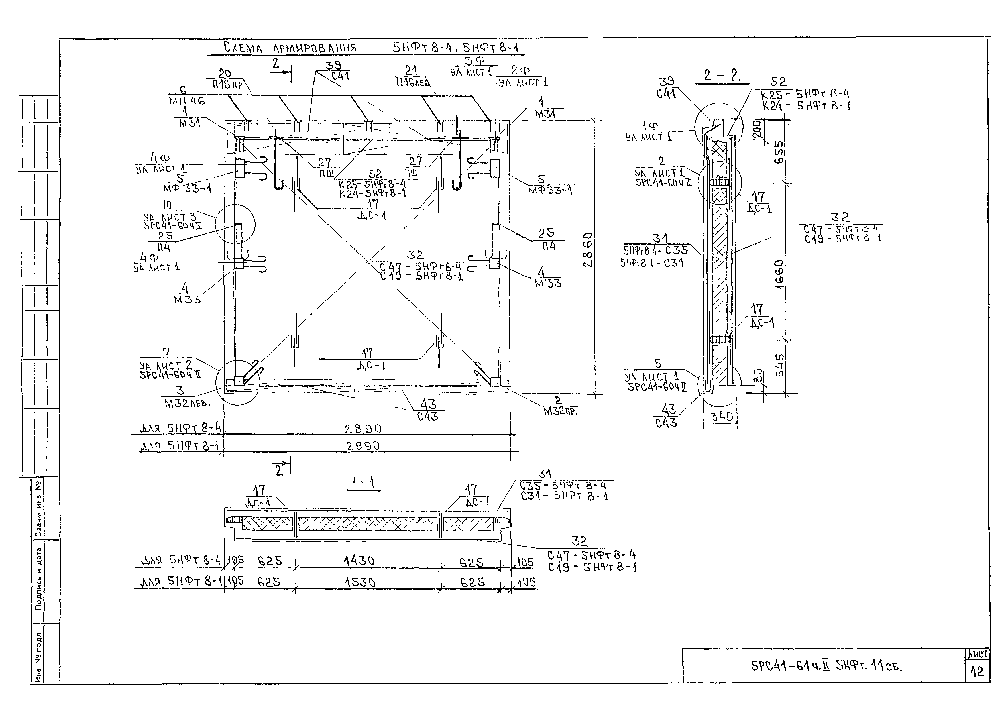
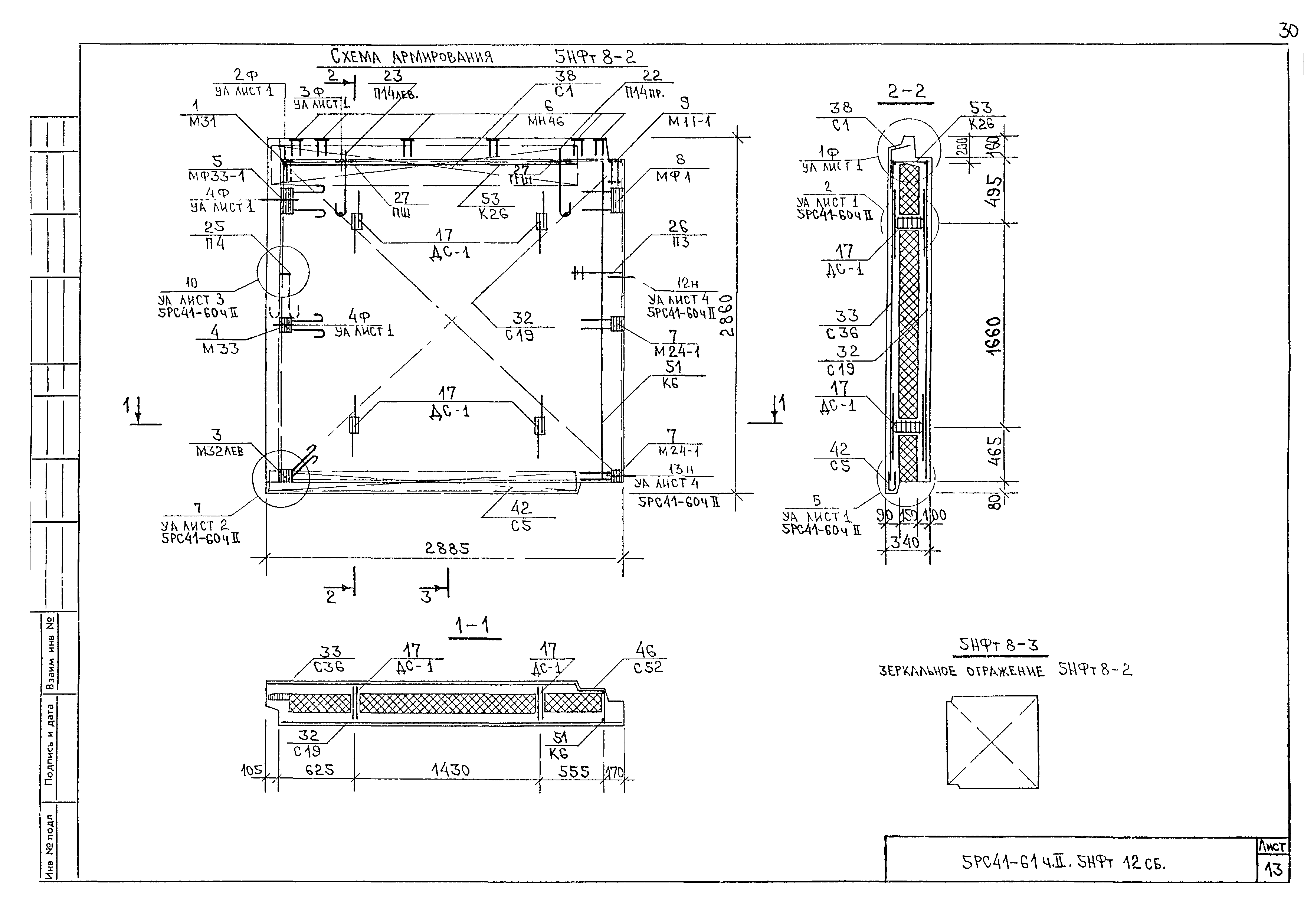
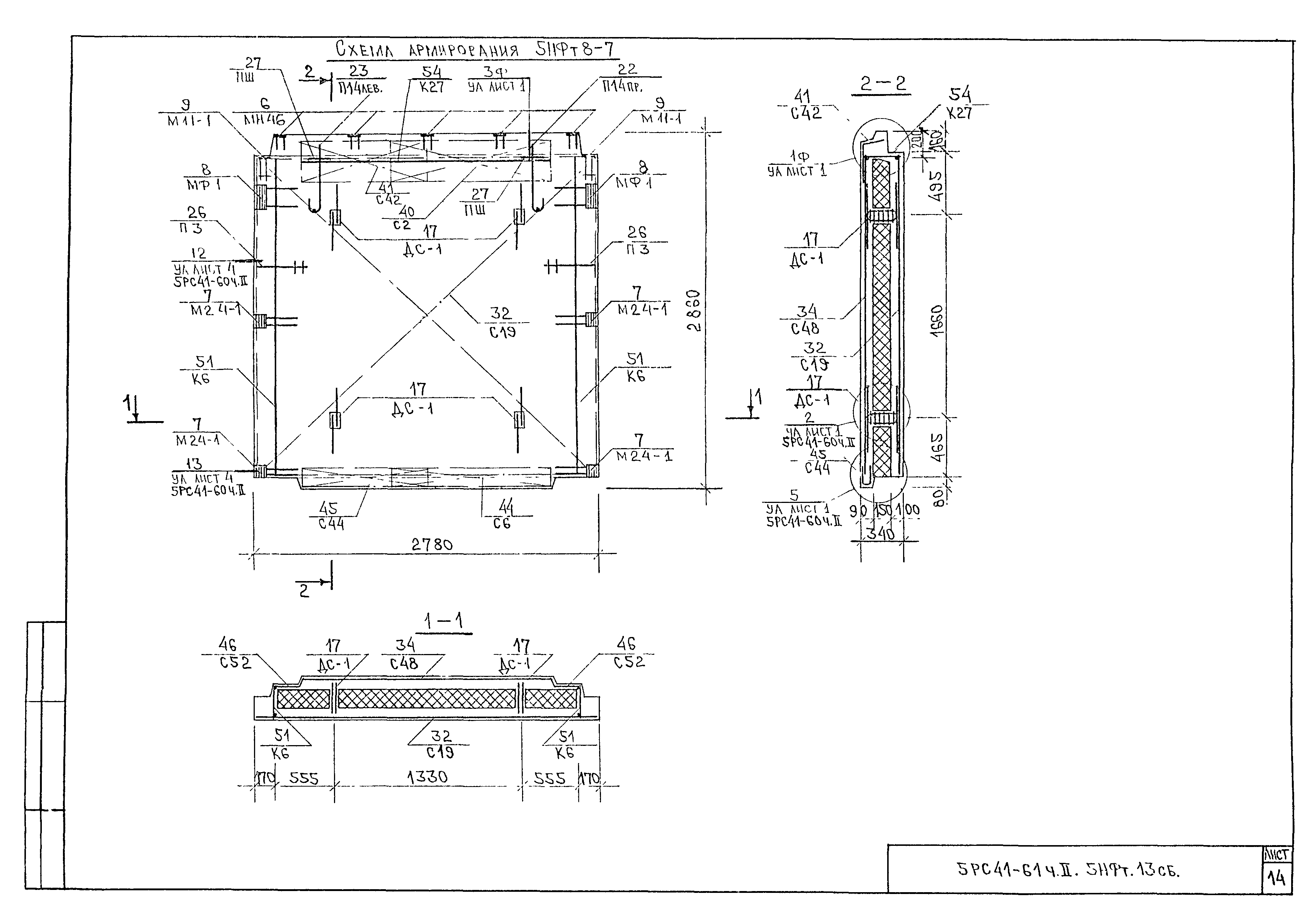
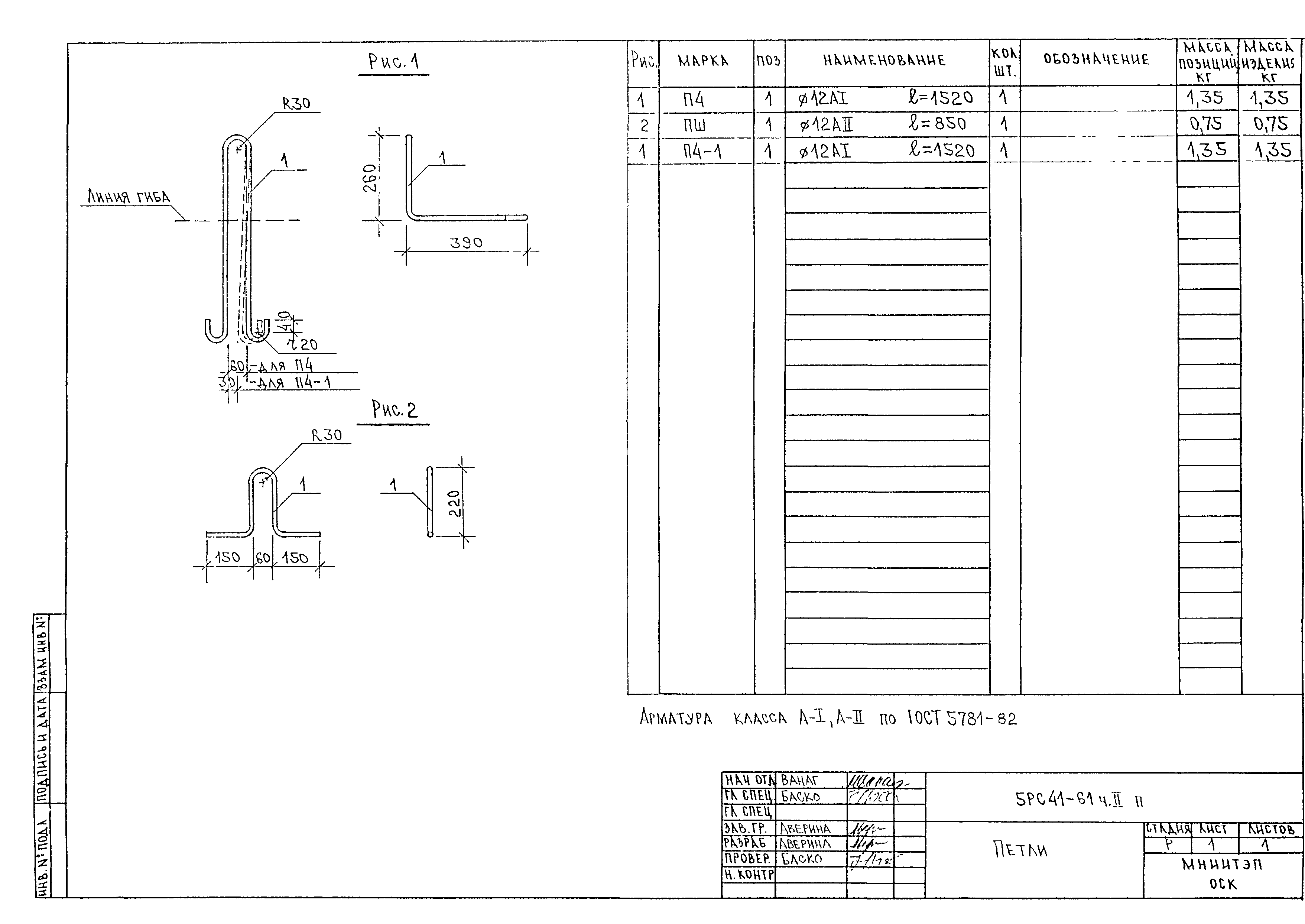
| Оглавление: | 5РС41-61.Ч.П.ПЗ Пояснительная записка. 5РС41-61.Ч.П.РС Ведомость расхода стали. 5РС41-61.Ч.П.01СБ Панели 5НФт3-1,5НФт3-2. Сборочный чертеж. 5РС41-61.Ч.П.02СБ Панель 5НФт3-3. Сборочный чертеж. 5РС41-61.Ч.П.03СБ Панель 5НФт3-9. Сборочный чертеж. 5РС41-61.Ч.П.04СБ Панель 5НФт3-10. Сборочный чертеж. 5РС41-61.Ч.П.05СБ Панели 5НФт4-1,5НФт4-2. Сборочный чертеж. 5РС41-61.Ч.П.06СБ Панель 5НФт6-1. Сборочный чертеж. 5РС41-61.Ч.П.07СБ Панель 5НФт6-10. Сборочный чертеж. 5РС41-61.Ч.П.08СБ Панель 5НФт7-2. Сборочный чертеж. 5РС41-61.Ч.П.09СБ Панели 5НФт7-3,5НФт7-4. Сборочный чертеж. 5РС41-61.Ч.П.10СБ Панели 5НФт7-5,5НФт12-1.Сборочный чертеж. 5РС41-61.Ч.П.11СБ Панели 5НФт8-1,6НФт8-4. Сборочный чертеж 5РС41-61.Ч.П.12СБ Панели 5НФт8-2,5НФт8-3. Сборочный чертеж. 5РС41-61.Ч.П.13СБ Панель 5НФт8-7. Сборочный чертеж. 5РС41-61.Ч.П.УА Узлы арматурные. 5РС41-61.Ч.П.С.СБ Сетки. Сборочный чертеж. 5РС41-61.Ч.П.К.СБ Каркасы. Сборочный чертеж. 5РС41-61.Ч.П.ДС.СБ Дискретная связь. Сборочный чертеж. 5РС41-61.Ч.П.П.СБ Петли. Сборочный чертеж. 5РС41-61.Ч.П.П Петли. 5РС41-61.Ч.П.ЗД.СБ Закладные детали. Сборочный чертеж. |
| Разработан: | МНИИТЭП |
| Утверждён: | 19.12.1996 МНИИТЭП (MNIITEP 56-то) |
| Принят: | АООТ БКСМ |





























































