Скачать Серия 3.300.9-2 Выпуск 1. Изделия заводского изготовления. Рабочие чертежиДата актуализации: 01.01.2021
|
| Обозначение: | Серия 3.300.9-2 |
| Обозначение англ: | Series 3.300.9-2 |
| Статус: | не определен законодательством |
| Название рус.: | Выпуск 1. Изделия заводского изготовления. Рабочие чертежи |
| Дата добавления в базу: | 01.09.2013 |
| Дата актуализации: | 01.01.2021 |
| Дата введения: | 01.06.1985 |
| Дата окончания срока действия: | 30.06.2003 |
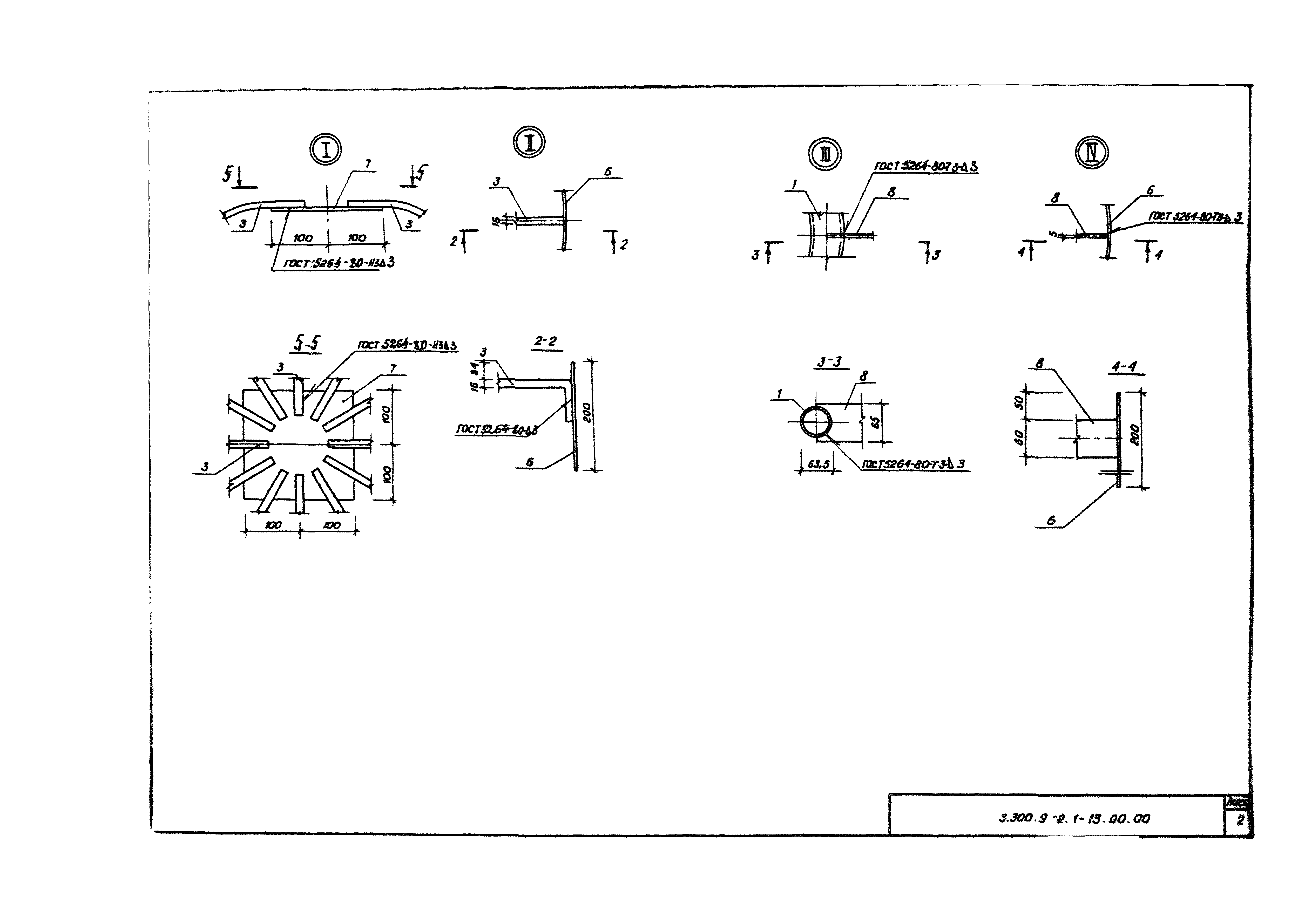
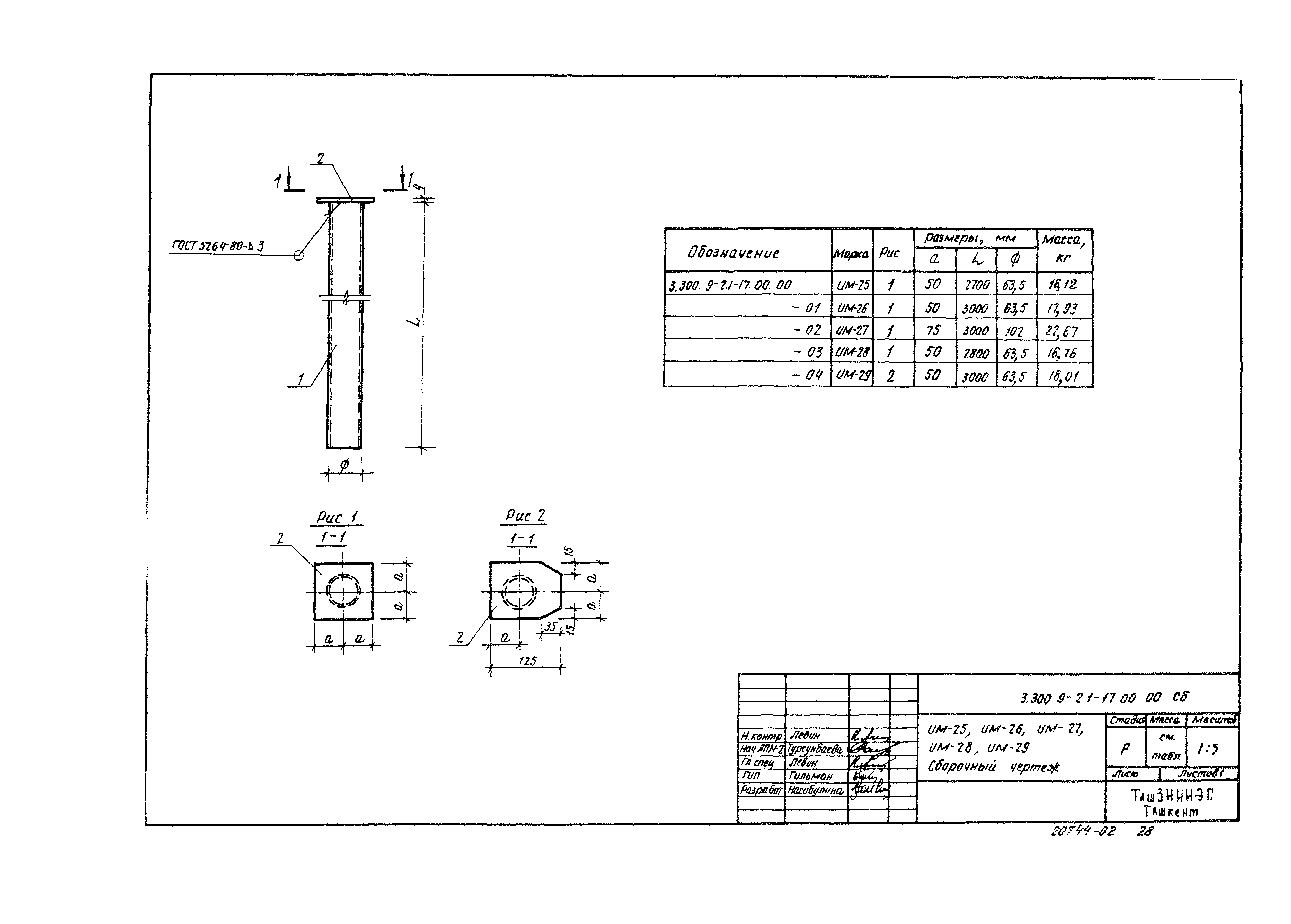
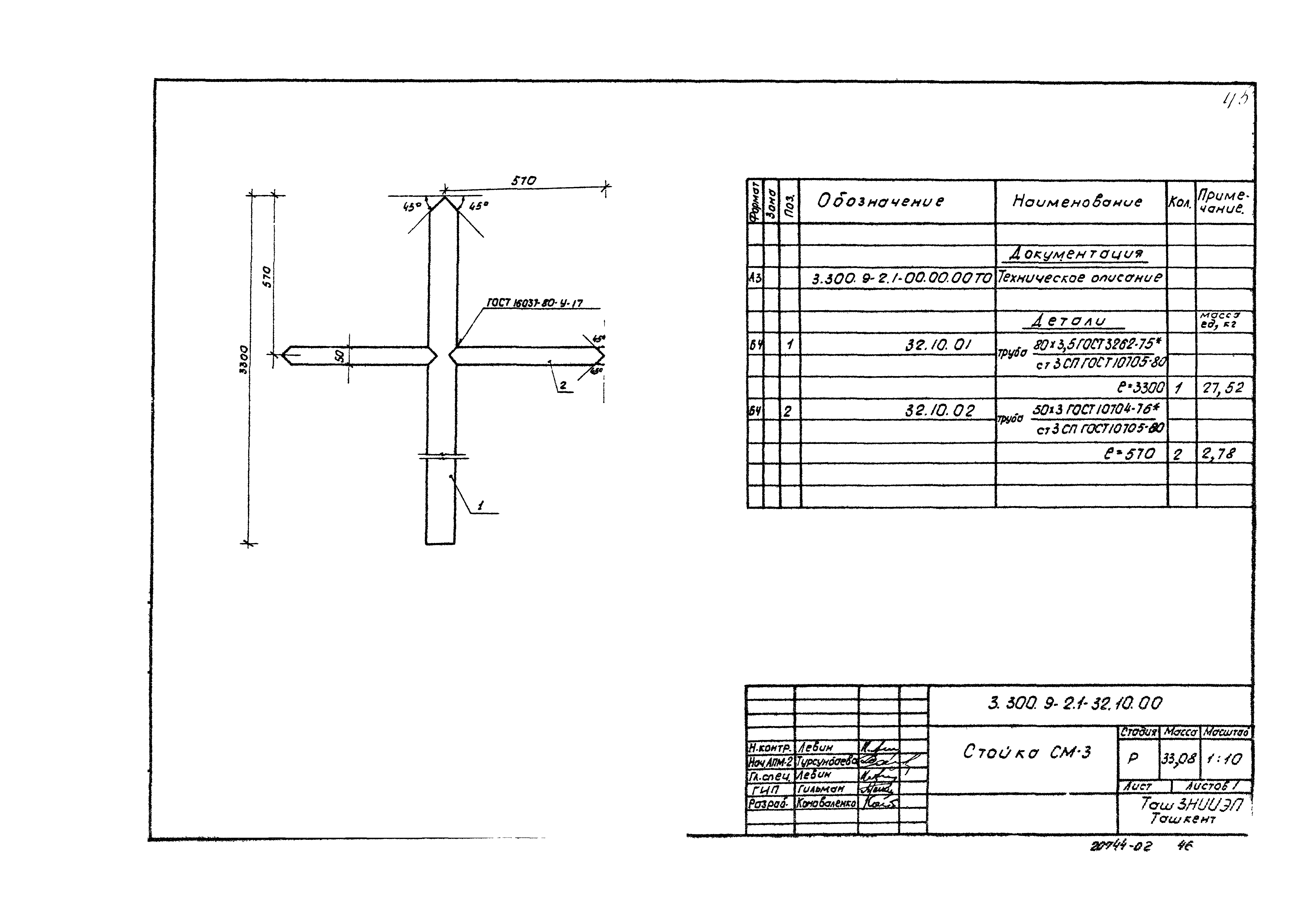
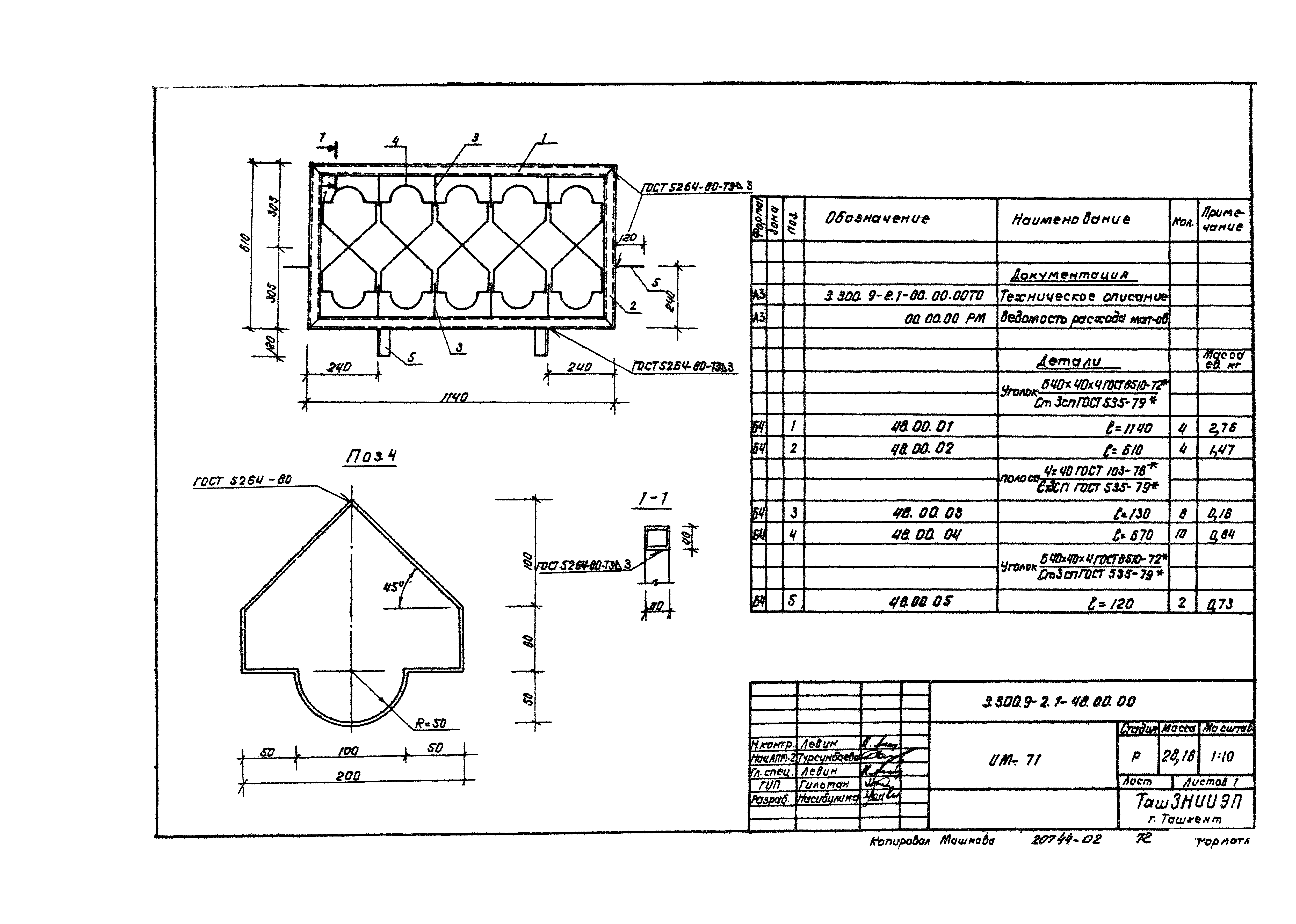
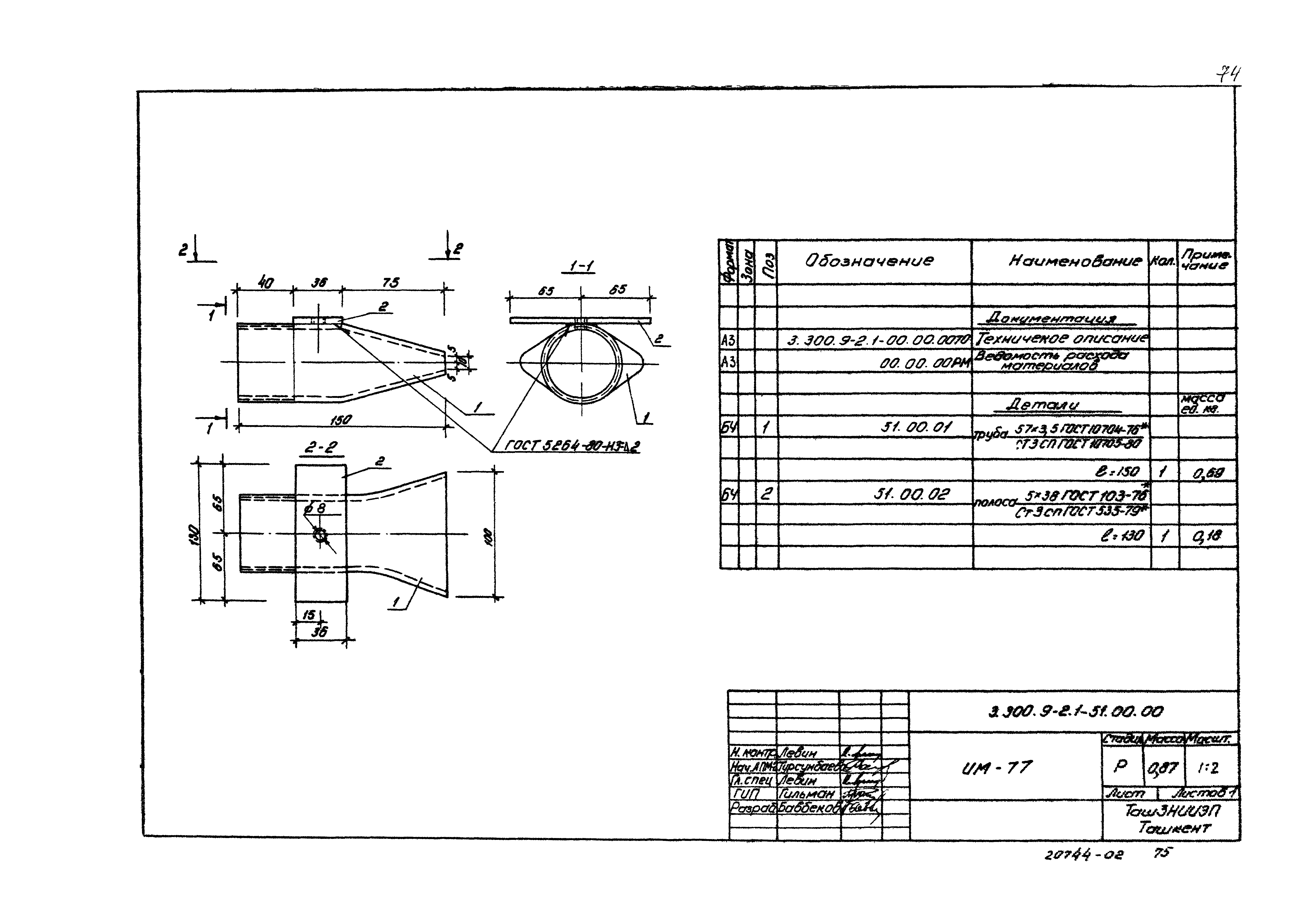
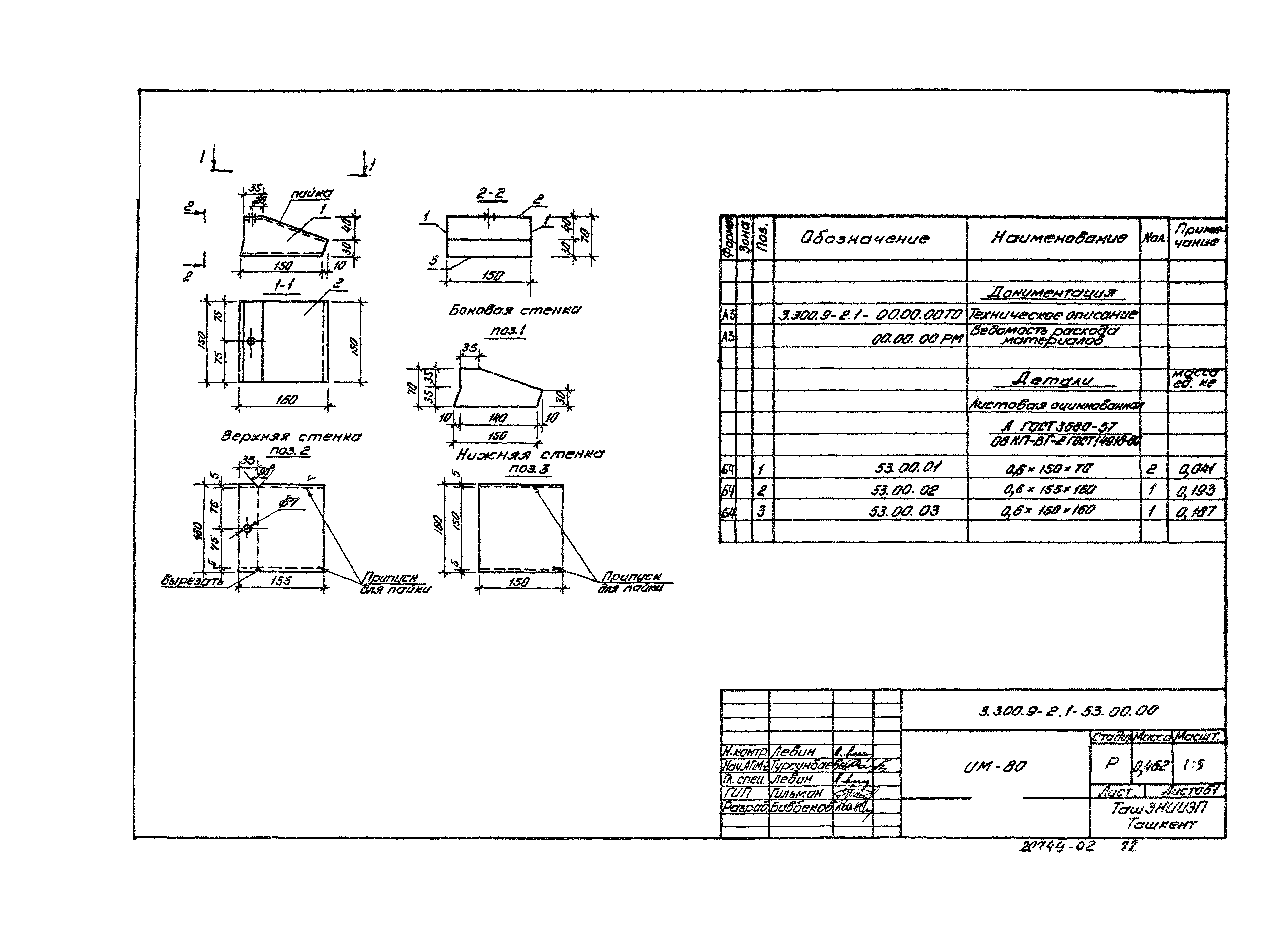
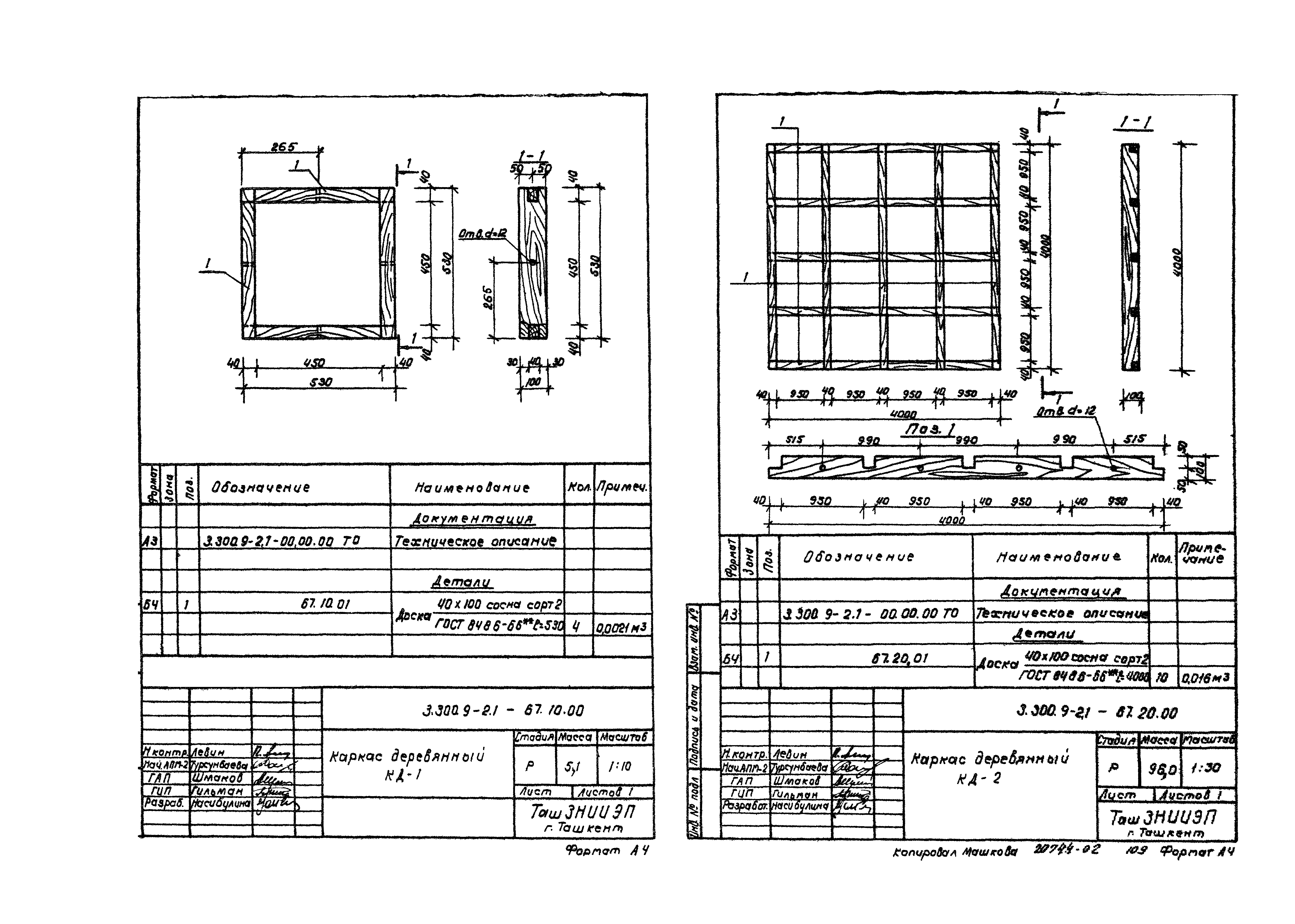
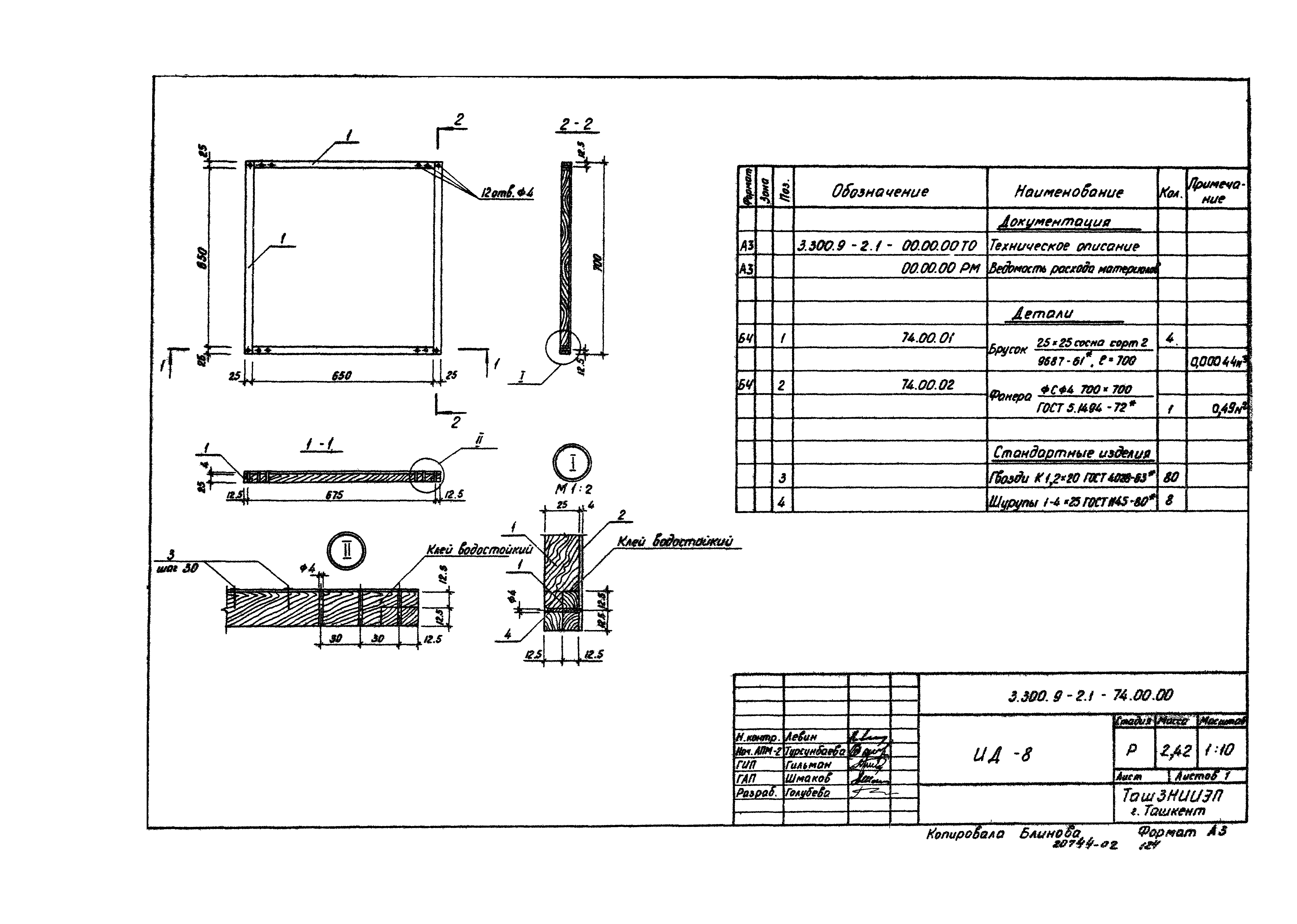
| Оглавление: | 3.300.9-2.1-00.00.00.ТО Техническое описание 3.300.9-2.1-01.00.00 ИМ-1,ИМ-2 3.300.9-2.1-02.00.00 ИМ-3 3.300.9-2.1-03.00.00 ИМ-4 3.300.9-2.1-04.00.00 ИМ-5 3.300.9-2.1-04.10.00 Стойка СМ-1 3.300.9-2.1-04.20.00 Опорное кольцо ОП-1 3.300.9-2.1-05.00.00 ИМ-6 3.300.9-2.1-06.00.00 ИМ-7,ИМ-8,ИМ-9,ИМ-10,ИМ-11,ИМ-12 3.300.9-2.1-07.00.00 ИМ-13 3.300.9-2.1-08.00.00 ИМ-14 3.300.9-2.1-09.00.00 ИМ-15 3.300.9-2.1-10.00.00 ИМ-16,ИМ-17 3.300.9-2.1-11.00.00 ИМ-18,ИМ-19 3.300.9-2.1-10.00.00 СБ ИМ-16,ИМ-17. Сборочный чертеж 3.300.9-2.1-11.00.00 СБ ИМ-18,ИМ-19. Сборочный чертеж 3.300.9-2.1-12.00.00 ИМ-20 3.300.9-2.1-13.00.00 ИМ-21 3.300.9-2.1-14.00.00 ИМ-22 3.300.9-2.1-15.00.00 ИМ-23 3.300.9-2.1-16.00.00 ИМ-24 3.300.9-2.1-17.00.00 ИМ-25,ИМ-26,ИМ-27,ИМ-28,ИМ-29 3.300.9-2.1-17.00.00 СБ ИМ-25,ИМ-26,ИМ-29. Сборочный чертеж 3.300.9-2.1-18.00.00 ИМ-30 3.300.9-2.1-19.00.00 ИМ-31 3.300.9-2.1-20.00.00 ИМ-32 3.300.9-2.1-21.00.00 ИМ-33 3.300.9-2.1-22.00.00 ИМ-34,ИМ-35,ИМ-36 3.300.9-2.1-23.00.00 ИМ-37 3.300.9-2.1-24.00.00 ИМ-38,ИМ-39 3.300.9-2.1-25.00.00 ИМ-40,ИМ-41,ИМ-42 3.300.9-2.1-26.00.00 ИМ-43,ИМ-44 3.300.9-2.1-27.00.00 ИМ-45,ИМ-46 3.300.9-2.1-28.00.00 ИМ-47,ИМ-48,ИМ-49,ИМ-50,ИМ-51 3.300.9-2.1-29.00.00 ИМ-52 3.300.9-2.1-30.00.00 ИМ-53 3.300.9-2.1-31.00.00 ИМ-54 3.300.9-2.1-31.10.00 Стойка СМ-2 3.300.9-2.1-31.20.00 Элемент решетки ЭР-1 3.300.9-2.1-32.00.00 ИМ-55 3.300.9-2.1-32.10.00 Стойка СМ-3 3.300.9-2.1-32.20.00 Элемент решетки ЭР-2 3.300.9-2.1-32.00.01 М-1,М-2 3.300.9-2.1-32.00.02 М-3 3.300.9-2.1-33.00.00 ИМ-56 3.300.9-2.1-33.10.00 Элемент решетки ЭР-3 3.300.9-2.1-33.20.00 Элемент решетки ЭР-4 3.300.9-2.1-34.00.00 ИМ-57 3.300.9-2.1-34.10.00 Элемент решетки ЭР-5 3.300.9-2.1-35.00.00 ИМ-58 3.300.9-2.1-36.00.00 ИМ-59 3.300.9-2.1-36.10.00 Элемент решетки ЭР-6 3.300.9-2.1-36.20.00 Элемент решетки ЭР-7 3.300.9-2.1-36.30.00 Элемент решетки ЭР-8 3.300.9-2.1-37.00.00 ИМ-60 3.300.9-2.1-38.00.00 ИМ-61 3.300.9-2.1-39.00.00 ИМ-62 3.300.9-2.1-40.00.00 ИМ-63 3.300.9-2.1-41.00.00 ИМ-64 3.300.9-2.1-42.00.00 ИМ-65 3.300.9-2.1-42.10.00 Опорная рама ОР-1 3.300.9-2.1-43.00.00 ИМ-66 3.300.9-2.1-43.10.00 Элемент решетки ЭР-9 3.300.9-2.1-43.20.00 Элемент решетки ЭР-10 3.300.9-2.1-43.30.00 Элемент решетки ЭР-11 3.300.9-2.1-43.40.00 Элемент решетки ЭР-12 3.300.9-2.1-44.00.00 ИМ-67 3.300.9-2.1-45.00.00 ИМ-68 3.300.9-2.1-46.00.00 ИМ-69 3.300.9-2.1-47.00.00 ИМ-70 3.300.9-2.1-48.00.00 ИМ-71 3.300.9-2.1-49.00.00 ИМ-72,ИМ-73 3.300.9-2.1-50.00.00 ИМ-74,ИМ-75,ИМ-76 3.300.9-2.1-51.00.00 ИМ-77 3.300.9-2.1-52.00.00 ИМ-78,ИМ-79 3.300.9-2.1-53.00.00 ИМ-80 3.300.9-2.1-54.00.00 ИМ-81,ИМ-82 3.300.9-2.1-55.00.00 ИМ-83 3.300.9-2.1-56.00.00 ИМ-84,ИМ-85 3.300.9-2.1-57.00.00 ИМ-86 3.300.9-2.1-58.00.00 Полукольцо ПК-1,ПК-2 3.300.9-2.1-58.10.00 Сетка С-1,С-2 3.300.9-2.1-58.20.00 МН-1 3.300.9-2.1-58.30.00 МН-2 3.300.9-2.1-58.40.00 МН-3 3.300.9-2.1-58.00.01 Петля П-1 3.300.9-2.1-59.00.00 Полукольцо ПК-3 3.300.9-2.1-59.10.00 С-3 3.300.9-2.1-59.20.00 МН-4 3.300.9-2.1-60.00.00 Фундаменты Ф-1,Ф-2 3.300.9-2.1-60.10.00 МН-5 3.300.9-2.1-60.20.00 МН-6 3.300.9-2.1-61.00.00 Элемент ограждения ЭО-1 3.300.9-2.1-62.00.00 Бетонная чаша БЧ-1 3.300.9-2.1-61.00.00 СБ Элемент ограждения ЭО-1. Сборочный чертеж 3.300.9-2.1-61.10.00 Каркас плоский К-1,К-2 3.300.9-2.1-61.20.00 Каркас плоский К-3 3.300.9-2.1-61.30.00 МН-7. Изделие закладное 3.300.9-2.1-62.00.00 СБ Бетонная чаша БЧ-1. Сборочный чертеж 3.300.9-2.1-62.10.00 МН-8. Изделие закладное 3.300.9-2.1-62.20.00 МН-9. Изделие закладное 3.300.9-2.1-63.00.00 Бетонная чаша БЧ-2 3.300.9-2.1-64.00.00 Бетонная чаша БЧ-3 3.300.9-2.1-63.00.00 СБ Бетонная чаша БЧ-2. Сборочный чертеж 3.300.9-2.1-64.00.00 СБ Бетонная чаша БЧ-3. Сборочный чертеж 3.300.9-2.1-65.00.00 Бетонная чаша БЧ-4 3.300.9-2.1-66.00.00 Бетонная чаша БЧ-5 3.300.9-2.1-65.00.00 СБ Бетонная чаша БЧ-4. Сборочный чертеж 3.300.9-2.1-66.00.00 СБ Бетонная чаша БЧ-5. Сборочный чертеж 3.300.9-2.1-66.00.03 МС-1,МС-2. Изделия соединительные 3.300.9-2.1-67.00.00 ИД-1 3.300.9-2.1-67.10.00 Каркас деревянный КД-1 3.300.9-2.1-67.20.00 Каркас деревянный КД-2 3.300.9-2.1-67.30.00 Связь металлическая СМ-1 3.300.9-2.1-68.00.00 ИД-2 3.300.9-2.1-68.10.00 Каркас деревянный КД-4 3.300.9-2.1-68.20.00 Связь металлическая СМ-2 3.300.9-2.1-69.00.00 ИД-3 3.300.9-2.1-69.10.00 Каркас деревянный КД-3 3.300.9-2.1-70.00.00 ИД-4. Сборочный чертеж 3.300.9-2.1-70.00.01 Позиции 1...6 3.300.9-2.1-70.00.02 Позиция 7 3.300.9-2.1-70.00.03 Позиция 8 3.300.9-2.1-71.00.00 ИД-5 3.300.9-2.1-71.00.01 Позиции 1...4 3.300.9-2.1-72.00.02 Позиции 5...11 3.300.9-2.1-72.00.00 ИД-6 3.300.9-2.1-72.00.04 Позиция 4 3.300.9-2.1-72.00.05 Позиция 5 3.300.9-2.1-73.00.00 ИД-7 3.300.9-2.1-73.00.01 Позиции 1,2 3.300.9-2.1-73.00.03 Позиция 4 3.300.9-2.1-74.00.00 ИД-8 3.300.9-2.1-75.00.00 ИД-9 3.300.9-2.1-76.00.00 ИД-10 3.300.9-2.1-77.00.00 ИД-11 3.300.9-2.1-77.10.00 ЭД-1 3.300.9-2.1-77.20.00 ЭД-2 3.300.9-2.1-78.00.00 ИД-12 3.300.9-2.1-78.10.00 ЭД-3 3.300.9-2.1-78.00.01 ЭД-4 3.300.9-2.1-79.00.00 ИД-13 3.300.9-2.1-79.10.00 ЭД-5 3.300.9-2.1-79.10.10 Накладка НМ-1 3.300.9-2.1-01.00.00 РМ Ведомость расхода материалов 3.300.9-2.1-01.00.00 РС Ведомость расхода стали |
| Разработан: | ТашЗНИИЭП Госгражданстроя |
| Утверждён: | 24.05.1985 Госгражданстрой (Gosgrazhdanstroy 164) |













































































































































