Скачать Серия 1.020.1-2с/89 Выпуск 3-2. Ригели для опирания ребристых плит перекрытий высотой 300 мм и плит типа ТТ. Рабочие чертежи

Дата актуализации: 01.01.2021

Серия 1.020.1-2с/89

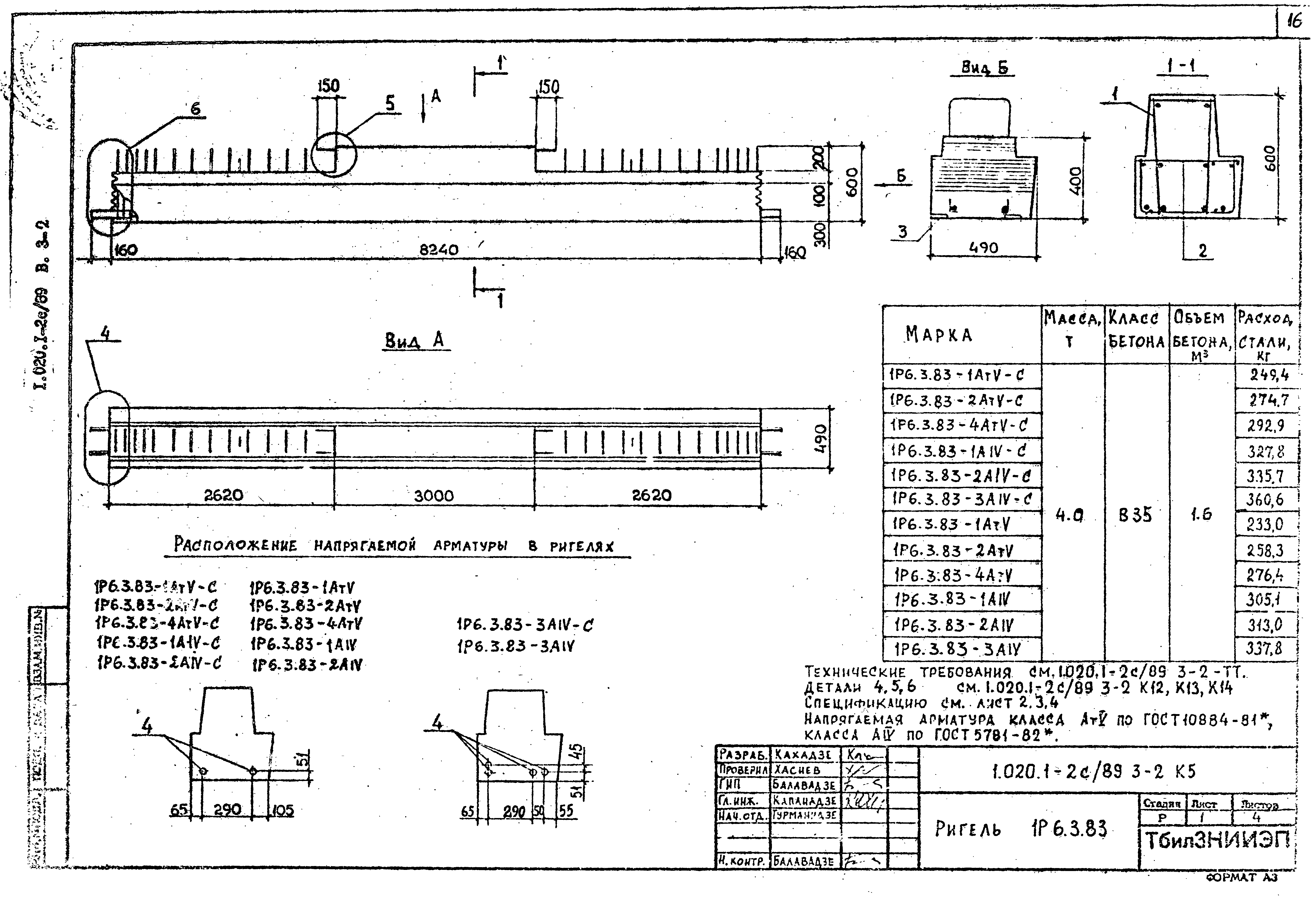
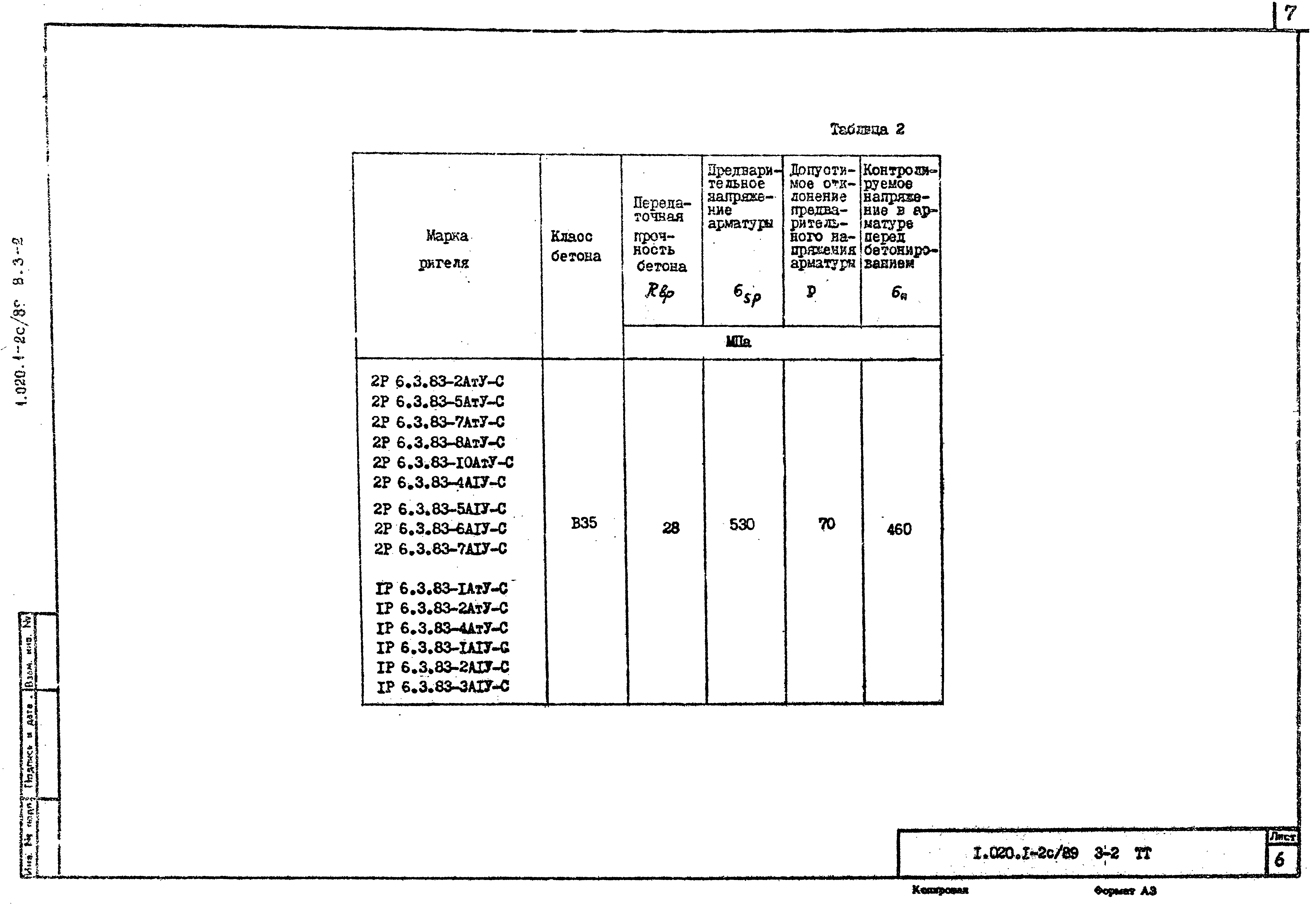
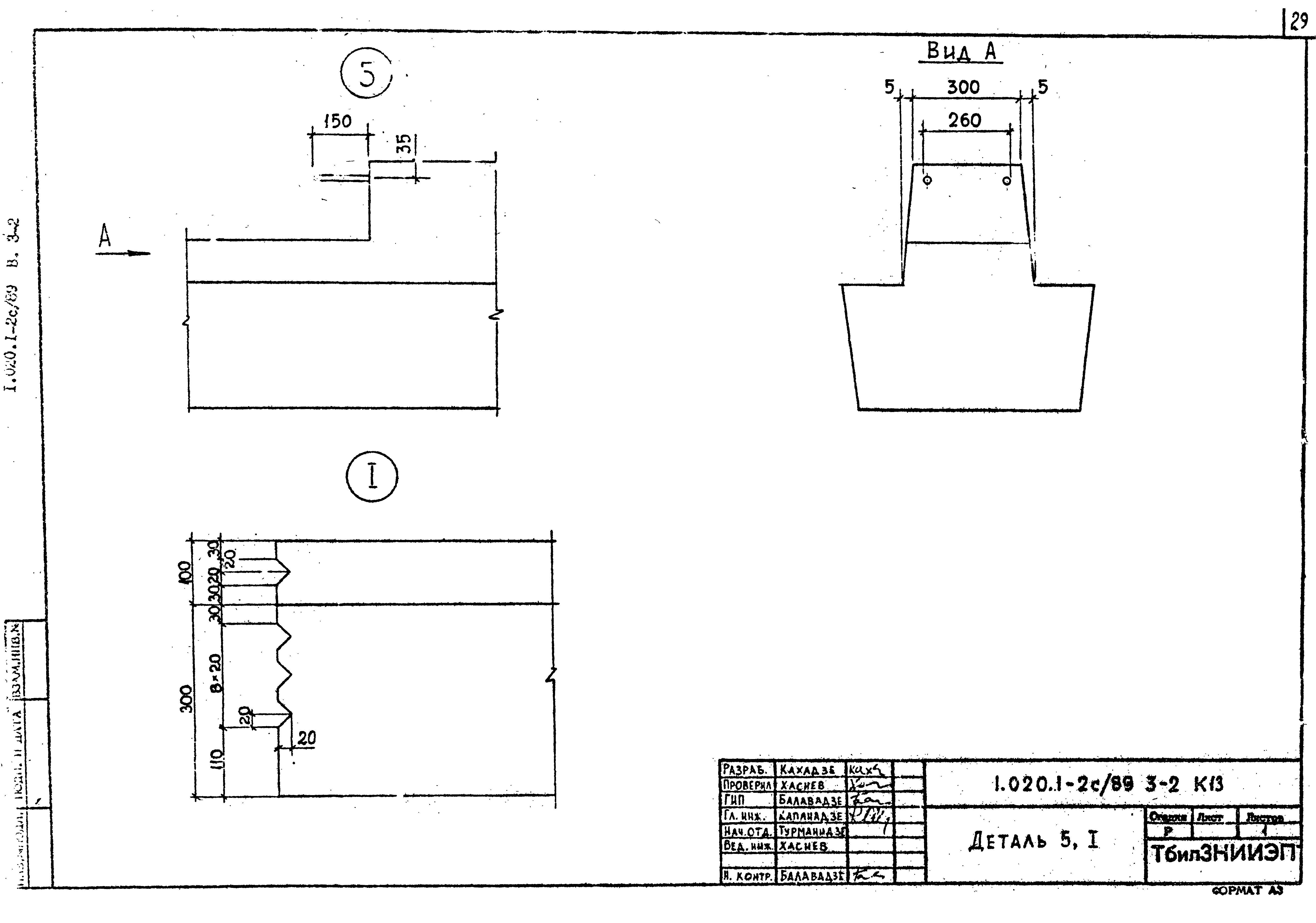
Выпуск 3-2. Ригели для опирания ребристых плит перекрытий высотой 300 мм и плит типа "ТТ". Рабочие чертежи

Обозначение: Серия 1.020.1-2с/89
Обозначение англ: Series 1.020.1-2с/89
Статус:не определен законодательством
Название рус.:Выпуск 3-2. Ригели для опирания ребристых плит перекрытий высотой 300 мм и плит типа "ТТ". Рабочие чертежи
Дата добавления в базу:01.09.2013
Дата актуализации:01.01.2021
Дата введения:01.07.1990
Дата окончания срока действия:30.06.2003
Разработан: НИИЖБ Госстроя СССР
ТбилЗНИИЭП
Утверждён:25.12.1989 Госкомархитектура (244)
Принят: ЦНИИСК им.Кучеренко (Kucherenko TsNIISK )
Заменяет собой:
  • Серия 1.020.1-2с
Серия 1.020.1-2с/89Серия 1.020.1-2с/89Серия 1.020.1-2с/89Серия 1.020.1-2с/89Серия 1.020.1-2с/89Серия 1.020.1-2с/89Серия 1.020.1-2с/89Серия 1.020.1-2с/89Серия 1.020.1-2с/89Серия 1.020.1-2с/89Серия 1.020.1-2с/89Серия 1.020.1-2с/89Серия 1.020.1-2с/89Серия 1.020.1-2с/89Серия 1.020.1-2с/89Серия 1.020.1-2с/89Серия 1.020.1-2с/89Серия 1.020.1-2с/89Серия 1.020.1-2с/89Серия 1.020.1-2с/89Серия 1.020.1-2с/89Серия 1.020.1-2с/89Серия 1.020.1-2с/89Серия 1.020.1-2с/89Серия 1.020.1-2с/89Серия 1.020.1-2с/89Серия 1.020.1-2с/89Серия 1.020.1-2с/89Серия 1.020.1-2с/89Серия 1.020.1-2с/89Серия 1.020.1-2с/89Серия 1.020.1-2с/89Серия 1.020.1-2с/89Серия 1.020.1-2с/89Серия 1.020.1-2с/89Серия 1.020.1-2с/89Серия 1.020.1-2с/89