Скачать Серия 1.034.1-1 Выпуск 4. Вентиляционные крышные блоки с отверстиями диаметром 159 мм. Рабочие чертежиДата актуализации: 01.01.2021
|
| Обозначение: | Серия 1.034.1-1 |
| Обозначение англ: | Series 1.034.1-1 |
| Статус: | не действует |
| Название рус.: | Выпуск 4. Вентиляционные крышные блоки с отверстиями диаметром 159 мм. Рабочие чертежи |
| Дата добавления в базу: | 01.09.2013 |
| Дата актуализации: | 01.01.2021 |
| Дата введения: | 01.12.1985 |
| Дата окончания срока действия: | 01.12.1990 |
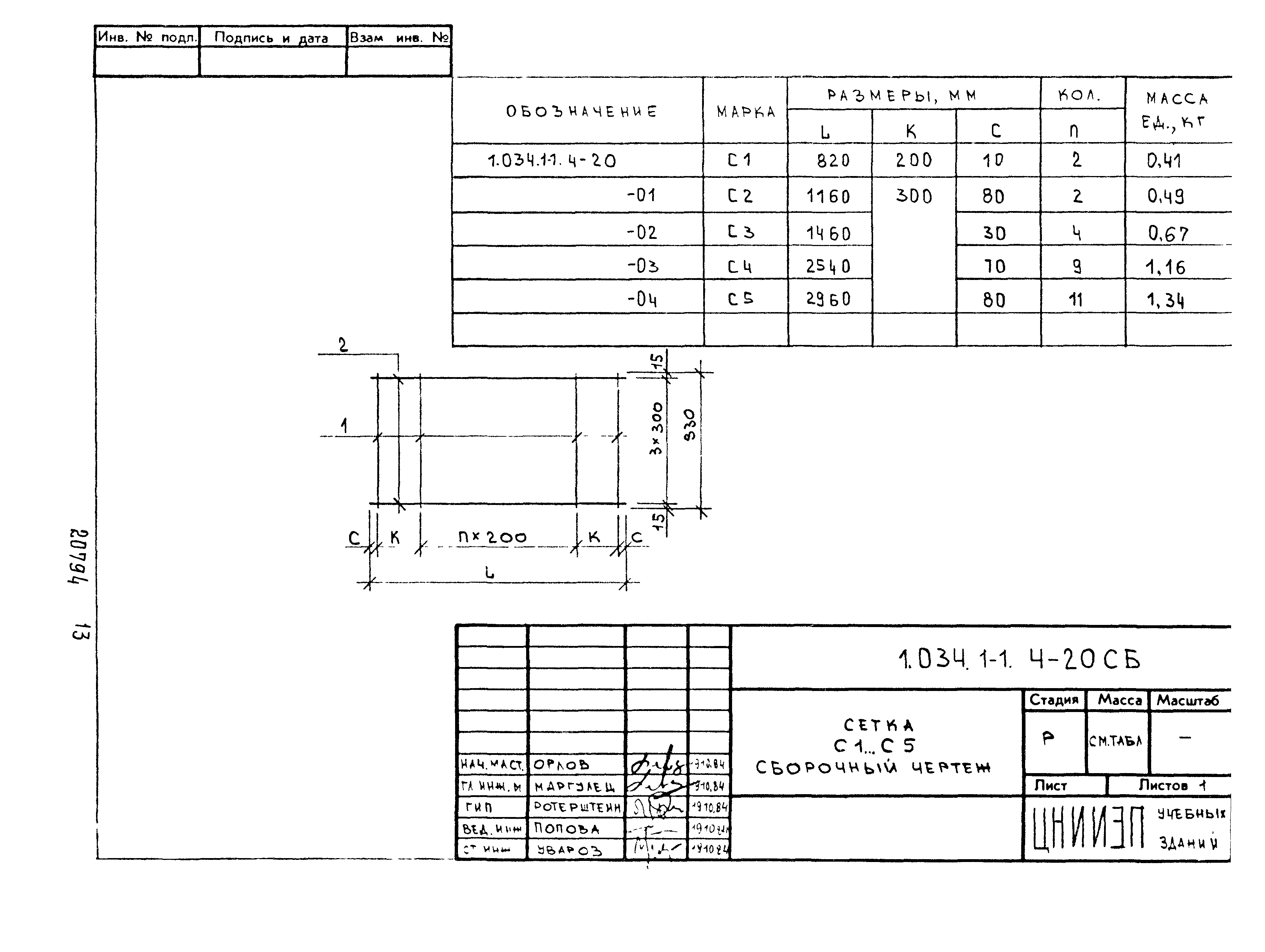
| Оглавление: | 1.034.1-1.4-ПЗ Пояснительная записка 1.034.1-1.4-100 Вентблок крышный 1.034.1-1.4-100СБ Вентблок крышный. Сборочный чертеж 1.034.1-1.4-10 Каркас объемный ОК1…ОК6 1.034.1-1.4-10СБ Каркас объемный ОК1…ОК6. Сборочный чертеж 1.034.1-1.4-20 Сетка С1…С5 1.034.1-1.4-20СБ Сетка С1…С5. Сборочный чертеж 1.034.1-1.4-30 Петля строповочная П1…П3 1.034.1-1.4-30СБ Петля строповочная П1…П3. Сборочный чертеж 1.034.1-1.4-У1 Узел 1…7 1.034.1-1.4-ВМС Ведомость расхода стали 1.034.1-1.4-РМ Ведомость расхода материалов 1.034.1-1.4-У2 Узел "А", "Б", "В", "Г" |
| Разработан: | ЦНИИЭП торгово-бытовых зданий и туристских комплексов ЦНИИЭП учебных зданий Госгражданстроя |
| Утверждён: | 26.09.1985 Госгражданстрой (Gosgrazhdanstroy 287) |
| Издан: | ЦИТП Госстроя СССР (CITP, Gosstroy (USSR) 1986 г. ) |
| Чем заменён: |






























