Скачать Серия 1.420-35.95 Выпуск 2-2. Ригели железобетонные пролетом 9,0 м с полками для опирания плит. Армирование и пространственные каркасы. Рабочие чертежиДата актуализации: 01.01.2021
|
| Обозначение: | Серия 1.420-35.95 |
| Обозначение англ: | Series 1.420-35.95 |
| Статус: | не определен законодательством |
| Название рус.: | Выпуск 2-2. Ригели железобетонные пролетом 9,0 м с полками для опирания плит. Армирование и пространственные каркасы. Рабочие чертежи |
| Дата добавления в базу: | 01.09.2013 |
| Дата актуализации: | 01.01.2021 |
| Дата введения: | 01.03.1998 |
| Дата окончания срока действия: | 30.06.2003 |
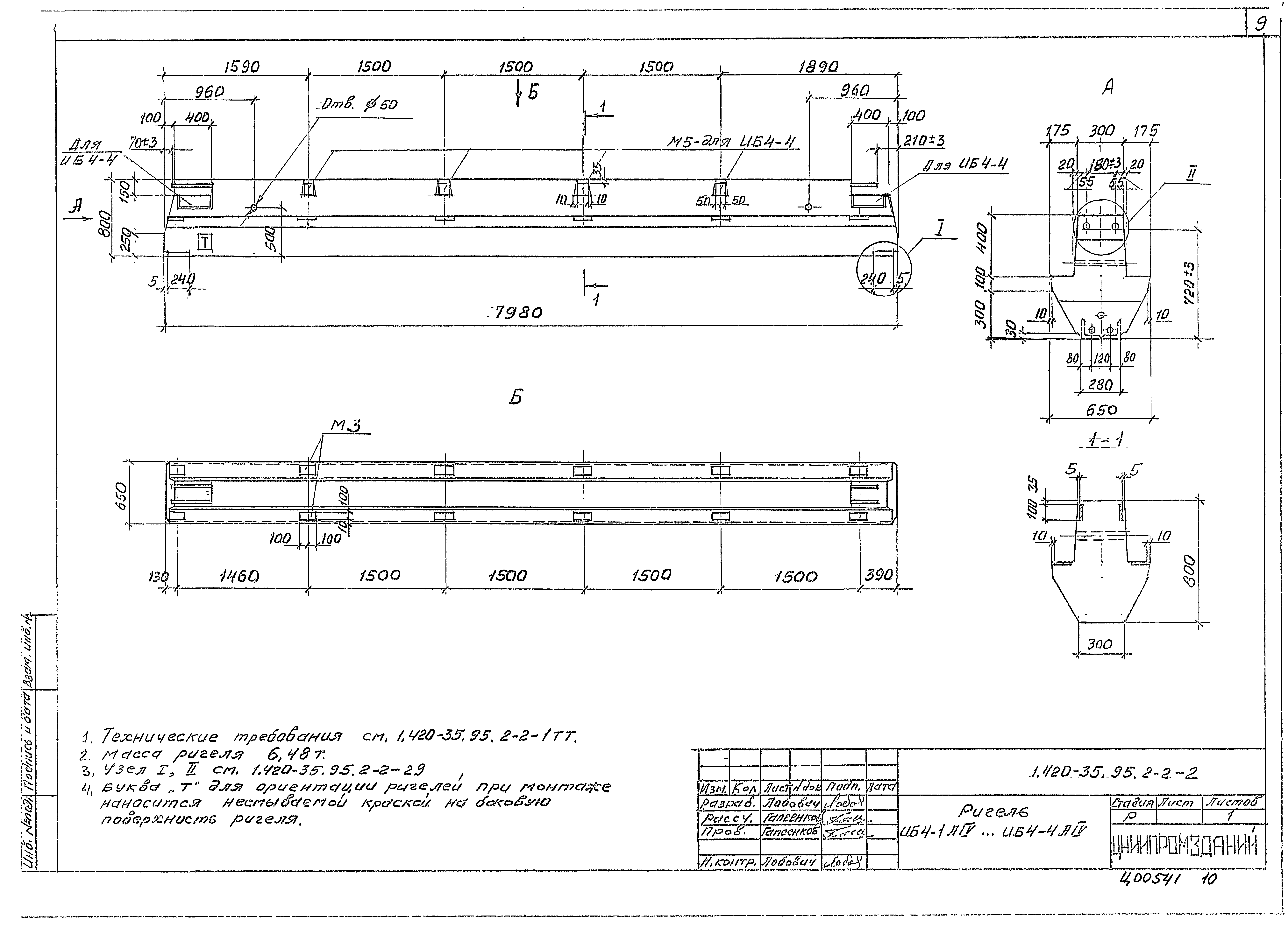
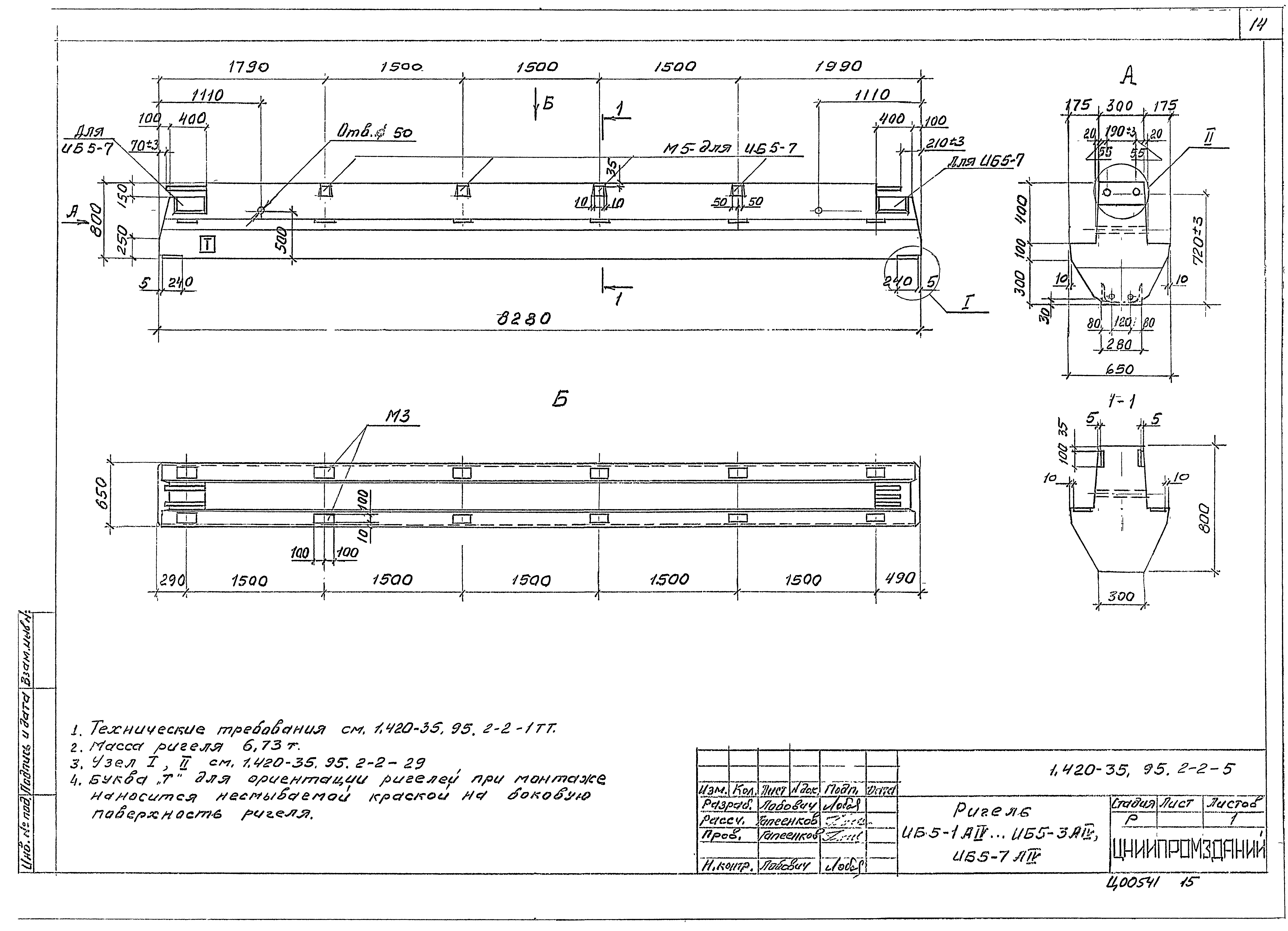
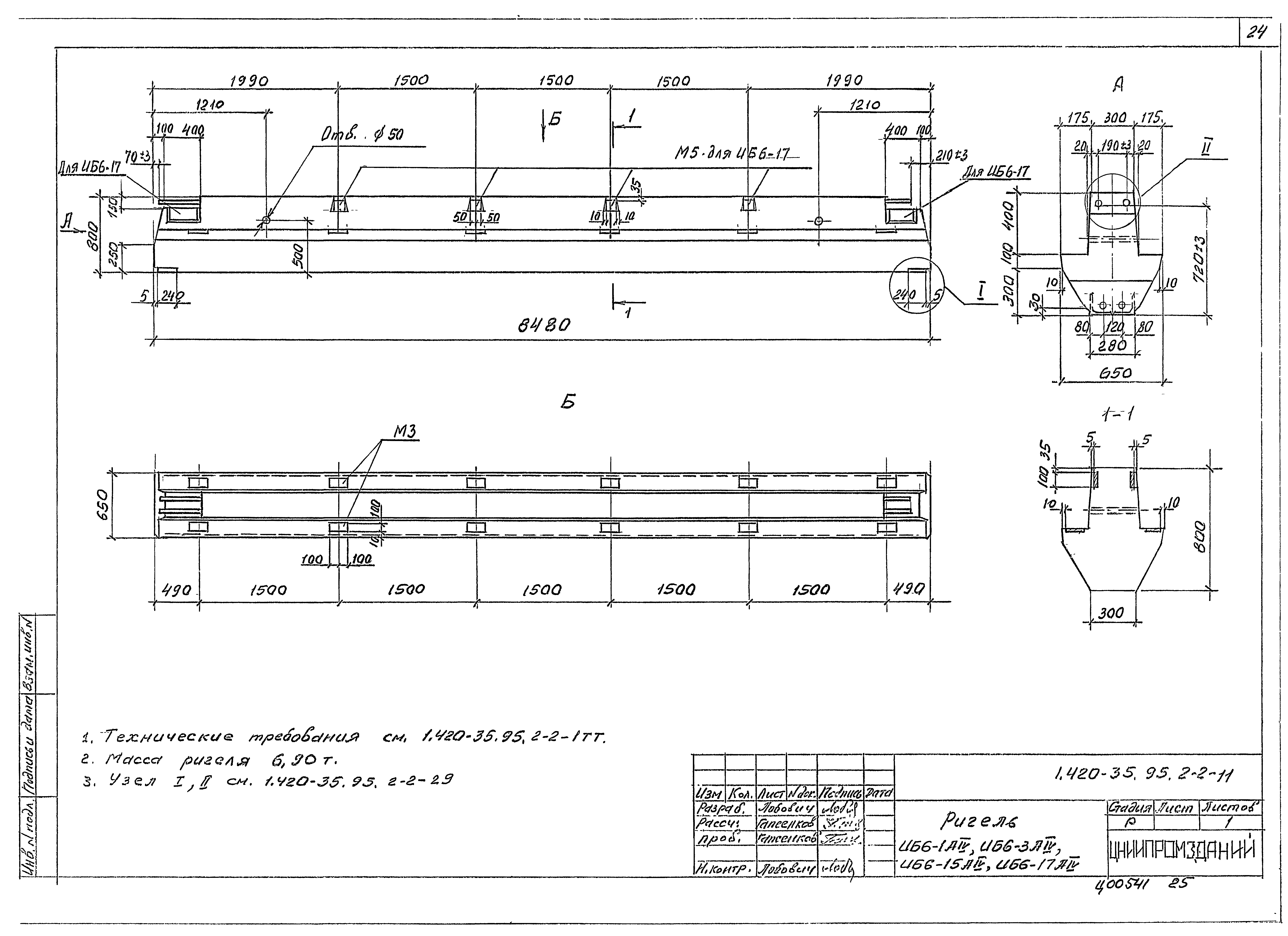
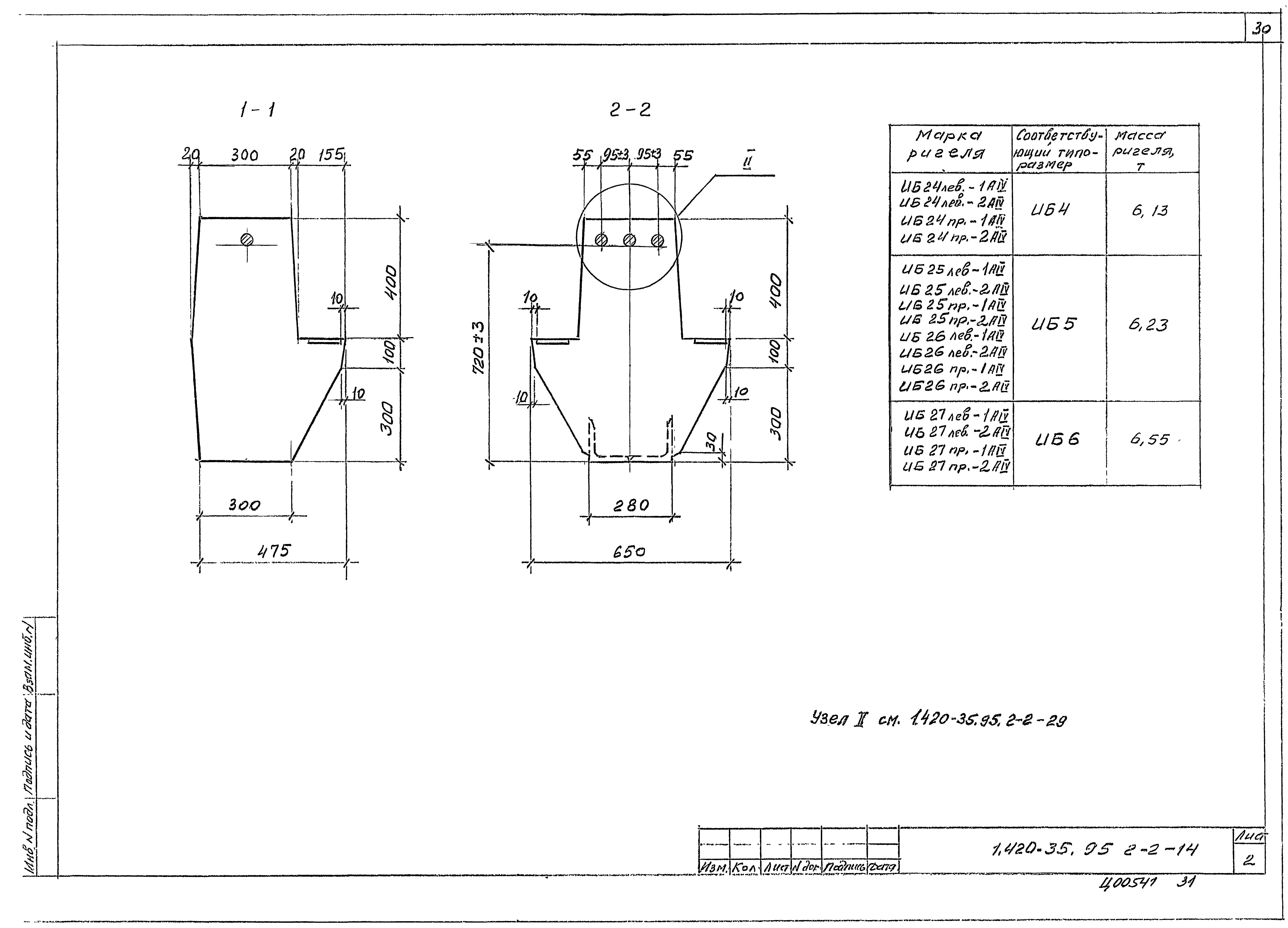
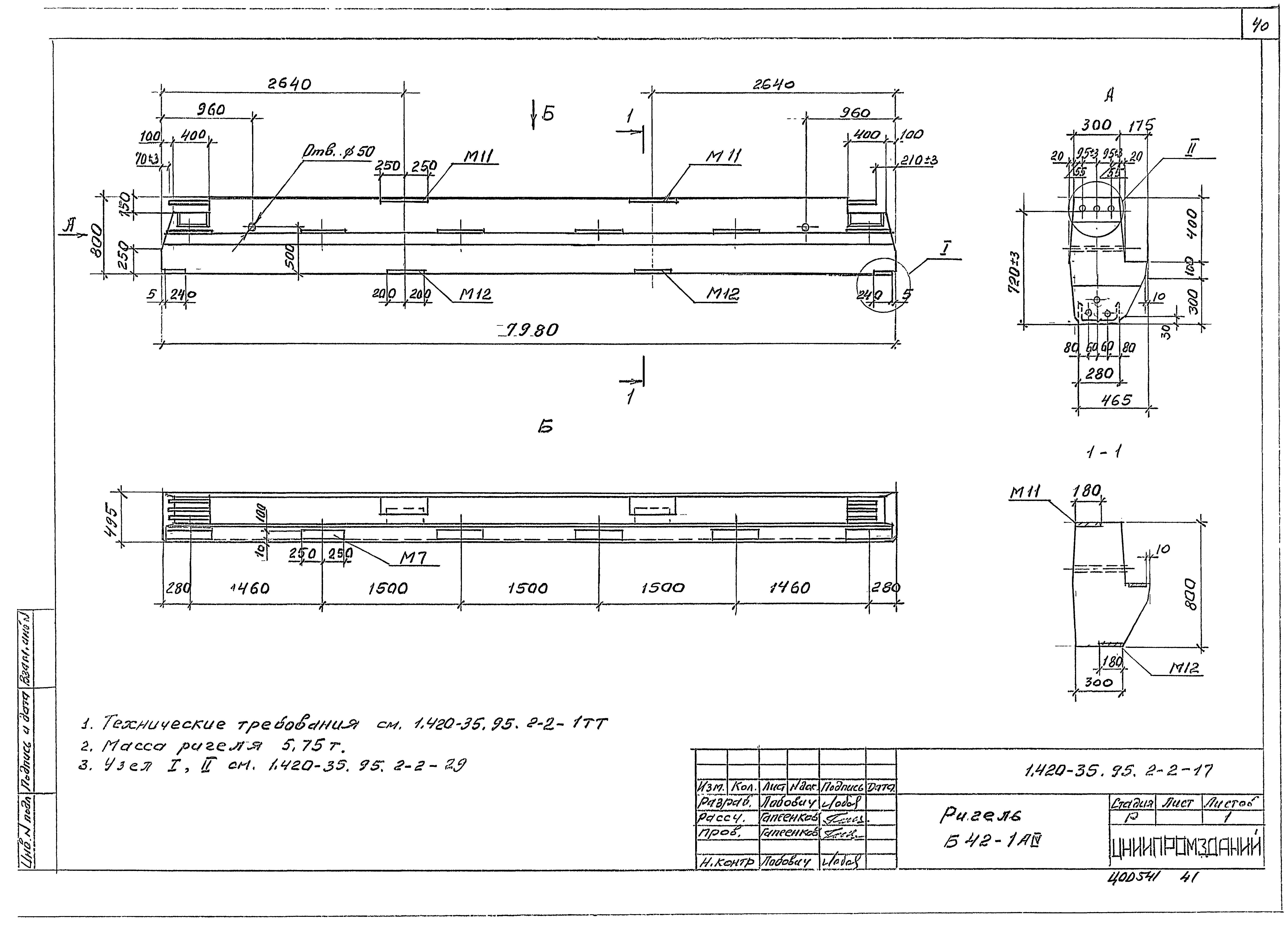
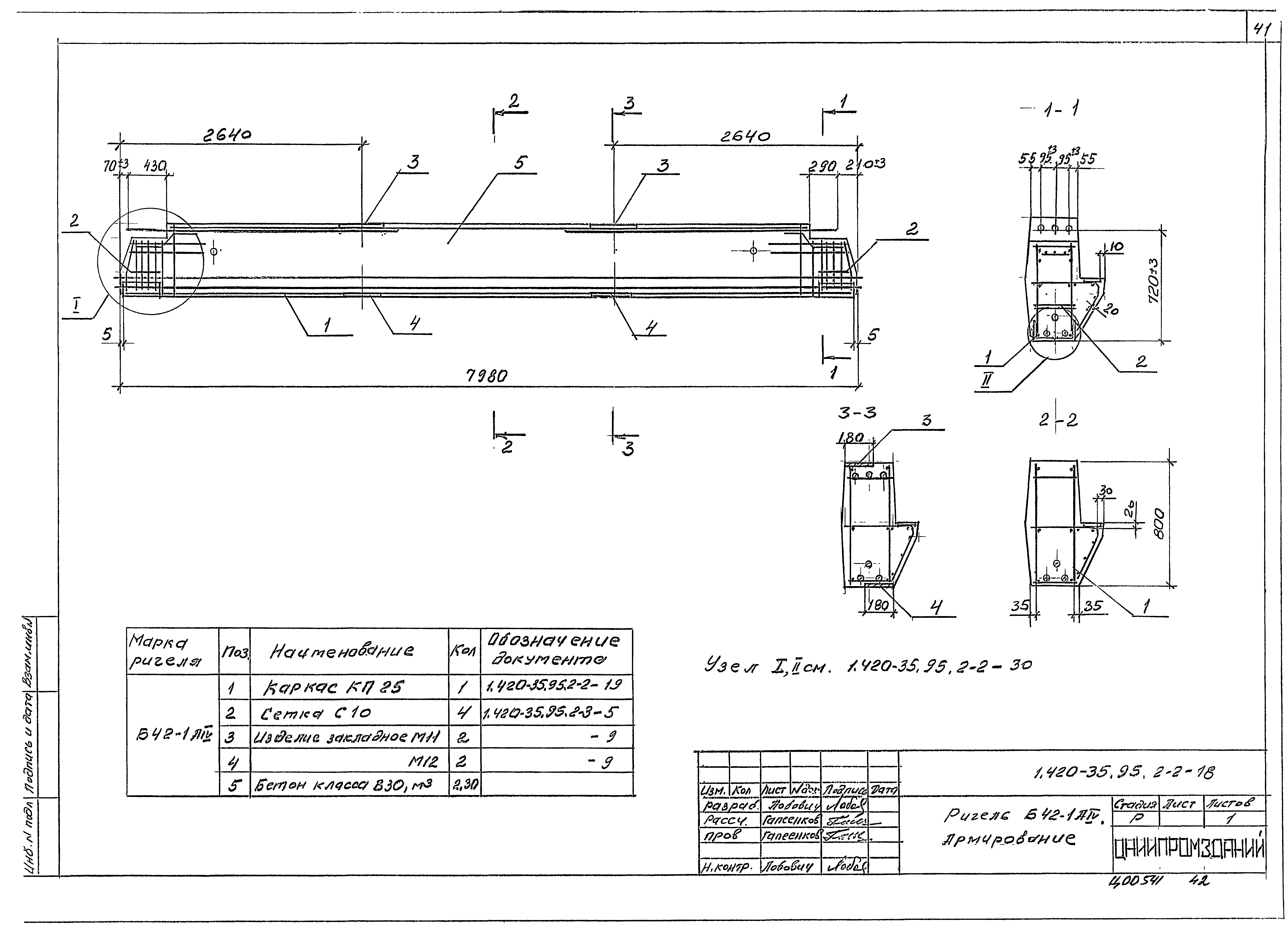
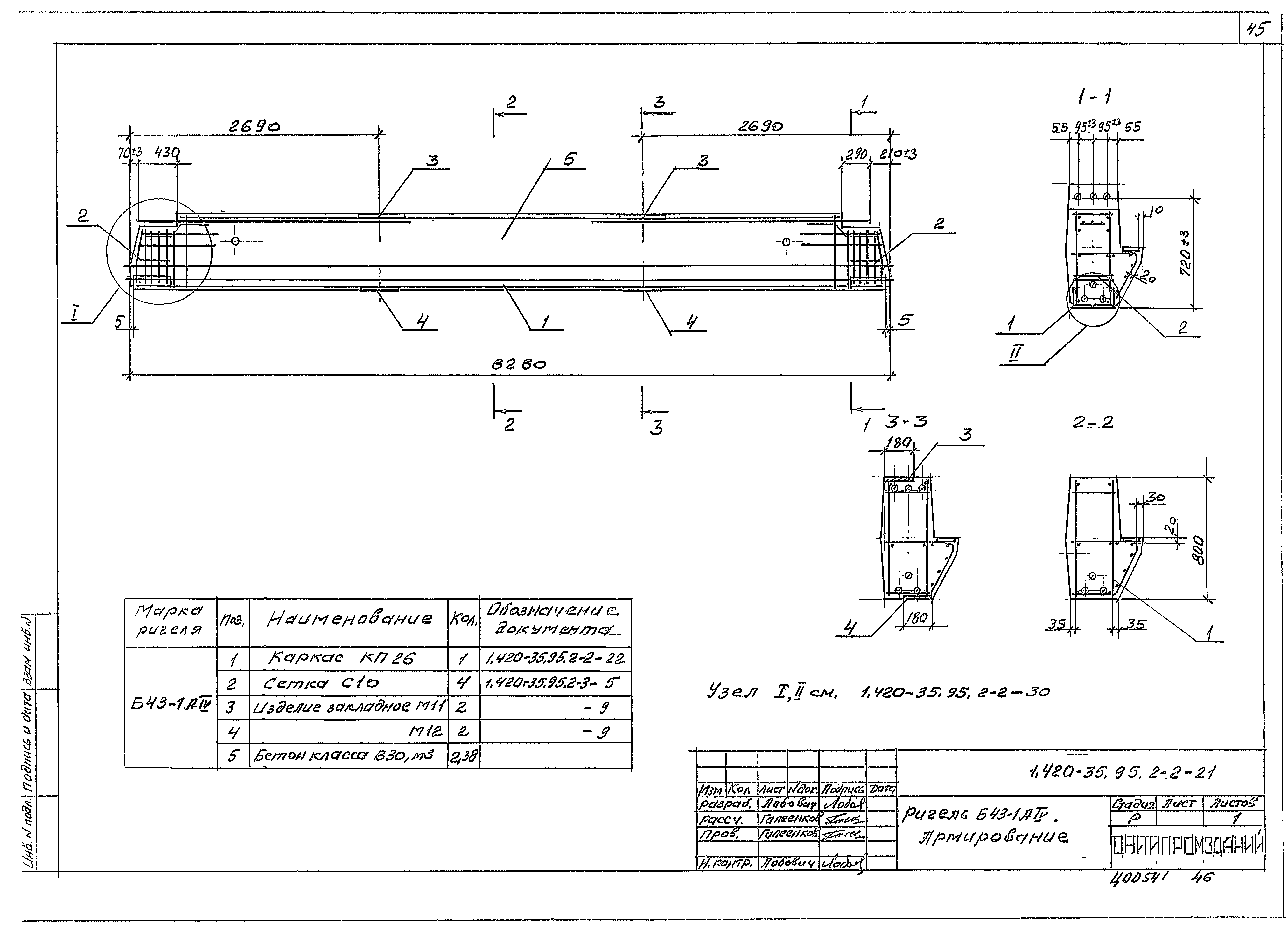
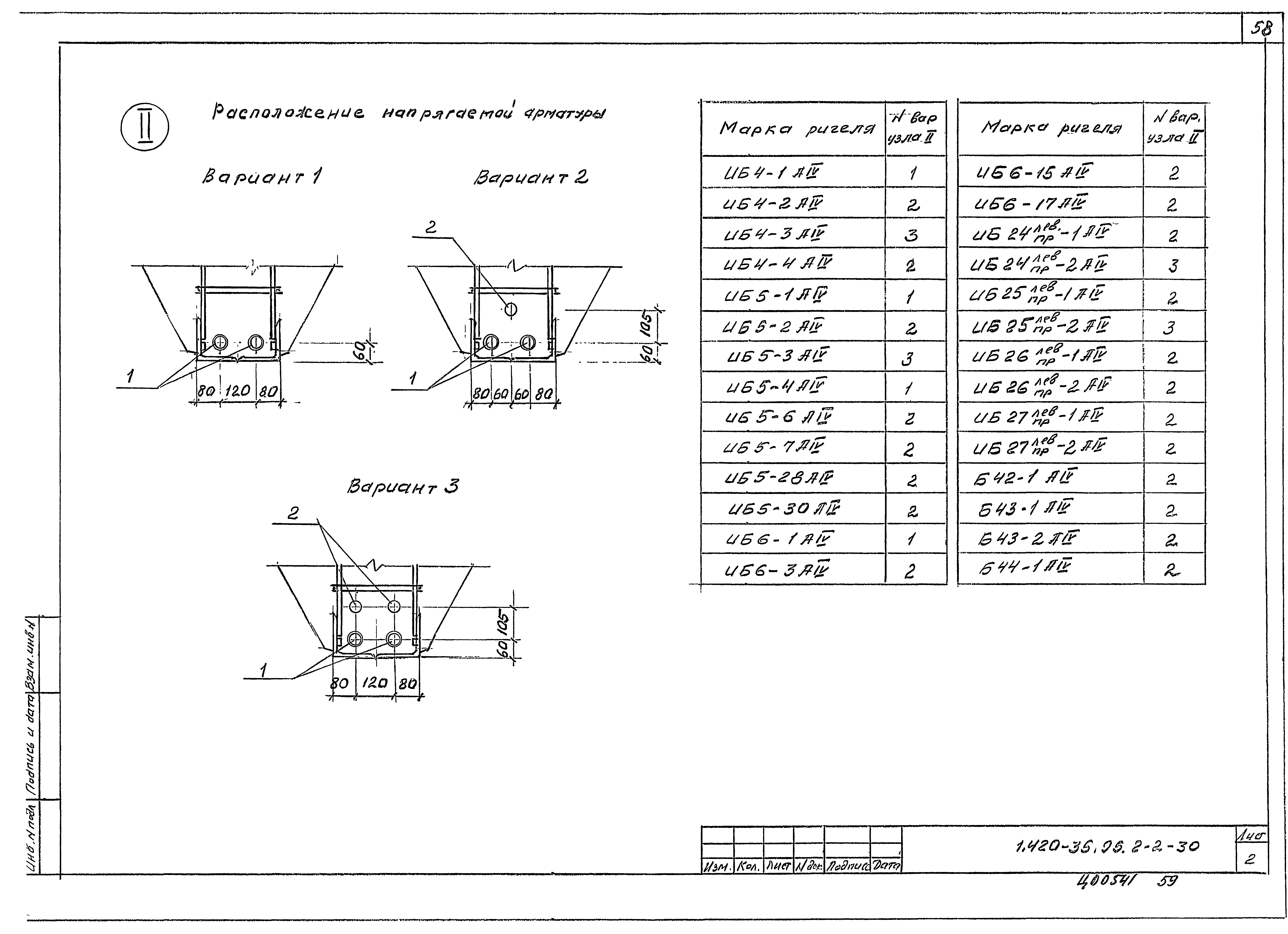
| Оглавление: | 1.420-35.95.2-2-1ТТ Технические требования 1.420-35.95.2-2-2 Ригель ИБ4-1АIV…ИБ4-4АIV 1.420-35.95.2-2-3 Ригель ИБ4-1АIV…ИБ4-4АIV. Армирование 1.420-35.95.2-2-4 Каркас пространственный КП1…КП4 1.420-35.95.2-2-5 Ригель ИБ5-1АIV…ИБ5-3АIV, ИБ5-7АIV 1.420-35.95.2-2-6 Ригель ИБ5-1АIV…ИБ5-3АIV, ИБ5-7АIV. Армирование 1.420-35.95.2-2-7 Каркас пространственный КП5…КП8 1.420-35.95.2-2-8 Ригель ИБ5-4АIV, ИБ5-6АIV, ИБ5-28АIV, ИБ5-30АIV 1.420-35.95.2-2-9 Ригель ИБ5-4АIV, ИБ5-6АIV, ИБ5-28АIV, ИБ5-30АIV. Армирование 1.420-35.95.2-2-10 Каркас пространственный КП9…КП12 1.420-35.95.2-2-11 Ригель ИБ6-1АIV, ИБ6-3АIV, ИБ6-15АIV, ИБ6-17АIV 1.420-35.95.2-2-12 Ригель ИБ6-1АIV, ИБ6-3АIV, ИБ6-15АIV, ИБ6-17АIV. Армирование 1.420-35.95.2-2-13 Каркас пространственный КП13…КП16 1.420-35.95.2-2-14 Ригель ИБ24пр(в степени лев)-1АIV…ИБ27пр(в степени лев)-1АIV, ИБ24пр(в степени лев)-2АIV…ИБ27пр(в степени лев)-2АIV 1.420-35.95.2-2-15 Ригель ИБ24пр(в степени лев)-1АIV…ИБ27пр(в степени лев)-1АIV, ИБ24пр(в степени лев)-2АIV…ИБ27пр(в степени лев)-2АIV. Армирование 1.420-35.95.2-2-16 Каркас пространственный КП17лев…КП24лев; КП17пр…КП24пр 1.420-35.95.2-2-17 Ригель Б42-1АIV 1.420-35.95.2-2-18 Ригель Б42-1АIV. Армирование 1.420-35.95.2-2-19 Каркас пространственный КП25 1.420-35.95.2-2-20 Ригель Б43-1АIV 1.420-35.95.2-2-21 Ригель Б43-1АIV. Армирование 1.420-35.95.2-2-22 Каркас пространственный КП26 1.420-35.95.2-2-23 Ригель Б43-2АIV 1.420-35.95.2-2-24 Ригель Б43-2АIV. Армирование 1.420-35.95.2-2-25 Каркас пространственный КП27 1.420-35.95.2-2-26 Ригель Б44-1АIV 1.420-35.95.2-2-27 Ригель Б44-1АIV. Армирование 1.420-35.95.2-2-28 Каркас пространственный КП28 1.420-35.95.2-2-29 Узел 1,2. Опалубочный 1.420-35.95.2-2-30 Узел 1,2. Армированная. Пример установки закладного изделия М3. Расположение напрягаемой арматуры 1.420-35.95.2-2-31 Узел 1,2. пространственных каркасов 1.420-35.95.2-2-32РС Ведомость расхода стали, кг 1.420-35.95.2-2-33СМ Справочный материал |
| Разработан: | АО ЦНИИпромзданий |
| Утверждён: | 09.12.1997 Департамент развития научно-технической политики и проектно-изыскательских работ Госстроя России (Department of Technical Research Policy and Design and Survey Operations, Russian Federation Gosstroy 9-1-1/160) |
| Заменяет собой: |

































































