Скачать Серия 1.030.1-1 Выпуск 0-1. Материалы для проектирования стен многоэтажных зданий с высотами этажей 2,8; (3,0); 3,3; 3,6 и 4, 2 м. Рабочие чертежиДата актуализации: 01.01.2021
|
| Обозначение: | Серия 1.030.1-1 |
| Обозначение англ: | Series 1.030.1-1 |
| Статус: | заменен |
| Название рус.: | Выпуск 0-1. Материалы для проектирования стен многоэтажных зданий с высотами этажей 2,8; (3,0); 3,3; 3,6 и 4, 2 м. Рабочие чертежи |
| Дата добавления в базу: | 01.09.2013 |
| Дата актуализации: | 01.01.2021 |
| Дата введения: | 15.10.1984 |
| Дата окончания срока действия: | 17.03.1989 |
| Область применения: | В настоящем документе даны рекомендации по применению изделий серии для районов с сейсмичностью до 6 баллов |
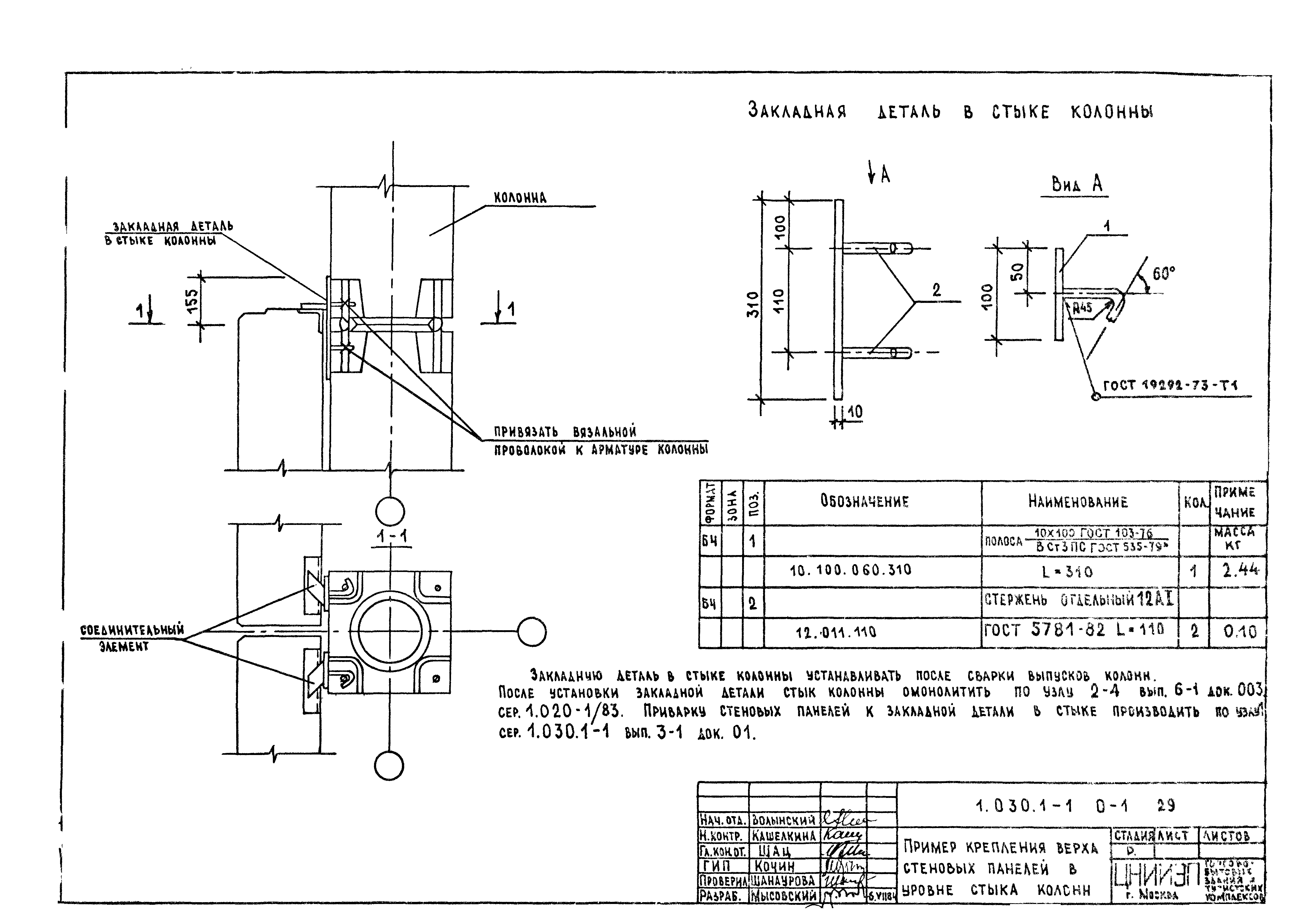
| Оглавление: | 1.030.1-1.0-1 01ПЗ Указания по применению изделий 1.030.1-1.0-1 02ПЗ Указания по расчету панелей 1.030.1-1.0-1 03ПЗ Дополнительные рекомендации по применению изделий в районах с сейсмичностью 7, 8 и 9 баллов 1.030.1-1.0-1 01 Схемы расположения закладных изделий в панелях марок ПС 30… 1.030.1-1.0-1 02 Спецификация закладных изделий на панели марок ПС 30… 1.030.1-1.0-1 03 Схемы расположения закладных изделий в панелях марок ПС 60… 1.030.1-1.0-1 04 Спецификация закладных изделий на панели марок ПС 60… 1.030.1-1.0-1 05 Схемы расположения закладных изделий в панелях марок ПС 72… 1.030.1-1.0-1 06 Спецификация закладных изделий на панели марок ПС 72… 1.030.1-1.0-1 07 Схемы расположения закладных изделий в панелях марок ПС 90… 1.030.1-1.0-1 08 Спецификация закладных изделий на панели марок ПС 90… 1.030.1-1.0-1 09 Схемы расположения закладных изделий в панелях марок 1ПС 27…, 1ПС 27,5… 1.030.1-1.0-1 10 Спецификация закладных изделий на панели марок 1ПС 27…, 1ПС 27,5… 1.030.1-1.0-1 11 Схемы расположения закладных изделий в панелях марок 1ПС 57…, 1ПС 57,5… 1.030.1-1.0-1 12 Спецификация закладных изделий на панели марок 1ПС 57…, 1ПС 57,5… 1.030.1-1.0-1 13 Схемы расположения закладных изделий в простеночных панелях марок 2ПС…, 4ПС… и в панелях для наружных углов зданий марок 3ПС… 1.030.1-1.0-1 14 Спецификация закладных изделий на панели марок 2ПС…, 3ПС …, 4ПС… 1.030.1-1.0-1 15 Узлы 1.030.1-1.0-1 16 Пример схемы расположения панелей самонесущих стен здания с шагом колонн 6,0 м 1.030.1-1.0-1 17 Пример схемы расположения панелей навесных стен здания с шагом колонн 6,0 м 1.030.1-1.0-1 18 Пример схемы расположения панелей навесных стен здания с шагом колонн 7,2 м 1.030.1-1.0-1 19 Пример схемы расположения панелей самонесущих стен здания с шагом колонн 9,0 м 1.030.1-1.0-1 20 Примеры схем расположения карнизных и подкарнизных панелей самонесущих стен 1.030.1-1.0-1 21 Примеры схем расположения карнизных и подкарнизных панелей навесных стен 1.030.1-1.0-1 22 Схемы расположения узлов крепления самонесущих стен 1.030.1-1.0-1 23 Схемы расположения узлов крепления навесных стен 1.030.1-1.0-1 24 Схемы расположения узлов крепления подкарнизных и карнизных панелей к колоннам 1.030.1-1.0-1 25 Решение нулевого цикла в зданиях с полами по грунту 1.030.1-1.0-1 26 Примеры схем расположения панелей нулевого цикла. Маркировка узлов 1.030.1-1.0-1 27 Схемы расположения узлов крепления навесных стен здания с карнизом для сейсмических районов 1.030.1-1.0-1 28 Схемы расположения узлов крепления навесных стен здания с парапетом для сейсмических районов 1.030.1-1.0-1 29 Пример крепления верха стеновых панелей в уровне стыка колонн |
| Разработан: | ЦНИИпромзданий ТбилЗНИИЭП КиевЗНИИЭП ЦНИИЭП торгово-бытовых зданий и туристских комплексов |
| Утверждён: | 09.08.1984 Госстрой СССР (Государственный комитет Совета Министров СССР по делам строительства) (USSR Gosstroy 132) |
| Заменяет собой: | |
| Чем заменён: | |
| Нормативные ссылки: |
|



























































