Скачать Серия 1.041.1-3 Выпуск 12. Плиты длиной 6850 мм для зданий с колоннами сечением 300х300 мм, армированные напрягаемой арматурой из стали классов А-IIIв, Ат-IVс и Ат-V, из тяжелого и легкого бетонов. Рабочие чертежиДата актуализации: 01.01.2021
|
| Обозначение: | Серия 1.041.1-3 |
| Обозначение англ: | Series 1.041.1-3 |
| Статус: | не определен законодательством |
| Название рус.: | Выпуск 12. Плиты длиной 6850 мм для зданий с колоннами сечением 300х300 мм, армированные напрягаемой арматурой из стали классов А-IIIв, Ат-IVс и Ат-V, из тяжелого и легкого бетонов. Рабочие чертежи |
| Дата добавления в базу: | 01.09.2013 |
| Дата актуализации: | 01.01.2021 |
| Дата введения: | 01.07.1991 |
| Дата окончания срока действия: | 30.06.2003 |
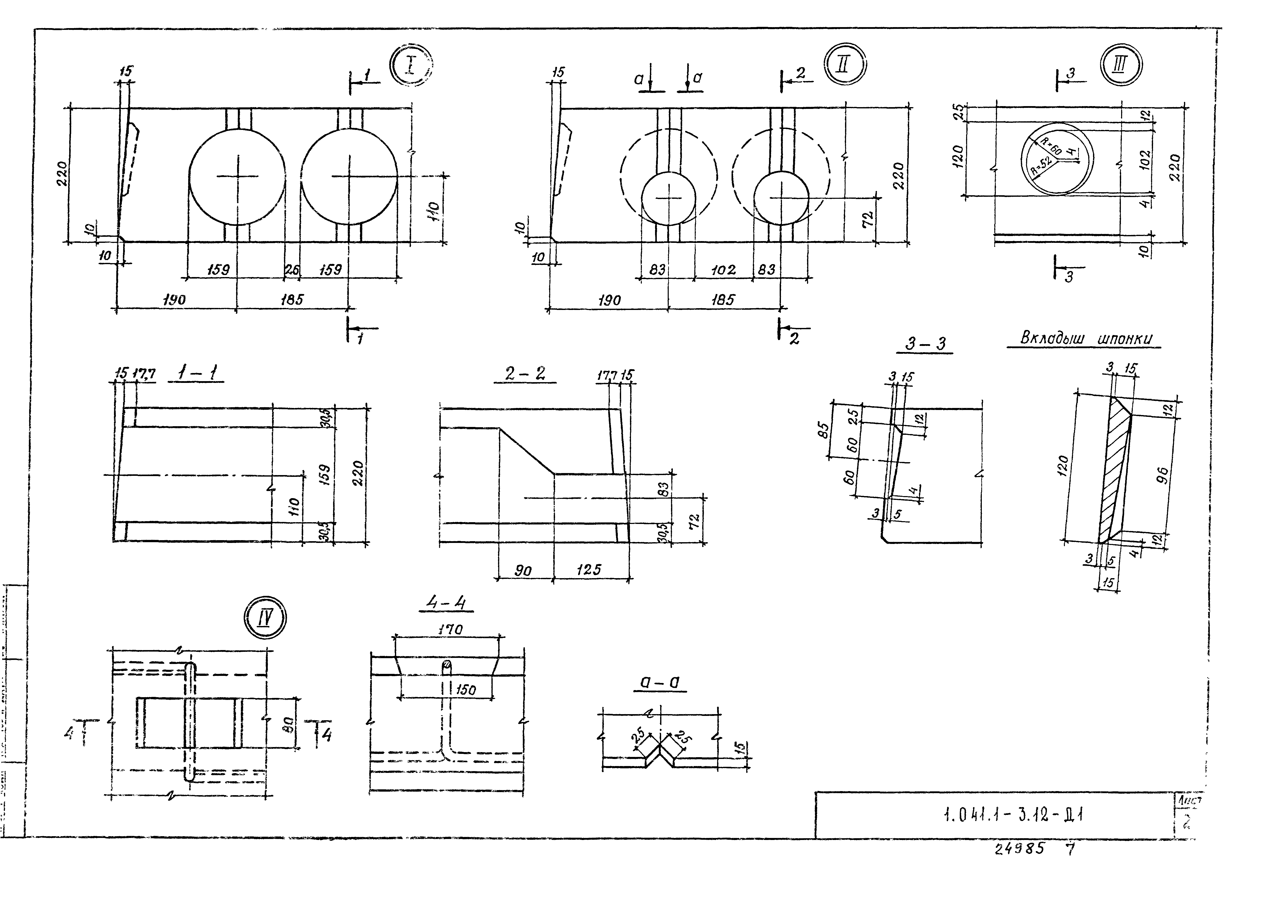
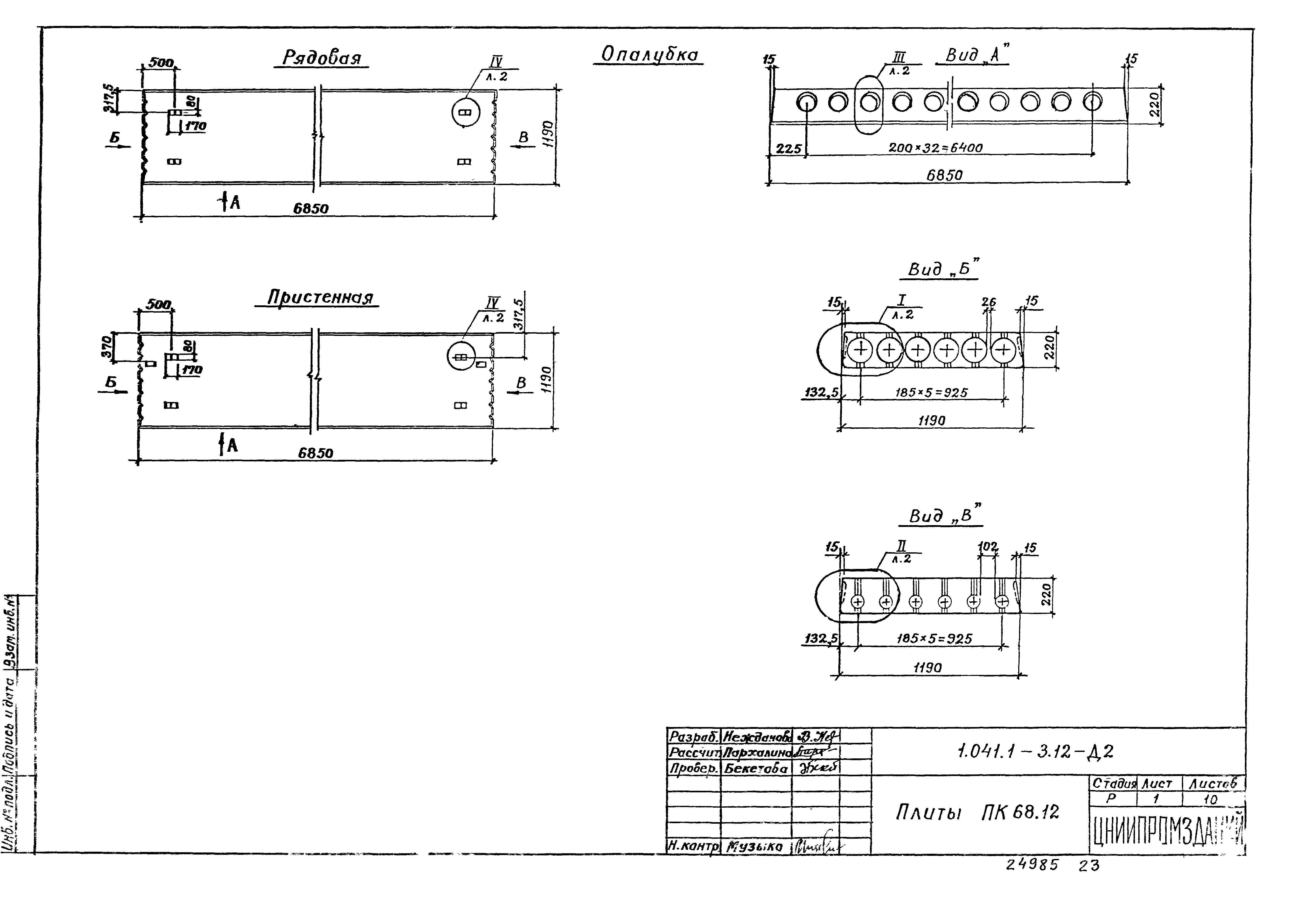
| Оглавление: | 1.041.1-3.12-ТО Техническое описание 1.041.1-3.12-Д1 Плиты ПК 68.15 1.041.1-3.12-РС1 Ведомость расхода стали 1.041.1-3.12-Д2 Плиты ПК68.12 1.041.1-3.12-РС2 Ведомость расхода стали |
| Разработан: | ЦНИИпромзданий |
| Утверждён: | 18.12.1990 Госстрой СССР (Государственный комитет Совета Министров СССР по делам строительства) (USSR Gosstroy 5/6-961) |
| Принят: | ЦНИИП реконструкции городов |
| Издан: | АПП ЦИТП (1991 г. ) |
| Заменяет собой: |


































