Скачать Серия 1.236.4-7/84 Выпуск 1. Витражи и витрины. Чертежи КМДата актуализации: 01.01.2021
|
| Обозначение: | Серия 1.236.4-7/84 |
| Обозначение англ: | Series 1.236.4-7/84 |
| Статус: | не определен законодательством |
| Название рус.: | Выпуск 1. Витражи и витрины. Чертежи КМ |
| Дата добавления в базу: | 01.09.2013 |
| Дата актуализации: | 01.01.2021 |
| Дата введения: | 01.12.1984 |
| Дата окончания срока действия: | 30.06.2003 |
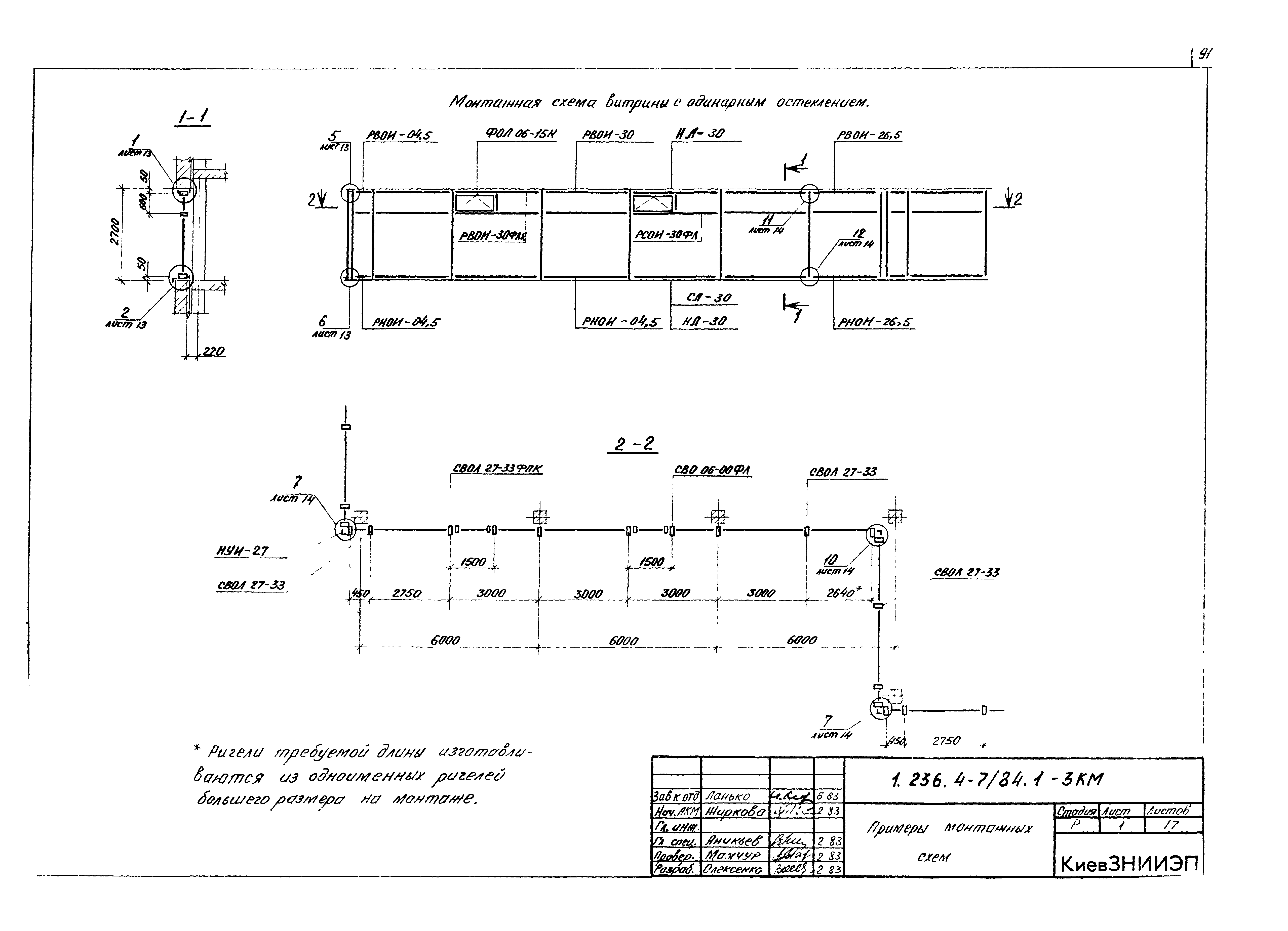
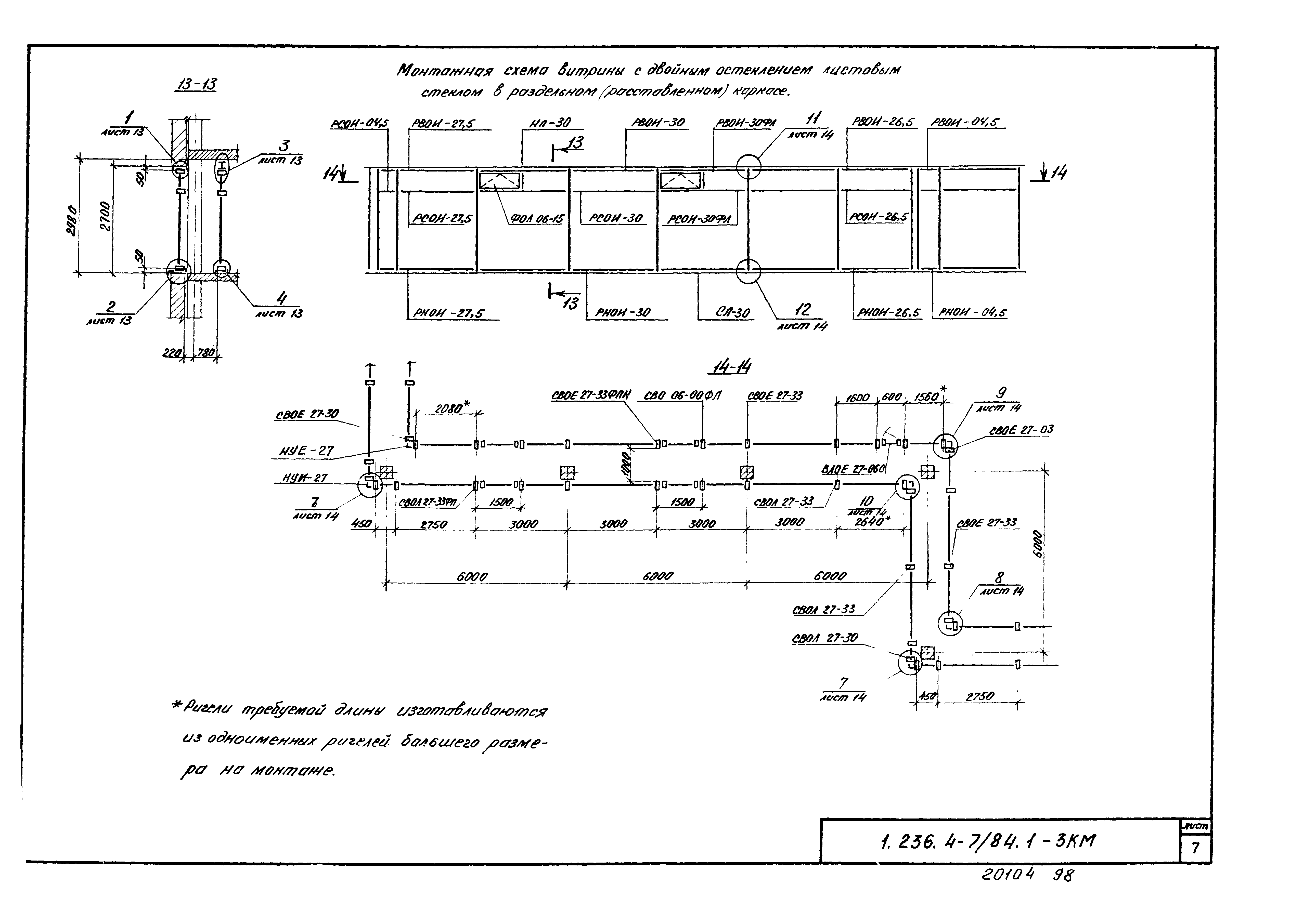
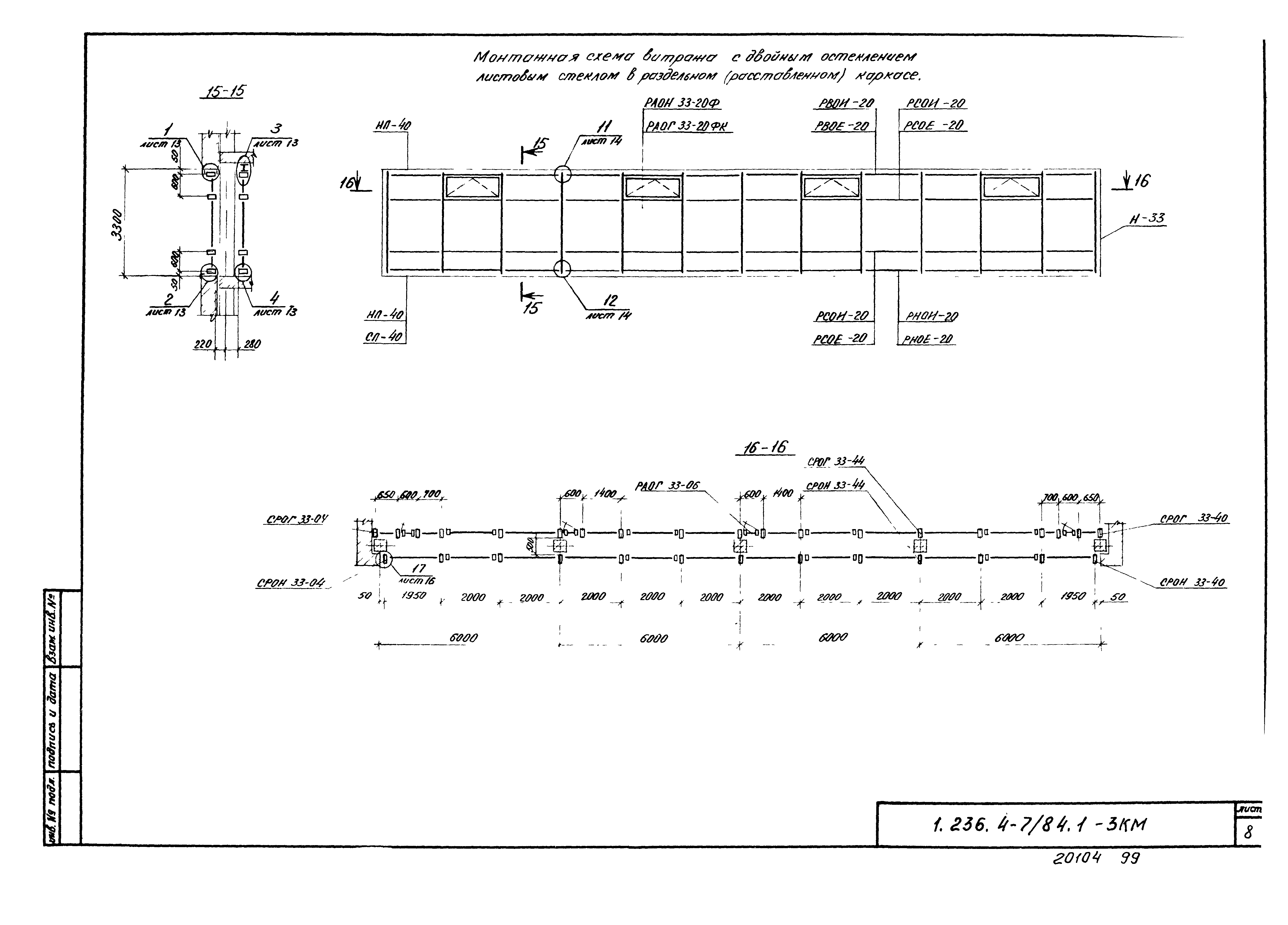
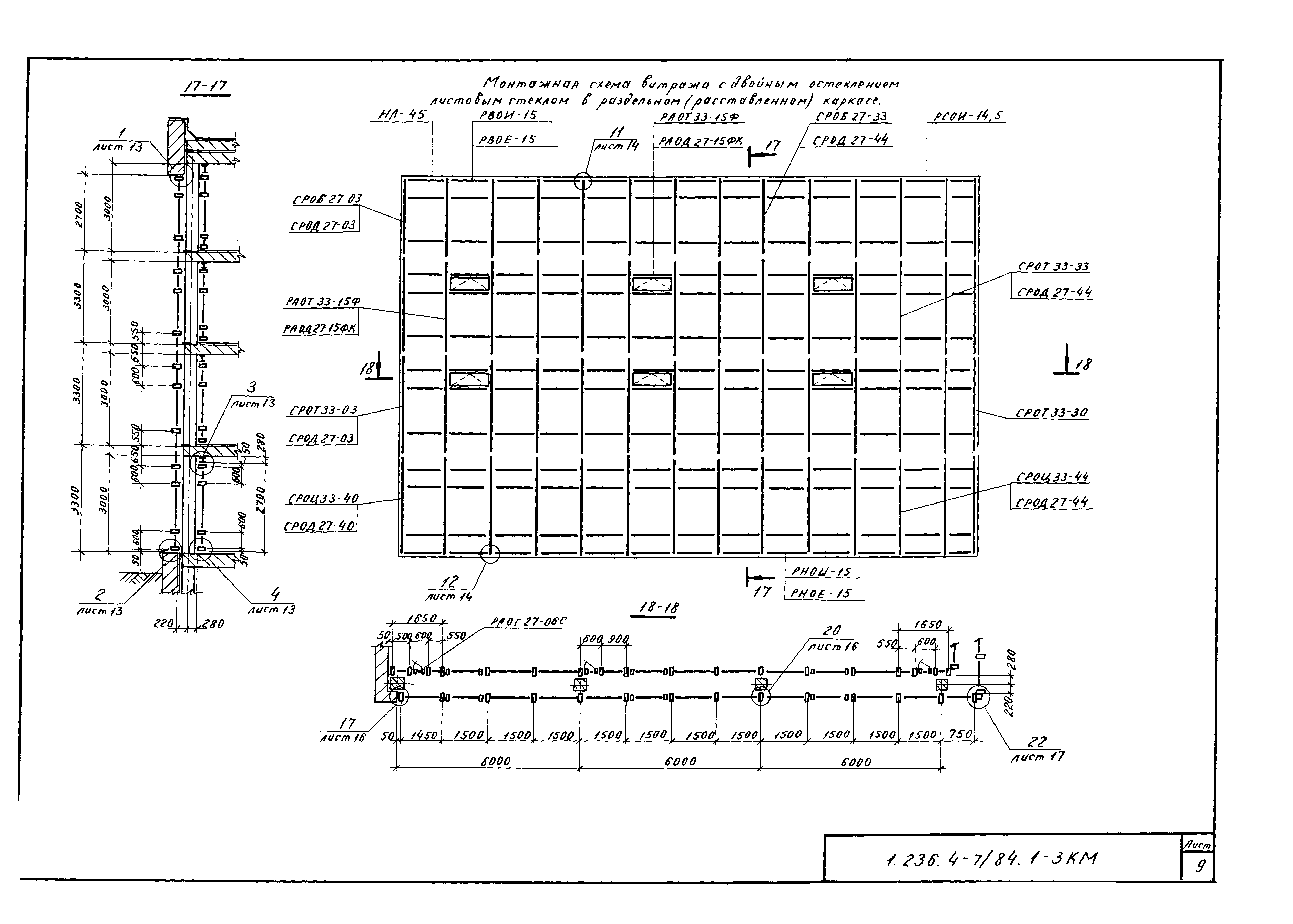
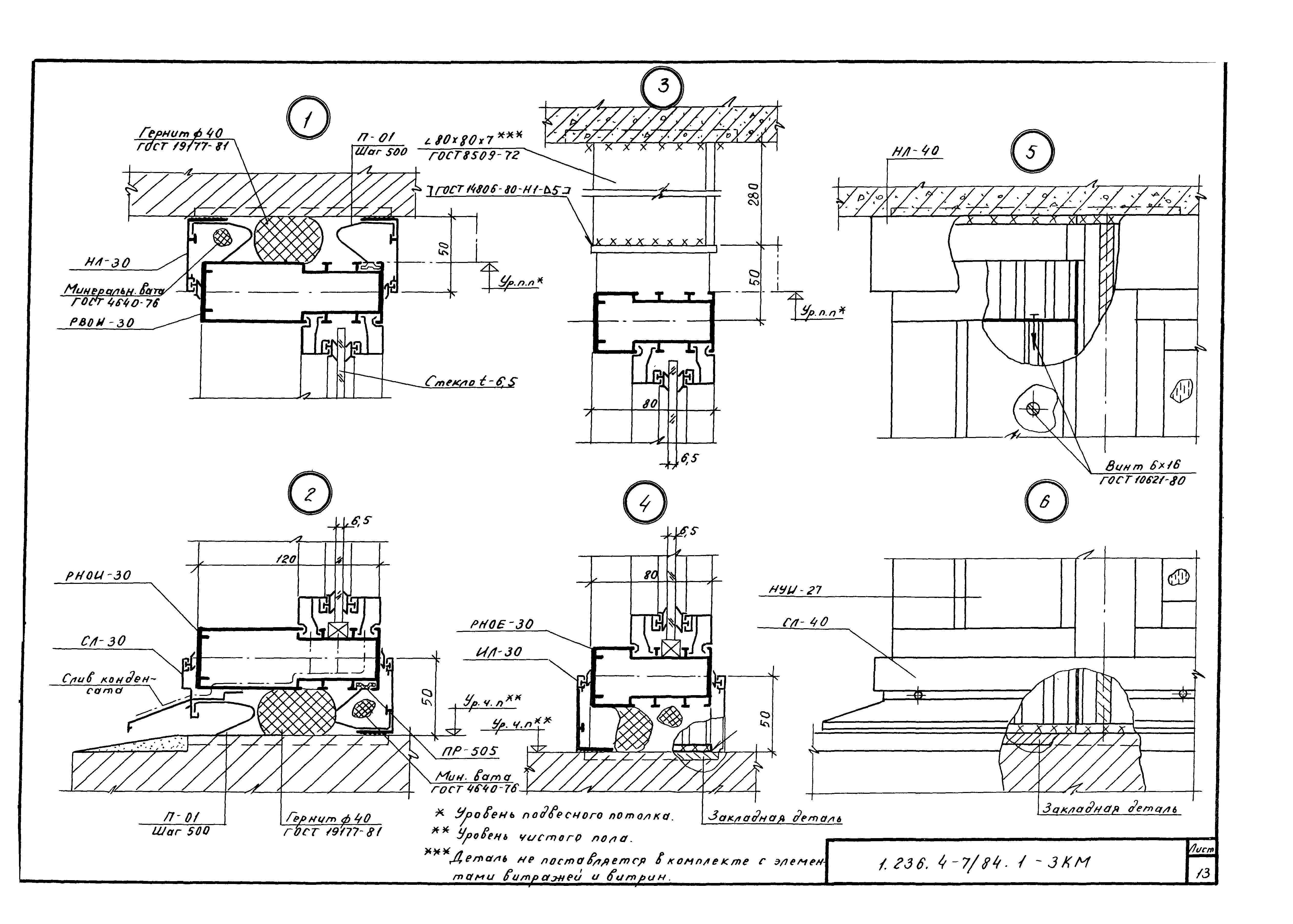
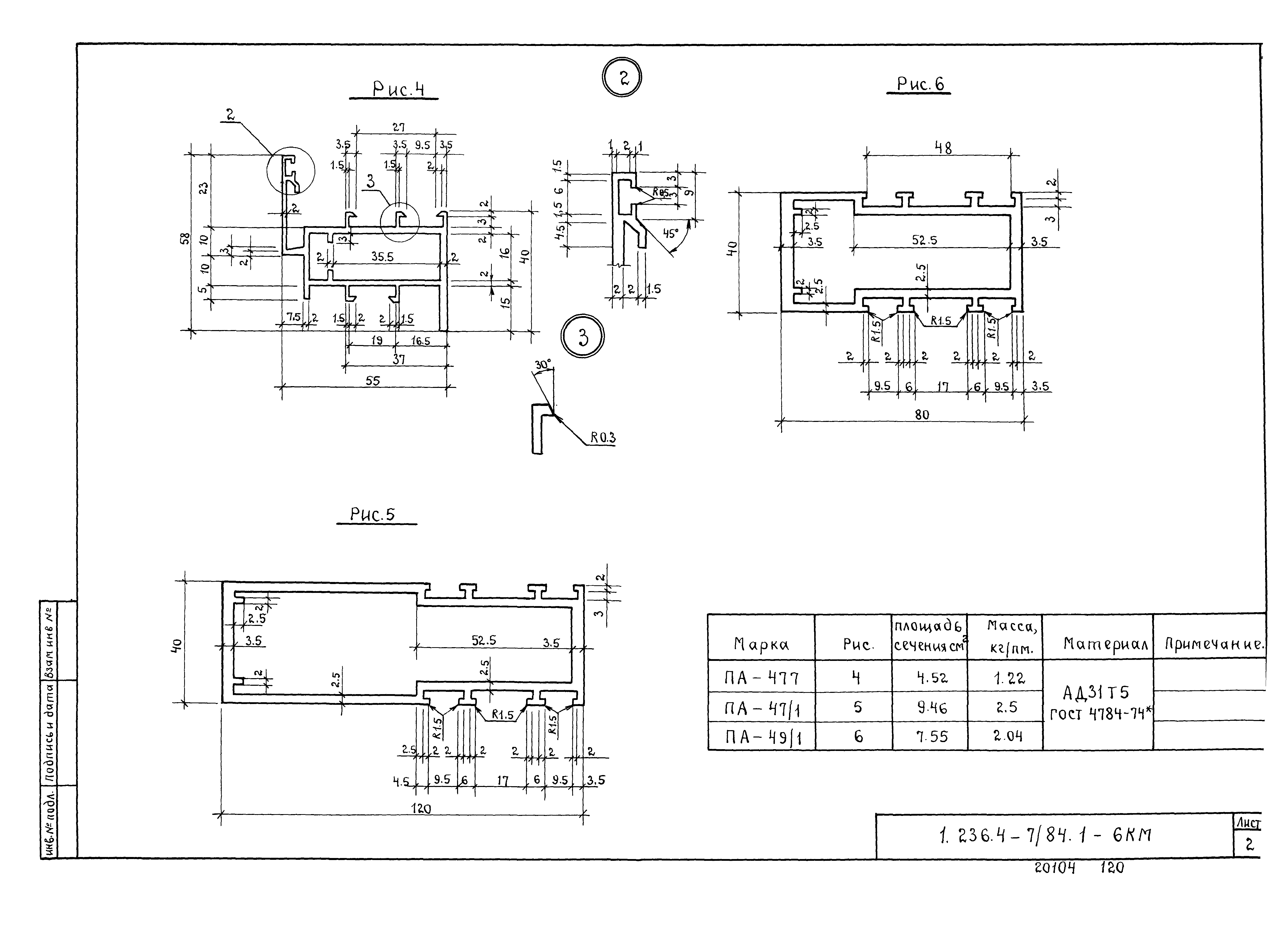
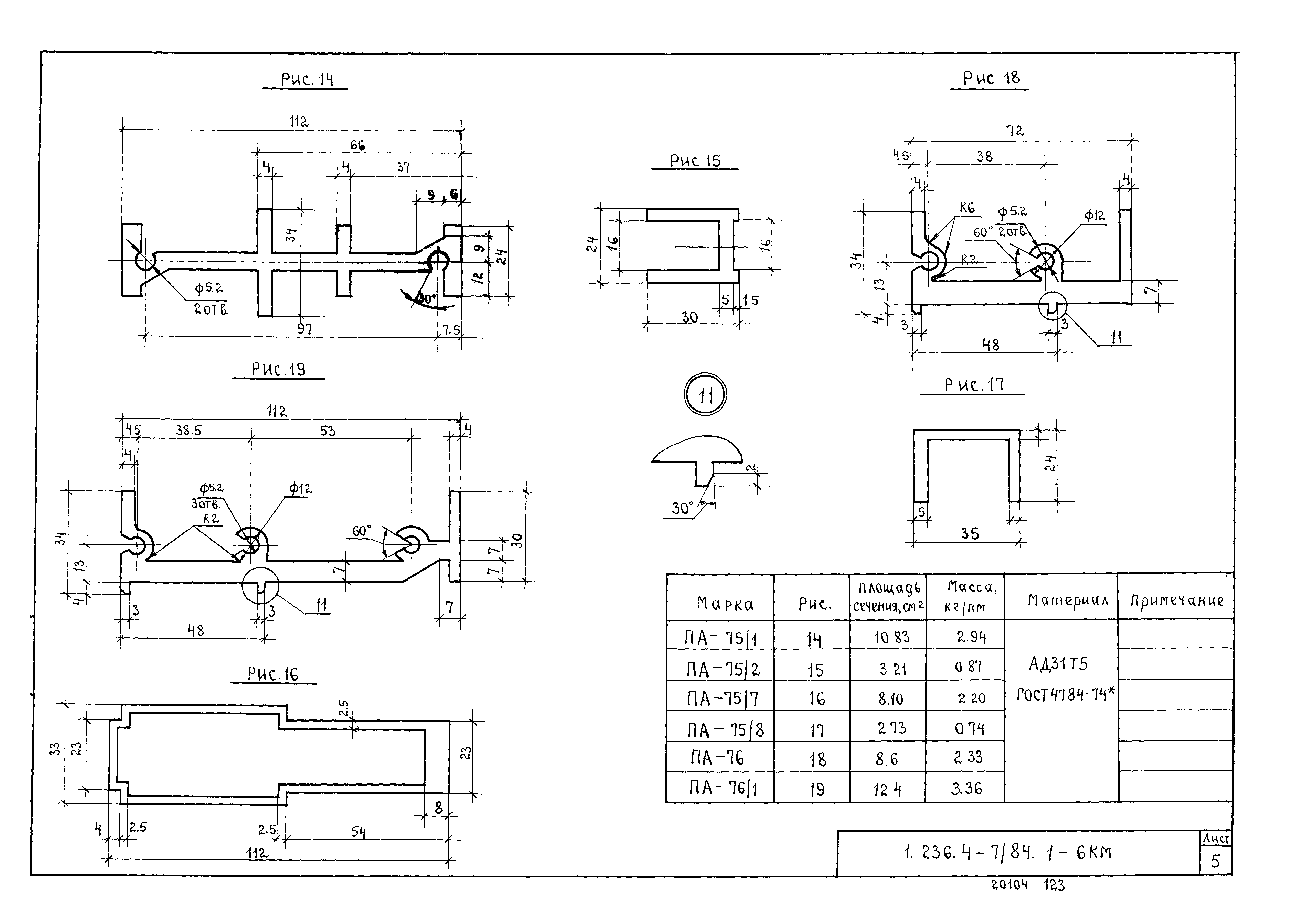
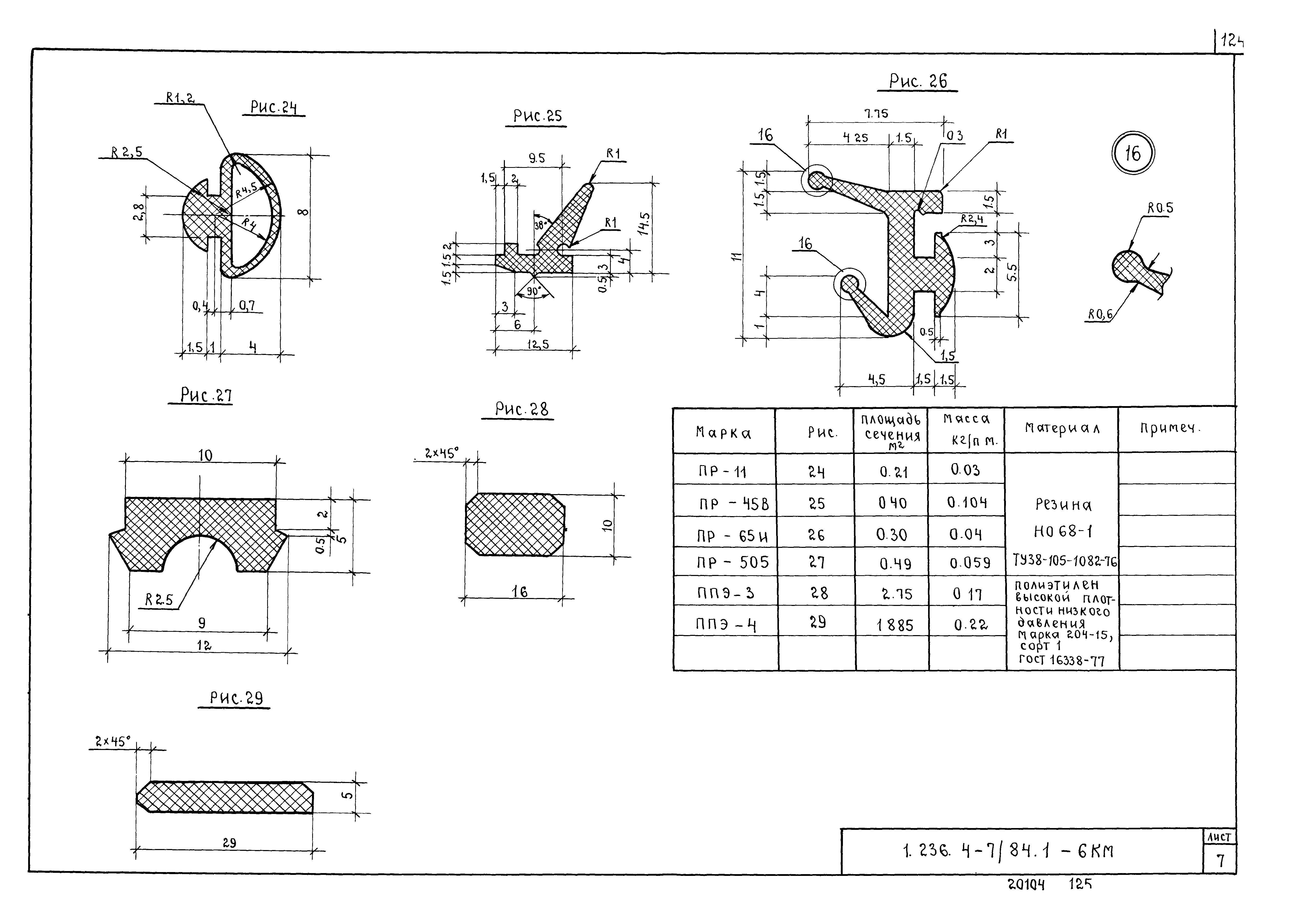
| Оглавление: | 1.236.4-7/84.1-0ТОКМ Техническое описание 1.236.4-7/84.1-1КМ Номенклатура изделий 1.236.4-7/84.1-2КМ Схемы сборки основных рам из линейных элементов 1.236.4-7/84.1-3КМ Примеры монтажных схем 1.236.4-7/84.1-4КМ Схемы остекления 1.236.4-7/84.1-5КМ Схемы установки приборов 1.236.4-7/84.1-6КМ Номенклатура алюминиевых, резиновых и пластмассовых профилей 1.236.4-7/84.1-7КМ Ведомость материалов и изделий 1.236.4-7/84.1-8КМ Ведомость потребности в материалах 1.236.4-7/84.1-9КМ Карта технического уровня и качества продукции |
| Разработан: | КиевЗНИИЭП Гипроспецлегконструкция |
| Утверждён: | 23.10.1984 Государственный комитет по гражданскому строительству и архитектуре при Госстрое СССР (305) |
| Издан: | ЦИТП Госстроя СССР (CITP, Gosstroy (USSR) 1988 г. ) |
| Заменяет собой: |


















































































































































