Скачать Серия 3.019.1-3 Выпуск 2. Изделия. Рабочие чертежиДата актуализации: 01.01.2021
|
| Обозначение: | Серия 3.019.1-3 |
| Обозначение англ: | Series 3.019.1-3 |
| Статус: | не определен законодательством |
| Название рус.: | Выпуск 2. Изделия. Рабочие чертежи |
| Дата добавления в базу: | 01.09.2013 |
| Дата актуализации: | 01.01.2021 |
| Дата введения: | 15.12.1992 |
| Дата окончания срока действия: | 30.06.2003 |
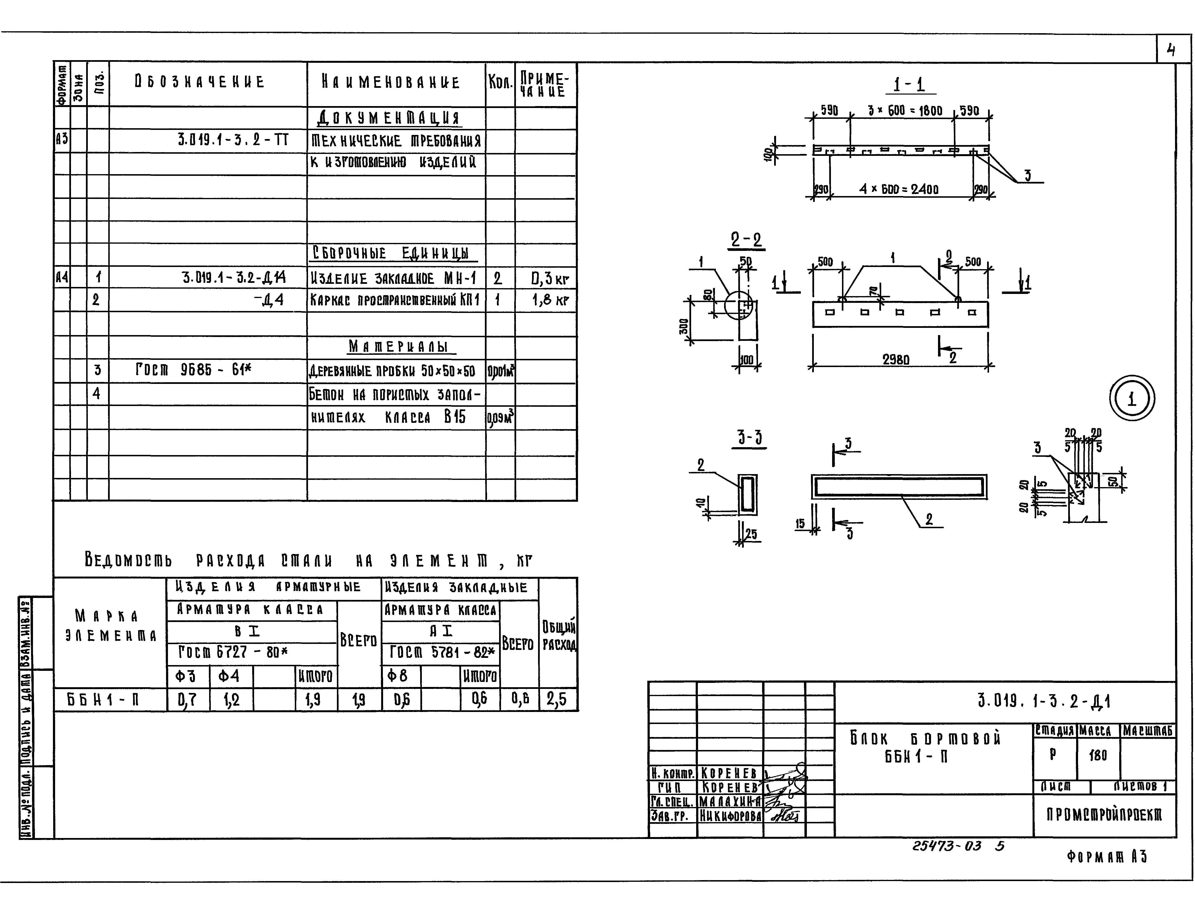
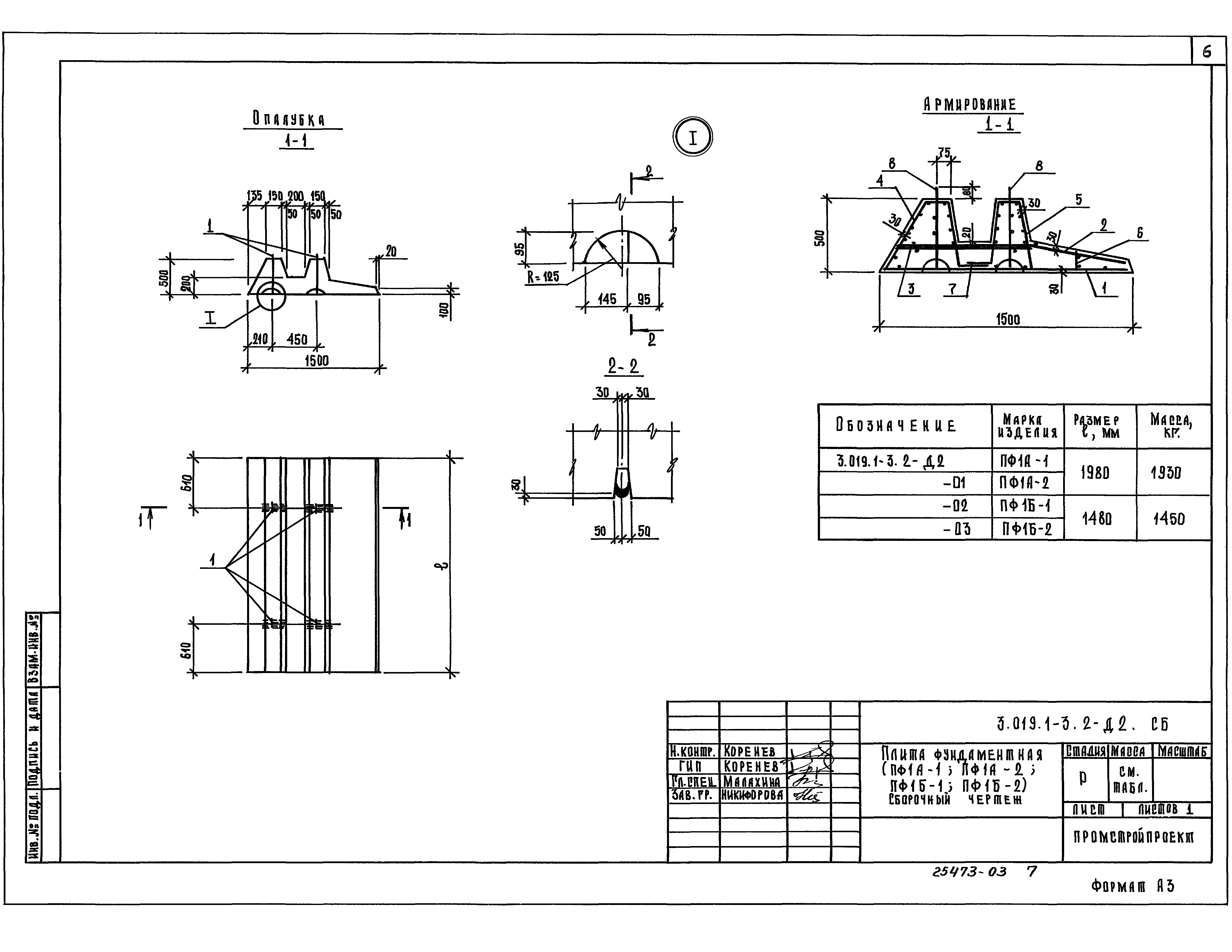
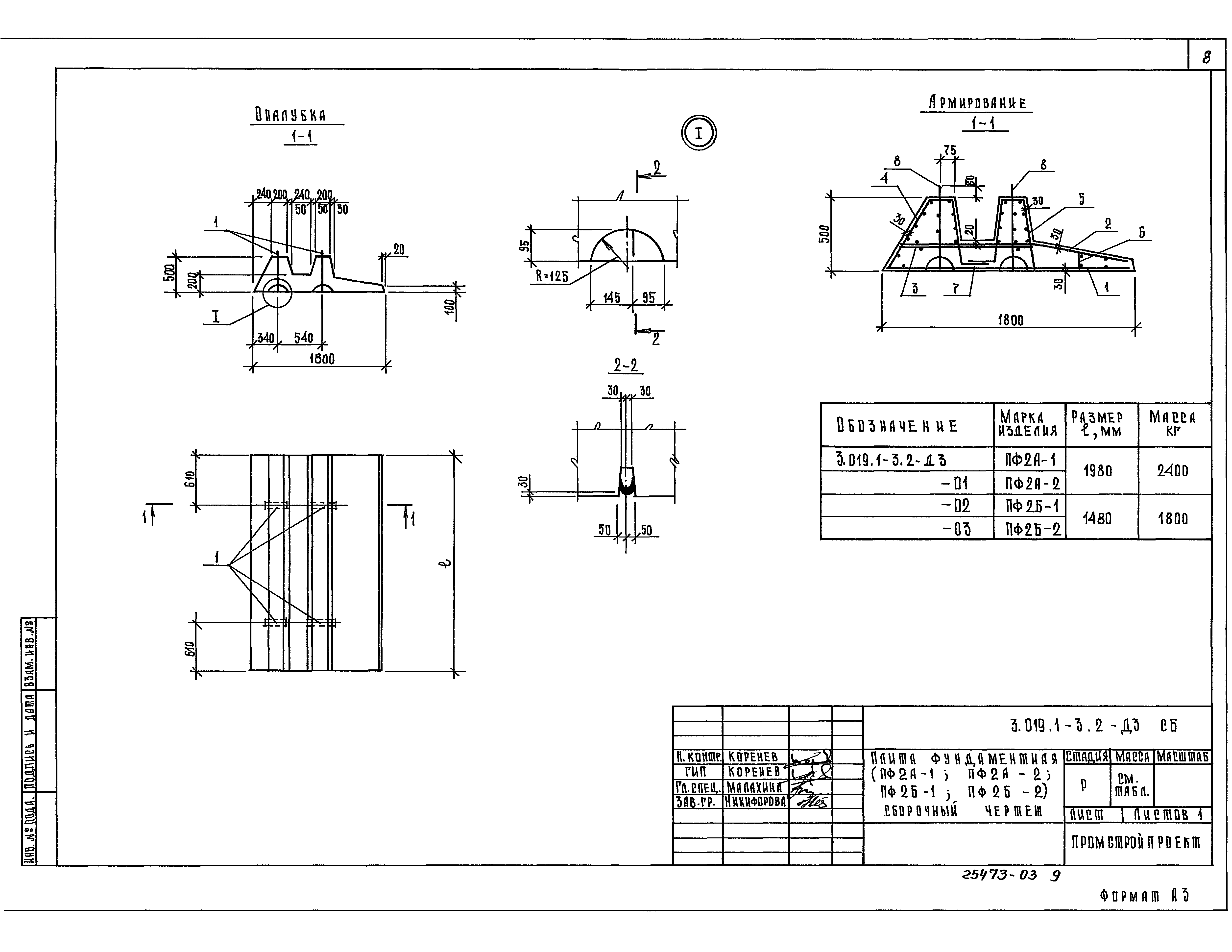
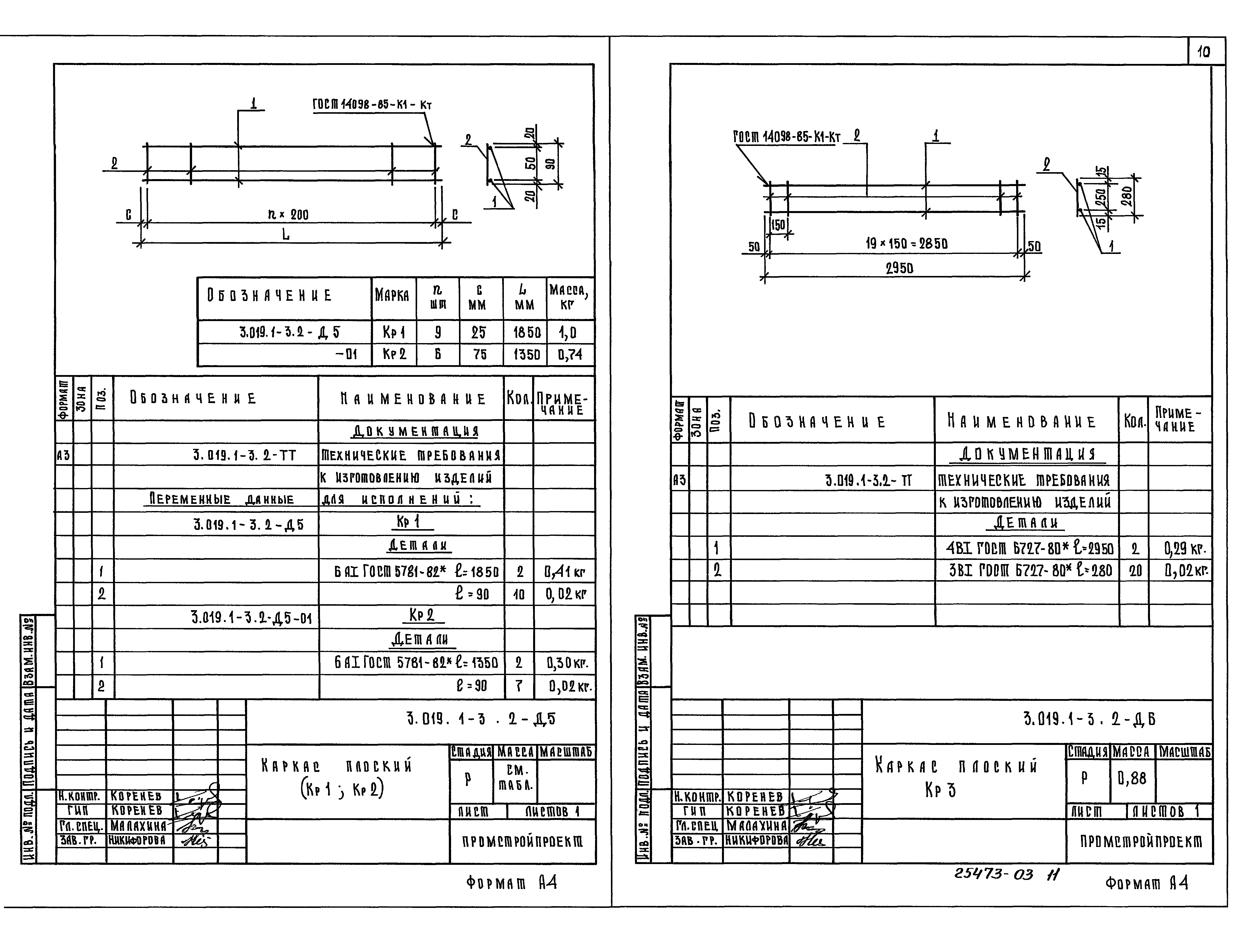
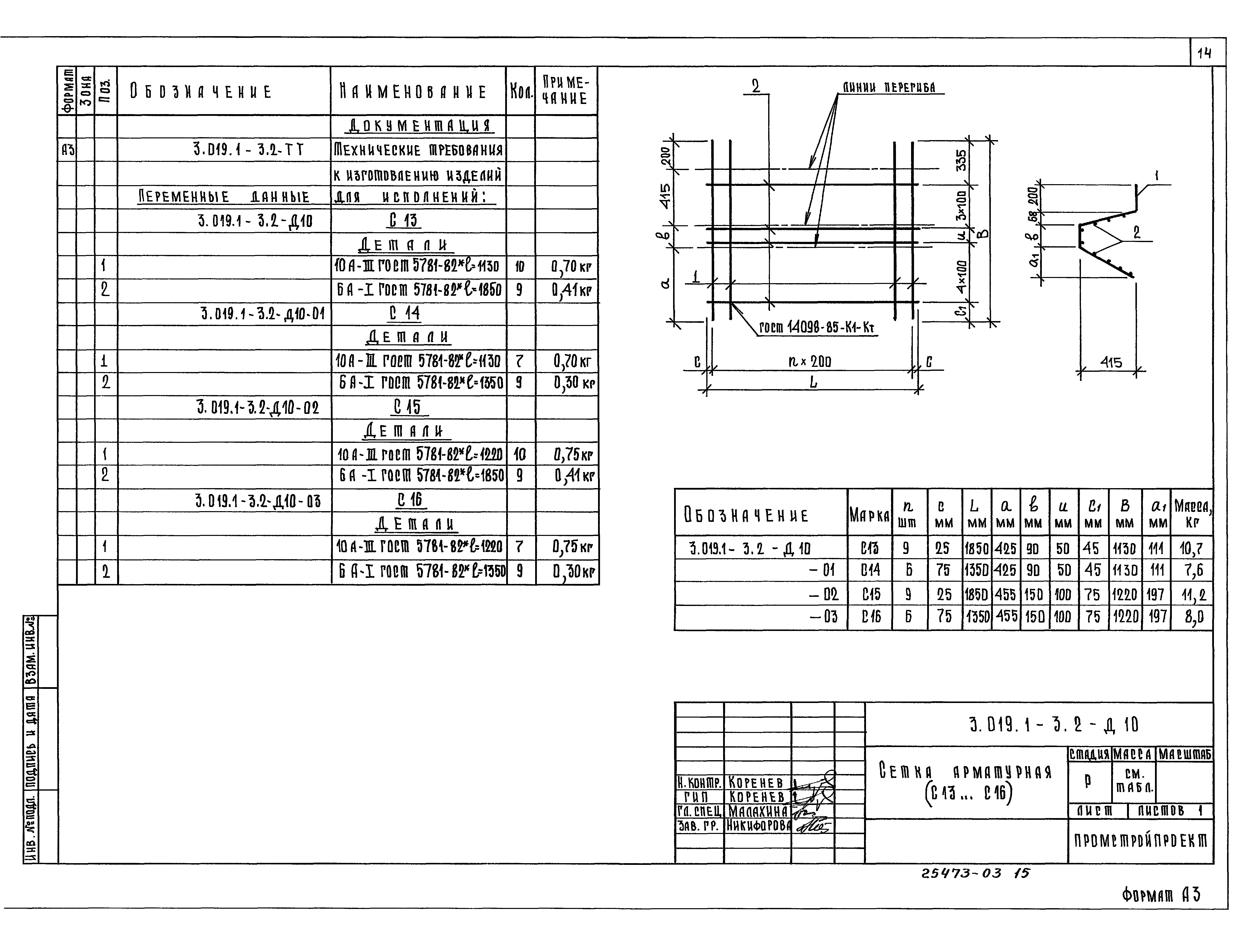
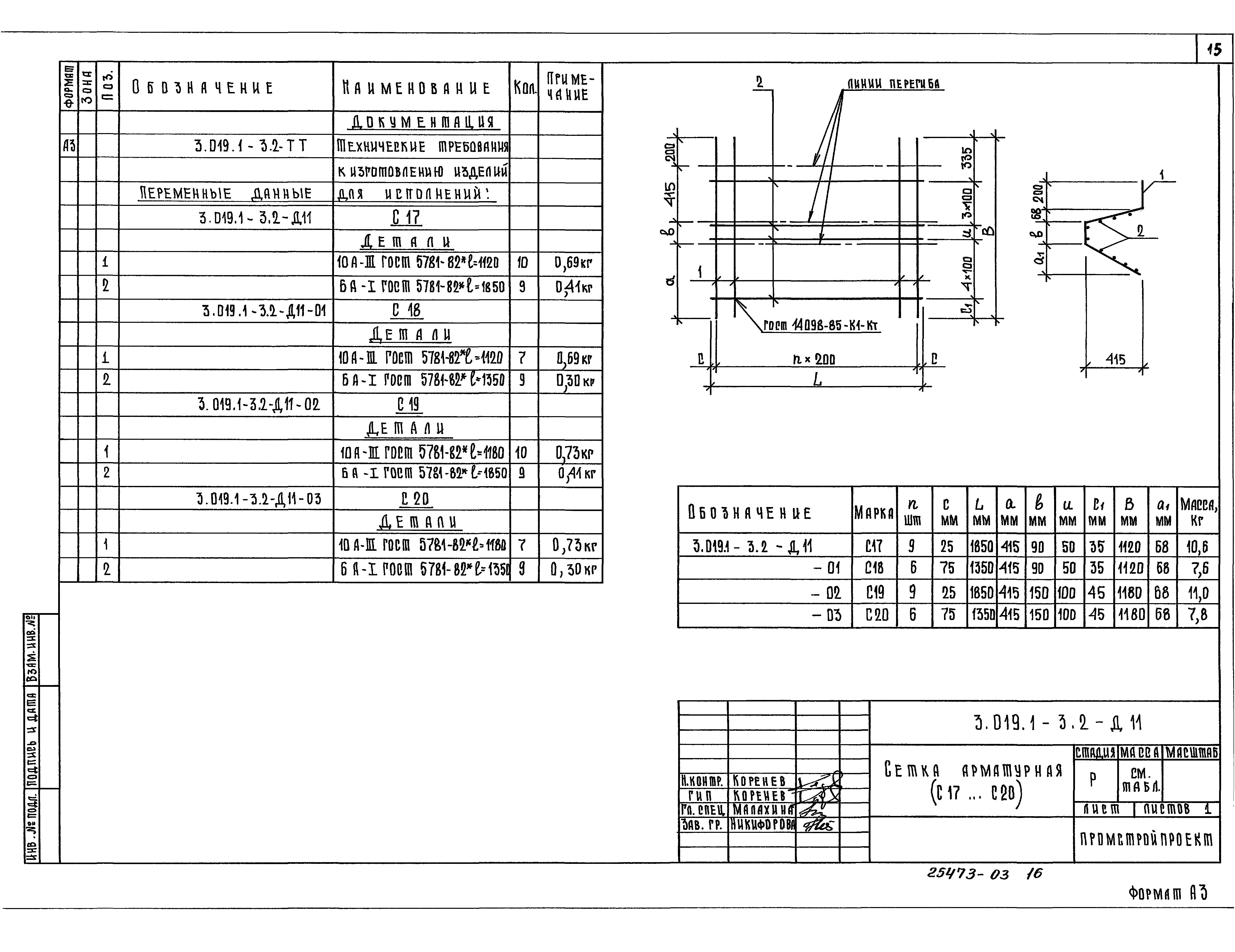
| Оглавление: | 3.019.1-3.2-ТТ Технические требования к изготовлению изделий 3.019.1-3.2-Д1 Блок бортовой ББК1-П 3.019.1-3.2-Д2 Плита фундаментная (ПФ1А-1;ПФ1А-2;ПФ1Б-1;ПФ1Б-2) 3.019.1-3.2-Д2СБ Плита фундаментная (ПФ1А-1;ПФ1А-2;ПФ1Б-1;ПФ1Б-2). Сборочный чертеж 3.019.1-3.2-Д3 Плита фундаментная (ПФ2А-1;ПФ2А-2;ПФ2Б-1;ПФ2Б-2) 3.019.1-3.2-Д3СБ Плита фундаментная (ПФ2А-1;ПФ2А-2;ПФ2Б-1;ПФ2Б-2). Сборочный чертеж 3.019.1-3.2-РС Ведомость расхода стали на плиты фундаментные, кг 3.019.1-3.2-Д4 Каркас пространственный КП1 3.019.1-3.2-Д5 Каркас плоский (КР1;КР2) 3.019.1-3.2-Д6 Каркас плоский КР3 3.019.1-3.2-Д7 Сетка арматурная (С1…С4) 3.019.1-3.2-Д8 Сетка арматурная (С5…С8) 3.019.1-3.2-Д9 Сетка арматурная (С9…С12) 3.019.1-3.2-Д10 Сетка арматурная (С13…С16) 3.019.1-3.2-Д11 Сетка арматурная (С17…С20) 3.019.1-3.2-Д12 Изделие соединительное (МС1…МС3) 3.019.1-3.2-Д13 Изделие соединительное (МС4…МС6) 3.019.1-3.2-Д14 Изделие закладное МН1 |
| Разработан: | Промстройпроект Госстроя СССР |
| Утверждён: | 29.11.1991 Госстрой СССР (Государственный комитет Совета Министров СССР по делам строительства) (USSR Gosstroy 5/4-65) |

















